metalinstryment.com
Довідник по металорізальних верстатів та пресовому обладнанні

Електроустаткування і схеми фрезерных верстатів 6Н10, 6Н80, 6Н80Г, 6Н80Ш
схеми, опис, характеристики

Верстат горизонтальный фрезерный консольный 6Р80, 6Р80Г







Відомості про виробника консольно-фрезерных верстатів 6Н10, 6Н80, 6Н80Г, 6Н80Ш

Фрезерный горизонтальный верстат з поворотным столом (універсальний) моделі 6Т80 выпускался Вильнюсским станкостроительным заводом "Жальгирис".

Первую продукцию станкостроительный завод «Жальгирис» выпустил в 1947 году. Завод специализировался сначала на производстве сверлильных і поперечно-строгальных верстатів, затем выпускал головним образом горизонтальные, вертикальные, универсальные фрезерные верстати, фрезерные напівавтоматы, универсальные прецизионные специализированные фрезерные верстати





Верстати, выпускаемые Вильнюсским станкостроительным заводом "Жальгирис"



Електроустаткування консольно-фрезерных верстатів 6Н10, 6Н80, 6Н80Г, 6Н80Ш

Електроустаткування, установленное на станке, рассчитано на напряжение силовой ланцюги 380 В, 50 Гц трехфазного переменного тока. В ланцюги керування применены наступні напряжения:


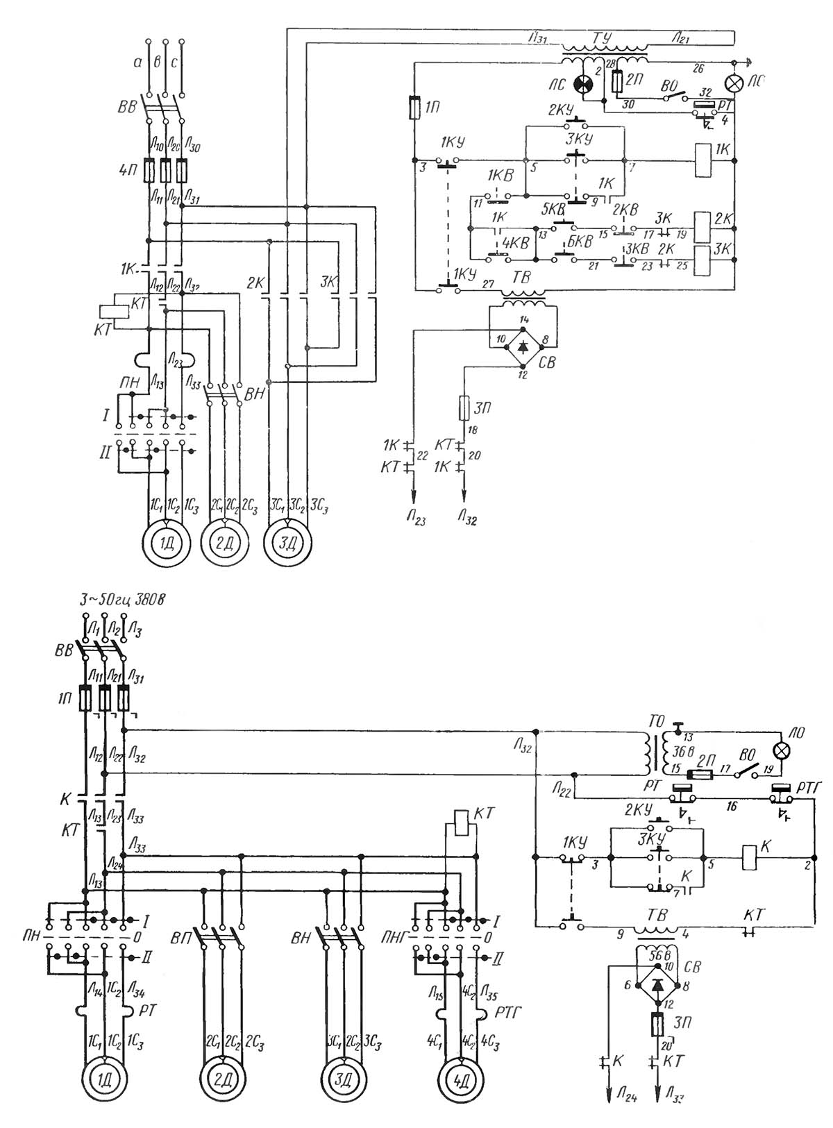
Схема електрична консольно-фрезерного верстатів 6Н10, 6Н80, 6Н80Г, 6Н80Ш

Схема електрична  фрезерного верстата

Електрична схема фрезерного верстата

Схема електрична фрезерного верстата. Дивитись у збільшеному масштабі



Увімкненням вводного выключателя ВВ подается напряжение на зажимы Л11, Л21, Л31, т.е. в ланцюг електродвигателей і ланцюг керування. При нажатии кнопки 2КУ "ПУСК" срабатывает магнитный пускатель К, который, замкнув свои контакты в силовой ланцюги, включает електродвигатели приводу шпинделя 1п или универсальной головки 4Д (для верстата 6н80ш), приводу подачі 2Д і електронасос 3Д.

Для раздельной роботи електродвигателей имеются выключатели ПН, ПНГ (для верстата 6Н80Ш), ВП, ВН, которые при необходимости выключают: ПН - електродвигатель приводу шпинделя 1Д, ПНГ - електродвигатель приводу универсальной головки 4Д (для верстата 6Н80Ш), ВП - електродвигатель приводу подачі 2Д і ВН - електронасос охлаждения 3Д.

Выключателем ПН также меняется направление обертання електродвигуна 1Д, а выключателем ПНГ — Направление обертання електродвигуна 4Д (для верстата 6Н80Ш).

Нажатием кнопки 1КУ "СТОП" отключается магнитный пускатель К, который, в свою очередь, выключает все електродвигатели. После отключения електродвигателей катушка контактора торможения КТ еще некоторое время остается включенной, питаясь за счет напряжения, индуктированного в статорах двигателей затухающими магнитными полями роторов. При достаточном снижении индуктированного в статорах напряжения контактор КТ отключается и, замкнув свои контакты в точках 2-4 і 20-ЛЗЗ, при нажатой кнопке "СТОП", подает в ланцюг статора електродвигуна 1Д или 4Д (для верстата 8Н80Ш) постоянный ток. Происходит електродинамическое торможение указанных електродвигателей.

Для кратковременного увімкнення електродвигуна 1Д или 4Д переключении швидкостей установлена кнопка "ТОЛЧОК" 8КУ. Местное освещение включается выключателем ВО.

Захист

Захист електроустаткування верстата в силовой ланцюги осуществляется предохранителями 111 і в ланцюги керування предохранителями 2П і 3П.

Захист електродвигуна приводу шпинделя 1Д от перегрузок осуществляется тепловым реле РТ, которое должно быть отрегулировано на ток 6,5 А, а защита електродвигуна универсальной головки - тепловым реле РТГ, которое должно быть отрегулировано на ток 2,7 а. Заземление выполняется согласно ПУЭ.

Електросхема широкоуніверсального верстата 6Н80Ш

Електросхема широкоуніверсального верстата 6Н80Ш отличается от базовой схеми наличием додаткових установочных елементів:

  1. Електродвигун приводу шпинделя накладной фрезерной головки - 4Д
  2. Выключатель для изменения направление обертання електродвигуна фрезерной головки - ПНГ
  3. Тепловое реле для защиты електродвигуна фрезерной головки - РТГ



Список елементів схеми електрической принципиальной консольно-фрезерного верстата

Список елементів схеми електрической принципиальной консольно-фрезерного верстата

Список елементів схеми електрической фрезерного верстата

Список елементів схеми електрической фрезерного верстата. Скачать в увеличенном масштабе



Список елементів схеми електрической принципиальной консольно-фрезерного верстата

Список елементів схеми електрической фрезерного верстата

Список елементів схеми електрической фрезерного верстата. Скачать в увеличенном масштабе



Список елементів схеми електрической принципиальной консольно-фрезерного верстата

Список елементів схеми електрической фрезерного верстата

Список елементів схеми електрической фрезерного верстата. Скачать в увеличенном масштабе



Список елементів схеми електрической принципиальной консольно-фрезерного верстата

Список елементів схеми електрической фрезерного верстата

Список елементів схеми електрической фрезерного верстата. Скачать в увеличенном масштабе



Cхема розположення електроустаткування на консольно-фрезерных верстатах

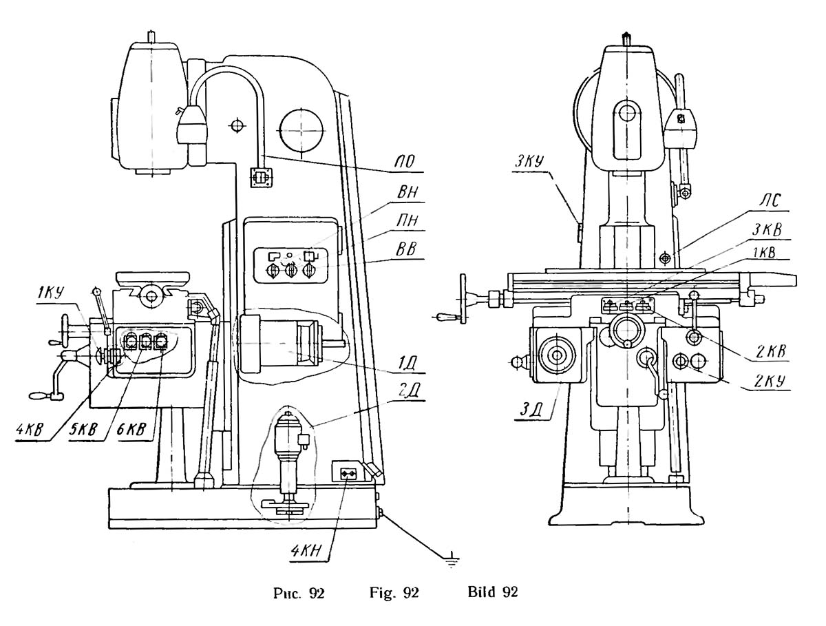
Cхема розположення електроустаткування на  вертикальнихконсольно-фрезерных верстатах 6н10

Cхема розположення електроустаткування на верстатах 6Н10

Cхема розположення електроустаткування на вертикальних верстатах 6н10. Скачать в увеличенном масштабе



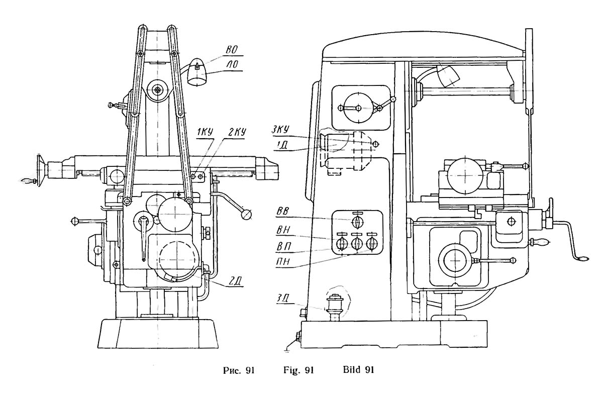
Cхема розположення електроустаткування на горизонтальных консольно-фрезерных верстатах 6н104

Cхема розположення електроустаткування на верстатах 6Н104

Cхема розположення електроустаткування на фрезерных верстатах 6н104. Скачать в увеличенном масштабе



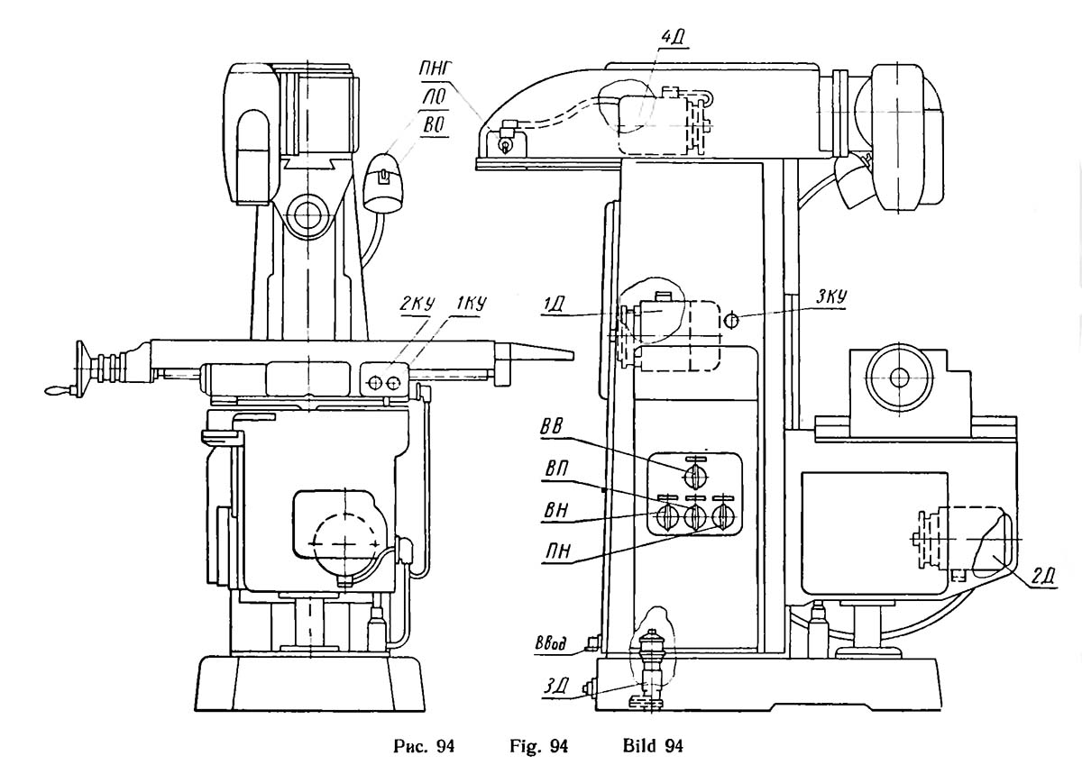
Cхема розположення електроустаткування на горизонтальных консольно-фрезерных верстатах 6н80, 6Н80Г

Cхема розположення електроустаткування на верстатах 6Н80, 6Н80Г

Cхема розположення електроустаткування на фрезерных верстатах 6н80, 6Н80Г. Скачать в увеличенном масштабе



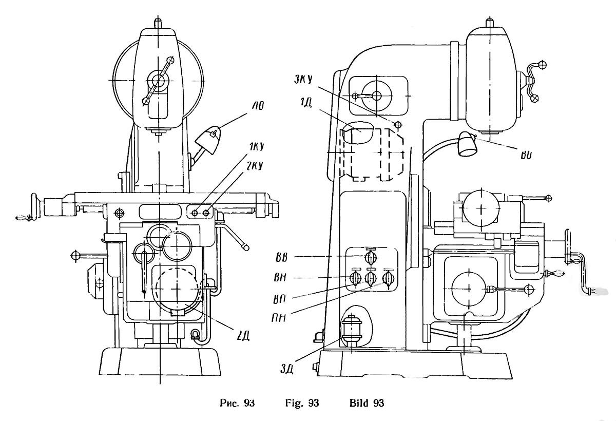
Cхема розположення електроустаткування на широкоуниверсальных консольно-фрезерных верстатах 6н80ш

Cхема розположення електроустаткування на верстатах 6Н80Ш

Cхема розположення електроустаткування на фрезерных верстатах 6н80ш. Скачать в увеличенном масштабе





Електроустаткування фрезерных верстатів Горьковского станкозавода, ГЗФС

Електроустаткування фрезерных верстатів 6T12, 6T13, 6T82, 6Т82Г, 6Т82Ш, 6T83, 6Т83Г, 6Т83Ш

Електроустаткування фрезерных верстатів 6P12, 6P13, 6Р82, 6Р82Г, 6Р82Ш, 6Р83, 6Р83Г, 6Р83Ш, 6Р12Б, 6Р13Б

Електроустаткування фрезерных верстатів 6М12П, 6М12ПБ, 6М13П, 6М13ПБ, 6М82, 6М82Ш, 6М82ГБ, 6М83, 6М83Ш

Електроустаткування фрезерных верстатів Вильнюсского станкозавода Жальгирис

Електроустаткування фрезерных верстатів 6Т10, 6Т80, 6Т80Г, 6Т80Ш

Електроустаткування фрезерных верстатів 6Р10, 6Р80, 6Р80Г, 6Р80Ш

Електроустаткування фрезерных верстатів 6Н10, 6Н80, 6Н80Г, 6Н80Ш

Електроустаткування фрезерных верстатів Дмитровского станкозавода, ДЗФС

Електроустаткування фрезерных верстатів 6Р11, 6Р81, 6Р81Г, 6Р81Ш

Електроустаткування фрезерных верстатів 6Н11, 6Н81, 6Н81Г, 6Н81А




Опис електроустаткування фрезерных верстатів. Відеоролик.





    Список литературы:

  1. Універсально-фрезерный верстат 6Н80. Горизонтально-фрезерный верстат 6Н80Г. Вертикально-фрезерный верстат 6Н10. Руководство к верстату,
  2. Горизонтально-фрезерные верстати 6Н80Г, 6Н804Г. Вертикально-фрезерные верстати 6Н10, 6Н104. Універсально-фрезерные верстати 6Н80. Широкоуниверсальные-фрезерные верстати 6Н80Ш. Каталог запасных частин, 1983
  3. Ремонт фрезерных верстатів 6Н80, 6Н80Г, 6Н10, 6Н80Ш. Тула, 1972

  4. Игнатов В.А. Електроустаткування современных металлорежущих верстатів і обрабатывающих комплексов, 1991
  5. Комаров А.Ф. Наладка і експлуатация електроустаткування металлорежущих верстатів, 1975
  6. Розман Пристрій, наладка і експлуатация електроприводов металлорежущих верстатів, 1985
  7. Чернов Е.А. Комплектные електроприводы верстатів з ЧПУ, 1989
  8. Харизоменов И.В. Электрическое обладнання металлорежущих верстатів, 1958