metalinstryment.com
Довідник по металорізальних верстатів та пресовому обладнанні

6м80 Верстат горизонтальный консольно-фрезерный з поворотным столом - універсальний
схеми, опис, характеристики

Верстат горизонтальный фрезерный консольный 6м80, 6м80г







Відомості про виробника широкоуніверсального фрезерного верстата 6м80

Універсальный консольно-фрезерный верстат 6м80 і горизонтальный консольно-фрезерный верстат 6м80г выпускался предприятием Вильнюсский станкостроительный завод "Жальгирис".

В 1947 году станкостроительный завод «Жальгирис» выпустил первую продукцию - 13 настольно-сверлильных верстатів.

В 1949 году было начато освоение более сложной продукции – поперечно–строгальных верстатів, за которыми післядовало производство горизонтальных, вертикальних і универсальных консольно–фрезерных верстатів.





Верстати, выпускаемые Вильнюсским станкостроительным заводом "Жальгирис"


6м80 Верстат горизонтальный консольно-фрезерный з поворотным столом - універсальний. Назначение і область применения

Універсально-фрезерный верстат, модель 6М80, з поворотным столом і горизонтально-фрезерный верстат, модель 6М80Г предназначены для фрезерування небольших деталей из стали, чугуна і цветных металлов цилиндрическими, дисковыми, фасонными, угловыми, торцовыми, кінцівыми і другими фрезами в условиях индивидуального і серийного производства. Возможность налаштування верстата на различные напівавтоматические і автоматические циклы позволяет успешно использовать верстати для выполнения работ операционного характера в поточных і автоматических лініях в крупносерийном производстве.

На фрезерном станке 6М80 можно обрабатывать вертикальные і горизонтальные плоскости, пазы, углы, рамки, зубчасті колеса і т.д. На станке моделі 6м80 можно фрезеровать всевозможные спирали, для чего стол его поворачивается вокруг своей вертикальной оси.

На верстатах 6М80 удобно выполнять фрезерование торцов, скосов, лысок, шлицев, пазов.

В качестве инструмента могу быть использованы различные типы фрез: цилиндрические, дисковые, фасонные, а также наборы фрез. Возможно также применение торцовых і кінцівых фрез.

Особливості конструкції і принцип роботи верстата

Повышенная мощность і широкий диапазон швидкостей і подач позволяет успешно работать как быстрорежущими фрезами, так і фрезами, оснащенными пластинками из твердого сплава.

Верстати 6М80 состоят из групп (рис.4), спецификация которых приведена выше.

В станину з задньої стороны встраивается коробка швидкостей. Клиновые ремни передают вращение на шпиндель, смонтированный в станине. Ременная передача исключает вибрации при работе на высоких скоростях, что выгодно отличает ети верстати от верстатів существующих, где привід на шпиндель жесткий. В верхней частини станины сделаны направляющие для хоботов.

Спереди на всей высоте станины идут направляющие для консоли. Последняя служит для розміщення на ней салазок столом. С левой стороны консоли монтируется коробка подач.

Електроустаткування монтируется в легкодоступных надежно защищенных нишах станины.

Охлаждение смонтировано на основании под задним кожухом.

Класс точності верстата Н по ГОСТ 8—77.


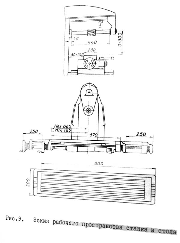
Габаритные розміри робочого простору фрезерного верстата 6м80, 6м80г

6м80, 6м80г Габаритные розміри робочого простору універсального горизонтального консольно-фрезерного верстата

Габарит робочого простору фрезерного верстата 6м80


Присоединительные базы фрезерного верстата 6м80, 6м80г

6м80, 6м80г . Шпиндель. Присоединительные базы універсального горизонтального консольно-фрезерного верстата

Присоединительные базы фрезерного верстата 6м80


Загальний вигляд горизонтального консольно-фрезерного верстата 6м80

Фото фрезерного верстата 6м80

Фото фрезерного верстата 6м80


Фото фрезерного верстата 6м80

Фото фрезерного верстата 6м80


Загальний вигляд  горизонтального консольно-фрезерного верстата 6м80

Фото фрезерного верстата 6м80

Загальний вигляд горизонтального консольно-фрезерного верстата 6м80. Дивитись у збільшеному масштабі



Загальний вигляд  горизонтального консольно-фрезерного верстата 6м80

Фото фрезерного верстата 6м80

Загальний вигляд горизонтального консольно-фрезерного верстата 6м80. Дивитись у збільшеному масштабі



Загальний вигляд  горизонтального консольно-фрезерного верстата 6м80

Фото фрезерного верстата 6м80

Загальний вигляд горизонтального консольно-фрезерного верстата 6м80. Дивитись у збільшеному масштабі







Розташування органів керування фрезерным верстатом 6м80, 6м80г

Розташування органів керування фрезерным верстатом 6м80, 6м80г

Розташування органів керування фрезерным верстатом 6м80

Розташування органів керування фрезерным верстатом 6м80. Дивитись у збільшеному масштабі



Список органів керування фрезерным верстатом 6м80, 6м80г

  1. Упоры поздовжньої подачі
  2. Винт зажиму стола
  3. Рукоятка увімкнення поздовжньої подачі
  4. Кнопка "Стоп"
  5. Кнопка "Пуск"
  6. Маховик ручной поперечної подачі
  7. Рукоятка вертикального переміщення консоли
  8. Рукоятка увімкнення поперечної і вертикальной подач
  9. Рукоятка изменения величины подачі
  10. Упоры поперечної подачі
  11. Упоры вертикальной подачі
  12. Пакетный выключатель "Подача"
  13. Пакетный выключатель "Шпиндель"
  14. Пакетный выключатель освещения
  15. Пакетный выключатель охлаждения
  16. Пакетный выключатель
  17. Рукоятка переключения швидкостей
  18. Маховик ручной поздовжньої подачі
  19. Рукоятка увімкнення перебора
  20. Кнопка "Толчок"
  21. Зажим хобота
  22. Гайка зажиму консоли
  23. Рукоятка зажиму салазок на консоли
  24. Винт зажиму салазок
  25. Рукоятка ускоренного ходу
  1. I Станина 1
  2. II Коробка швидкостей 2
  3. III Шпиндель 21
  4. IV Коробка подач 3
  5. V Консоль 4
  6. VI Салазки 5
  7. VII Стол 51




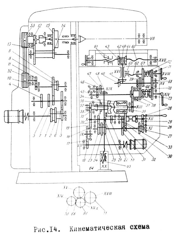
Кінематична схема фрезерного верстата 6м80, 6м80г

Кінематична схема 6м80, 6м80г cтанок горизонтальный консольно-фрезерный

Кінематична схема фрезерного верстата 6м80



Главный привід верстата

Вращение шпинделя осуществляется от фланцевого асинхронного електродвигуна мощностью 2,8 кВт через шестиступенчатую коробку швидкостей, ременную передачу і перебор.

Верхние 6 ступеней чисел оборотів шпинделя получают при включении кулачковой муфты. При етом отключают шестерни перебора 13 і 14.

Таким образом, на высоких скоростях вращение шпинделя в післяднем звене осуществляется ремнями, а переборный вал вообще не вращается. Для получения нижних 6 ступеней муфта выключается, переборные шестерни 13 і 14 вводятся в зацепление соответственно з шестернями 12 і 15.

Привід подач

Привід подач осуществляется от асинхронного електродвигуна мощностью 0,6 кВт, встроенного внутрь консоли.

От електродвигуна вращение передається через шестерни 16, 17, 18, 19 на вал Х 12-и ступенчатой коробки подач.

Через коробку подач (валы XI і XII) вращение передається на шестерню 56, сидящую на валу XIII.

В шестерню 56, встроена предохранительная муфта 34.

При включении кулачковой муфты 57 начинают вращаться вал XIII і шестерня 36. Последняя, находясь в зацеплении з шестерней 37, приводит во вращение валы консоли.

Ланцюг ускоренного ходу идет, минуя валы X, XI, XII, з шестерни 19 на шестерню 35, сидящую свободно на валу ХIII. При включении фрикционной муфты 58 начинают вращаться вал ХIII і шестерня 36. Далее рух идет так же, как при рабочих подачах.

Увімкнення продольных, поперечных і вертикальних подач производится соответственно муфтами 49, 72, 73.

Реверсирование подач выполняется посредством конических шестерен 43 і 44 для поздовжньої подачі і паразитной шестерни 69 для поперечної і вертикальной подач.





Пристрій і робота верстата 6м80, 6м80г. Специфические особливості окремих вузлів станина, хобот, подвеска, поддержка

Станина

В узел "Станина" входят: основание, стойка, дверки, крышки і кожух.

На основании устанавливается стойка, кронштейн з гайкой гвинта подъема консоли і насос охлаждения. Внутренняя полость основания является резервуаром для охлаждающей жидкости.

Стойка коробчатой формы разделена поперечної вертикальной перегородкой на две частини.

В етой перегородке имеется большое окно, через которое вставляется коробка швидкостей вместе з керуванням.

Небольшое квадратное окно в левой стенке служит для помещения рукоятки переключения швидкостей.

Окно в правой стенке служит для монтажа насоса змазки. Передня стенка стойки выполнена в виде направляючих профиля "ласточкин хвост" для консоли. Такой же формы направляющие выполнены на верхней стенке для хобота.

В верхней частини стойки имеются расточки для шпинделя і вала перебора.

Спереди, з левой стороны станины предусмотрен платик для крепления на нем планки з упорами, ограничивающими вертикальний ход консоли.

Хобот представляет собой отливку коробчатой формы. Зажим хобота на стойке осуществляется клином при помощи гвинта, расположенного сзади стойки.

На хоботе крепятся подвески, которые служат опорами для фрезерных оправок. Одна из них для уменьшения потерь на трение смонтирована на підшипниках качения. Вторая подвеска обеспечивает возможность жесткого фрезерування реечными і цилиндрическими фрезами з размерами менее 75 мм. Опорой для оправки служит бронзовая втулка.

Для увеличения жесткости хобот може быть связан з консолью при помощи поддержки.

Вузли головного привода

Шестиступенчатая коробка швидкостей (рис.19) представляет собой отдельный узел, встраиваемый в станину з задньої стороны. Коробка привертывается к вертикальной перегородке стойки таким образом, что її корпус помещается во внутреннем пространстве стойки.

К коробке швидкостей прифланцован електродвигатель, соединенный з нижним валом коробки при помощи упругой муфты.

К верхней частини коробки швидкостей прикреплено натяжное пристрій з ведущим шкивом ременной передаче.

При натяжении ремней шестерня 80Г 2424/ 80Г 2429, жестко связанная со шкивом, обкатывается вокруг шестерни 80Г2054, 80Г2055А, сидящей на верхнем валу коробки швидкостей.

Шпиндель з перебором (рис. 20) смонтирован непосредственно в стойке. В качестве опор шпинделя применены двухрядные роликовые підшипники 5,6 з посадкой внутреннего кольца на конус. Для восприятия осевых усилий установлены упорные шарикопідшипники 7.

От шкива, находящегося на натяжном устройстве, рух передається на шкив 8, сидящий соосно со шпинделем не окремих опорах.

На нижних шести ступенях чисел оборотів шпиндель получает вращение через шестерни перебора 10.

Для получения верхних шести швидкостей нужно отключить перебор, а шпиндель соединить напрямую з помощью кулачковой муфты 9 со шкивом.

Увімкнення перебора осуществляется посредством рычажного механізма, рукоятка 19 которого выходит на левую сторону станины (рис.4).

Механізм переключения швидкостей смонтирован на самой коробке і состоит из диска з кривыми і рычагом переключения (рис.21).

Поворот диска осуществляется рукояткой 17 (рис.4), вынесенной на левую сторону станины.

Числа на лимбе, указывающие скорости при работе з перебором, окрашены в белый цвет, а числа, указывающие работу з отключенным перебором, окрашены в красный цвет. Указатели окрашены тоже в разные цвета.

При переключении следует следить, чтобы цвет указателя совпадал з цветом чисел лимба.

Во избежание возможной путаницы при переключении на левой стороне станины верстата имеются таблицы, указывающие работу з перебором і без перебора.




Консоль і коробка подач

Механізми приводу подач размещены в консоли і в коробке подач (см.Рис. 22, 23, 24, 25, 26).

Спереди, в нижнюю часть консоли встроен фланцевый електродвигатель.

С левой стороны консоли присоединяется коробка подач вместе з механізмом переключения подач.

12-ступенчатая коробка подач имеет, кроме ланцюги рабочих подач, ланцюг ускоренного ходу. В коробке подач есть предохранительная муфта 1, исключающая возможность поломки шестерен при чрезмерной нагрузке.

На одном валу з предохранительной муфтой смонтирована кулачковая 2 і фрикционная 3 муфты увімкнення рабочих подач или ускоренных ходов. Последние две муфты включаются рукояткой 25 (рис.4), расположенной з правой стороны консоли.

Механізм переключения подач (рис.26) принципиально аналогичен механізму переключения швидкостей. Рукоятка 8 (Рис.4) переключения подач вынесена на левую стенку консоли.

Рукоятки ручных перемещений стола в поперечном і вертикальном направлениях расположены на консоли спереди. Для увімкнення механических подач в етих направлениях з левой стороны консоли встраивается особый механізм (рис.24).

Кулачок имеет по окружности винтовой паз, в который входит ролик 2 рычага 3. При движении рукоятки 8 вверх или вниз кулачок I поворачивается, і ролик 2 начинает перемещаться вдоль паза. Рычаг 3 поворачивается і включает кулачковую муфту вперед или назад, в зависимости от етого консоль идет или вверх, или вниз.

При перемещении в горизонтальной плоскости рукоятка 6 поворачивает рычаг 5. Одновременно поворачивается рычаг 6, включающий муфту поперечної подачі.

Направление руху рукоятки мнемонически увязано з направлением стола.

Задня стенка консоли выполнена в виде направляючих профиля "ласточкин хвост".

С правой стороны, сзади имеется гайка 22 (рис.4) для закрепления консоли на стойке.




Салазки і стол

Салазки (рис.28) перемещаются в поперечном направлении по консоли і имеют продольные направляющие для стола.

Со столом связан винт поздовжньої подачі I.

В салазках находятся конические шестерни 2, вращающие винт 1, рукоятка 3 (рис.4) і механізм увімкнення поздовжньої подачі.

Для роботи методом попутного фрезерування предусмотрен механізм выборки зазоров между нитками ходового гвинта і гайками 3,4.

Гайка 3 не може ни поворачиваться, ни перемещаться вдоль оси ходового гвинта. Гайка 4 выполнена в виде червячного колеса. С етим колесом зацепляется червяк 5, один конец которого выходит на лицевую сторону салазок.

При работе обычным способом люфт выбирается в одну сторону і етим обеспечивается плавность роботи. При фрезеровании по подаче люфт не выбирается, і стол идет рывками. Чтобы избежать етого, необходимо выбирать люфт в паре гайка-винт, что осуществляется путем поворота гайки 4 з помощью червяка 5.

Гайки при етом расходятся і выбирают зазоры. При фрезеровании по подаче сильно изнашивается винт, поетому в крупносерийном производстве, когда на станке може длительное время выполняться одна работа, следует менять участок роботи гвинта.

Наличие дополнительной плиты на станке 6М80 дает возможность осуществлять поворот стола в пределах ±45° в горизонтальной плоскости.


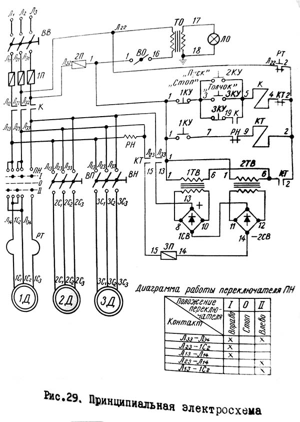
Схема електрична вертикально-фрезерного верстата 6м80

6м80 Схема електрична вертикально-фрезерного верстата 6м80

Електрична схема фрезерного верстата 6м80






6м80 Верстат горизонтальный консольно-фрезерный з поворотным столом - універсальний. Відеоролик.







Технічні характеристики верстатів моделей 6м80

Наименование параметра 6м80 6н80 6р80 6т80
Основні параметри верстата
Розміри поверхности стола, мм 800 х 200 800 х 200 800 х 200 800 х 200
Наибольшие розміри устанавливаемой детали (длина х ширина х высота), мм 500 х 160 х 300 800 х 260 х 450
Наибольшие розміри обрабатываемой детали (длина х ширина х высота), мм 550 х 210 х 330
Наибольшая масса обрабатываемой детали, кг 150 200
Расстояние от оси шпинделя до хобота, мм 140 123 123
Расстояние от оси шпинделя до поверхности стола, мм 0..300 20..320 20..320 0..360
Расстояние от торца шпинделя до підшипника серьги, мм 440 440 450
Расстояние от задньої кромки стола до вертикальних направляючих станины (вылет), мм 80..240 75..235 80..240
Шпиндель горизонтальный
Частота обертання шпинделя, об/мин 50..2240 50..2240 50..2240 50..2240
Количество швидкостей шпинделя 12 12 12 12
Наибольший крутящий момент на шпинделе, Н*м 158 155
Кінець шпинделя ГОСТ 836-72 (ГОСТ 24644) № 2 Конус 40 Конус 40
Стол. Подачи стола
Наибольший продольный ход стола (X), мм 500 500 500 560
Наибольший поперечний ход стола (Y), мм 160 160 160 220
Наибольший вертикальний ход стола (Z), мм 300 300 300 355
Угол поворота стола, град ±45° ±45° ±45° ±45°
Пределы продольных і поперечных подач стола (X), мм/мин 16..710 25..1120 20..1000
Пределы продольных і поперечных подач стола (Y), мм/мин 11,2..500 25..1120 20..1000
Пределы вертикальних подач стола (Z), мм/мин 5,6..250 12,5..560 10..500
Количество ступеней подач стола (продольных, поперечных, вертикальних) 12 12 12 18
Скорость быстрых перемещений (продольных, поперечных/ вертикальних) X, Y/ Z, мм/мин 2,8/ 2,0/ 1,0 2,3/ 1,6/ 0,8 2,3/ 2,3/ 1,1 3,35/ 1,7
Перемещение стола на одно деление лимба (продольное, поперечное/ вертикальное), мм 0,05/ 0,02 0,06/ 0,02 0,06/ 0,02 0,05/ 0,02
Перемещение стола на один оборот лимба (продольное, поперечное/ вертикальное), мм 6/ 2 6/ 2 6/ 2 5/ 2
Наибольшее допустимое усиле різання (продольное/ поперечное/ вертикальное), кН 700/ 500/ 500
Механіка верстата
Выключающие упоры подачі (поздовжньої, поперечної, вертикальной) Есть Есть Есть Есть
Блокировка ручной і механической подач (поздовжньої, поперечної, вертикальной) Есть Есть
Блокировка раздельного увімкнення подач Есть Есть
Торможение шпинделя Есть Есть
Предохранительная муфта от перегрузок Есть Есть Есть Есть
Автоматическая прерывистая подача Есть Есть
Електроустаткування і приводы верстата
Количество електродвигателей на станке 3 3 3
Електродвигун головного руху, кВт (об/мин) 2,8 (1420) 3,0 3,0 3,0
Електродвигун приводу подач, кВт 0,6 (1410) 0,6 0,8 0,75
Електродвигун зажиму инструмента, кВт - - -
Електродвигун насоса СОЖ, кВт 0,125 (2800) 0,125 0,125
Суммарная мощность всех електродвигателей, кВт 3,925 3,87
Габарити і масса верстата
Габарити верстата (длина ширина высота), мм 1720 х 1785 х 1578 1380 х 1860 х 1530 1445 х 1875 х 1730 1505 х 1900 х 1808
Масса верстата, кг 1400 1150 1300 1340

    Список литературы:

  1. Горизонтально-фрезерный верстат 6М80Г. Універсально-фрезерный верстат 6М80. Руководство к верстатам, 1962

  2. Аврутин С.В. Основы фрезерного дела, 1962
  3. Аврутин С.В. Фрезерне дело, 1963
  4. Ачеркан Н.С. Металлорежущие верстати, Том 1, 1965
  5. Барбашов Ф.А. Фрезерне дело 1973, с.141
  6. Барбашов Ф.А. Фрезерные роботи (Профтехобразование), 1986
  7. Блюмберг В.А. Справочник фрезеровщика, 1984
  8. Григорьев С.П. Практика координатно-расточных і фрезерных работ, 1980
  9. Копылов Р.Б. Работа на фрезерных верстатах,1971
  10. Косовский В.Л. Справочник молодого фрезеровщика, 1992, с.180
  11. Кувшинский В.В. Фрезерование,1977
  12. Ничков А.Г. Фрезерные верстати (Библиотека станочника), 1977
  13. Пикус М.Ю. Справочник слесаря по ремонту металлорежущих верстатів, 1987
  14. Плотицын В.Г. Расчёты настроек і наладок фрезерных верстатів, 1969
  15. Плотицын В.Г. Наладка фрезерных верстатів,1975
  16. Рябов С.А. Современные фрезерные верстати і их оснастка, 2006
  17. Схиртладзе А.Г., Новиков В.Ю. Технологическое обладнання машиностроительных производств, 1980
  18. Тепинкичиев В.К. Металлорежущие верстати, 1973
  19. Чернов Н.Н. Металлорежущие верстати, 1988
  20. Френкель С.Ш. Справочник молодого фрезеровщика (3-е изд.) (Профтехобразование), 1978