metalinstryment.com
Довідник по металорізальних верстатів та пресовому обладнанні

Электросхеми фрезерных верстатів 6Р82, 6Р82Г, 6Р82Ш, 6Р83, 6Р83Г, 6Р83Ш, 6P12, 6P13
схеми, опис, характеристики

Электросхеми фрезерных верстатів 6Р82







Відомості про виробника консольно-фрезерных верстатів 6Р82, 6Р82Г, 6Р82Ш, 6Р83, 6Р83Г, 6Р83Ш, 6P12, 6P13

Производитель универсальных фрезерных верстатів - Горьковский завод фрезерных верстатів, основанный в 1931 году.

Производство фрезерных верстатів на Горьковском станкостроительном заводе началось в 1932 году.





Серия 6Р Горьковского завода фрезерных верстатів ГЗФС


Электросхеми консольно-фрезерных верстатів 6Р82, 6Р82Г, 6Р82Ш, 6Р83, 6Р83Г, 6Р83Ш, 6P12, 6Р12Б, 6P13, 6Р13Б

Загальні відомості

В настоящем руководстве приведены відомості по експлуатация електроустаткування верстатів моделей 6Р82, 6Р82Г, 6Р82Ш, 6Р83, 6Р83Г, 6Р83Ш, 6P12, 6Р12Б, 6P13, 6Р13Б.

На каждом из указанных верстатів могут применяться наступні величины напряжений переменного тока:

Конкретно для каждого верстата питающее напряжение указывается в свидетельстве о приемке (см. руководство к верстатам, ч. III).

Освещение робочого места производится светильником местного освещения, смонтированным слева на станине верстата.

В консоли рассоложен електромагнит Y1 для быстрых перемещений.

Кнопки керування смонтированы на пультах - на консоли і левой стороне станины.

Все аппараты керування размещены на четырех панелях, встроенных в нишах з дверками, на лицевую сторону которых выведены рукоятки следующих органів керування:

Верстати 6Р82Ш і 6Р83Ш в отличие от других верстатів имеют два електродвигуна для приводу горизонтального і поворотного шпинделей.

Завод-изготовитель оставляет за собой право вносить в електрообладнання верстатів дальнейшие изменения і усовершенствования.

При уходе за електрообладнанням необходимо периодически проверять состояние пусковой і релейной апаратури.

При осмотрах релейной апаратури особое внимание следует обращать на надежное замыкание і размыкание контактных мостиков.

Во время експлуатация електродвигателей следует систематически производить их технические осмотры в профилактические ремонты. Периодичность технически осмотров устанавливается в зависимости от производственных условий, но не реже одного реза в два месяца. При профилактических ремонтах должна производиться разборка електродвигуна, внутренняя в наружная чистка, замена змазки підшибників. Смену змазки подлинников при нормальных условиях роботи следует производить через 4000 часов роботи, но при работе електродвигуна в пыльной в влажной среде її следует производить чаще -по мере необходимости.

Перед набивкой свежей смазкой підшипники должны быть тщательно промыты бензином. Камеру заполняют смазкой на 2/3 її объема.


Первоначальный пуск верстата

При первоначальном пуске верстата необходимо прежде всего проверить внешним осмотром надежность заземления і состояние монтажа електроустаткування. При помощи вводного выключателя F1 Верстат подключить к цеховой сети.

Проверять четкость срабатывания магнитных пускачів в реле при помощи кнопок в переключателей верстата, ограничение движений в наладочном режиме, при управлении верстатом от рукояток в автоматическом цикле в при работе з круглым столом.


Модифікації консольно-фрезерных верстатів серии 6Р

Серия 6М консольно-фрезерных верстатів - 6Р12, 6Р12Б, 6Р13, 6Р13Б, 6Р82, 6Р82Г, 6Р82ГБ, 6Р82Ш, 6Р83, 6Р83Г, 6Р83Ш, запущенна в 1961 году, включет в себя несколько модификаций:


История выпуска верстатів Горьковским заводом, ГЗФС

В 1937 году на Горьковском заводе фрезерных верстатів были изготовлены первые консольно-фрезерные верстати серии 6Б моделей 6Б12 і 6Б82 з рабочим столом 320 х 1250 мм (2-го типоразмера).

В 1951 году запущена в производство серия консольно-фрезерных верстатів: 6Н12, 6Н13П, 6Н82, 6Н82Г. Верстат 6Н13ПР получил “Гран-При” на всемирной выставке в Брюсселе в 1956 году.

В 1960 году запущена в производство серия консольно-фрезерных верстатів: 6М12П, 6М13П, 6М82, 6М82Г, 6М83, 6М83Г, 6М82Ш.

В 1972 году запущена в производство серия консольно-фрезерных верстатів: 6Р12, 6Р12Б, 6Р13, 6Р13Б, 6Р13Ф3, 6Р82, 6Р82Г, 6Р82Ш, 6Р83, 6Р83Г, 6Р83Ш.

В 1975 году запущены в производство копировальные консольно-фрезерные верстати: 6Р13К.

В 1978 году запущены в производство копировальные консольно-фрезерные верстати 6Р12К-1, 6Р82К-1.

В 1985 году запущена в производство серия 6Т-1 консольно-фрезерных верстатів: 6Т12-1, 6Т13-1, 6Т82-1, 6Т83-1 і ГФ2171.

В 1991 году запущена в производство серия консольно-фрезерных верстатів: 6Т12, 6Т12Ф20, 6Т13, 6Т13Ф20, 6Т13Ф3, 6Т82, 6Т82Г, 6Т82ш, 6Т83, 6Т83Г, 6Т83Ш.






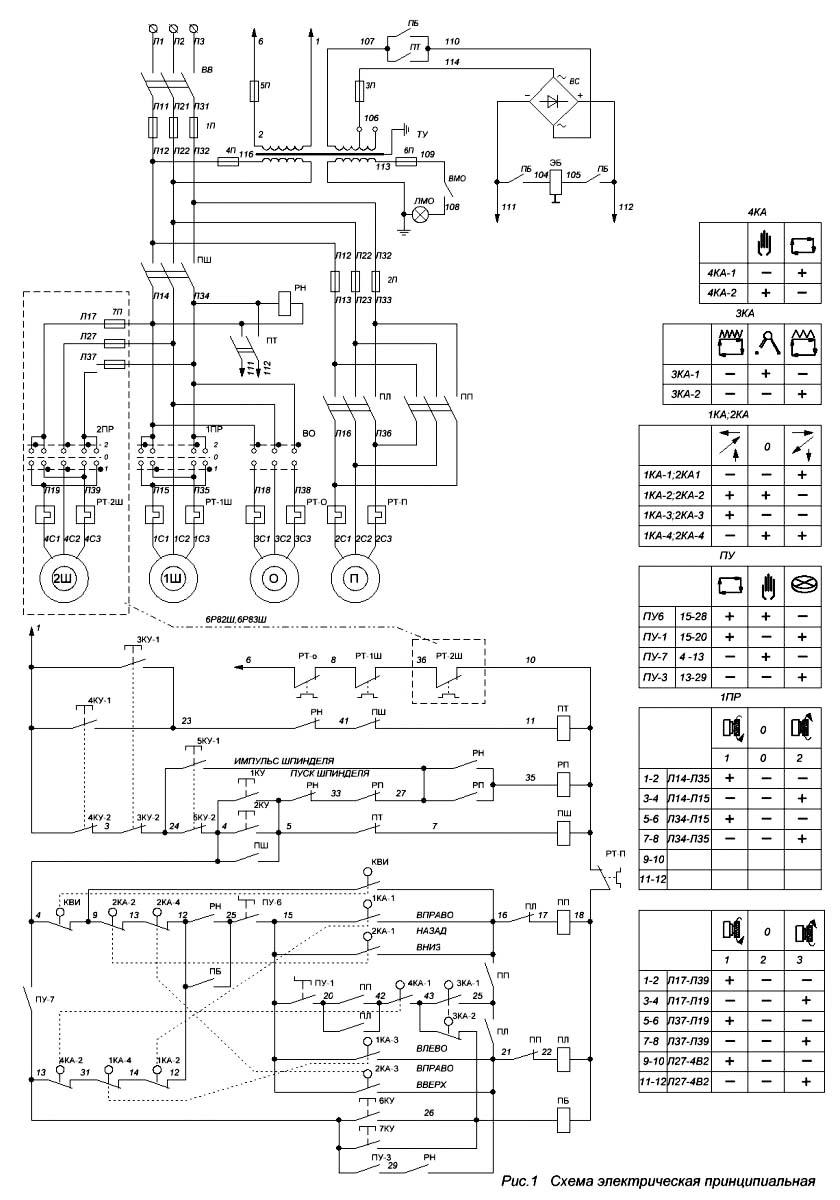
Опис роботи електросхеми консольно-фрезерных верстатів

Електросхема (рис. 1, 2) позволяет производить работу на станке в следующих режимах:

Выбор режима роботи производится переключателем S6.

При работе верстата от рукояток і невращающемся шпинделе необходимо переключатель S2 (S4) установить в нулевое положение.

ВНИМАНИЕ! ПРЕЖДЕ ЧЕМ ОТКЛЮЧИТЬ СТАНОК ОТ СЕТИ ИЛИ ПРОИЗВЕСТИ РЕВЕРС ПРИ РАБОТАЮЩЕМ ЭЛЕКТРОДВИГАТЕЛЕ ШПИНДЕЛЯ НЕОБХОДИМО КНОПКОЙ "СТОП" ОТКЛЮЧИТЬ ЭЛЕКТРОДВИГАТЕЛЬ

Для облегчения переключения швидкостей шпинделя я подачі в станке предусмотрено импульсное увімкнення електродвигуна шпинделя - кнопкой S9, а електродвигуна подачі - конечным выключателем S14. При нажатии на кнопку S9 включается контактор шпинделя К4 в реле напряжения К1, н.о. контакты которого включают реле КЗ, післядний через свой н.о. контакт становится на самопитание, а н.з. контакт разрывает ланцюг живлення контактора К4.

При управлении от рукояток робота електросхеми обеспечивается замыканием контактов соответствующих конечных выключателей і кнопок.

Увімкнення в відключення електродвигуна подачі осуществляется от рукояток, воздействующих на конечные выключатели поздовжньої подачі (S17, S19), вертикальной в поперечної подач (S16, S15).

Увімкнення і відключення шпинделя производится соответственно кнопками "Пуск" - S10, S11; "Стоп" - S7, S8. При нажатии на кнопку "Стоп" одновременно з отключением електродвигуна шпинделя отключается і електродвигатель подачі.

Быстрый ход стола происходит при нажатии кнопки S12 (S13) "Быстро", включающей контактором К3 електромагнит швидкого ходу Y1.

Торможение електродвигуна шпинделя - електродинамическое. При нажатии кнопок S7 или S8 включается контактор К2, который подключает обмотку електродвигуна к источнику постоянного тока, выполненному на выпрямителях Y1. Реле К1 служит для защиты селеновых выпрямителей от пробоя повышенным напряжением в момент отключения електродвигуна.

При работе на одной из подач исключается возможность случайного увімкнення другой подачі: блокировка осуществляется конечными выключателями S15- S19. При автоматическом управлении переключатель S6 должен быть установлен в положение "Автоматический цикл". Кроме того, необходимо произвести механическое переключение валика, расположенного в салазках верстата, в положение "Автоматический цикл". При післяднем положения валика кулачковая муфта продольного ходу заперта в конечный выключатель S20 нажат.

Автоматическое керування осуществляется при помощи кулачков, устанавливаемых на столе. При руху стола кулачки, воздействуя на рукоятку увімкнення поздовжньої подачі в верхнюю звездочку (рис. 3), производят необходимые переключения в електросхеме конечными выключателями S17, S19, S18. Конечный выключатель S20 исключает возможность увімкнення поперечных і вертикальних подач в етом режиме роботи.

Опис роботи рукояток і звездочек, воздействующих на конечные выключателя, а также налаштування кулачков см. в руководстве по експлуатации, часть I.

Работа електросхеми в автоматическом цикле - быстрый подвод - рабочая подача - быстрый отвод - происходит следующим образом: при отключенной рукоятке поздовжньої подачі шток, воздействующий на конечный выключатель S18, должен находиться в глубокой впадине нижней звездочки. Контакты 41-17 конечного выключателя S18 должны быть замкнуты. С включением рукоятки продольного ходу вправо происходит быстрое рух стола вправо. Відключення швидкого ходу в нужной точке производится при воздействия кулачка на верхнюю звездочку, при повороте которой оба контакта конечного выключателя S18 размыкаются. Стол продолжает рух на рабочей подаче. При воздействии кулачков на рукоятку в звездочку происходят реверс подачі і увімкнення швидкого ходу влево. При переходе рукоятки через нейтральное положение питание контактора К5 осуществляется через контакты 35-43 конечного выключателя S18. Шток, воздействующий на конечный выключатель, в етот момент должен находиться на участке постоянной кривизны нижней звездочки.

Відключення швидкого ходу влево в конец цикла осуществляются при переводе рукоятки кулачком в нейтральное положение. Работа верстата на других циклах производится путем налаштування соответствующих кулачков. Работа електросхеми в етом случае аналогична.

При работе з круглым столом переключатель S6 устанавливается в положение "Круглый стол". При етом увімкнення продольных, поперечных і вертикальних подач исключается. Блокировка осуществляется конечными выключателями S14- S20.

Вращение круглого стола осуществляется от електродвигуна подач, пуск которого производится контактором К6 одновременно з електродвигуном шпинделя.

Быстрый ход круглого стола происходит при нажатии кнопки "Быстро", включающей контактор К3 електромагнита швидкого ходу.




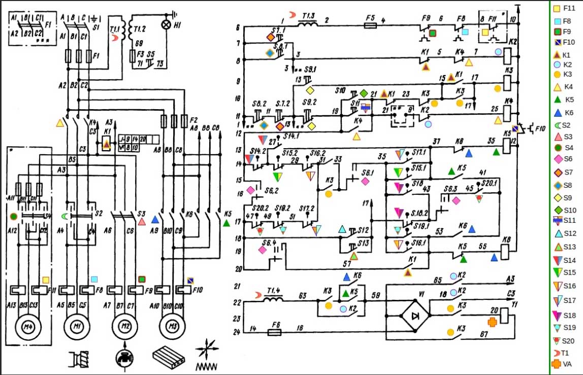
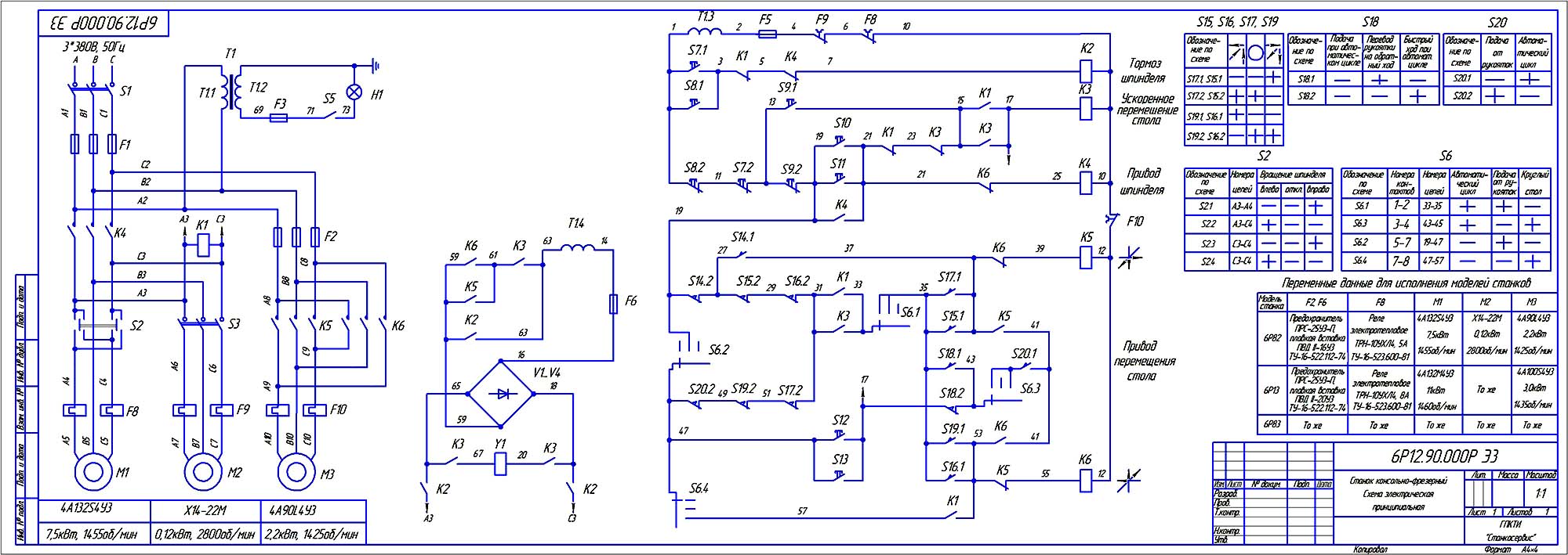
Cхема електрична консольно-фрезерных верстатів 6Р82, 6Р82Г, 6Р82Ш, 6Р83, 6Р83Г, 6Р83Ш, 6P12, 6Р12Б, 6P13, 6Р13Б

Електрична схема консольно-фрезерных верстатів серии 6Р

Електрична схема консольно-фрезерных верстатів серии 6Р

1. Електрична схема консольно-фрезерных верстатів серии 6Р. Скачать в увеличенном масштабе

2. Схема електрична принципова фрезерных верстатів 6Р. Скачать в увеличенном масштабе

3. Схема електрична принципова фрезерных верстатів 6Р. Скачать в увеличенном масштабе

4. Електрична схема консольно-фрезерных верстатів серии 6Р. Скачать в увеличенном масштабе

5. Електрична схема консольно-фрезерных верстатів серии 6Р. Скачать в увеличенном масштабе

6. Cхема електрических з'єднань консольно-фрезерных верстатів серии 6Р. Скачать в увеличенном масштабе



Диаграммы переключателей. Назначение путевых выключателей

Циклограмма роботи верстата. Диаграммы переключателей. Назначение путевых выключателей

Диаграммы переключателей. Назначение путевых выключателей

Циклограмма роботи верстата. Диаграммы переключателей. Назначение путевых выключателей. Скачать в увеличенном масштабе



Список елементів схеми електрической принципиальной консольно-фрезерных верстатів

Список елементів схеми електрической принципиальной консольно-фрезерного верстата

Список елементів схеми електрической принципиальной консольно-фрезерного верстата

Список елементів схеми електрической принципиальной консольно-фрезерного верстата. Скачать в увеличенном масштабе



Список елементів схеми електрической принципиальной консольно-фрезерного верстата

Список елементів схеми електрической принципиальной консольно-фрезерного верстата

Список елементів схеми електрической принципиальной консольно-фрезерного верстата. Скачать в увеличенном масштабе



Характеристики електродвигателей і нагревательных елементів консольно-фрезерных верстатів

Характеристики електродвигателей і нагревательных елементів консольно-фрезерных верстатів

Характеристики електродвигателей і нагревательных елементів фрезерных верстатів

Характеристики електродвигателей і нагревательных елементів верстатів. Скачать в увеличенном масштабе



Список елементів електроустаткування консольно-фрезерных верстатів

Список елементів електроустаткування консольно-фрезерных верстатів

Список елементів електроустаткування консольно-фрезерных верстатів

Список елементів електроустаткування консольно-фрезерных верстатів. Скачать в увеличенном масштабе



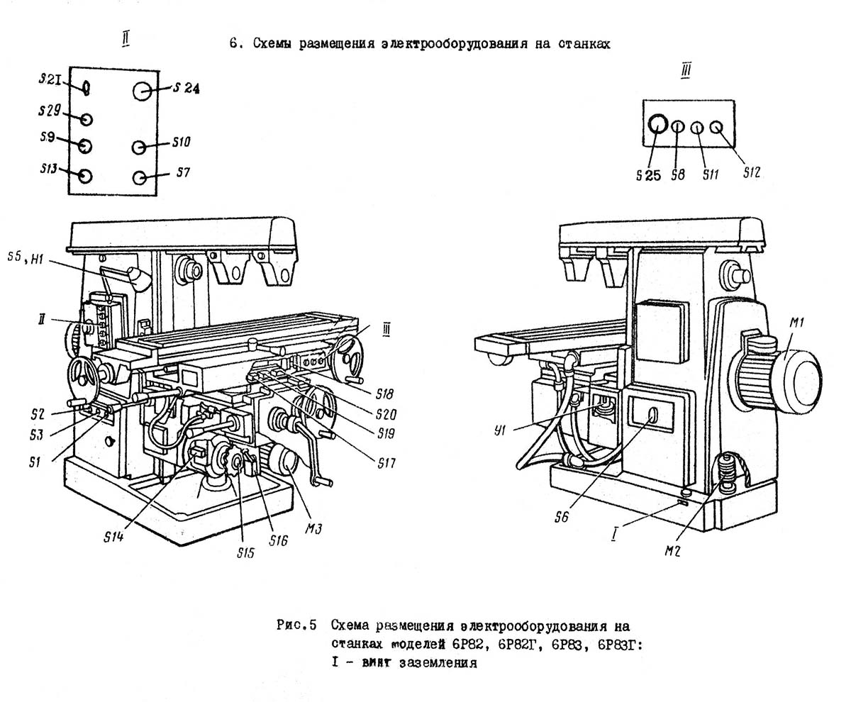
Cхема розположення електроустаткування на консольно-фрезерных верстатах 6Р82, 6Р82Г, 6Р83, 6Р83Г

Cхема розположення електроустаткування на консольно-фрезерных верстатах 6Р82, 6Р82Г, 6Р83, 6Р83Г

Cхема розположення електроустаткування на фрезерных верстатах 6Р82, 6Р82Г, 6Р83, 6Р83Г

Cхема розположення електроустаткування на фрезерных верстатах 6Р82, 6Р82Г, 6Р83, 6Р83Г. Скачать в увеличенном масштабе



Cхема розположення електроустаткування на консольно-фрезерных верстатах 6Р12, 6Р12Б, 6Р13, 6Р13Б

Cхема розположення електроустаткування на консольно-фрезерных верстатах 6Р12, 6Р12Б, 6Р13, 6Р13Б

Cхема розположення електроустаткування на фрезерных верстатах 6Р12, 6Р12Б, 6Р13, 6Р13Б

Cхема розположення електроустаткування на фрезерных верстатах 6Р12, 6Р12Б, 6Р13, 6Р13Б. Скачать в увеличенном масштабе



Cхема розположення електроустаткування на консольно-фрезерных верстатах 6Р82Ш, 6Р83Ш

Cхема розположення електроустаткування на консольно-фрезерных верстатах 6Р82Ш, 6Р83Ш

Cхема розположення електроустаткування на фрезерных верстатах 6Р82Ш, 6Р83Ш

Cхема розположення електроустаткування на фрезерных верстатах 6Р82Ш, 6Р83Ш. Скачать в увеличенном масштабе



Список графических символів на консольно-фрезерном станке

Список графических символів на консольно-фрезерном станке

Список графических символів на консольно-фрезерном станке

Список графических символів на консольно-фрезерном станке. Скачать в увеличенном масштабе



Список графических символів на консольно-фрезерном станке

Список графических символів на консольно-фрезерном станке

Список графических символів на консольно-фрезерном станке. Скачать в увеличенном масштабе



Список графических символів на консольно-фрезерном станке

Список графических символів на консольно-фрезерном станке

Список графических символів на консольно-фрезерном станке. Скачать в увеличенном масштабе





Опис електроустаткування фрезерных верстатів. Відеоролик.






    Список литературы:

  1. Консольно-фрезерные верстати 6Р82, 6Р83, 6Р82Г, 6Р83Г, 6Р82Ш, 6Р83Ш, 6Р12, 6Р13, 6Р12Б, 6Р13Б. Руководство по експлуатации електроустаткування 6Р82.ЭО.000 РЭ1,

  2. Игнатов В.А. Електроустаткування современных металлорежущих верстатів і обрабатывающих комплексов, 1991
  3. Комаров А.Ф. Наладка і експлуатация електроустаткування металлорежущих верстатів, 1975
  4. Розман Пристрій, наладка і експлуатация електроприводов металлорежущих верстатів, 1985
  5. Чернов Е.А. Комплектные електроприводы верстатів з ЧПУ, 1989
  6. Харизоменов И.В. Электрическое обладнання металлорежущих верстатів, 1958