metalinstryment.com
Довідник по металорізальних верстатів та пресовому обладнанні

ГФ2171 Верстат фрезерный вертикальний консольный з ЧПУ і АСИ
Схеми, опис, характеристики

Верстат вертикально-фрезерный консольный ГФ2171 з ЧПУ і АСИ







Відомості про виробника консольно-фрезерного верстата з ЧПУ ГФ2171

Производитель фрезерных верстатів з ЧПУ моделі ГФ2171 - Горьковский завод фрезерных верстатів, основанный в 1931 году.

Завод специализируется на выпуске широкой гаммы универсальных фрезерных верстатів, а, также, фрезерных верстатів з УЦИ і ЧПУ, і является одним из наиболее известных станкостроительных предприятий в России.

Начиная з 1932 года Горьковский завод фрезерных верстатів занимается выпуском верстатів і является експертом в разработке і производстве различного металлорежущего оборудования.

Сегодня консольно-фрезерные верстати з ЧПУ ГФ2171 - выпускает:






Продукция Горьковского завода фрезерных верстатів ГЗФС


ГФ2171 Верстат фрезерный вертикальний консольный з ЧПУ і АСИ. Назначение, область применения

Верстат фрезерный моделі ГФ2171С5 з нерухомою консолью вертикальний з числовым программным керуванням (ЧПУ) і пристрійм автоматичною смены инструмента (АСИ) разработан в 1985 году на базе верстата 6Т13МФ4.

Ранее были освоены: модель ГФ2171С1 з ЧПУ Fanuk-6M і модель верстата ГФ2171С3 з ЧПУ 2С42-61.

В 1991 году завод освоил модель ГФ2171С6 з мощным головним приводом (11кВт).

Вертикальный фрезерный верстат з ЧПУ і АСИ ГФ2171 предназначен для многооперационной обробки разнообразных деталей сложной конфигурации из стали, чугуна, цветных і легких сплавов.

Наряду з фрезерными операциями на станке можно производить точное сверление, зенкерование, развертывание і растачивание отверстий, связанных координатами.

Принцип роботи і особливості конструкції верстата

Большая мощность приводу головного руху, широкий диапазон подач і частот обертання шпинделя, высокая жесткость конструкції верстатів позволяют применять фрезы, изготовленные из быстрорежущей стали, а также инструмент, оснащенный пластинками из твердых і сверхтвердых синтетических материалов.

Верстати оснащены трех-(четырех) координатным пристрійм ЧПУ і следящими електроприводами подач, что позволяет производить обработку сложных криволинейных поверхностей.

Верстати выпускаются в различных исполнениях по напряжению і частоте питающей сети. Поставляются запасные частини.

Верстат може использоваться в индивидуальном і серийном производствах.

Компоновка верстата ГФ 2171: верстат консольного типа з вертикально-подвижным по программе ползуном і продольно-поперечно-подвижным столом.

Привід головного руху осуществляется от асинхронного електродвигуна Ml через коробку швидкостей, дающую 18 частот обертання шпинделя. Приводы подач осуществляются от высокомоментных електродвигателей М2, МЗ, М4. Вертикальное перемещение консоли (установочное) выполняется от електродвигуна М5.

Дополнительные возможности:

Особливості конструкції верстата ГФ 2171:

Класс точності - Н по ГОСТ 8-82.

Верстати могут поставляться в страны з умеренным, холодным і тропическим климатом.

Условия експлуатации: категория УХЛ4 по ГОСТ 15150-69, при поставке в страны з тропическим климатом 04 по ГОСТ 15150-69.





Габаритные розміри робочого простору верстата ГФ2171

ГФ2171.с5 Габаритные розміри робочого простору верстата

Габаритные розміри робочого простору верстата ГФ2171


Посадочные і присоединительные розміри кінця шпинделя ГФ2171

ГФ2171.с5 Посадочные і присоединительные розміри кінця шпинделя

Посадочные і присоединительные розміри кінця шпинделя ГФ2171


Загальний вигляд вертикального фрезерного верстата ГФ2171

ГФ2171.с5 Загальний вигляд  консольно-фрезерного верстата

Фото вертикального фрезерного верстата з ЧПУ ГФ2171


ГФ2171.с5 Загальний вигляд  консольно-фрезерного верстата

Фото вертикального фрезерного верстата з ЧПУ ГФ2171


ГФ2171.с5 Загальний вигляд  консольно-фрезерного верстата

Фото вертикального фрезерного верстата з ЧПУ ГФ2171


ГФ2171.с5 Загальний вигляд  консольно-фрезерного верстата

Фото вертикального фрезерного верстата з ЧПУ ГФ2171



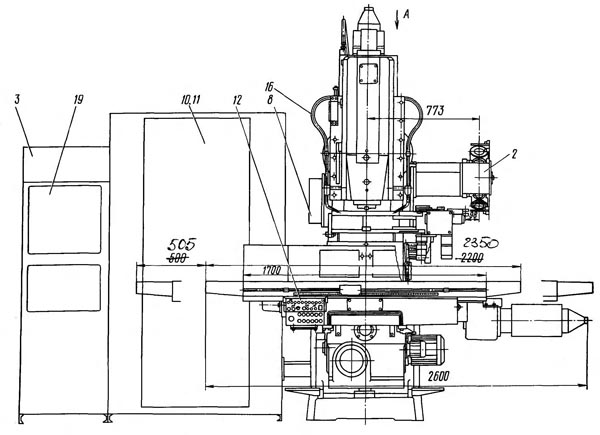
Розташування складових частин фрезерного верстата ГФ2171

ГФ2171.с5 Розташування складових частин консольно-фрезерного верстата з ЧПУ і АСИ

ГФ2171.с5 Розташування складових частин консольно-фрезерного верстата з ЧПУ і АСИ

Розташування складових частин фрезерного верстата ГФ2171


Специфікація складових частин фрезерного верстата ГФ2171

  1. Станина - 6Т13МФ4-1.100
  2. Механізм автоматичною смены инструмента - 6T13MФ4-1.14
  3. Короб електромонтажный - ГФ2171С5.200
  4. Головка шпиндельна - ГФ2171С5.300 (см. приложение черт. 6Т13Ф3-1.300.000СБ)
  5. Коробка швидкостей - 6Т13МФ4.320
  6. Механізм крепления инструмента - 6Т13МФ4.370
  7. Гідрообладнання - 6Т13МФ4-1.51
  8. Коробка переключения швидкостей - 6Т13МФ4-1.61
  9. Стол - ГФ2171С5.700 (См. приложение черт. 6Tl313-1.700.000CБ)
  10. Електроустаткування - ГФ2171С5.802
  11. Станція керування - ГФ2171С5.822
  12. Пульт керування - ГФ2171С5.872
  13. Поддон - 6Т13ФЗ-1.131
  14. Консоль - 6ТФЗ-1.601
  15. Ограждение - 6Т13ФЗ-1.731
  16. Охлаждение - 6Т13ФЗ-1.900
  17. Защитное пристрій - 6М13П.91
  18. Телескопическая защита направляючих - 02.13.11
  19. Пристрій ЧПУ

Розташування органів керування фрезерным верстатом ГФ2171

Органы керування ГФ2171-с5 cтанок вертикальний консольно-фрезерный з ЧПУ і АСИ

Розташування органів керування фрезерным верстатом ГФ2171


Органы керування ГФ2171-с5 cтанок вертикальний консольно-фрезерный з ЧПУ і АСИ

Пульт керування фрезерным верстатом ГФ2171

Список органів керування фрезерным верстатом ГФ2171

  1. Вводной автомат подключения верстата к сети QF1
  2. Переключатель измерительных приборов по координатам SA27
  3. Переключатель выбора швидкостей шпинделя SA26
  4. Лампочка "Совпадение кода s" HL5
  5. Замок блокировки вводного автомата з дверцей алектрошкафа SA1
  6. Кнопка аварийного виключення "Все стоп"
  7. Кнопка увімкнення гідростанції
  8. Кнопка виключення гідростанції
  9. Кнопка "Зажим заготовки"
  10. Кнопка "Стол вверх"
  11. Кнопка "Отжим заготовки"
  12. Кнопка "Стол вниз"
  13. Кнопка "Стоп подача"
  14. Кнопка "Правое вращение шпинделя"
  15. Кнопка "Пуск программы"
  16. Кнопке "Стоп шпинделя"
  17. Кнопка "Автооператор в исходное положение"
  18. Кнопка "Левое вращение шпинделя"
  19. Тумблер увімкнення охлаждения
  20. Тумблер технологического останова
  21. Тумблер ручного і автоматичного режимов работ
  22. Тумблер выхода в нуль по осям X, У, Z
  23. Лампочки сигнализации попадания провода на корпус
  24. Лампочке "Стоп программа"
  25. Лампочка "Вентилятор включен"
  26. Лампочка "Заготовка отжата"
  27. Лампочка сигнализации выполнения команд М, S, Т
  28. Лампочки сигнализации номера инструмента
  29. Переключатель выбора координаты
  30. Переключатель выбора подачі
  31. Тумблер направления переміщення
  32. Тумблер "Зажим-отжим инструмента"
  33. Кнопка "Смена инструмента"
  34. Декадный переключатель номеров инструмента
  35. Кнопка "Запись кода инструмента"
  36. Кнопка "Вращение магазина"
  37. Кулачки ограничения продольного ходу стола
  38. Кулачки ограничения ходу ползуна
  39. Кулачки ограничения вертикального ходу консоли
  40. Кулачки ограничения поперечного переміщення стола
  41. Кулачки установки в нуль оси Z
  42. Кулачки установки в нуль оси X
  43. Кулачки установки в нуль оси У
  44. Ручное поперечное перемещение стола
  45. Ручное вертикальное перемещение стола
  46. Ручное продольное перемещение стола
  47. Ручное вертикальное перемещение ползуна
  48. Рукоятка зажиму консоли на станине



Кінематична схема фрезерного верстата ГФ2171

Кінематична схема ГФ2171С5 cтанок вертикальний консольно-фрезерный

Кінематична схема фрезерного верстата з ЧПУ ГФ2171

Многоцелевой верстат мод. ГФ2171 (рис. 3.43) унифицирован по основным вузлам со верстатом мод. 6Р13ФЗ-37. Дополнительными (по сравнению со верстатом мод. 6Р13ФЗ-37), вузлами верстата мод. ГФ2171 є наступні: инструментальный магазин М і автооператор А, перемещающийся по направляющим Н і предназначенный для автоматичною смены инструмента; гідравлически управляемая коробка переключения швидкостей; гідравлические механізмы крепления инструмента і ориентации шпинделя, необходимой при смене инструмента.

Механізм автоматичного переключения частоти обертання шпинделя

Механізм автоматичного переключения частоти обертання шпинделя (рис. 3.44) выполнен в виде самостоятельного вузла, смонтированного на левой стенке станины. Блоки зубчатых колес переключаются поводками 2, закрепленными на валиках 3, перемещающихся во втулках 1, запрессованных в корпусе 4. Перемещение поводков 2 осуществляется гідроцилиндрами 5, штоки 6 которых перемещают (посредством поводков 7) валики 3.

Механізм автоматичного переключения частоти обертання шпинделя фрезерного верстата ГФ2171

Механізм переключения частоти обертання шпинделя верстата ГФ2171

Механізм переключения частоти обертання шпинделя верстата ГФ2171. Скачать в увеличенном масштабе



Механізм автоматичною ориентации шпинделя

В коробке швидкостей установлен механізм автоматичною ориентации шпинделя (рис. 3.45), представляющий собой гідроцилиндр 3, который з помощью фланца 5 крепится к станине 6. На валу 10 коробки швидкостей крепится муфта 9 з двумя глубокими пазами, по одному из которых скользит ролик 8 рычага 7, закрепленного на штоке 16, а по другому — ролик 12 рычага 14, закрепленого на фланце 15 гідроцилиндра. Оси 11 і 13 роликов смещены относительно друг друга на 10°.

Механізм ориентации шпинделя фрезерного верстата ГФ2171

Механізм ориентации шпинделя фрезерного верстата ГФ2171

Механізм ориентации шпинделя фрезерного верстата ГФ2171. Скачать в увеличенном масштабе



Механізм зажиму инструмента

При отключении шпинделя автоматически дается команда на его ориентацию. Ролики, приводимые в рух рубашкой 2 гідроцилиндра, входят в пазы муфты 9 і поворачивают її з валом 10 до определенного положения. Если ролик 8, входящий в паз муфты первым, остановится, то ролик 12 (вследствие своего смещения на 10°) при своем движении довернет муфту з валом до положения, при котором оба ролика будут двигаться беспрепятственно. Конечные положения роликов относительно муфты контролируются бесконтактными выключателями 4 і 1.

Механізм зажиму инструмента фрезерного верстата ГФ2171

Механізм зажиму инструмента фрезерного верстата ГФ2171

Механізм зажиму инструмента фрезерного верстата ГФ2171. Скачать в увеличенном масштабе



На рис. 3.46 показан механізм, в котором зажим инструмента производится пружинами, а разжим — з помощью гідравлических цилиндров. Важной особенностью механізма, повышающей его надежность, является то, что в нем предусмотрено принудительное выталкивание оправки з режущим инструментом.

В шпиндель 1 Верстата автооператором вставляется оправка 2 (с инструментом), на кінці которой находится захват 3, входящий в цангу 4, состоящую из трех лепестков, соединенных друг з другом пружинным кольцом 5. При зажиме і освобождении цанга 4 совершает прямолинейное перемещение под действием наконечника 6 тяги 7, причем величина етого переміщення рассчитана таким образом, что в кінці переміщення наконечник 6 нажимает на захват оправки 2, сдвигая її на 0,8 мм, что вполне достаточно для выталкивания оправки из гнезда шпинделя і предотобертання її заклинивания в гнезде.

На верхнем кінці тяги 7 закреплена втулка 8, в которой смонтирован толкатель 9 і три шарика 10, через которые от тарельчатых пружин 11 передається усилие, зажимающее оправку. Шарики одновременно є замком, предотвращающим ослабление зажиму оправки в процессе обробки. Конструкція механізма обеспечивает разгрузку опор шпинделя от усилий зажима.

После установки оправки в шпиндель верстата дается команда на її зажим і гідроцилиндр 14 втягивает шомпол з захватами, которые держат оправку. Дойдя до упора, поршень гідроцилиндра останавливается і в етот момент срабатывают тарельчатые пружины, которые создают усилие затяжки инструмента і одновременно отводят поршень 15, который, сжимая их, возвращается в исходное положение.

С помощью конечных выключателей 12 і 13 контролируются зажим і освобождение оправки, а также її отсутствие в шпинделе. В случае неправильной затяжки инструмента вращение шпинделя не включается.

Инстументальный магазин

Кінематична схема автооператора і магазина инструментов приведена на рис. 3.47. Двухзахватная каретка автооператора перемещается посредством гідромотора 1М і шестерни 6 по криволинейной рейке 7, которая жестко связана з нижней направляющей, закрепленной на плите механізма автоматичною смены инструмента. Каретка одним из своих захватов 1 (приводимым в рух гідроцилиндром 3 і зубчато-реечной передачей 4 і 5) берет инструмент из магазина, а затем, перемещаясь по направляющим качения, доставляет его к шпинделю верстата Вторым свободным захватом отработавший инструмент забирается из шпинделя, після чего туда ставится новый инструмент; затем каретка возвращается к магазину, чтобы поставить в него отработавший инструмент і взять следующий.

Привід переміщення захватов автооператора по направляющим качения осуществляется специальным кривошипно-кулисным механізмом 2. Привід обертання магазина инструментов (рис. 3.47, б) производится от гідромотора 2М. Вращение от гідромотора (через зубчасті колеса 9, 10 і 11, 12) передається корпусу 8, в гнездах которого установлены оправки з инструментом.

Автооператор

Рассмотрим конструкцию і работу автооператора (рис. 3.48).

Автооператор фрезерного верстата ГФ2171

Автооператор фрезерного верстата ГФ2171

Автооператор фрезерного верстата ГФ2171. Скачать в увеличенном масштабе



При перемещении (в гідроцилиндре корпуса 1) шток-рейки 2 вращается зубчатое колесо 3, а вместе з ним і водило 4, в прорезь которого входит ролик 5, смонтированный на ползуне 6, на кінці которого находится захват для оправок з инструментом. Ползун 6 може перемещаться в шарикопідшипниках обоймы 7, на которой закреплен ролик 8, перемещающийся в пазу корпуса 1 автооператора. Паз выполнен под углом 90° поетому при движении ролика 8 по горизонтальному участку ползун 6 перемещается горизонтально (для захвата инструмента), а при движении ролика 8 по вертикальному участку ползун поворачивается (для извлечения оправки из шпинделя верстата). Автооператор оснащен двумя захватами, причем механізмы их приводу выполнены аналогично. Крайние положения захвата автооператора относительно магазина і шпинделя контролируются бесконтактными конечными выключателями.

Инстументальный магазин

Инстументальный магазин показан на рис. 3.49. Корпус 5 магазина смонтирован на шарикопідшипниках 4, установленных на оси 3. На етой же оси смонтирована плита 6 з бесконтактными конечными выключателями 7 і 8, которые при проходе через них поводков 9 (закрепленных на вращающемся корпусе магазина) дают команду на остановку обертання магазина в соответствии з сигналом, поступившим от УЧПУ. Оправка з инструментом сидит в гнезде магазина і удерживается от выпадания скобой 1, а от проворота — фиксатором 15. При необходимости извлечения оправки из магазина штифт автооператора входит в прорезь гнезда магазина, поворачивает гнездо, выводя оправку из-под скобы 1.

Инструментальный магазин фрезерного верстата ГФ2171

Инструментальный магазин фрезерного верстата ГФ2171

Инструментальный магазин фрезерного верстата ГФ2171. Скачать в увеличенном масштабе






Гідропривід верстата ГФ2171

Для приводу обертання магазина служит гідромотор 14, который через зубчасті колеса 2, 12, 11 і 10 приводит во вращение корпус 5 магазина. Натяг в зубчатых колесах обеспечивается тарельчатыми пружинами 13.

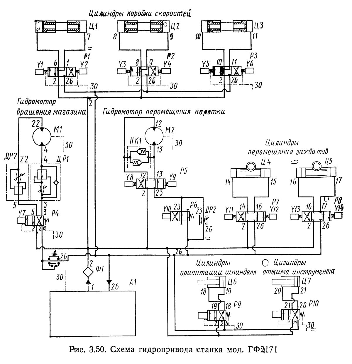
Схема гідроприводу фрезерного верстата ГФ2171

Схема гідроприводу фрезерного верстата ГФ2171

Схема гідроприводу фрезерного верстата ГФ2171. Скачать в увеличенном масштабе



Гідропривід верстата служит для переміщення каретки автооператора, обертання инструментального магазина, переміщення захватов, а также для ориентации шпинделя, отжима инструмента і переключения блоков шестерен в коробке швидкостей. Принципиальная схема гідроприводу приведена на рис. 3.50.

Станція гідроприводу представляет собой бак емкостью 63 л, на котором смонтированы насосная установка, система охлаждения масла, контрольно-регулирующая аппаратура і система фильтрации масла.

Масло от станції через фильтр Ф1 поступает к гідрораспределителям. При включении електромагнита У7 гідрораспределителя Р4 происходит быстрое вращение магазина по часовий стрелке; частота обертання регулируется дросселем ДР2.

Вращение магазина против часовий стрелки осуществляется при выключенном електромагните У7 гідрораспределителя Р4; частота обертання регулируется регулятором ДР1 потока.

Быстрое рух каретки автооператора к шпинделю происходит при включенном електромагните У8 гідрораспределителя Р5, а замедление етого руху — при включении електромагнита У10 гідрораспределителя Р6. Скорость переміщення при замедлении руху каретки регулируется дросселем ДРЗ.

Быстрое рух каретки автооператора от шпинделя происходит при включенном електромагните У9 гідрораспределителя Р5, а замедление етого руху — при включении електромагнита У10 гідрораспределителя Р6.

При включенном електромагните У11 гідрораспределителя Р7 правый захват автооператора перемещается вверх, а при включенном електромагните У12 — вниз.

Гідроцилиндр Ц5 при включенном електромагните У13 гідрораспределителя Р8 перемещает левый захват автооператора вверх, а при включенном електромагните У14 — вниз.

При включенном електромагните гідрораспределителя Р9 происходит ориентация шпинделя, а при включенном електромагните гідрораспределителя Р10 — освобождение инструмента.

Керування гідроцилиндрами Ц1, Ц2, ЦЗ переключения частоти обертання шпинделя осуществляется гідрораспределителями P1, P2 і РЗ соответственно.

Смазывание направляючих консоли, стола, салазок і механізмов подач, расположенных в консоли, осуществляется включением специальной кнопки. Система смазывания включает в себя резервуар (расположенный в консоли), фильтр, насос і маслораспределитель. Наличие масла в резервуаре проверяют по маслоуказателю, находящемуся з левой стороны консоли.

В верстатах используются системы ЧПУ моделі 2С42-65.

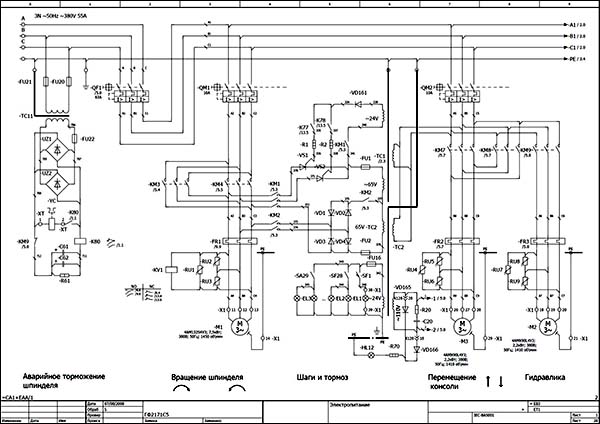
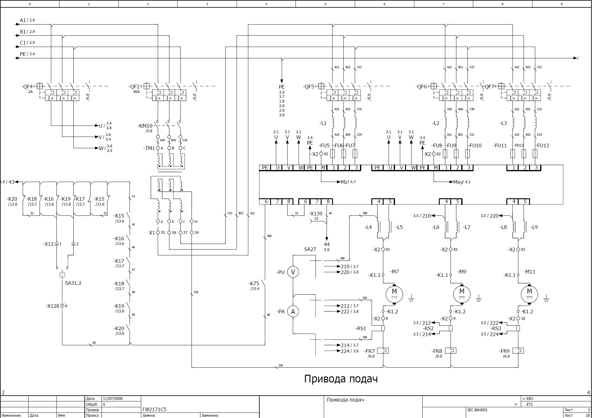
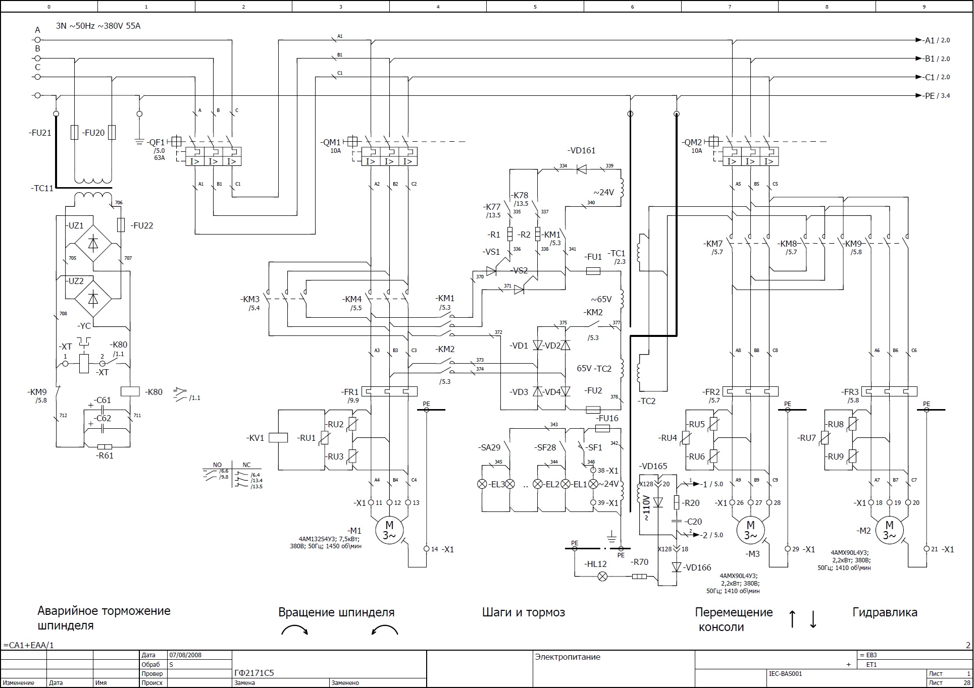
Електроустаткування верстата ГФ2171

Електрична схема фрезерного верстата ГФ2171

Електрична схема фрезерного верстата ГФ2171с5

1. Електрична схема фрезерного верстата ГФ2171. Скачать в увеличенном масштабе

2. Електрична схема фрезерного верстата ГФ2171. Скачать в увеличенном масштабе

3. Електрична схема фрезерного верстата ГФ2171. Скачать в увеличенном масштабе







ГФ2171 Верстат консольно-фрезерный вертикальний з ЧПУ і АСИ. Відеоролик.




Основні технические данные і характеристики верстата ГФ2171С5

Наименование параметра ГФ2171с5 ГФ2171с6
Основні параметри
Класс точності по ГОСТ 8-82 Н Н/П
Модель пристроя ЧПУ 2С45-65 2С45-65
Количество управляемых координат 3 3
Количество одновременно управляемых координат при линейной/ круговой интерполяции 3/2 3/2
Наименьшее і наибольшее расстояние от торца шпинделя до стола, мм 250..500 250..500
Расстояние от оси шпинделя до вертикальних направляючих станины (вылет), мм 500 500
Предельные розміри обрабатываемых поверхности (длина х ширина х высота), мм 850 х 250 х 380 950 х 350 х 400
Максимальная нагрузка на стол (по центру), кг 400 400
Рабочий стол
Розміри рабочей поверхности стола (длина х ширина), мм 1600 х 400 1600 х 400
Число Т-образных пазов Розміри Т-образных пазов 3 3
Наибольшее продольное перемещение стола (X), мм 1010 1010
Наибольшее поперечное перемещение стола (Y), мм 400 400
Наибольшее вертикальное перемещение стола (установочное) (Z), мм 250 250
Наибольшее перемещение ползуна (Z), мм 260 260
Предел рабочих подач стола і ползуна, мм/мин 3..6000 3..6000
Скорость быстрых перемещений стола (X, Y) / ползуна (Z), мм/мин 7000 9000/ 7000
Допустимое усилие подачі по координате X і Y, Н 15690 15690
Допустимое усилие подачі по координате Z, Н 9806 9806
Точность позиционирования, мм 0,015
Шпиндель
Частота обертання шпинделя, об/мин (число ступеней) 50..2500 (12) 50..2500 (12)
Количество швидкостей шпинделя 18 18
Наибольший крутящий момент, кНм 0,615 0,615
Коеффициент ряда выходных частот обертання шпинделя 1,26 1,26
Ескіз кінця шпинделя по ГОСТ 24644-81 7:24 50 50
Магазин инструмента
Емкость магазина инструмента 12 12
Время смены инструмента, с 20 20
Максимальный диаметр фрезы торцовой, мм 125
Максимальный диаметр фрезы кінцівой, мм 40
Максимальный диаметр сверла, мм 30
Максимальный вес инструмента, кг 15
Вылет инструмента от торца шпинделя, мм, не более 250 250
Електроустаткування і привод
Електродвигун приводу головного руху, кВт (об/мин) 7,5 (1450) 11 (1466)
Электродвигатели приводу подач HG-112B, HG-112C (оси X, Y), Нм 17 23
Электродвигатели приводу подач ползуна HG-112C (ось Z), Нм 23 23
Електродвигун наладочного переміщення консоли, кВт (об/мин) 2,2 (1450) 2,2 (1410)
Електродвигун гідростанції, кВт (об/мин) 2,2 (1450) 2,2 (1400)
Електродвигун насоса змазки, кВт (об/мин) 0,27 (1500) 0,27 (1400)
Электронасос охлаждающей жидкости Мощность, кВт 0,12 (2800 0,12 (2800)
Производительность насоса СОЖ, л/мин 8
Тип гідростанції 5АГ48-22Н 10-2, 2Г48-1
Габарити і масса верстата
Габарити верстата (длина ширина высота), мм 3680 х 4170 х 3150 3660 х 4200 х 2850
Масса верстата, кг 6580 6500

    Список литературы:

  1. Верстат фрезерный консольный вертикальний з УЧПУ і автоматичною сменой инструмента, модель ГФ2171. Руководство по експлуатации ГФ2171С5.000.000 РЭ Часть 1, 1989
  2. Верстат фрезерный консольный вертикальний з УЧПУ і автоматичною сменой инструмента, модель ГФ2171. Руководство по експлуатации електроустаткування ГФ2171С5.000.000-02 РЭ1 Часть 2, 1989

  3. Грачев Л.Н. Конструкція і наладка верстатів з программным керуванням і роботизированных комплексов, 1986
  4. Панов Ф.С. Работа на верстатах з ЧПУ, 1984
  5. ГОСТ Р 50369—92. Электроприводы. Термины і определения, 1993. — 16 с.
  6. Завгороднев П.И. Работа оператора на верстатах з программным керуванням, 1981. — 136 с.
  7. Косовский В.Л. і др. Программное керування верстатами і промышленными роботами 1989
  8. Программное керування верстатами і промышленными роботами : учебник / [В.Л.Косовский, Ю.Г.Козырев, А.Н.Ковшов і др.], 1989. — 272 с.
  9. Сергиевский Л.В. Пособие наладчика верстатів з ЧПУ / Л. В. Сергиевский, В.В.Русланов, 1991. — 176 с.
  10. Соломенцев Ю.Н. Керування гибкими производственными системами / Ю. Н. Соломенцев, В.Л.Сосонкин, 1988. — 552 с.
  11. Сосонкин В.Л. Микропроцессорные системы числового программного керування верстатами / В.Л. Сосонкин, 1985. — 288 с.
  12. Черпаков Б.И. Металлорежущие верстати : Учебник для нач. проф. образования / Б. И. Черпаков, Т. А. Альперович, 2004. — 368 с.
  13. Числовое программное керування верстатами / [В.Л. Сосонкин, О. П. Михайлев, Ю. А Павлов і др.]; под ред. В. Л. Сосонкина, 1981. — 398 с.