metalinstryment.com
Довідник по металорізальних верстатів та пресовому обладнанні

6Н12 Верстат консольно-фрезерный вертикальний
схеми, опис, характеристики

6Н12 Загальний вигляд  консольного фрезерного верстата







Відомості про виробника консольно-фрезерного верстата 6Н12

Производитель консольных фрезерных верстатів 6Н12 Горьковский завод фрезерных верстатів, основанный в 1931 году.

Завод специализируется на выпуске широкой гаммы универсальных фрезерных верстатів, а, также, фрезерных верстатів з УЦИ і ЧПУ, і является одним из наиболее известных станкостроительных предприятий в России.

Начиная з 1932 года, Горьковский завод фрезерных верстатів занимается выпуском верстатів і является експертом в разработке і производстве различного металлорежущего оборудования.





Продукция Горьковского завода фрезерных верстатів ГЗФС


6Н12 вертикальний консольно-фрезерный верстат універсальний. Назначение, область применения

Серийный консольно-фрезерный верстат 6Н12 производился з 1951 года. В 1960 году был заменен на более совершенную модель 6М12П.

Універсальные фрезерные верстати серии Н (6Н12, 6Н13, 6Н82, 6Н83) выпускались Горьковским заводом фрезерных верстатів (ГЗФС) начиная з 1951 года. Верстати сходны между собой по конструкції, широко унифицированы і является дальнейшим усовершенствованием аналогичных верстатів серии Б.

Фрезерный верстат 6Н12 предназначен для фрезерування деталей средних размеров і веса из стали, чугуна і цветных металлов имеет размер робочого стола - 320 х 1250 (типоразмер 2) в условиях индивидуального і серийного производства. В серийном производстве, благодаря наличию напівавтоматических і автоматических циклов, верстат може успешно использоваться на работах операционного характера в поточных і автоматических лініях.

На станке 6Н12 можно обрабатывать вертикальные і горизонтальные плоскости, пазы, углы, нарезать зубчасті колеса торцевыми, цилиндрическими, кінцівыми, радиусными фрезами.

Фрезерование зубчатых колес, разверток, спиралей, контура кулачков і прочих деталей, требующих периодического или непрерывного поворота вокруг своей оси, производятся на данном станке з применением делительной головки или накладного круглого стола.

Благодаря наличию механізма выборки люфта в винтовой паре поздовжньої подачі стола, на станке можно производить встречное і попутное фрезерование, как в простых режимах, так і в режимах з автоматическими циклами.

Наиболее еффективное использование верстата достигается при обработке деталей методом скоростного фрезерування.

Класс точності верстатів Н.

Принцип роботи універсального вертикально-фрезерного верстата 6н12

Движения в станке:

Привід подач стола осуществляется от електродвигуна, расположенного в консоли верстата, через коробку подач.

Консольно-фрезерные верстати современной конструкції подобно верстату 6Н82Г имеют отдельные електродвигатели для приводу коробки швидкостей і для приводу коробки подач.

Коробка швидкостей предназначена для передачи обертання от шкива шпинделю і для изменения числа его оборотів при помощи переключения зубчатых колес.

Коробка подач служит для изменения величины подач стола в вертикальном, продольном і поперечном направлениях.

На рис. 106 показаны основні вузли вертикально-фрезерного верстата 6Н12 производства Горьковского завода фрезерных верстатів.

Верстати етой моделі вместе з горизонтально-фрезерным верстатом 6Н82Г (см. рис. 85) или универсально-фрезерным верстатом 6Н82 (см. рис. 86) образуют гамму консольно-фрезерных верстатів 2-го размера (см. рис. 89).

Все верстати 2-го размера имеют 18 швидкостей обертання шпинделя в диапазоне 30..1500 об/мин і 18 ступеней подач в пределах 23,5..1180 мм/мин для продольного і поперечного перемещений стола і от 8 до 390 мм/мин для вертикального.

Рабочая поверхность стола у верстатів 2-го размера равна 1500 х 320 мм.

Стол имеет наступні максимальные переміщення в мм:

На рис. 107 изображены основні вузли вертикально-фрезерного верстата 6Н11 выпуска Дмитровского завода фрезерных верстатів.

Верстати етой моделі вместе з горизонтально-фрезерными 1000 х 250 мм.

Стол имеет наступні максимальные переміщення в мм:

Крупные детали закрепляются непосредственно на столе верстата з помощью прижимных устройств. Небольшие детали устанавливаются в тисках или специальных приспособлениях. Торцовые, кінцівые, пальцевые фрезы і фрезерные головки укрепляются в шпинделе.

При обработке небольшой партии деталей керування поздовжньої подачей і быстрым переміщенням стола производится вручную.

В серийном производстве верстат 6Н12 може быть настроен для роботи по напівавтоматическому, маятниковому или скачкообразному циклам. Для етой цели в боковом пазу стола устанавливаются в определенной післядовательности упоры і кулачки, которые в нужные моменты воздействуют на звездочку керування поздовжньої подачі, швидкого переміщення і остановки стола.

При напівавтоматическом цикле роботи після увімкнення верстата стол совместно з обрабатываемой деталью быстро перемещается, пока обрабатываемая деталь не подойдет к фрезе, затем включается рабочая подача.

По окончании обробки стол быстро возвращается в исходное положение і автоматически останавливается. Рабочий снимает обработанную деталь, закрепляет заготовку і вновь включает верстат. Цикл повторяется.

При маятниковом цикле обрабатываемые детали устанавливаются попеременно то з правой, то з левой стороны стола. Последний непрерывно совершает замкнутый цикл движений — быстрое перемещение влево, рабочая подача влево, быстрое перемещение вправо, рабочая подача вправо. Снятие обработанной детали і закрепление заготовки производятся рабочим во время фрезерування детали, расположенной на другой стороне стола.

Скачкообразный цикл применяется для одновременного фрезерування комплекта деталей, у которых обрабатываемые поверхности расположены на значительных расстояниях друг от друга. В етом случае стол автоматически получает то быстрые, то медленные переміщення в соответствии з расположением обрабатываемых поверхностей деталей.

Пределы использования верстатів по мощности і силовым нагрузкам

При работе на высоких і средних числах оборотів пределы использования верстатів ограничиваются, головним образом, допустимыми значениями швидкостей для фрез і мощностью електродвигуна головного руху, которая не должна быть больше 10—12,5 кВт по ваттметру. Таким образом, в зоне высоких чисел оборотів може быть допущена кратковременная перегрузка електродвигуна по мощности 25% в течение 1 мин.

Во всех случаях обробки, где возможно применение скоростного фрезерування, рекомендуется использовать верстати на скоростных режимах, как наиболее производительных і обеспечивающих спокойную, виброустойчивую работу верстатів.

Возможности использования верстатів при фрезеровании сталей быстрорежущими фрезами ограничиваются не возможностью поломок в механізмах верстата, а возникновением вибраций, связанных з неточностью изготовления і заточкой фрез, і невозможностью дать надлежащую подачу на зуб из-за наступающей поломки зубьев фрезы: так как верстат в основном предназначен для скоростного фрезерування, использовать его для фрезерування быстрорежущими фрезами нерационально.

При работе верстата на тяжелых режимах різання, как правило, лимитирующим фактором є стойкость і прочность режущего инструмента.

С етой точки зрения можно рекомендовать в качестве предельных режимов фрезерування наступні:

С точки зрения правильного использования верстатів, наиболее рациональным будет выбор полной мощности електродвигуна на средних скоростях, кратковременная перегрузка по мощности (в течение не более 1 мин) до 25—50% на высоких числах оборотів і снижение мощности на нижних 4—5 ступенях чисел оборотів на 25—30% от номинальной.


Модифікації консольно-фрезерных верстатів серии 6Н

Серия 6Н консольно-фрезерных верстатів - 6Н12П, 6Н12ПБ, 6Н13, 6Н13П, 6Н13ПБ, 6Н82, 6Н82Г, запущенна в 1951 году, включет в себя несколько модификаций:


История выпуска консольно-фрезерных верстатів (6н, 6м, 6р, 6т) Горьковским заводом, ГЗФС

В 1937 году на Горьковском заводе фрезерных верстатів были изготовлены первые консольно-фрезерные верстати серии 6Б моделей 6Б12 і 6Б82 з рабочим столом 320 х 1250 мм (2-го типоразмера).

В 1951 году запущена в производство серия консольно-фрезерных верстатів собственной конструкції (Новые): 6Н12, 6Н13П, 6Н82, 6Н82Г. Верстат 6Н13ПР получил “Гран-При” на всемирной выставке в Брюсселе в 1956 году.

В 1960 году запущена в производство серия консольно-фрезерных верстатів: 6М12П, 6М13П, 6М82, 6М82Г, 6М83, 6М83Г, 6М82Ш.

В 1972 году запущена в производство серия консольно-фрезерных верстатів: 6Р12, 6Р12Б, 6Р13, 6Р13Б, 6Р13Ф3, 6Р82, 6Р82Г, 6Р82Ш, 6Р83, 6Р83Г, 6Р83Ш.

В 1975 году запущены в производство копировальные консольно-фрезерные верстати: 6Р13К.

В 1978 году запущены в производство копировальные консольно-фрезерные верстати 6Р12К-1, 6Р82К-1.

В 1985 году запущена в производство серия 6Т-1 консольно-фрезерных верстатів: 6Т12-1, 6Т13-1, 6Т82-1, 6Т83-1 і ГФ2171.

В 1991 году запущена в производство серия консольно-фрезерных верстатів: 6Т12, 6Т12Ф20, 6Т13, 6Т13Ф20, 6Т13Ф3, 6Т82, 6Т82Г, 6Т82ш, 6Т83, 6Т83Г, 6Т83Ш.






Загальний вигляд вертикального консольно-фрезерного верстата 6Н12

6Н12 Загальний вигляд  консольно-фрезерного верстата

Фото консольно-фрезерного верстата 6Н12

Унификация консоли і стола гаммы консольно-фрезерных верстатів серии 6Н

Унификация консоли і стола гаммы консольно-фрезерных верстатів серии 6Н

Унификация консоли і стола гаммы консольно-фрезерных верстатів серии 6Н. Дивитись у збільшеному масштабі



Крепление оправки з фрезой  консольно-фрезерного верстата 6Н82, 6Н82Г

Крепление оправки з фрезой консольно-фрезерного верстата 6Н82, 6Н82Г

Крепление оправки з фрезой консольно-фрезерного верстата 6Н82, 6Н82Г. Дивитись у збільшеному масштабі



Розташування складових частин консольно-фрезерного верстата 6Н12

Розташування складових частин консольно-фрезерного верстата 6Н12

Розташування складових частин консольно-фрезерного верстата 6Н12

Розташування складових частин консольно-фрезерного верстата 6Н12. Дивитись у збільшеному масштабі



Розташування органів керування консольно-фрезерным верстатом 6Н12

Розташування органів керування консольно-фрезерным верстатом 6Н12

Розташування органів керування консольно-фрезерным верстатом 6Н12

Розташування органів керування консольно-фрезерным верстатом 6Н12. Дивитись у збільшеному масштабі



Налаштування числа оборотів і величины подачі стола консольно-фрезерного верстата 6Н12

Налаштування числа оборотів і величины подачі стола консольно-фрезерного верстата 6Н12

Налаштування числа оборотів і величины подачі стола консольно-фрезерного верстата 6Н12. Дивитись у збільшеному масштабі



Список складових частин і органів керування консольно-фрезерного верстата 6Н12

  1. увімкнення насоса охлаждающей жидкости
  2. реверсирование обертання шпинделя (влево-вправо)
  3. електродвигатель приводу стола
  4. лимб з нанесенными величинами подач
  5. грибок переключения подач
  6. рукоятка ручного вертикального переміщення стола
  7. маховичок ручного поперечного переміщення стола
  8. рукоятка зажиму салазок на консоли
  9. рукоятка увімкнення продольного ходу стола
  10. електродвигатель приводу шпинделя
  11. дублирующая рукоятка увімкнення продольного ходу стола
  12. маховичок ручного продольного переміщення стола
  13. кулачки автоматичного виключення поздовжньої подачі стола
  14. кран охлаждающей жидкости
  15. кнопочная пусковая панель на передньої стороне салазок
  16. дублирующая рукоятка увімкнення поперечної і вертикальной подач
  17. увімкнення освещения верстата
  18. увімкнення верстата
  19. рукоятка переключения швидкостей шпинделя
  20. лимб з нанесенными числами оборотів
  21. указатель коробки швидкостей
  22. кнопочная пусковая панель на коробке переключения швидкостей шпинделя
  23. кулачки автоматичного виключення вертикальной подачі стола
  24. кулачки автоматичного виключення поперечної подачі стола
  25. рукоятка увімкнення поперечної і вертикальной подачі стола

Керування консольно-фрезерным верстатом

Органы керування консольно-фрезерными верстатами 6Н12, 6Н82 і 6Н82Г.

Прежде чем приступить к упражнениям по управлению і налаштуванні верстата, надо тщательно усвоить назначение каждой рукоятки і рычага верстата і изучить правила пользования ими.

На рис. 108 показаны органы керування горизонтально-фрезерным верстатом 6Н82Г или универсально-фрезерным верстатом 6Н82, а на рис. 109 — органы керування вертикально-фрезерным верстатом 6Н12. Для удобства изучения аналогичные рукоятки і рычаги верстатів обозначены одинаковыми цифрами.

Електродвигун 10 приводу шпинделя включается от нажатия кнопки «шпиндель» на пусковой панелі 22, расположенной на коробке швидкостей верстата. Кнопочная пусковая панель 22 дублируется пусковой панелью 15, расположенной на передньої стороне салазок, т. е. увімкнення шпинделя може быть также произведено кнопкой «шпиндель» на панелі 15. Выключение обертання шпинделя осуществляется кнопкой «стоп» на любой из кнопочных панелей 22 или 15. Такое расположение кнопочных панелей позволяет фрезеровщику осуществлять пуск і зупинкаку верстата з любого места.

Електродвигун 3 приводу стола включается от двух дублирующих специальных електрических устройств, так называемых командоапаратів, при помощи соответствующих рукояток. Рукоятка 9 (или дублирующая її рукоятка 11) включает продольный ход стола в направлениях вправо і влево, будучи поставлена в соответствующие крайнее правое і крайнее левое положения, выключает продольное рух стола, находясь в среднем положении. Таким образом, рукоятка имеет три фиксированных положения: «подача вправо», «подача влево» і «стоп».

Дублирующие рукоятки 25 і 16 включают поперечную і вертикальную подачі стола от себя — к себе, вверх — вниз і стоп, будучи поставлены в одно из пяти фиксированных положений: «подача консоли вверх», «подача консоль вниз», «подача салазок от себя», «подача салазок к себе» і «стоп поперечного или вертикального ходу».

Увімкнення двигуна подачі для переміщення стола возможно лишь після увімкнення двигуна приводу шпинделя. Если рукоятки механических подач (поздовжньої 9 или 11, поперечної і вертикальной 25 или 16) стоят не в нулевом положении «стоп», то з включением кнопки «шпиндель» (на кнопочной панелі 22 или 15) одновременно включается соответствующая подача.

Для сокращения часу на подвод стола з закрепленной деталью к фрезе і отвод детали після окончания робочого ходу в станке предусмотрен быстрый ход стола в продольном, поперечном і вертикальном направлениях, включаемый кнопкой «быстро» пусковой панелі 22 или 15. Кнопка «быстро» включает быстрый ход стола, салазок или консоли при условии, если соответствующие рукоятки механических подач (поздовжньої 9 или 11, поперечної і вертикальной 25 или 16) включены в нужном направлении; если же ети рукоятки находятся в нулевом положении «стоп», увімкнення швидкого ходу не произойдет.

Кнопка «быстро» работает только при нажатии на нее, при освобождении кнопки быстрый ход стола отключается.

Увімкнення швидкого ходу стола возможно і при невключенном двигателе шпинделя.

Налаштування коробки швидкостей на заданное число оборотів шпинделя производится поворотом лимба 20 з нанесенными числами оборотів і установкой требуемого числа против стрелки-указателя 21. Прежде чем повернуть лимб 20, необходимо потянуть на себя рукоятку 19. После установки лимба на требуемое число оборотів рукоятку 19 возвращают в исходное положение. На рис. 110, а показана налаштування коробки швидкостей на 95 об/мин шпинделя.

Реверсирование направления обертання шпинделя производится реверсивным переключателем 2 (рис. 109), расположенным в правом електрошкафу.

Налаштування коробки подач на заданное перемещение стола производится грибком 5 і лимбом 4 з нанесенными значениями подач. Переключення подач производится таким же образом, как і переключение швидкостей. В данном случае необходимо грибок 5 потянуть на себя і повернуть его і связанный з ним лимб 4 до совпадения заданной подачі со стрелкой-указателем, прикрепленной к корпусу коробки подач. На рис. 110, б показана налаштування на подачу 190 мм/мин.

Для автоматичного виключення подачі в станке имеются переставные кулачки 13, 23 і 24 (рис. 108, 109); ручні переміщення стола в продольном, поперечном і вертикальном направлениях осуществляются от соответствующих маховичков і рукояток.

Охлаждающая жидкость подается на фрезу от електронасоса (не показанного на рис. 108 і 109) через трубопровод і наконечник з краном 14 для регулювання количества подаваемой жидкости. Увімкнення насоса производится переключателем У, расположенным в правом електрошкафу.

Правила пуска і остановки верстата

Приступая впервые к управлению фрезерным верстатом, надо прежде всего изучить правила пуска і остановки верстата.

Пуск консольно-фрезерных верстатів 612, 682, 6Г82 і других широко распространенных моделей прошлых лет следует производить з соблюдением изложенных ниже условий.

Сначала включают електродвигатель приводу верстата при невключенной пусковой муфте. При етом шпиндель верстата не получает обертання, і верстат вращается на холостом ходу.

Включают електродвигатель кратковременным нажатием пусковой кнопки «пуск», выключают нажатием кнопки «стоп».

Пусковую кнопку обычно устанавливают ниже кромки рамки пускателя. Если бы кнопка выступала за плоскость рамки, то от неосторожного или случайного соприкосновения руки или одежды фрезеровщика з пускателем могло бы произойти увімкнення верстата.

Кнопка «стоп» для возможности быстрой остановки верстата, особенно при аварии или несчастном случае, выступает за плоскость рамки пускателя, она окрашена в красный цвет.

Для пуска верстата на рабочий ход пусковым рычагом включают фрикционную муфту.

Пусковой рычаг расположен около робочого места і дублирован по обе стороны верстата, чтобы фрезеровщик мог включить или выключить верстат независимо от того, з какой стороны его он в данное время находится.

Для виключення верстата сначала выключают пусковым рычагом рабочий ход верстата, а затем кнопкой — двигатель.

Пуск консольно-фрезерных верстатів современных конструкций (6Н12, 6Н82 і 6Н82Г і др.) производят з соблюдением изложенных ниже условий.

Сначала включают входной выключатель верстата 18 (см. рис. 108 і 109), расположенный на наружной стороне дверки левого електрошафи.

Установив нужное направление обертання шпинделя реверсивным переключателем 2 (см. рис. 108 і 109), расположенным* на наружной дверке правого електрошафи, можно пустить двигатель шпинделя нажатием кнопки «шпиндель». Одновременна начнет работать електронасос охлаждения, который при ненадобности може быть отключен выключателем 1.

Двигатель приводу стола включается, как было изложено на стр. 135, лишь після увімкнення двигуна шпинделя.

Консольно-фрезерные верстати современной конструкції, в том числе 1, 2 і 3-го размеров серии Н, имеют електрическую блокировку, т. е. автоматически действующую систему, не позволяющую включать рукоятку, управляющую поздовжньої подачей, одновременно з рукояткой поперечної или вертикальной подачі, а равно включать рабочую подачу при невключенном двигателе шпинделя. Это упрощает обслуговування верстата і фрезеровщик быстрее осваивает наладку і керування рукоятками верстата.




Кінематична схема консольно-фрезерного верстата 6Н12

Кінематична схема консольно-фрезерного верстата 6Н12

Кінематична схема консольно-фрезерного верстата 6Н12

1. Кінематична схема консольно-фрезерного верстата 6Н12. Дивитись у збільшеному масштабі

2. Кінематична схема консольно-фрезерного верстата 6Н12. Дивитись у збільшеному масштабі

3. Кінематична схема консольно-фрезерного верстата 6Н12. Дивитись у збільшеному масштабі



Понятие о кінематичної схеме

В учебных мастерских і производственных цехах заводов можно встретить не только те фрезерные верстати, которые описаны в § 31 і 32, но і другие верстати такого же назначения, но отличающиеся от них конструктивными особенностями. В СССР имеется большое количества фрезерных верстатів зарубежных марок и, кроме того, в настоящее время в Советский Союз поступают фрезерные верстати из Германской Демократической Республики, Венгерской Народной Республики, Чехословакии і других стран социалистического лагеря. Эти фрезерные верстати отличаются друг от друга по форме і устройству окремих вузлів, механізмов і деталей, по способу изменения чисел оборотів, величин подачі, по виду приводу і т. д., но принцип роботи их одинаков.

Фрезеровщик должен уметь разбираться в устройстве любого фрезерного верстата, чтобы наилучшим образом использовать eго в работе.

Для того чтобы показать основні взаимодействия движущихся частин современного фрезерного верстата, обладающего большим количеством деталей і вузлів, не прибегая к сложным чертежам, используют упрощенные условные чертежи, так называемые кинематические схеми.

Кінематичної схемой верстата называется условное изображение верстата, на котором показано взаимное расположение окремих звеньев механізмов, участвующих в передаче руху, а также числа зубьев зубчатых колес, диаметры шкивов, величина шага винтовых пар, количество заходов червяков. Эта схема характеризует кинематическую, т. е. скоростную связь между передающими рух елементами механізма. На кінематичної схеме верстат изображен в виде общего контура, позволяющего примерно представить себе, в каком месте верстата расположены те или иные валы, зубчасті колеса, муфты, ходовые винты і т. д.

Каждый елемент механізмов верстата в кінематичної схеме обозначается определенными условными знаками.

Государственным общесоюзным стандартом (ГОСТ 3462—52) установлены единые условные обозначения для кинематических схем верстатів. В «Справочнике молодого фрезеровщика» приведены условные обозначения наиболее часто встречающихся в кинематических схемах елементів механізма фрезерных верстатів. Знание условных обозначений необходимо для понимания кінематичної схеми.

Кинематические схеми позволяют разобраться в устройстве верстата і правильно производить необходимые при наладке і налаштуванні верстата расчеты.

Кинематические схеми верстатів 6Н82, 6Н82Г і 6Н12

В § 32 і 33 разобраны основні вузли і органы керування, приведены основні відомості, характеризующие числа оборотів шпинделя і скорости переміщення стола, а равно указаны назначения рукояток для налаштування коробки швидкостей і коробки подач для гаммы верстатів 6Н82, 6Н82Г і 6Н12. Здесь же ознакомимся более подробно з механізмами верстатів етой гаммы.

На рис. 111 приведена кінематична схема универсально-фрезерного верстата 6Н82, полностью соответствующая схеме горизонтально-фрезерного верстата 6Н82Г.

Валы обозначены на схеме порядковыми римскими цифрами, а зубчасті колеса — числом зубьев і модулем, соединенными знаком умножения. Шаг ходового гвинта в миллиметрах обозначен буквой S.

Ланцюг головного руху

Шпиндель получает вращение от фланцевого електродвигуна мощностью 7 кВт з 1440 об/мин через упругую соединительную муфту і зубчасті колеса механізма пятиваловой коробки швидкостей, сообщающие шпинделю 18 различных чисел оборотів в пределах от 30 до 1500 об/мин.

От вала I вращение передається валу II зубчатой парой 26 : 54; далее валу III через зубчасті пары 16 : 39 или 19 : 36, или 22 : 33; валу IV через зубчасті пары 18 : 47 или 28 : 37 или 39 : 26; валу V (шпинделю) через зубчасті пары 19 : 71 или 82 : 38.

Для лучшего уяснения кінематичної схеми ланцюги головного руху на рис. 112, а приводится разрез коробки швидкостей верстатів 6Н82 і 6Н82Г, а на рис. 112, б — разрез коробки швидкостей верстата 6Н12. Как видно из обоих разрезов, вертикально-фрезерный верстат 6Н12 отличается от горизонтального 6Н82Г і універсального 6Н82 только расположением шпинделя і добавочной конической зубчатой передачей 35: 35 к шпинделю (вал VI). В табл. 9 приведены числа оборотів шпинделя верстатів 6Н82 і 6Н82Г, получающиеся от увімкнення соответствующих колес коробки швидкостей. Так как передача на вертикальний вал VI (шпиндель) вертикально-фрезерного верстата 6Н12 не изменяет общего передаточного отношения, то табл. 9 полностью применима для расчета чисел оборотів шпинделя верстата 6Н12.

Шпиндель 3 верстатів 6Н82Г і 6Н82 (вал V) имеет три опори. В передньої опоре (гнездо шпинделя) установлен конічний роликоподшипник з буртиком, воспринимающий осевые зусилля от цилиндрической фрезы з винтовыми зубьями или от торцовой фрезы, в средней опоре — обычный роликоподшипник і в задньої — радиальный шарикоподшипник. Регулювання підшибників шпинделя производится гайкой 2.

Большое зубчатое колесо 4, имеющее 71 зуб, сидит на конусной шейке шпинделя. На заднем кінці шпинделя посажен маховик 1, обеспечивающий равномерное вращение шпинделя і смягчающий удары при врезании зубьев фрезы в обрабатываемую заготовку. Торможение шпинделя при остановке верстата производится обратным вращением (реверсированием) електродвигуна.

Шпиндель 3 Верстата 6Н12 (вал VI) смонтирован на двух опорах. В нижней опоре (гнездо шпинделя) установлен конічний роликоподшипник з буртиком, воспринимающий осевое усилие от фрезы, і в верхней опоре — обычный роликовый подшипник. Регулювання підшибників производится гайкой 2. Между верхней і нижней опорами смонтирован маховик 1 з той же целью, что і в верстатах 6Н82Г і 6Н82. Торможение шпинделя производится, как і в верстатах 6Н82Г і 6Н82, реверсированием електродвигуна.

Вал V верстата 6Н12 смонтирован тоже на двух опорах, представляющих обычные роликовые підшипники.

Вал IV у верстатів 6Н82, 6Н82Г і 6Н12 собран на трех опорах, что сообщает етому валу і шпинделю повышенную жесткость.

Валы II, III і IV — шлицевые для возможности переруху зубчатых блоков (2 = 16—19—22; 2 = 26—37; 2 = 19—82). Эти валы вращаются на шарикопідшипниках.

Коробка швидкостей консольно-фрезерного верстата 6Н12

Коробка швидкостей консольно-фрезерного верстата 6Н12

Коробка швидкостей консольно-фрезерного верстата 6Н12. Дивитись у збільшеному масштабі



В коробках швидкостей верстатів 6Н82Г, 6Н82 і 6Н12 механізм переключения швидкостей является самостоятельным узлом, привертываемым к левой стороне станины. На рис. ИЗ изображен етот механізм. С наружной стороны корпуса механізма переключения швидкостей расположен лимб 1, на котором нанесены значения всех 18 чисел оборотів шпинделя.

Механізм переключения швидкостей консольно-фрезерного верстата 6Н12

Механізм переключения швидкостей консольно-фрезерного верстата 6Н12

Механізм переключения швидкостей консольно-фрезерного верстата 6Н12. Дивитись у збільшеному масштабі



Схема дії механізма переключения швидкостей консольно-фрезерного верстата 6Н12

Схема дії механізма переключения швидкостей консольно-фрезерного верстата 6Н12

Схема дії механізма переключения швидкостей консольно-фрезерного верстата 6Н12. Дивитись у збільшеному масштабі



Блоки зубчатых колес коробки швидкостей консольно-фрезерного верстата 6Н12

Блоки зубчатых колес коробки швидкостей консольно-фрезерного верстата 6Н12

Блоки зубчатых колес коробки швидкостей консольно-фрезерного верстата 6Н12. Дивитись у збільшеному масштабі



Справа от лимба расположена кнопочная станція 2 з тремя кнопками: «быстро», «шпиндель» і «стоп», о назначении которых было рассказано на стр. 134 і 135 (см. рис. 110, а).

Для переключения шпинделя на выбранную скорость обертання рукоятку 3 необходимо повернуть на себя, а лимб 1 — вправо или влево, установив цифру выбранного числа оборотів шпинделя против стрелки-указателя, а затем возвратить рукоятку 3 в первоначальное положение. При етих операциях блоки зубчатых колес коробки швидкостей перемещаются і устанавливаются в положениях, соответствующих выбранному числу оборотів шпинделя.

Работа механізма заключается в следующем. На оси 17 рукоятки 3 насажен зубчатый сектор 18 (показан пунктиром), перемещающий рейку 13. На рейке заштифтована вилка 16, которая охватывает шейку детали 10, заштифтованной на валике 11, свободно перемещающемся в продольном направлении. На правом кінці валика 11 насажены два диска 14, а левый конец валика связан шпонкой з коническим зубчатым колесом 5, сцепленным з коническим зубчатым колесом 9. Хвостовик колеса 9 посредством фиксирующего кольца 19 жестко соединен з лимбом 1.

В дисках 14 просверлены отверстия, каждое из которых соответствует положению блоков зубчатых колес для того или иного числа оборотів шпинделя. В ети отверстия входят штифты 7, которые сидят в отверстиях, просверленных в торцах реек 6 і 5. Рейки свободно перемещаются в продольном направлении і поворачивают при етом сцепленные з ними зубчасті колеса 4.

Таким образом, при повороте рукоятки 3 (на себя) зубчатый сектор 18 перемещает рейку 13 и, следовательно, диски 14 вправо, при етом величина переміщення дисков рассчитана так, чтобы они полностью освободились от находящихся в их отверстиях штифтов 7.

При повороте лимба 1 поворачиваются і диски 14. Когда цифра, отвечающая выбранной скорости, займет положение против стрелки-указателя, соответствующее сочетание отверстий дисков 14 окажется против штифтов 7. При повороте рукоятки 3 в первоначальное положение диски 14 переместятся влево. При етом те штифты 7, которые заняли положение не против отверстий, упираясь в торцы дисков, перемещают рейки 6 влево, а рейки 5 вправо или наоборот. Это перемещение передається системе валов, связанных з блоками зубчатых колес, і устанавливает післядние в тех положениях, которые отвечают выбранной скорости шпинделя.

При обратном движении рукоятки 3 спеціальний палец, перемещаемый кулачком, приходит в соприкосновение з конечным выключателем 15, который включает електродвигатель і приводит во вращение шпиндель верстата. Пружины 12, заложенные в торцы реек 5 і 6, облегчают (смягчают) переключения.

Для большей наглядности на рис. 114 приведены принципова схема переключения швидкостей і три возможных положения одной пары штифтов А і Б (обозначенных на рис. 113 цифрой 7).

На рис. 114, а схематически повторен механізм переключения швидкостей, изображенный на рис. 113. Поворот рукоятки 3 «на себя» вызывает перемещение при помощи зубчатого сектора 18 рейки 13, а через нее вилки 16 вправо вместе з дисками 14. Это выводит из контакта (освобождает) пару штифтов 7 (А і Б), взаимно связанных друг з другом через рейки 5 і 6 і зубчатое колесо 4 і входящих в соответствующие отверстия диска 14. При повороте лимба 1 і установці против стрелки-указателя соответствующей цифры на лимбе диски поворачиваются так, что против штифтов А і Б оказываются либо отверстия, либо сплошная поверхность торца диска. Поворотом рукоятки 3 «от себя» диски установятся на свое место, а штифты А і Б займут одно из трех положений, показанных на рис. 114, б, і поставят при помощи вилки передвижной блок зубчатых колес в одно из трех возможных положений. Так как в коробке швидкостей имеются два тройных і один двойной зубчатых блока, то для их переміщення необходимы три вилки и, следовательно, три пары штифтов А і Б.

На рис. 115 показаны возможные положения блоков зубчатых колес коробки швидкостей, соответствующие 18 ступеням чисел оборотів шпинделя, приведенным в табл. 9.

Ланцюг подач

Коробка подач консольно-фрезерного верстата 6Н12

Коробка подач консольно-фрезерного верстата 6Н12

Коробка подач консольно-фрезерного верстата 6Н12. Дивитись у збільшеному масштабі



Механізм переключения подач консольно-фрезерного верстата 6Н12

Механізм переключения подач консольно-фрезерного верстата 6Н12

Механізм переключения подач консольно-фрезерного верстата 6Н12. Дивитись у збільшеному масштабі



Продольные подачі стола консольно-фрезерного верстата 6Н12

Продольные подачі стола консольно-фрезерного верстата 6Н12

Продольные подачі стола консольно-фрезерного верстата 6Н12. Дивитись у збільшеному масштабі



Привід подач осуществляется от отдельного фланцевого електродвигуна мощностью 1,7 кВт при 1420 об/мин, смонтированного в консоли. Через коробку подач ходовым гвинтам продольного і поперечного переміщення стола сообщаются 18 различных подач в пределах от 23,5 до 1180 мм/мин, а винту вертикального переміщення стола — 18 различных подач в пределах от 8 до 390 мм/мин.

Вал I коробки подач (см. рис. 111) приводится во вращение непосредственно електродвигуном, от него вращение передається валу II зубчатой парой 26 : 44, валу III зубчатой парой 24 : 64, валу IV зубчатыми парами 18 : 36, или 27 : 27, или 36 : 18, валу V зубчатыми парами 18 :40, или 21 : 37, или 24 : 34 і далее валу VI через перебор 13 : 45; 18 : 40 или непосредственно зубчатой передачей 40 : 40.

С вала VI рух передається:

В табл. 10 приведены возможные увімкнення зубчатых колес для осуществления 18 различных продольных подач. Поперечные подачі имеют те же значения, вертикальные подачі в три раза меньше.

При ускоренном (быстром) перемещении стола коробка подач отключается і рух передається от електродвигуна по ланцюги 26 : 44; 44 : 57; 57 : 43 к валу VI і далее изложенным выше способом передачи руху. Скорость быстрых продольного і поперечного перемещений составляет 2300 мм/мин, вертикального переміщення — 770 мм/мин.

Для лучшего понимания кінематичної схеми ланцюги подач на рис. 116 приводится разрез коробки подач. Коробка подач является самостоятельным узлом, монтируемым з левой стороны консоли. Она одинакова для всей гаммы верстатів 6Н82, 6Н82Г і 6Н12.

На рис. 116, а дана развертка коробки подач, причем обозначения валов і зубчатых колес соответствуют схеме на рис. 111. От електродвигуна (на рис. 116, а не показан) через зубчатое колесо 2 = 26 вращение передається на вал II при помощи зубчатого колеса 2 = 44, а от него через зубчасті колеса 24 : 64 на вал III, затем при помощи трех блоков зубчатых колес на валы IV, V і VI. Вал VI, называемый фрикционным, обозначен на рис 116, а цифрой 14. Эти передачи служат для осуществления рабочих подач стола, салазок і консоли.

Для быстрых перемещений вращение от електродвигуна (на рис. 116, а не показан) передається через зубчатое колесо 2 = 26, промежуточные зубчасті колеса 2 = 44 і 2 = 57, минуя коробку подач, на зубчатое колесо 16 (2 = 43), получающее постоянное число оборотів (870) в минуту.

Фрикционный вал 14 передает вращение, полученное им от зубчатых колес 2 = 40 или 2 = 57, на вал VII (см. рис. 111) при помощи зубчатых колес 2 = 28 і 2 = 35 для осуществления либо рабочих подач, либо быстрых перемещений.

На фрикционном валу 14 (см. рис. 116, а) расположены две муфты — кулачковая 6 і фрикционная многодискова 13. Для передачи в консоль рабочих подач должна быть включена кулачковая муфта 6, а для передачи швидкого (ускоренного) переміщення — фрикционная многодискова муфта 13.

Зубчатое колесо 15 сидит на шпонке фрикционного вала 14, который в свою очередь связан з кулачковой муфтой робочого ходу 6 через втулку 5 і шпонку 4. Следовательно, зубчатое колесо 15 имеет одинаковое з кулачковой муфтой 6 число оборотів. Кроме того, з фрикционным валом 14 связана шпонкой втулка 13 фрикционной многодисковий муфты, которая передает ему быстрое вращение для быстрых перемещений при выключенной кулачковой муфте 6 і включенной фрикционной многодисковий муфте 13.

На втулке 3 смонтирована кулачковая втулка предохранительной муфты. Корпус предохранительной муфты 2 представляет собой зубчатое колесо (z = 40), находящееся в постоянном зацеплении з зубчатым колесом 1 (z = 40) перебора коробки подач. При перегрузке механізма рабочих подач двенадцать шариков, находящихся в контакте з отверстиями фланца кулачковой втулки, сжимают пружины і выходят из контакта з отверстиями фланца, вследствие чего зубчатое колесо (z = 40) предохранительной муфты 2 начинает проскальзывать относительно кулачковой втулки і рабочая подача прекращается.

При сцеплении кулачковой муфты 6 з кулачковой втулкой предохранительной муфты 2 вал 14 і соответственно зубчатое колесо 15 получают 18 различных швидкостей в зависимости от положения переключаемых зубчатых колес коробки подач. .

Корпус фрикционной многодисковий муфты, обладающей постоянным числом оборотів (870 об/мин), вращает каленые диски 11 толщиной 1,5 мм, входящие в пазы корпуса. Между етими дисками чередуются такой же толщины диски 12, сцепленные з втулкой фрикционной муфты 13. При нажатии кулачковой муфты 6 на фланец 7 і через гайку 10 на диски 11 і 12 післядние, сжимаясь, начинают передавать вращение швидкого ходу от многодисковий муфты валу 14 і зубчатому колесу 15.

Для регулювання зазору в дисках служит фиксатор 8, запирающий кольцо 9 регулювання зазору в дисках.

На рис. 117 показаны муфты фрикционного вала подач. Для удобства пользования обозначения на рис. 117 соответствуют обозначениям на рис. 116.

К корпусу коробки подач привернут механізм переключения подач (рис. 118), имеющий в передньої частини лимб для установки грибка на нужную величину подачі; подробно о назначении лимба і грибка было рассказано на стр. 136 (см. рис. 110, б).

Переключення подач производится таким же образом, как і переключение швидкостей. В данном случае необходимо грибок потянуть на себя і повернуть его вместе з лимбом до совпадения нужной величины подачі со стрелкой-указателем і затем вдвинуть его обратно. При етом диски, аналогичные дискам 14, описанным на стр. 143—144 (рис. 113 і 114), перемещают три пары реек, на которые посажены вилки, охватывающие шейки блоков зубчатых колес і устанавливающие післядние в положение, соответствующее выбранной подаче.

Стол і салазки

Стол і салазки консольно-фрезерного верстата 6Н12

Стол і салазки консольно-фрезерного верстата 6Н12

Стол і салазки консольно-фрезерного верстата 6Н12. Дивитись у збільшеному масштабі



Стол і салазки консольно-фрезерного верстата 6Н12

Стол і салазки консольно-фрезерного верстата 6Н12

Стол і салазки консольно-фрезерного верстата 6Н12. Дивитись у збільшеному масштабі



Схема продольного ходу стола консольно-фрезерного верстата 6Н12

Схема продольного ходу стола консольно-фрезерного верстата 6Н12

Схема продольного ходу стола консольно-фрезерного верстата 6Н12. Дивитись у збільшеному масштабі



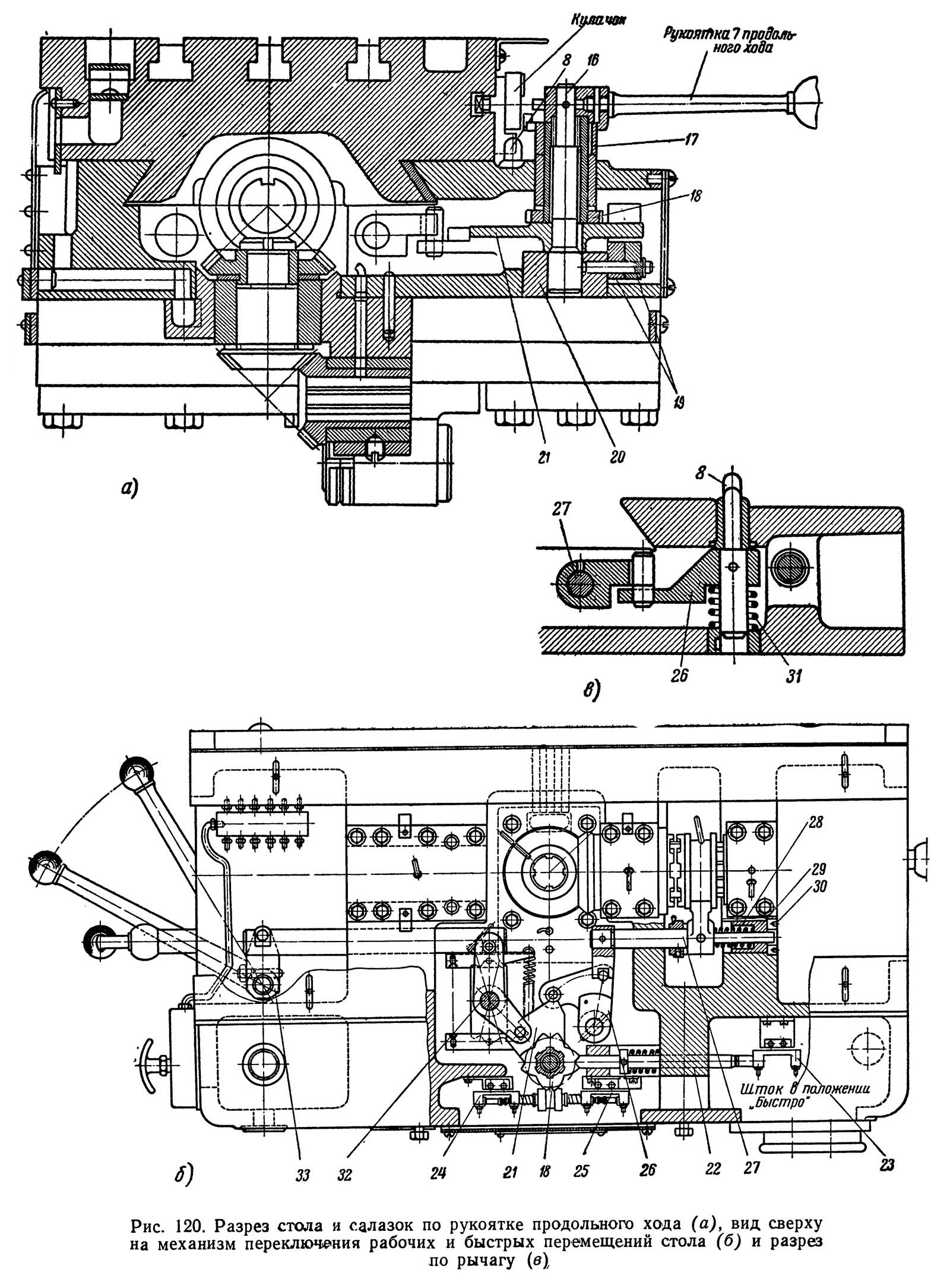
На рис. 119 приводится общий вигляд стола і салазок з указанием органів керування, обеспечивающих рабочие і быстрые переміщення стола. В дополнение к рис. 111, на котором представлена кінематична схема, на рис. 119 объясняется принцип дії органів керування подачами стола, салазок і консоли, кратко перечисленных на стр. 134—136 і показанных на рис. 108 і 109.

Стол верстата може быть настроен на напівавтоматический или ручной цикл роботи, для чего на дверке правого електрошафи необходимо поставить среднюю рукоятку в соответствующее положение «керування от кулачков включено» или «керування от кулачков выключено» (на рис. 108 і 109 ета рукоятка не показана). На столе і салазках верстатів 2 і 3-го размера (6Н82, 6Н82Г, 6Н12, 6Н83, 6Н83Г і 6Н13) находятся наступні органы керування.

Рукоятка 7 продольного ходу, имеющая три положения: «подача вправо», «подача влево» і «стоп».

Установка рукоятки продольного ходу в положение «стоп» дает вимкнення правой или левой рабочей подачі, правого или левого швидкого ходу во всех случаях, независимо от налаштування верстата на напівавтоматический цикл или на ручное керування, за исключением случаев, когда для автоматичного перехода стола на обратный ход утопляется штифт 8, расцепляющий рычаги виключення кулачковой муфты продольного ходу (см. ниже).

Дублирующая рукоятка 13 продольного ходу, расположенная внизу салазок, дает возможность пользоваться ею в то время, когда фрезеровщик находится сбоку верстата (сзади стола). Эта рукоятка жестко связана з основной рукояткой 7 продольного ходу і полностью повторяет її руху.

Кулачки для роботи по напівавтоматическому циклу. Остановка левого і правого ходов стола, т. е. ограничение продольного ходу, производится кулачками 4 і 5 для того, чтобы он не вышел из пределов паспортного ходу. Ограничение левого ходу стола производится кулачком 4, а правого ходу — кулачком 5, перемещаемыми по пазу стола. В том случае, когда стол необходимо остановить не в крайних точках его руху, ограничительные кулачки 4 і 5 ставят і закрепляют в необходимом месте. Оба кулачка 4 і 5 не должны никогда сниматься со верстата, так как они предохраняют стол от перебега, если фрезеровщик не остановит вовремя стол при ручном управлении.

Кулачки 1 переключают рабочую подачу на быстрый ход или быстрый ход на рабочую подачу при правом или левом движении. Правый і левый кулачки отличаются между собой лишь положением ввернутого штифта (со шлицем на головке). Розташування штифта з правой стороны кулачка заставляет его срабатывать при левом ходе стола, расположение штифта з левой стороны кулачка заставляет его срабатывать при правом ходе стола. Кулачки 1 работают только в том случае, если рукоятка на правой дверке електрошафи находится в положении «керування от кулачков включено», т. е. при налаштуванні на напівавтоматический цикл. При работе з ручным керуванням рекомендуется ети кулачки переставить на неработающую часть стола или снять.

По особому заказу завод поставляет со верстатом дополнительное количество кулачков У, а также два кулачка 2 і 3.

Кулачки 2 і 3 производят переключение з рабочей подачі влево на быстро вправо і з рабочей подачі вправо на быстро влево. Эти кулачки также работают только при налаштуванні верстата на напівавтоматический цикл.

Кнопочная станція 11, расположенная з передньої правой стороны салазок, дублирует кнопки «быстро», «шпиндель» і «стоп», помещенные на корпусе механізма переключения швидкостей (см. также рис. 110, а).

Рукоятки зажиму 10 і 14 дают возможность увеличить жесткость салазок при тяжелых режимах на поздовжньої подаче. Включать поперечную подачу при поджатых рукоятках зажиму салазок нельзя.

Ограничительные кулачки 12 поперечного ходу предназначаются для автоматичного виключення поперечної подачі или поперечного швидкого ходу в нужном месте.

Рукоятка 15 ручной змазки салазок расположена на левом торце корпуса салазок. Насос привинчен к внутреннему приливу салазок. Масло заливают через фильтр 6 до уровня, показываемого маслоуказателем.

Винты 9 для поджатия клина выбирают зазоры в скосах стола при тяжелом фрезеровании, если оно ведется кратковременно і фрезеровщику нежелательно нарушать хорошую регулировку клина по длине.

Рукоятка продольного ходу 7 (рис. 120, а) имеет на своей ступице, со стороны, обращенной к столу, два выступа, расположенные на разной высоте, на которые воздействуют кулачки 4 і 5 (см. также рис. 119), поворачивающие рукоятку продольного ходу і ставящие її в положение «стоп». Это дает вимкнення левого или правого ходу стола.

Рукоятка 7 жестко (через штифт і шпонку) соединена з осью 16, которая вращается во втулке 20, вращая вместе з собою копир 21. На етой же оси 16, через промежуточную втулку, смонтированы звездочки 17 і 18 увімкнення швидкого ходу, работающие только при напівавтоматическом цикле. Звездочка 17 получает вращение от кулачка 1 і 2 или 3 (см. также рис. 119) і передает его нижней звездочке 18 (рис. 120, б), которая имеет различную глубину впадин, что при повороте її на 45° дает разный ход штоку 22. Шток в свою очередь воздействует на конечный выключатель 23 і при замыкании его контактов через магнитный пускатель включает електромагнитную муфту швидкого ходу. Команды от звездочек поступают в післядовательном порядке: включено (быстро) — выключено (подача) — включено (быстро) — выключено (подача) і т. д. При ручном управлении верстатом ланцюг швидкого ходу отключена і в работе не участвует.

Имеющийся у копира 21 выступ воздействует на два лепестка 19 (см. рис. 120, а) і через них на два конечных выключателя 24 і 25 (см. рис. 120, б). Конечные выключатели используют два мостика: один для блокировки з другими ходуми, а второй на увімкнення через реверсивный магнитный пускатель ходу вправо в одном конечном выключателе і ходу влево в другом. Выключение двигуна получается після виключення кулачковой муфты.

Копир 21 находится в контакте з роликом, который в процессе переключения катится по его кривой. При выключенном положении рукоятки ролик стоит на выступе копира, при включенных положениях находится на боковых скосах. Рух ролика через рычаг 26 передається валику 27 і вилке, ведущей кулачковую муфту продольного ходу. Валик 27 находится под постоянным нажатием пружины 28, регулируемой втулкой 29 і гайкой 30.

Разрез по рычагу 26 показан на рис. 120, в, из которого видно что рычаг при опускании его оси 8 перемещается вниз і выходит из сцепления з копиром. В результате етого поворотом рукоятки уже невозможно отжать пружину і расланцюгить кулачковую муфту продольного ходу, что используется для реверсирования стола в условиях автоматичного цикла.

После того как реверсирование произошло і кулачок 2 или 3 сошел со штифта 5, пружина 31 снова поднимет рычаг 26 з роликом вверх на уровень плоскости копира и, таким образом, при желании з помощью рукоятки можно отключить кулачковую муфту.

Копир 21 своим пазом ведет за собой рычаг 32, жестко связанный посредством валика і рычага 33 з дублирующей рукояткой продольного ходу, благодаря чему ета рукоятка повторяет руху основной рукоятки керування продольным ходом стола.

На рис. 121 изображена принципова схема роботи рукоятки продольного ходу при ручном і напівавтоматическом циклах. Для удобства пользования на рис. 119, 120 і 121 установлены идентичные цифровые обозначения аналогичных деталей.

При ручном цикле поворот рукоятки 7 продольного ходу вправо или влево от центрального положения вызывает реверсирование електродвигуна подач; при етом повороту рукоятки 7 вправо соответствует ход стола вправо і повороту рукоятки 7 влево соответствует ход стола влево. Такое совпадение направления руху з направлением поворота управляющего органа, называемое «мнемоническим», всегда применяется в органах керування верстатами для избежания ошибок при включении і переключении подач і реверсировании обертання шпинделя.

В случае реверсирования поздовжньої подачі рукояткой 7 копир 21 сначала выключает з помощью ролика муфту, связанную з винтом поздовжньої подачі, во избежание поломок зубчатых колес коробки подач, а затем под действием пружины 28 (на схеме не показанной) валик 27 включает муфту, і стол движется в выбранном направлении за счет реверса електродвигуна.

Быстрый ход стола включается вручную нажимом на кнопку «быстро», і он до тех пор действует, пока кнопка нажата. Направление швидкого ходу устанавливается заранее поворотом рукоятки 7.

При автоматическом цикле наличие в необходимом количестве кулачков 1, 2, 3, 4, 5 позволяет настраивать консольно-фрезерные верстати 6Н82, 6Н82Г, 6Н12, 6Н83, 6Н83Г, 6Н13 і их модификации на наступні циклы перемещений стола:





6Н12 Верстат консольно-фрезерный вертикальний. Відеоролик.




Технічні характеристики консольного фрезерного верстата 6Н12

Наименование параметра 6Н12 6Н12ПБ 6М12 6Р12 6Т12
Основні параметри верстата
Класс точності по ГОСТ 8-71 і ГОСТ 8-82 Н Н Н Н
Розміри поверхности стола, мм 1250 х 320 1250 х 320 1250 х 320 1250 х 320 1250 х 320
Наибольшая масса обрабатываемой детали, кг 250 250 400
Расстояние от торца шпинделя до стола, мм 30..400 30..400 30..450 30..450
Расстояние от оси шпинделя до вертикальних направляючих станины (вылет), мм 350 350 350 380
Рабочий стол
Наибольший продольный ход стола от руки (по оси X), мм 700 700 700 800 800
Наибольший поперечний ход стола от руки (по оси Y), мм 240/ 260 260 240/ 260 250 320
Наибольший вертикальний ход стола от руки (по оси Z), мм 370 370 370 420 420
Пределы продольных подач стола (X), мм/мин 19..950 40..2000 12..1250 12,5..1600 12,5..1600
Пределы поперечных подач стола (Y), мм/мин 19..950 27..1330 12..1250 12,5..1600 12,5..1600
Пределы вертикальних подач стола (Z), мм/мин 6..320 13..665 8,3..416,6 4,1..530 4,1..530
Количество подач продольных/ поперечных/ вертикальних 18 18 18 22 22
Скорость быстрых продольных перемещений стола (по оси X), м/мин 2,3 4 3 4 4
Скорость быстрых поперечных перемещений стола (по оси Y), м/мин 2,3 4 3 4 4
Скорость быстрых вертикальних перемещений стола (по оси Z), м/мин 0,77 1 1 1,330 1,330
Шпиндель
Частота обертання шпинделя, об/мин 30..1500 63..3150 31,5..1600 40..2000 31,5..1600
Количество швидкостей шпинделя 18 18 18 18 18
Перемещение пиноли шпинделя, мм 70 70 70 70 70
Конус фрезерного шпинделя №3 ГОСТ 836-47 №3 №3 №3 №3
Кінець шпинделя ГОСТ 24644-81, ряд 4, виконання 6 50
Отверстие фрезерного шпинделя, мм 29 29 29
Поворот шпиндельной головки вправо і влево, град ±45 ±45 ±45 ±45
Механіка верстата
Выключающие упоры подачі (поздовжньої, поперечної, вертикальной) Есть Есть Есть Есть
Блокировка ручной і механической подач (поздовжньої, поперечної, вертикальной) Есть Есть Есть Есть
Блокировка раздельного увімкнення подач Есть Есть Есть Есть
Торможение шпинделя Есть Есть Есть Есть
Предохранительная муфта от перегрузок Есть Есть Есть Есть
Автоматическая прерывистая подача Есть Есть Есть Есть
Електроустаткування, привод
Количество електродвигателей на станке 3 3 3 3 4
Електродвигун приводу головного руху, кВт (об/мин) 7 (1440) 10 7,5 7,5 7,5
Електродвигун приводу подач, кВт 1,7 (1440) 1,7 2,2 2,2 3,0
Електродвигун зажиму инструмента, кВт - - - 0,25
Електродвигун насоса охлаждающей жидкости, кВт 0,12 0,12 0,12 0,12
Суммарная мощность всех електродвигателей, кВт 9,825 9,825 1,87
Габарит і масса верстата
Габарити верстата (длина ширина высота), мм 2100 х 1140 х 1875 2395 х 1745 х 2000 2305 х 1950 х 2020 2280 х 1965 х 2265
Масса верстата, кг 3000 3000 3120 3250



    Список литературы:

  1. Вертикально-фрезерный верстат типа 6Н12. Руководство к верстату, 1952
  2. Горизонтально-фрезерный верстат 6Н82, 6Н82Г. Руководство, 1959
  3. Каталог-справочник сменяемых деталей консольно-фрезерных верстатів 6Н82, 6Н82Г, 6Н12, Тула, 1973

  4. Аврутин С.В. Основы фрезерного дела, 1962
  5. Аврутин С.В. Фрезерне дело, 1963
  6. Ачеркан Н.С. Металлорежущие верстати, Том 1, 1965
  7. Барбашов Ф.А. Фрезерне дело 1973
  8. Барбашов Ф.А. Фрезерные роботи (Профтехобразование), 1986
  9. Блюмберг В.А. Справочник фрезеровщика, 1984
  10. Григорьев С.П. Практика координатно-расточных і фрезерных работ, 1980
  11. Копылов Работа на фрезерных верстатах,1971
  12. Косовский В.Л. Справочник молодого фрезеровщика, 1992
  13. Кувшинский В.В. Фрезерование,1977
  14. Ничков А.Г. Фрезерные верстати (Библиотека станочника), 1977
  15. Пикус М.Ю. Справочник слесаря по ремонту металлорежущих верстатів, 1987
  16. Плотицын В.Г. Расчёты настроек і наладок фрезерных верстатів, 1969
  17. Плотицын В.Г. Наладка фрезерных верстатів,1975
  18. Рябов С.А. Современные фрезерные верстати і их оснастка, 2006
  19. Схиртладзе А.Г., Новиков В.Ю. Технологическое обладнання машиностроительных производств, 1980
  20. Тепинкичиев В.К. Металлорежущие верстати, 1973
  21. Чернов Н.Н. Металлорежущие верстати, 1988
  22. Френкель С.Ш. Справочник молодого фрезеровщика (3-е изд.) (Профтехобразование), 1978








Заказать

Кто владеет информацией - тот владеет миром.

Натан Ротшильд