metalinstryment.com
Довідник по металорізальних верстатів та пресовому обладнанні

6М13П Верстат консольно-фрезерный вертикальний підвищеної точності
схеми, опис, характеристики

6М13П Загальний вигляд  консольного фрезерного верстата







Відомості про виробника консольно-фрезерного верстата 6М13П

Производитель фрезерных верстатів 6М13П Горьковский завод фрезерных верстатів, основанный в 1931 году.

Завод специализируется на выпуске широкой гаммы универсальных фрезерных верстатів, а, также, фрезерных верстатів з УЦИ і ЧПУ, і является одним из наиболее известных станкостроительных предприятий в России.

Начиная з 1932 года, Горьковский завод фрезерных верстатів занимается выпуском верстатів і является експертом в разработке і производстве различного металлорежущего оборудования.

Універсальные фрезерные верстати серии М выпускались Горьковским заводом фрезерных верстатів (ГЗФС) начиная з 1961 года. Верстати сходны между собой по конструкції, широко унифицированы і является дальнейшим усовершенствованием аналогичных верстатів серии Н.





Продукция Горьковского завода фрезерных верстатів ГЗФС


6М13П Верстат консольно-фрезерный вертикальний з поворотной шпиндельной головкой підвищеної точності. Назначение, область применения

Верстат консольно-фрезерный 6М13П заменил в производстве устаревшую модель 6Н13П і был заменен на более совершенную модель 6Р13.

Вертикальные консольно-фрезерные верстати моделей 6М13П і 6М12БП представляют собой електрифицированные верстати, обладающие високою точностью і жесткостью.

Консольно-фрезерный верстат 6М13П предназначен для фрезерування всевозможных деталей из стали, чугуна і цветных металлов торцевыми, цилиндрическими, кінцівыми, радиусными фрезами в условиях индивидуального і серийного производства. В серийном производстве, благодаря наличию напівавтоматических і автоматических циклов, верстати могут успешно использоваться на работах операционного характера в поточных і автоматических лініях.

На верстатах 6М13П можно обрабатывать вертикальные і горизонтальные плоскости, пазы, углы, нарезать зубчасті колеса і прочее.

Принцип роботи і особливості конструкції верстата

По сравнению з ранее выпускавшимися верстатами серии Н в верстатах серии М увеличены частоти обертання шпинделя, скорости быстрых перемещений і подач стола. Для удобства переміщення стола вручную маховик помещен з передньої стороны верстата.

Внешне верстат 6м13 отличается от ранее выпускаемой моделі 6н13 лишь наличием маховичка поздовжньої подачі на передньої стороне стола.

Фрезерование зубчатых колес, разверток, спиралей, контура кулачков і прочих деталей, требующих периодического или непрерывного поворота вокруг своей оси, производятся на данных верстатах о применением делительной головки или накладного круглого стола.

Благодаря наличию механізма выборки люфта в винтовой паре поздовжньої подачі стола, на станке 6М13П можно производить встречное і попутное фрезерование, как в простых режимах, так і в режимах з автоматическими циклами.

Наиболее еффективное использование верстата достигается при обработке деталей методом скоростного фрезерування.

Класс точності верстатів Н.


Модифікації консольно-фрезерных верстатів серии 6М

Серия 6М консольно-фрезерных верстатів - 6М12П, 6М12ПБ, 6М13П, 6М13ПБ, 6М82, 6М82Г, 6М82ГБ, 6М82Ш, 6М83, 6М83Г, 6М83Ш, запущенна в 1961 году, включет в себя несколько модификаций:


История выпуска верстатів Горьковским заводом, ГЗФС

В 1937 году на Горьковском заводе фрезерных верстатів были изготовлены первые консольно-фрезерные верстати серии 6Б моделей 6Б12 і 6Б82 з рабочим столом 320 х 1250 мм (2-го типоразмера).

В 1951 году запущена в производство серия консольно-фрезерных верстатів собственной конструкції (Новые): 6Н12, 6Н13П, 6Н82, 6Н82Г. Верстат 6Н13ПР получил “Гран-При” на всемирной выставке в Брюсселе в 1956 году.

В 1960 году запущена в производство серия консольно-фрезерных верстатів: 6М12П, 6М13П, 6М82, 6М82Г, 6М83, 6М83Г, 6М82Ш.

В 1972 году запущена в производство серия консольно-фрезерных верстатів: 6Р12, 6Р12Б, 6Р13, 6Р13Б, 6Р13Ф3, 6Р82, 6Р82Г, 6Р82Ш, 6Р83, 6Р83Г, 6Р83Ш.

В 1975 году запущены в производство копировальные консольно-фрезерные верстати: 6Р13К.

В 1978 году запущены в производство копировальные консольно-фрезерные верстати 6Р12К-1, 6Р82К-1.

В 1985 году запущена в производство серия 6Т-1 консольно-фрезерных верстатів: 6Т12-1, 6Т13-1, 6Т82-1, 6Т83-1 і ГФ2171.

В 1991 году запущена в производство серия консольно-фрезерных верстатів: 6Т12, 6Т12Ф20, 6Т13, 6Т13Ф20, 6Т13Ф3, 6Т82, 6Т82Г, 6Т82ш, 6Т83, 6Т83Г, 6Т83Ш.


Фото вертикального консольно-фрезерного верстата 6М13П

6М13П Фото консольно-фрезерного верстата

Фото вертикального консольно-фрезерного верстата 6м13п


6М13П Фото консольно-фрезерного верстата

Фото вертикального консольно-фрезерного верстата 6м13п


6М13П Фото консольно-фрезерного верстата

Фото вертикального консольно-фрезерного верстата 6м13п


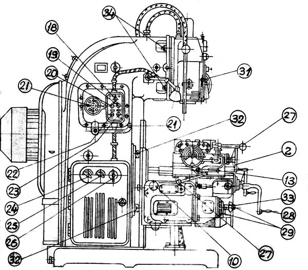
Розташування органів керування консольно-фрезерным верстатом 6М13П

6М13П Розташування складових частин і органів керування консольно-фрезерного верстата

Розташування органів керування консольно-фрезерным верстатом 6м13п


6М13П Розташування складових частин і органів керування консольно-фрезерного верстата

Розташування органів керування консольно-фрезерным верстатом 6м13п


6М13П Розташування складових частин і органів керування консольно-фрезерного верстата

Розташування органів керування консольно-фрезерным верстатом 6м13п

Список складових частин консольно-фрезерного верстата 6М13П


Список органів керування консольно-фрезерным верстатом 6М13П

  1. Кран регулювання интенсивности охлаждения
  2. Маховичек ручного продольного переміщення стола
  3. Кулачки ограничения продольного ходу стола в крайних положениях или реверса стола в напівавтоматическом і автоматическом циклах
  4. Кулачки переключения стола з подачі на быстрый ход или з швидкого ходу на подачу
  5. Переключатель на автоматический цикл или ручное керування верстата
  6. Кнопка "Пуск шпинделя"
  7. Кнопка "Стоп"
  8. Кнопка "Быстро"
  9. Рукоятка ручного насоса змазки стола
  10. Рукоятка увімкнення вертикальной или поперечної подачі стола
  11. Рукоятка зажиму консоли на направляючих станины
  12. Маховичек ручного поперечного переміщення стола
  13. Рукоятка зажиму салазок на направляючих консоли
  14. Переключатель керування столом: автоматический цикл - ручное керування - робота з круглым столом
  15. Шестигранник поворота фрезерной головки
  16. Винты зажиму стола на салазках
  17. Маховик переміщення гильзы шпинделя
  18. Переключатель освещения "Включено - выключено"
  19. Кнопка "Стоп шпиндель"
  20. Кнопка "Пуск шпинделя"
  21. Рукоятка і лимб для переключения швидкостей шпинделя
  22. Кнопка "Импульс шпинделя"
  23. Кнопка "Быстро стол"
  24. Вводной переключатель "Включено - выключено"
  25. Переключатель насоса охлаждения "Включено - выключено"
  26. Переключатель направления обертання шпинделя "Влево - вправо"
  27. Рукоятка керування продольным переміщенням стола
  28. Рукоятка подъема консоли
  29. Грибок і лимб для переключения подач стола
  30. Кулачки ограничения поперечного ходу стола
  31. Рукоятка зажиму гильзы шпинделя
  32. Кулачки ограничения вертикального ходу стола
  33. Кнопка увімкнення фиксации механізма переключения подач
  34. Гайки зажиму поворотной фрезерной головки




Схема кінематична консольно-фрезерного верстата 6М13П

6М13П Схема кінематична консольно-фрезерного верстата

Кінематична схема консольно-фрезерного верстата 6м13п

1. Схема кінематична консольно-фрезерного верстата 6М13П. Дивитись у збільшеному масштабі

2. Схема кінематична консольно-фрезерного верстата 6М13П. Дивитись у збільшеному масштабі



Ланцюг головного руху консольно-фрезерного верстата 6М13П

Верстат 6М13П имеет две раздельные кинематические ланцюги — ланцюг головного руху і ланцюг подач стола.

Шпиндель получает вращение от фланцевого електродвигуна мощностью 7 кВт, з 1440 об/мин через упругую соединительную муфту і зубчасті колеса механізма пятиваловой коробки швидкостей, сообщающие шпинделю 18 различных чисел оборотів в пределах от 31,5 до 1600 об/мин.


Опис конструкції основних вузлів вертикального консольно-фрезерного верстата 6М13П

Коробка швидкостей і шпиндель консольно-фрезерного верстата 6М13П

6М13П Коробка швидкостей і шпиндель консольно-фрезерного верстата

Коробка швидкостей і шпиндель фрезерного верстата 6м13п


Коробка швидкостей консольно-фрезерного верстата 6М13П

6М13П Коробка швидкостей консольно-фрезерного верстата

Коробка швидкостей фрезерного верстата 6м13п

Коробка швидкостей смонтирована непосредственно в верхней частини корпуса станины і управляется з помощью вставной коробки переключения швидкостей, расположенной з левой стороны станины. Для осмотра коробки швидкостей достаточно снять крышку, находящуюся з правой стороны станины.

Шпиндель (вал VII) верстата 6М13П (см. рис. 274, б) смонтирован в поворотной головке, которая центрируется в кольцевой выточке горловины станины і крепится к ней четырьмя болтами 1 (рис. 275). Поворотная головка може быть повернута на 45° от вертикальной оси в обе стороны

Вырух гильзы поворотной головки производят маховичком 2. Маховичок через коническую пару 7 (см. рис. 274, б) і винт з гайкой связан з кронштейном 5, закрепленным на гильзе. На валике маховичка 2 (рис. 275) закреплен лимб, цена деления которого 0,05 мм. За полный оборот маховичка гильза выдвигается на 4 мм.

В кронштейне 5 (рис. 274, б) предусмотрено отверстие і винт для закрепления индикатора, а к корпусу поворотной головки привинчен кронштейн 8 з регулируемым упором 6 для налаштування переміщення гильзы.

Для увеличения жесткости шпинделя во время роботи предусмотрен зажим рукояткой 4, которая стягивает корпус поворотной головки, имеющей разрез 5 (рис. 275).

Вращение шпинделю (валу VII) передається от коробки швидкостей через коническую і цилиндрическую передачи (см. рис. 274, б). Цилиндрическое зубчатое колесо 2 закреплено на втулке, смонтированной на шарикопідшипниках і имеющей шпонку, которая входит в шпоночный паз шпинделя.

Вал VI верстата 6М13П смонтирован на одном радиальном і двух радиально-упорных шарикопідшипниках. Радиально-упорные шарикопідшипники расположены во фланце і стянуты шайбой, которая крепит фланец к поперечної стенке станины. Зазор в радиально-упорных підшипниках регулируется подшлифовкой промежуточных колец. Сцепление конического зубчатого колеса регулируется путем осьового переміщення всего вала VI гвинтами, ввернутыми во фланец (рис. 274, б).

Вал V смонтирован также на одном радиальном і двух радиально-упорных шарикопідшипниках. Регулювання зазору производится подтягиванием гайки з левого торца вала V.

Вал IV коробки швидкостей у всех трех верстатів етой гаммы, т. е. 6М82, 6М82Г і 6М13П (рис. 274, а і б), для большей жесткости расположен на трех опорах.

Валы II, III і IV — шлицевые для возможности переруху зубчатых блоков.

Механізм переключения швидкостей

Как указывалось ранее, в коробках швидкостей етих верстатів механізм переключения швидкостей является самостоятельным узлом (рис. 276). На корпусе механізма переключения швидкостей расположен лимб 1 из пластмассы, на котором нанесены значения всех 18 чисел оборотів шпинделя, стрелка указатель і кнопочная станція з переключателем освещения і кнопками: «пуск шпинделя», «стоп шпинделя», «толчок шпинделя», «быстро стол». С нижней стороны коробки переключения находится рукоятка.

6М12П Механізм переключения швидкостей консольно-фрезерного верстата

Механізм переключения швидкостей фрезерного верстата 6М12П


В коробках швидкостей верстатів серии М механізм переключения швидкостей является самостоятельным узлом (рис. 163).

На корпусе механізма переключения швидкостей расположен лимб 1 из пластмассы, на котором нанесены значения всех 18 чисел оборотів шпинделя, стрелка-указатель 2 і кнопочная станція 3 з переключателем освещения і кнопками «Пуск шпинделя», «Стоп шпинделя», «Толчок шпинделя», «Быстро стол». С нижней стороны коробки переключения находится рукоятка 4. Переключення шпинделя на требуемую скорость обертання осуществляется в такой післядовательности:

  1. рукоятку переключения опускают вниз до выхода шипа из фиксирующего паза і отводят на себя до отказа;
  2. поворачивают лимб 1 вправо или влево до совпадения выбранного числа оборотів шпинделя со стрелкой-указателем 2; при етом щелчок фиксатора указывает, что лимб установлен в требуемом положении;
  3. нажимают кнопку «Толчок шпинделя», что дает кратковременный импульс на електродвигатель приводу шпинделя для проворачивания зубчатых колес коробки швидкостей і для их плавного переключения;
  4. рукоятку 4 переключения плавно возвращают в первоначальное положение, при етом обязательно шип рукоятки должен попасть в фиксирующий паз.
  • При етих операциях з рукояткой і лимбом блоки зубчатых колес коробки швидкостей перемещаются і устанавливаются в положениях, соответствующих выбранному числу оборотів шпинделя.

  • Механізм подач консольно-фрезерного верстата 6М13П


    Механізм подач консольно-фрезерных верстатів серии 6М

    6М13П Механізм подач консольно-фрезерного верстата

    Механізм подач фрезерного верстата 6м13п

    Ланцюг подач консольно-фрезерного верстата 6М13П

    Привід подач осуществляется от отдельного фланцевого електродвигуна мощностью 1,7 кВт при 1420 об/мин, смонтированного в консоли. Через коробку подач ходовым гвинтам продольного і поперечного перемещений стола сообщаются 18 различных подач в пределах от 25 до 1250 мм/мин, а винту вертикального переміщення стола — 18 различных подач в пределах от 8,3 до 416,6 мм/мин.

    Вал I коробки подач (см. рис. 272) приводится во вращение непосредственно електродвигуном; от него вращение передається валу II зубчатой парой 26 : 50, валу III — зубчатой парой 26 : 57, валу IV — зубчатыми парами 18 : 36, или 27 : 27, или 36 : 18, валу V — зубчатыми парами 18 : 40, или 21 : 37, или 24 : 34 і далее валу VI через перебор 13 : 45 — 18 : 40 или непосредственной зубчатой передачей 40 : 40.

    Консоль фрезерного верстата 6М13П

    В консоли расположены все вузли ланцюги подач. На рис. 284 схематически показана консоль фрезерных верстатів 2-й гаммы з механізмами передачи руху от електродвигуна к столу, салазкам і самой консоли.

    Консоль имеет чугунный корпус з развитыми направляющими профиля «ласточкин хвост» под станину і перпендикулярные к ним прямоугольные направляющие под салазки. Консоль несет на себе наступні органы керування:




    6М13П Верстат консольно-фрезерный вертикальний з поворотной головкой. Відеоролик.



    <

    iframe width="800" height="669" src="https://www.youtube.com/embed/fPOHXN92cLo" frameborder="0" allow="accelerometer; autoplay; encrypted-media; gyroscope; picture-in-picture" allowfullscreen>



    Технічні характеристики консольного фрезерного верстата 6М13П

    Наименование параметра 6Н13 6М13 6Р13 6Т13
    Основні параметри верстата
    Класс точності по ГОСТ 8-71 і ГОСТ 8-82 Н, П Н, П Н, П Н
    Розміри поверхности стола, мм 400 х 1600 400 х 1600 400 х 1600 400 х 1600
    Наибольшая масса обрабатываемой детали, кг 300 630
    Расстояние от торца шпинделя до стола, мм 30..520 30..500 30..500 70..500
    Расстояние от оси шпинделя до вертикальних направляючих станины (вылет), мм 450 450 420 460
    Рабочий стол
    Наибольший продольный ход стола от руки (по оси X), мм 900 800 1000 1000
    Наибольший поперечний ход стола от руки (по оси Y), мм 320 320 320 400
    Наибольший вертикальний ход стола от руки (по оси Z), мм 420 420 420 430
    Перемещение стола на одно деление лимба (продольное, поперечное, вертикальное), мм 0,05
    Перемещение стола на один оборот лимба (продольное, поперечное/ вертикальное), мм 6/ 2
    Пределы продольных подач стола (X), мм/мин 23,5..1180 25..1250 25..1250 12,5..1600
    Пределы поперечных подач стола (Y), мм/мин 15,6..786 25..1250 25..1250 12,5..1600
    Пределы вертикальних подач стола (Z), мм/мин 7,85..393 8,3..416,6 8,3..416,6 4,1..530
    Количество подач продольных/ поперечных/ вертикальних 18 18 18 22
    Скорость быстрых продольных перемещений стола (по оси X), м/мин 2,3 3 3 4
    Скорость быстрых поперечных перемещений стола (по оси Y), м/мин 1,540 3 3 4
    Скорость быстрых вертикальних перемещений стола (по оси Z), м/мин 0,77 1 1 1,33
    Шпиндель
    Частота обертання шпинделя, об/мин 30..1500 31,5..1600 31,5..1600 31,5..1600
    Количество швидкостей шпинделя 18 18 18 18
    Перемещение пиноли шпинделя, мм 85 85 80 80
    Перемещение пиноли шпинделя на одно деление лимба, мм 0,05 0,05 0,05 0,05
    Конус фрезерного шпинделя №3 ГОСТ 836-47 №3 ГОСТ 836-62 №3 ГОСТ 836-62
    Кінець шпинделя ГОСТ 24644-81, ряд 4, виконання 6
    Отверстие фрезерного шпинделя, мм 29 29
    Диаметр оправок, мм 32, 50
    Диаметр переднего підшипника, мм 100
    Поворот шпиндельной головки вправо і влево, град ±45 ±45 ±45 ±45
    Механіка верстата
    Выключающие упоры подачі (поздовжньої, поперечної, вертикальной) Есть Есть Есть Есть
    Блокировка ручной і механической подач (поздовжньої, поперечної, вертикальной) Есть Есть Есть Есть
    Блокировка раздельного увімкнення подач Есть Есть Есть Есть
    Торможение шпинделя Есть Есть Есть Есть
    Предохранительная муфта от перегрузок Есть Есть Есть Есть
    Автоматическая прерывистая подача Есть Есть Есть (продольная) Есть
    Електроустаткування, привод
    Количество електродвигателей на станке 3 3 3 4
    Електродвигун приводу головного руху, кВт 10 10 10 11
    Електродвигун приводу подач, кВт 2,8 3,0 3,0 3,0
    Електродвигун зажиму инструмента, кВт нет нет нет 0,25
    Електродвигун насоса охлаждающей жидкости, кВт 0,125 0,125 0,125 0,12
    Суммарная мощность всех електродвигателей, кВт 12,925 13,125 14,37
    Габарит і масса верстата
    Габарити верстата (длина ширина высота), мм 2575 х 1870 х 2250 2565 х 2135 х 2235 2560 х 2260 х 2120 2570 х 2252 х 2430
    Масса верстата, кг 4250 3120 4200 4300

      Список литературы:

    1. Консольно-фрезерные верстати 6М13П, 3М13ПБ. Руководство по уходу і обслуговування, Горький, 1966
    2. Консольно-фрезерные верстати 6М13П, 3М13ПБ. Руководство по уходу і обслуговування, Воткинск, 1972
    3. Ремонт консольно-фрезерных верстатів 6М83, 6М83Г, 6М13П, 6М13ПБ. Альбом чертежей сменных деталей, Тула, 1971

    4. Аврутин С.В. Основы фрезерного дела, 1962
    5. Аврутин С.В. Фрезерне дело, 1963
    6. Ачеркан Н.С. Металлорежущие верстати, Том 1, 1965
    7. Барбашов Ф.А. Фрезерне дело 1973
    8. Барбашов Ф.А. Фрезерные роботи (Профтехобразование), 1986
    9. Блюмберг В.А. Справочник фрезеровщика, 1984
    10. Григорьев С.П. Практика координатно-расточных і фрезерных работ, 1980
    11. Копылов Р.Б. Работа на фрезерных верстатах, 1971
    12. Косовский В.Л. Справочник молодого фрезеровщика, 1992
    13. Кувшинский В.В. Фрезерование,1977
    14. Ничков А.Г. Фрезерные верстати (Библиотека станочника), 1977
    15. Пикус М.Ю. Справочник слесаря по ремонту металлорежущих верстатів, 1987
    16. Плотицын В.Г. Расчёты настроек і наладок фрезерных верстатів, 1969
    17. Плотицын В.Г. Наладка фрезерных верстатів,1975
    18. Рябов С.А. Современные фрезерные верстати і их оснастка, 2006
    19. Схиртладзе А.Г., Новиков В.Ю. Технологическое обладнання машиностроительных производств, 1980
    20. Тепинкичиев В.К. Металлорежущие верстати, 1973
    21. Чернов Н.Н. Металлорежущие верстати, 1988
    22. Френкель С.Ш. Справочник молодого фрезеровщика (3-е изд.) (Профтехобразование), 1978








    Заказать

    Кто владеет информацией - тот владеет миром.

    Натан Ротшильд