metalinstryment.com
Довідник по металорізальних верстатів та пресовому обладнанні

6Р82 Верстат горизонтальный консольно-фрезерный з поворотным столом - універсальний
схеми, опис, характеристики

6Р82 Верстат горизонтальный фрезерный консольный







Відомості про виробника консольно-фрезерного верстата 6Р82

Производитель серии универсальных фрезерных верстатів 6Р82 Горьковский завод фрезерных верстатів, основанный в 1931 году.

Завод специализируется на выпуске широкой гаммы универсальных фрезерных верстатів, а, также, фрезерных верстатів з УЦИ і ЧПУ, і является одним из наиболее известных станкостроительных предприятий в России.

Производство фрезерных верстатів на Горьковском станкостроительном предприятии началось в 1932 году. В 1972 году завод начал выпуск серию горизонтальных фрезерных консольных верстатів 6Р82 і 6Р83, которые є дальнейшим развитием верстатів аналогичных моделей серии М.

Сегодня консольно-фрезерный верстат 6Р82 - выпускают:






Продукция Горьковского завода фрезерных верстатів ГЗФС


6Р82 Верстат горизонтальный консольно-фрезерный універсальний. Назначение і область применения

фрезерный верстат 6Р82 производился з 1972 года і заменил в производстве устаревшую модель 6М82 і был заменен на более совершенную модель 6Т82.

Верстати предназначены для выполнения различных фрезерных работ в условиях как индивидуального, так і крупносерийного производства. В условиях крупносерийного производства верстати могут быть успешно использованы также для выполнения работ операционного характера.

Верстати моделі 6Р83 отличаются от верстатів 6Р82 увеличенными размерами робочого стола і более мощным двигателем головного руху.

Принцип роботи і особливості конструкції верстата

Стол універсального консольно-фрезерного верстата моделі 6Р82 може быть повернут вокруг вертикальной оси на угол до 45° в обе стороны.

Горизонтальный консольно-фрезерный універсальний верстат 6Р82 предназначен для фрезерування всевозможных деталей из стали, чугуна і цветных металлов цилиндрическими, дисковыми, фасонными, угловыми, торцовыми, кінцівыми і другими фрезами в условиях индивидуального і серийного производства. Возможность налаштування верстата на различные напівавтоматические і автоматические циклы позволяет успешно использовать верстати для выполнения работ операционного характера в поточных і автоматических лініях в крупносерийном производстве.

На станке можно обрабатывать вертикальные і горизонтальные плоскости, пазы, углы, рамки, зубчасті колеса і т. д

Технологические возможности верстата могут быть расширены з применением делительной головки, поворотного круглого стола, накладной универсальной головки і других пристосувань.

Изменение направления обертання шпинделя осуществляется реверсированием електродвигуна.

Основні параметри горизонтального консольно-фрезерного верстата 6Р82:

Шпиндель фрезерного верстата 6р82 получает 19 ступеней обертання от коробки швидкостей, что обеспечивает свободный выбор швидкостей різання в диапазоне от 31,5 до 1600 об/мин.

Кінець шпинделя - конус морзе КМ50 (Ø128,570 мм) виконання 6 - по ГОСТ 24644 (Концы шпинделей і хвостовики инструментов сверлильных, расточных і фрезерных верстатів). Инструмент или оправка вставляются в шпиндель, затягиваются шомполом. Выступающий конец шомпола закрывается колпаком.

Коробка подач обеспечивает 18 ступеней подач робочого стола в продольном і поперечном направлении от 25 до 1250 мм/об і в вертикальном в диапазоне і 8,3...416,6 мм/об. Коробка подач верстата 6р82 обеспечивает, также, быстрые переміщення стола со скоростью 3 м/мин в продольном і поперечном направлении і 1 м/мин

С помощью кулачков, установленных в пазах стола можно настроить верстат на работу в автоматическом цикле, что може значительно увеличить производительность верстата в серийном производстве.

С целью поддержания верстата 6р82 в идеальном рабочем состоянии требуется регулювання нескольких вузлів требующих особого внимания:

Поворотный стол, который може поворачиваться вокруг вертикальной оси на ±45°, позволяет фрезеровать заготовки под разными углами без переустановки, что значительно повышает производительность і точность обробки.

Класс точності верстата Н по ГОСТ 8—77.

Особенностями конструкції консольно-фрезерного універсального верстата 6Р82 являются:

Технічна характеристика і высокая жесткость верстатів позволяют полностью использовать возможности как быстрорежущего, так і твердосплавного инструмента.

Для сокращения вспомогательного часу і удобства керування в верстатах предусматриваются:

Верстати автоматизированы і могут быть настроены на различные, автоматические циклы, что повышает производительность труда, исключает необходимость обслуживания верстатів рабочими високою квалификации і облегчает возможность организации многостаночного обслуживания.


Модифікації консольно-фрезерных верстатів серии 6Р

Серия 6М консольно-фрезерных верстатів - 6Р12, 6Р12Б, 6Р13, 6Р13Б, 6Р82, 6Р82Г, 6Р82ГБ, 6Р82Ш, 6Р83, 6Р83Г, 6Р83Ш, запущенна в 1961 году, включет в себя несколько модификаций:


История выпуска верстатів Горьковским заводом, ГЗФС

В 1937 году на Горьковском заводе фрезерных верстатів были изготовлены первые консольно-фрезерные верстати серии 6Б моделей 6Б12 і 6Б82 з рабочим столом 320 х 1250 мм (2-го типоразмера).

В 1951 году запущена в производство серия консольно-фрезерных верстатів собственной конструкції (Новые): 6Н12, 6Н13П, 6Н82, 6Н82Г. Верстат 6Н13ПР получил “Гран-При” на всемирной выставке в Брюсселе в 1956 году.

В 1960 году запущена в производство серия консольно-фрезерных верстатів: 6М12П, 6М13П, 6М82, 6М82Г, 6М83, 6М83Г, 6М82Ш.

В 1972 году запущена в производство серия консольно-фрезерных верстатів: 6Р12, 6Р12Б, 6Р13, 6Р13Б, 6Р13Ф3, 6Р82, 6Р82Г, 6Р82Ш, 6Р83, 6Р83Г, 6Р83Ш.

В 1975 году запущены в производство копировальные консольно-фрезерные верстати: 6Р13К.

В 1978 году запущены в производство копировальные консольно-фрезерные верстати 6Р12К-1, 6Р82К-1.

В 1985 году запущена в производство серия 6Т-1 консольно-фрезерных верстатів: 6Т12-1, 6Т13-1, 6Т82-1, 6Т83-1 і ГФ2171.

В 1991 году запущена в производство серия консольно-фрезерных верстатів: 6Т12, 6Т12Ф20, 6Т13, 6Т13Ф20, 6Т13Ф3, 6Т82, 6Т82Г, 6Т82ш, 6Т83, 6Т83Г, 6Т83Ш.






Габаритные розміри робочого простору фрезерного верстата 6Р82

6Р82 Габаритные розміри робочого простору і присоединительные базы універсального горизонтального консольно-фрезерного верстата

Габаритные розміри робочого простору фрезерного верстата 6р82


6Р82Ш Габаритные розміри робочого простору і присоединительные базы універсального горизонтального консольно-фрезерного верстата

Посадочные і присоединительные базы фрезерного верстата 6р82


Загальний вигляд горизонтального консольно-фрезерного верстата 6Р82

Загальний вигляд  6Р82 cтанок горизонтальный консольно-фрезерный

Фото горизонтального консольно-фрезерного верстата 6р82


Загальний вигляд  6Р82 cтанок горизонтальный консольно-фрезерный

Фото горизонтального консольно-фрезерного верстата 6р82


Размещение органів керування консольно-фрезерным верстатом 6Р82

Размещение органів керування консольно-фрезерным верстатом 6Р82

Размещение органів керування фрезерным верстатом 6р82

Размещение органів керування консольно-фрезерным верстатом 6Р82. Скачать в увеличенном масштабе



Список органів керування фрезерным верстатом 6Р82

  1. Рукоятка увімкнення поперечної і вертикальной подач стола (дублирующая)
  2. Переключатель ввода «включено-выключено»
  3. Переключатель насоса охлаждения «включено-выключено»
  4. Переключатель направления обертання шпинделя «влево-вправо»
  5. Маховичок ручного продольного переміщення стола
  6. Рукоятка переключения швидкостей шпинделя
  7. Кнопка «Стоп» (дублирующая)
  8. Кнопка «Пуск шпинделя» (дублирующая)
  9. Стрелка-указатель швидкостей шпинделя
  10. Указатель швидкостей шпинделя
  11. Кнопка «Быстро стол» (дублирующая}
  12. Кнопка «Импульс шпинделя»
  13. Преключатель освещения
  14. Ручное перемещение хобота
  15. Зажимы серег
  16. Звездочка механізма автоматичного цикла
  17. Рукоятка увімкнення продольных перемещений стола
  18. Зажимы стола
  19. Переключатель ручного или автоматичного керування продольным переміщенням стола
  20. Маховичок ручного продольного переміщення стола (дублирующий)
  21. Кнопка «Быстро стол»
  22. Кнопка «Пуск шпинделя»
  23. Кнопка «Стоп»
  24. Маховик ручных поперечных перемещений стола
  25. Лимб механізма поперечных перемещений стола
  26. Кольцо-нониус
  27. Рукоятка ручного вертикального переміщення стола
  28. Зажим поворотных салазок на направляючих консоли
  29. Рукоятка увімкнення поперечных і вертикальних перемещений стола
  30. Кнопка фиксации грибка переключения подач
  31. Грибок переключения подач
  32. Указатель подач стола
  33. Стрелка-указатель подач стола
  34. Рукоятка зажиму поворотных салазок на направляючих консоли
  35. Рукоятка увімкнення продольных перемещений стола (дублирующий)
  36. Переключатель автоматичного или ручного керування і роботи круглого стола
  37. Рукоятка зажиму консоли на станине
  38. Зажим хобота на станине




Кінематична схема фрезерного верстата 6Р82

Кінематична схема 6Р82 cтанок горизонтальный консольно-фрезерный

Кінематична схема фрезерного верстата 6Р82

1. Схема кінематична консольно-фрезерного верстата 6Р82. Скачать в увеличенном масштабе

2. Схема кінематична консольно-фрезерного верстата 6Р82. Скачать в увеличенном масштабе



Привід головного руху осуществляется от фланцевого електродвигуна через упругую соединительную муфту.

Числа оборотів шпинделя изменяются путем переруху трех зубчатых блоков по шлицевым валам. Коробка швидкостей позволяет сообщить шпинделю 13 различных швидкостей.

Привід подач осуществляется от фланцевого електродвигуна, смонтированного в консоли. Посредством двух трехвенцовых блоков і передвижного зубчатого колеса з кулачковой муфтой коробка подач обеспечивает получение 18 различных подач, которые через шариковую предохранительную муфту передаются в консоль і далее при включении соответствующей кулачковой муфты — к гвинтам продольного, поперечного і вертикального перемещений.

Ускоренные переміщення получаются при включении фрікциону швидкого ходу, вращение которого осуществляется через промежуточные зубчасті колеса непосредственно от електродвигуна подач.

Фрикцион сблокирован з муфтой рабочих подач, что устраняет возможность их одновременного увімкнення.

График, поясняющий структуру механізма подач верстата, приведен на рис. 5 (вертикальные подачі в три раза меньше продольных і поперечных).

Станина жестко закреплена на основании і зафиксирована штифтами.


Конструкція основних вузлів фрезерного верстата 6Р82


Хобот і серьги

Хобот і серьги могут перемещаться і закрепляться, хобот в направляючих станины, серьги — на направляючих хобота.

Расточка отверстия серьги под подшипник выполнена индивидуально для каждого верстата, поетому ПЕРЕСТАНОВКА СЕРЕГ С ОДНОГО СТАНКА НА ДРУГОЙ НЕ ДОПУСКАЕТСЯ.

Регулювання зазору в підшипниках серьги производится гайкой 4 или винтом 1 (рис. 6) по нагреву. При хорошем качестве поверхности опорной втулки оправки (1,25; 0,63) і достаточной смазке після обкатки в течение одного часа при максимальном числе оборотів избыточная температура внутренней поверхности инструментального конуса не должна превышать 55°С. Масло в подшипник поступает из ниши серьги через окно во втулке 3 і фитиль. Регулювання подачі масла осуществляется проволочкой 2.


Коробка швидкостей шпинделя

Схема установки підшибників на консольном фрезерном станке 6Р82

Схема установки підшибників на консольном фрезерном станке 6Р82

Схема установки підшибників на консольном фрезерном станке 6Р82. Скачать в увеличенном масштабе



Шпиндель консольного фрезерного верстата 6Р82

Шпиндель консольного фрезерного верстата 6Р82

Шпиндель консольного фрезерного верстата 6Р82. Скачать в увеличенном масштабе



Коробка швидкостей смонтирована непосредственно в корпусе станины. Соединение коробки з валом електродвигуна осуществляется упругой муфтой, допускающей несоосность в установці двигуна до 500—700 мкм.

Осмотр коробки швидкостей можно произвести через окно з правой стороны.

Шпиндель верстата (рис. 7) представляет собой трехопорный вал, геометрическая точность которого определяется в основном підшипниками 2 і 4. Подшипник третьей опори поддерживает хвостовик шпинделя.

Регулювання осьового люфта в шпинделе осуществляется подшлифовкой колец 9 і 10. Повышенный люфт в переднем подшипнике устраняют подшлифовкой полуколец 5 і подтягиванием гайки 1.

Регулювання проводят в следующем порядке:

Смазка коробки швидкостей осуществляется от плунжерного насоса (рис. 8), приводимого в действие ексцентриком. Производительность насоса около 2 л/мин. Масло к насосу подводится через фильтр. К переднему подшипнику шпинделя і глазку контроля роботи насоса подведены отдельные трубки. Остальные елементы коробки швидкостей смазываются разбрызгиванием масла, поступающего из отверстий трубки, расположенной над коробкой швидкостей.

Підшипники шпинделя консольно-фрезерного верстата 6р82

Шпиндель верстата 6Р82 смонтирован на 4-х підшипниках:


Технічні характеристики підшипника № 3182122

Подшипник 3182122 - ето двухрядный роликовый радиальный подшипник, з короткими цилиндрическими роликами, з безбортовым наружным кольцом, з коническим посадочным отверстием (1:12), канавкой і отверстиями для внесения смазочного материала. Комплект тел качения з внутренним кольцом способны перемещаться относительно наружного в обе стороны. Двухрядные підшипники способны обеспечивать высокую грузоподъемность і жесткость при относительно небольших габаритах. Этот типоразмер, как і большинство роликопідшибників етой серии производится в настоящее время только высокоточным, вторым или четвертым классом (ранее выпускался і 6-ым классом точності), поскольку основная область применения — прецизионные верстати, при работе которых недопустимо высокое биение, возникающее вследствие даже небольших отклонений от заданных размеров.

Издавна выпуск етого типа осуществлялся на старейшем заводе страны, московском ГПЗ-1, но в післяднее время, по общей тенденции переноса производства его номенклаутры в другие города, выпуск вироби осуществляется на Волжском підшибниківом заводе (15 ГПЗ), а точнее в так называемом филиале завода авиационных підшибників (ВФ ЗАП). Купить підшипники з минимальными наценками і гарантией качества можно у официальных представителей ЕПК, которая владеет всеми вышеназванными заводами. Ориентировочная цена — около 7200 рублей, причем класс точності на нее почти не влияет. Широко распространена продажа контрафактных підшибників етого типа і неликвидной продукции, выпущенной еще во времена Союза.

Импортные підшипники етого типоразмера имеют обозначение NN3022K (наличие буквы К в номере обязательно, так как она указывает на коническую посадку). В России наиболее распространена продукция следующих производителей — FAG, SKF, NACHI, IBC. Также, как і отечественные, импортные підшипники етого типа часто реализуются неликвидного качества. Чаще всего ето продукция восточно-европейских производителей — ZKL (Чехия), URB (Румыния) і FLT (Польша), експортированная еще во времена СССР. Качественные підшипники импортного производства високою ценовой категории (FAG, SKF) стоят около 540 евро, средней (NACHI) — 350 евро при покупке у представителей брендов или прямых експортеров из Европы.

Розміри і характеристики підшипника 3182122

Схема підшипника 3182122

Схема підшипника 3182122


Фото підшипника 3182122

Фото підшипника 3182122



Коробка переключения швидкостей

Коробка переключения швидкостей позволяет выбирать требуемую скорость без послідовного прохождения промежуточных ступеней.

Рейка 1 (рис. 9), передвигаемая рукояткой переключателя 5, посредством сектора 2 через вилку 10 (рис. 10) перемещает в осевом направлении главный валик 3 з диском переключения 9. Диск переключения поворачивается указателем швидкостей 11 через конические шестерни 2 і 4. Диск имеет несколько рядов отверстий определенного размера, расположенных против штифтов реек 5 і 7, зацепляющихся попарно з зубчатым колесом 6. На одной из каждой пары реек крепится вилка переключения. При перемещении диска нажимом на штифт одной из пары обеспечивается возвратно-поступательное перемещение реек. При етом вилки в кінці ходу диска занимают положение, соответствующее зацеплению определенных пар шестерен. Для исключения возможности жесткого упора шестерен при переключении штифты 8 реек подпружинены.

Фиксация лимба при выборе скорости обеспечивается шариком 1, заскакивающим в пазы звездочки 12.

Регулювання пружины 13 производится пробкой 14 з учетом четкой фиксации лимба і нормального зусилля при его повороте.

Рукоятка 5 (см. рис. 9) во включенном положении удерживается за счет пружины 4 і шарика 3. При етом шип рукоятки входит в паз фланца.

Соответствие швидкостей значениям, отмеченным на указателе, достигается определенным положением конических шестерен 2 і 4 (см. рис. 10) по зацеплению. Правильное зацепление устанавливается по кернам на торцах сопряженного зуба і впадины или при установці указателя в положение скорости 31,5 об/мин і диска з вилками в положение скорости 31,5 об/мин.

Зазор в зацеплении конической пары не должен быть больше 0,2 мм, так как диск за счет етого може повернуться до I мм.

Смазка коробки переключения осуществляется от системы змазки коробки швидкостей разбрызгиванием масла, поступающего из трубки в верхней частини станины. Отсутствие масляного дождя може вызвать недопустимый нагрев щечек вилок переключения і привести к заеданию вилок, их деформации или поломке.

Плоскость разъема уплотняется прокладкой или бензиноупорной смазкой БУ, ГОСТ 7171—63.


Коробка подач

Коробка подач - унифицированный узел для всей серии верстатів 6Р (6р12, 6р13, 6р82, 6р83, 6р82ш, 6р83ш).

Коробка подач обеспечивает получение рабочих подач і быстрых перемещений стола, салазок і консоли (кинематику коробки подач см. на рис. 3).

Получаемые і результате переключения блоков скорости обертання передаются на выходной вал через шариковую предохранительную муфту, кулачковую муфту і втулку, соединенную шпонкой з кулачковом муфтой і выходным валом.

Коробка подач фрезерного верстата 6Р82

Коробка подач фрезерного верстата 6Р82

Коробка подач фрезерного верстата 6Р82. Дивитись у збільшеному масштабі



Коробка подач фрезерного верстата 6Р82

Коробка подач фрезерного верстата 6Р82

Коробка подач фрезерного верстата 6Р82. Дивитись у збільшеному масштабі



Коробка подач фрезерного верстата 6Р82

Коробка подач фрезерного верстата 6Р82

Коробка подач фрезерного верстата 6Р82. Дивитись у збільшеному масштабі



Рух подачі производится от електродвигуна М2 (N = 2,2 кВт; п — 1430 об/мин). Коробка подач верстата позволяет осуществлять механическое перемещение стола в трех направлениях:

  1. продольном направлении (перпендикулярно оси шпинделя)
  2. поперечном направлении (параллельно оси шпинделя)
  3. вертикальном

Специальные блокировочные пристроя обеспечивают невозможность одновременного увімкнення нескольких движений.

Восемнадцать продольных подач осуществляются по схеме:

Електродвигун М2, → постоянная передача (26/50)(26/57), → тройной передвижной блок (18/36; 27/27; 36/18), → второй тройной блок (18/40; 21/37; 24/34), → вал X.

С вала X рух може передаваться либо на вал XI, либо непосредственно через колеса 40/40 (муфта М2 включена), либо через перебор (13/45)(18/40(40/40) (муфта М2 выключена).

Далее рух передається по схеме: вал XI, → передача 28/35, → вал XII, → передачи (18/33)(33/37)(18/16)(18/18), → ходовой винт з шагом 6 мм.

Поперечные і вертикальные переміщення стола осуществляются аналогичным путем двумя другими ходовыми гвинтами.

Уравнения кинематических ланцюгів для максимального і минимального значений поздовжньої подачі:


Smax = 1430·(26/50)·(26/57)·(36/18)·(24/34)·(40/40)·(28/35)·(18/33)·(33/37)·(18/16)·(18/18)·6 = 1250 мм/мин;


Smin = 1430·(26/50)·(26/57)·(18/36)·(18/40)·(13/45)·(18/40)·(40/40)·(28/35)·(18/33)·(33/37)·(18/16)·(18/18)·6 = 25 мм/мин;


Быстрое перемещение стола во всех трех направлениях осуществляется от того же електродвигуна без коробки подач, непосредственно через зубчатую передачу (25/50)(50/67)(67/33) фрикционную муфту М4 на валу XI і далее по кинематическим цепям рабочих подач. Кулачковая муфта M3 в етом случае выключена, а фрикционная муфта М4 включена.

Муфты вала коробки подач фрезерного верстата 6р82

Муфты вала коробки подач фрезерного верстата 6р82


На рис. 12.6 показаны муфты післяднего вала XI коробки подач верстата. Слева на валу находится шариковая предохранительная муфта 1 з зубчатым венцом (z = 40). Рабочая подача осуществляется при включении кулачковой муфты 7 в крайнее левое положение, когда її кулачки сцепляются з кулачками предохранительной шариковой муфты. В етом случае рух от зубчатого колеса 8 (z — 40) передається на зубчатый венец предохранительной муфты і далее на кулачковую муфту 7, которая установлена на валу XI на скользящей шпонке.

При передвижении муфты 7 вправо її кулачки разъединяются з кулачками предохранительной муфты, і рабочая подача прекращается. При дальнейшем перемещении вправо муфта 7 включает фрикционную муфту 6, і вал XI получает быстрое вращение от колеса 5 (z = 67) через зубчатое колесо 4 (z = 33), корпус 3 фрикционной муфты і сжатые фрикционные диски 2.

Механізм переключения подач фрезерного верстата 6р82

Механізм переключения подач фрезерного верстата 6р82


Коробка подач имеет однорукояточное селективное керування (рис. 12.7). Переключення подач осуществляется передвижением зубчатых блоков или окремих зубчатых колес з помощью вилок, закрепленных на соответствующих рейках. Рейки получают продольное перемещение от двух дисков з отверстиями, закрепленных на одной оси з рукояткой переключения. Рейки, перемещающие блоки, могут занимать три различных положения относительно дисков.

Схема роботи механізма переключения подач верстата 6р82

Схема роботи механізма переключения подач верстата 6р82


На рис. 12.8 показана схема роботи етого механізма на примере переключения тройного блока зубчатых колес. В положении I рейка 1 упирается в диск 3, а рейка 2 проходит через отверстия обоих дисков 3 і 4. В положении II обе рейки входят в отверстия диска 3. Положение III является обратным относительно положения I. Между рейками имеется зубчатое колесо 5, которое обеспечивает согласованное рух реек.

Для установки требуемой Подачи рукоятку переключения з дисками сначала выдвигают из коробки подач, затем поворачивают вправо или влево вокруг оси в требуемое положение до совпадения выбираемой подачі на лимбе рукоятки со стрелкой-указателем на корпусе коробки подач. После етого рукоятку вдвигают обратно и, толкая выступающие концы реек дисками, перемещают рейки, а значит, і включаемые зубчасті колеса в положения, обеспечивающие выбранную подачу.

Верстат автоматизирован; може быть осуществлена наладка на наступні циклы роботи (руху стола):

Автоматизация рабочих і установочных движений стола осуществляется з помощью механізма автоматичного цикла, расположенного в салазках, і кулачков, набор которых прилагается к верстату. Кулачки, установленные в соответствии з выбранным циклом на столе, при его перемещении в нужные моменты поворачивают звездочку, посаженную на оси рукоятки увімкнення продольного ходу. Эти руху звездочки передаются механізму автоматичного цикла, который осуществляет автоматическое переключение з ускоренного ходу на рабочую подачу і обратно.





Електроустаткування верстата 6Р82

Схема електрична фрезерного верстата 6Р82

Схема електрична 6Р82 cтанок горизонтальный консольно-фрезерный

Електрична схема горизонтального консольно-фрезерного верстата 6Р82

Схема електрична принципова консольно-фрезерного верстата 6Р82. Скачать в увеличенном масштабе


Примечания


Питающая сеть: Напряжение 380 В, род тока переменный, частота 50 Гц

Ланцюги керування: Напряжение 110 В, род тока переменный

Ланцюги керування: Напряжение 65 В, род тока постоянный

Местное освещение: напряжение 24 В.

Номинальный ток (сумма номинальных токов одновременно работающих електродвигателей) 20 А.

Номинальный ток защитного аппарата (предохранителей, автоматичного выключателя) в пункте живлення електроенергией 63 А.

Електроустаткування выполнено по следующим документам: принципиальной схеме 6Р13.8.000Э3. схеме соединения вироби Р13.8.000Э4.


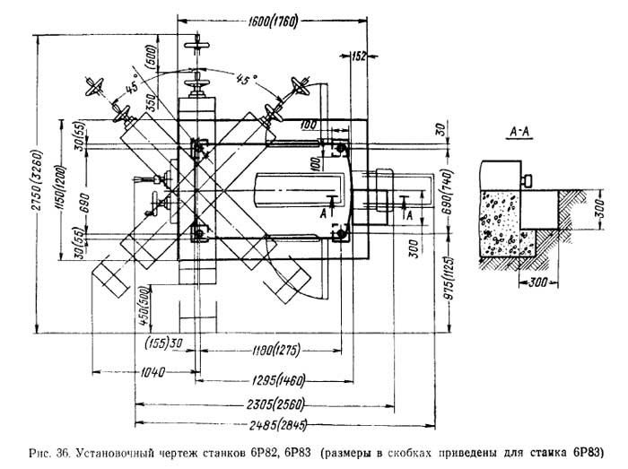
Настановне креслення фрезерного верстата 6Р82

6Р82 Настановне креслення cтанок горизонтальный консольно-фрезерный

Настановне креслення фрезерного верстата 6Р82


Пределы использования верстата по мощности і силовым нагрузкам

При работе на числах оборотів шпинделя выше 63 об/мин пределы использования приводу головного руху верстатів ограничиваются номинальной мощностью установленного електродвигуна.

Наибольшее усилие різання, допускаемое механізмом подачі соответственно для поздовжньої, поперечної і вертикальной подач, составляет: для верстатів 6Р82 і 6Р82Г — 1500, 1200, 500 кгс; для верстатів 6Р83 і 6Р83Г — 2000, 1200, 800 кгс.

Наибольший допустимый диаметр фрез при черновой обработке составляет: для верстатів 6Р82, 6Р82Г — 160 мм; для верстатів 6Р83 — 200 мм.

В случае возникновения признаков вибрации при некоторых параметрах режима різання рекомендуется увеличить подачу на зуб или применить фрезы з неравномерным шагом.

При работе на низких числах оборотів шпинделя (n < 63 об/мин) лимитирующим фактором является прочность приводу головного руху. В етих случаях рекомендуется работать з ограничением его мощности.

Наименование параметра 6Р82 6Р82Г 6Р83 6Р83Г
Диаметр фрезы, мм 100 100 100 100
Число зубьев 8 8 8 8
Ширина фрезерування, мм 100 100 150 150
Глубина фрезерування, мм 12 12 10 10
Число оборотів в минуту, об/мин 50 50 50 50
Продольная подача по лимбу, мм/мин 125 125 125 125

График і состав ремонтно-профилактических работ

При работе верстата в условиях нормальной експлуатации і соблюдения всех правил експлуатации і обслуживания, указанных в настоящем руководстве, межремонтный цикл (срок службы до капитального ремонта при двухсменной работе) составляет при обработке стали (преимущественно) не менее 9 лет, а чугуна — не менее 8 лет.

Ремонтно-профилактические роботи рекомендуется проводить согласно графику ремонтных работ (рис. 39).

Осмотр верстата

  1. Наружный осмотр верстата(без разборки для выявления дефектов) состояния і роботи верстата в целом ипо вузлам;
  2. Осмотр і проверка состояния механізмов приводу головного руху і подач;
  3. Регулювання зазоров ходовых винтов стола;
  4. Регулювання підшибників шпинделя;
  5. Проверка роботи механізмов переключения швидкостей і подач;
  6. Регулювання механізмів увімкнення кулачковых муфт і подач і фрикционной муфты ускоренного ходу;
  7. Регулювання клиньєв стола, салазок, консоли і хобота;
  8. Осмотр направляючих, зачистка забоин і задиров;
  9. Подтяжка ослабевших крепежных деталей;
  10. Проверка исправности дії ограничительных кулачков;
  11. Проверка состояния і мелкий ремонт систем охлаждения і змазки;
  12. Проверка состояния і ремонт оградительных устройств;
  13. Выявление деталей, требующих замены при ближайшем ремонтi (начиная со второго малого ремонта);

Малый ремонт верстата

  1. Частичная разборка вузлів;
  2. Промывка всех вузлів;
  3. Регулювання или замена підшибників качения;
  4. Зачистка заусениц і забоин на зубьях шестерен, сухарях і вилках переключения;
  5. Замена і добавление фрикционных дисков муфты ускоренного ходу (начиная со второго ремонта);
  6. Пришабривание і зачистка клиньєв і планок;
  7. Зачистка ходовых винтов і замена изношенных гаек;
  8. Зачистка забоин і задиров направляючих і рабочей поверхности стола;
  9. Замена изношенных і сломанных крепежных деталей
  10. Проверка і регулювання механізмов увімкнення швидкостей і подач;
  11. Ремонт систем змазки і охлаждения;
  12. Испытание верстата на холостом ходу, проверка на шум, нагрев і точность по обрабатываемой детали.

Средний ремонт верстата

  1. Узловая разборка верстата;
  2. Промывка всех вузлів;
  3. Осмотр деталей разобранных вузлів;
  4. Cкладление дефектов ведомости;
  5. Регулювання или замена підшибників шпинделя;
  6. Замена или восстановление шлицевых валов;
  7. Замена изношенных втулок і підшибників;
  8. Замена дисков і деталей фиксатора фрикционной муфты ускоренного ходу;
  9. Замена изношенных зубчатых колес;
  10. Восстановление или замена изношенных ходовых винтов і гаек;
  11. Пришабривание или замена регулировочных клиньєв;
  12. Ремонт насосов і арматуры систем змазки і охлаждения;
  13. Исправление шабрением или шлифованием поверхностей направляючих, если их износ превышает допустимый;
  14. Окраска наружных поверхностей верстата;
  15. Обкатка верстата на холостом ходу (на всех скоростях і подачах) з проверкой на шум і нагрев;
  16. Проверка верстата на точность і жесткость по ГОСТ 17734—72.

Капитальный ремонт верстата

Капитальный ремонт производится з полной разборкой всех вузлів верстата, по результатам которой в обязательном порядке составляется дефектно-сметная ведомость. В результате ремонта должны быть восстановлены или заменены все изношенные вузли і детали верстата, а также восстановлена его первоначальная точность, жесткость і мощность. Характер і объем работ при данном виде ремонта определяются для конкретных условий експлуатации единой системой планово-предупредительного ремонта.





6Р82 Верстат консольно-фрезерный горизонтальный з поворотным столом - універсальний. Відеоролик.




Технічні характеристики верстатів моделей 6Р82

Наименование параметра 6Р82 6Р82Г 6Р83 6Р83Г
Класс точності по ГОСТ 8-82 Н Н Н Н
Рабочий стол
Максимальная нагрузка на стол (по центру), кг 250 250 300 300
Розміри рабочей поверхности стола (длина х ширина), мм 1250 х 320 1250 х 320 1600 х 400 1600 х 400
Число Т-образных пазов Розміри Т-образных пазов 3 3 3 3
Наибольшее перемещение стола продольное механическое/ ручное, мм 800/ 800 800/ 800 1000/ 1000 1000/ 1000
Наибольшее перемещение стола поперечное механическое/ ручное, мм 240/ 250 240/ 250 300/ 320 300/ 320
Наибольшее перемещение стола вертикальное механическое/ ручное, мм 360/ 370 410/ 420 340/ 350 410/ 420
Наименьшее і наибольшее расстояние от оси шпинделя до стола при ручном перемещении, мм
* При ручном перемещении і снятом нижнем ограничительном кулачке
30...400* 30...450* 30...380* 30...450*
Расстояние от оси шпинделя до хобота, мм 155 155 190 190
Наибольший угол поворота стола, град ±45 нет ±45 нет
Цена одного деления шкалы поворота стола, град 1 нет 1 нет
Перемещение стола на одно деление лимба (продольное, поперечное, вертикальное), мм 0,05 0,05 0,05 0,05
Перемещение стола на один оборот лимба продольное і поперечное, мм 6 6 6 6
Перемещение стола на один оборот лимба вертикальное, мм 2 2 2 2
Шпиндель
Частота обертання шпинделя, об/мин 31,5 - 1600 31,5 - 1600 31,5 - 1600 31,5 - 1600
Количество швидкостей шпинделя 18 18 18 18
Наибольший крутящий момент, кгс.м 107 107 143 143
Ескіз кінця шпинделя ГОСТ 836-72 ГОСТ 836-72 ГОСТ 836-72 ГОСТ 836-72
Конус шпинделя 50 50 50 50
Механіка верстата
Быстрый ход стола продольный і поперечний, м/мин 3/ 3/ 1 3/ 3/ 1 3/ 3/ 1 3/ 3/ 1
Число ступеней рабочих подач стола 18 18 18 18
Пределы рабочих подач. Продольных і поперечных, мм/мин 25...1250 25...1250 25...1250 25...1250
Пределы рабочих подач. Вертикальных, мм/мин 8,3...416,6 8,3...416,6 8,3...416,6 8,3...416,6
Выключающие упоры подачі (поздовжньої, поперечної, вертикальной) есть есть есть есть
Блокировка ручной і механической подачі (поздовжньої, поперечної, вертикальной) есть есть есть есть
Блокировка раздельного увімкнення подачі есть есть есть есть
Автоматическая прерывистая подача Продольная есть есть есть есть
Автоматическая прерывистая подача Поперечная і вертикальная нет нет нет нет
Торможение шпинделя есть есть есть есть
Предохранение от перегрузки (муфта) есть есть есть есть
Привод
Електродвигун приводу головного руху Тип 4А132М4УЗ 4А132М4УЗ 4А132М4УЗ 4А132М4УЗ
Електродвигун приводу головного руху Число оборотів в минуту, об/мин 1460 1460 1460 1460
Електродвигун приводу головного руху Мощность, кВт 7,5 7,5 11 11
Електродвигун приводу подач Тип 4А90L4УЗ 4А90L4УЗ 4А90L4УЗ 4А90L4УЗ
Електродвигун приводу подач Число оборотів в минуту, об/мин 1430 1430 1430 1430
Електродвигун приводу подач Мощность, кВт 2.2 2,2 3.0 3.0
Электронасос охлаждающей жидкости Тип ПА-22У2 ПА-22У2 ПА-22У2 ПА-22У2
Электронасос охлаждающей жидкости Число оборотів в минуту, об/мин 2800 2800 2800 2800
Электронасос охлаждающей жидкости Мощность, кВт 0,12 0,12 0,12 0,12
Производительность насоса СОЖ, л/мин 22 22 22 22
Габарити і масса верстата
Габарити верстата (длина х ширина х высота), мм 2305 х 1950 х 1670 2305 х 1950 х 1670 2560 х 2260 х 1770 2560 х 2260 х 1770
Масса верстата, кг 2900 2830 3800 3700

Примечания

  1. Полную величину указанных в паспорте ходов можно использовать только при отсутствии деталей і устройств, ограничивающих перемещение стола, салазок или консоли, например:
  2. Во всех случаях использования полных паспортных ходов з механической подачей необходимо проверить возможность роботи на холостом ходу і при обработке внимательно наблюдать за работой верстата.
  3. В связи з наличием перебегов перемещаемых вузлів по инерции фактическая величина механических ходов уменьшена на величину 10—20 мм, в соответствии з чем привернуты ограничительные кулачки.
  4. Поворот стола до 45° у верстата 6Р83 обеспечивается при сдвинутых в крайнее переднее положение салазках, а у верстата 6Р82 — еще і при снятом заднем кулачке ограничения поперечного ходу.
  5. Приведенные габаритные розміри верстатів характеризуют «упаковочные» или наибольшие их розміри при условии установки перемещающихся вузлів в среднее положение.
  6. Если частота тока в сети живлення верстатів равна 60 Гц, то число оборотів електродвигателей равно: головного руху — 1750 приводу подач — 1730 насоса охлаждения — 3360.



    Список литературы:

  1. Консольно-фрезерные верстати 6Р82, 6Р82Г, 6Р83, 6Р83Г. Руководство по експлуатации,
  2. Консольно-фрезерные верстати 6Р82, 6Р83, 6Р82Г, 6Р83Г, 6Р82Ш, 6Р83Ш, 6Р12, 6Р13, 6Р12Б, 6Р13Б. Руководство по експлуатации електроустаткування 6Р82.ЭО.000 РЭ1,

  3. Аврутин С.В. Основы фрезерного дела, 1962
  4. Аврутин С.В. Фрезерне дело, 1963
  5. Ачеркан Н.С. Металлорежущие верстати, Том 1, 1965
  6. Барбашов Ф.А. Фрезерне дело 1973, с.141
  7. Барбашов Ф.А. Фрезерные роботи (Профтехобразование), 1986
  8. Блюмберг В.А. Справочник фрезеровщика, 1984
  9. Григорьев С.П. Практика координатно-расточных і фрезерных работ, 1980
  10. Копылов Р.Б. Работа на фрезерных верстатах,1971
  11. Косовский В.Л. Справочник молодого фрезеровщика, 1992, с.180
  12. Кувшинский В.В. Фрезерование,1977
  13. Ничков А.Г. Фрезерные верстати (Библиотека станочника), 1977
  14. Пикус М.Ю. Справочник слесаря по ремонту металлорежущих верстатів, 1987
  15. Плотицын В.Г. Расчёты настроек і наладок фрезерных верстатів, 1969
  16. Плотицын В.Г. Наладка фрезерных верстатів,1975
  17. Рябов С.А. Современные фрезерные верстати і их оснастка, 2006
  18. Схиртладзе А.Г., Новиков В.Ю. Технологическое обладнання машиностроительных производств, 1980
  19. Тепинкичиев В.К. Металлорежущие верстати, 1973
  20. Чернов Н.Н. Металлорежущие верстати, 1988
  21. Френкель С.Ш. Справочник молодого фрезеровщика (3-е изд.) (Профтехобразование), 1978