metalinstryment.com
Довідник по металорізальних верстатів та пресовому обладнанні

5350А Верстат шлицефрезерный горизонтальный напівавтомат
схеми, опис, характеристики

5350А Загальний вигляд  зубофрезерного верстата







Відомості про виробника шлицефрезерного напівавтомату 5350А

Производитель горизонтального шлицефрезерного напівавтомату 5350А - Средневолжский станкостроительный завод, СВСЗ, основанный в 1876 году.

Верстат запущен в производство в 1969 году. В 1983 году верстат снят з производства і был заменен более совершенной моделью 5А352.

Производство шлицефрезерных верстатів в дальнейшем было передано на Витебский станкостроительный завод им. Коминтерна (Вистан).





Верстати производства Средневолжского станкостроительного завода, СВСЗ, г. Самара


5350А Верстат горизонтальный шлицефрезерный напівавтомат. Назначение і область применения

Шлицефрезерный верстат 5350А предназначен для фрезерування на валах прямых прямобочных і евольвентных шлицев, а также зубьев шестерен, выполненных заодно з валом.

Фрезерование шлицев і зубьев шестерен производится червячной шлицевой фрезой по методу обкатывания, аналогично нарезанию зубьев на зубофрезерных верстатах.


Автоматический цикл шлицефрезерного верстата 5350А

Автоматический цикл шлицефрезерного верстата 5350А


Фрезе сообщается вращательное рух і рух подачі (перемещение вдоль оси обрабатываемого вироби), а обрабатываемому изделию — только вращательное движение, согласованное з вращением фрезы.

Горизонтальный шлицефрезерный верстат 5350А работает по следующему автоматическому циклу, показанному на рисунке.

Фрезерование може производиться при движении каретки з фрезой на заднюю бабку или от задньої бабки, против подачі или по направлению подачі.

Все руху фрезы і обрабатываемого вироби, необходимые для фрезерування шлиц, выполняются автоматически.

Подвод фрезы к изделию і увімкнення рабочей подачі в начале цикла, а также отвод фрезы от вироби і вимкнення рабочей подачі в кінці цикла осуществляется з помощью гідравлики.

Ускоренное перемещение каретки з фрезой для возврата в исходное положение після окончания фрезерування осуществляется з помощью отдельного електродвигуна.

Перемещение пиноли задньої бабки осуществляется з помощью гідравлики путем поворота крана керування вручную.


Опис конструкції верстата 5350А. В направляючих станины перемещается фрезерна бабка, которую можно закреплять в необходимом положении соответственно размерам детали. Фрезерная бабка несет шпиндель червячной фрезы. Она може поворачиваться в вертикальной плоскости для соответствующей установки оси червячной фрезы относительно оси детали на угол подъема винтовой линии фрезы. Фрезерная бабка перемещается относительно детали вдоль її оси (в зависимости от длины детали) і перпендикулярно к ней (в зависимости от диаметра детали).

Обрабатываемую деталь устанавливают в центрах делительной і задньої бабки і приводится во вращение з помощью хомутика.


Схеми фрезерування шлицев по методу обката

Схеми фрезерування шлицев по методу обката


В процессе огибания профиль специальной червячной фрезы образует боковые стороны шлицев і «усики», применяемые при центрировании шлицевого соединения по внутреннему диаметру (рис. 134,а). На рис. 134,6 изображен профиль шлицевой фрезы, когда центрирование происходит по наружному диаметру. Для получения заданного профиля шлицевого вала необходимо, как і при зубофрезеровании, главное рух — вращение червячной фрезы і рух обката — перемещение фрезы вдоль заготовки.

По специальному заказу верстат може выпускаться з расстоянием между центрами:

Верстат 5350А обеспечивает разность соседних шагов шлиц 0,02 мм і чистоту поверхностей боковых сторон шлиц не ниже 5 класса.

Класс точності верстата Н.


5350А Габарити робочого простору шлицефрезерного напівавтомату

5350А Верстат шлицефрезерный. Габарити робочого простору

Габаритные розміри робочого простору верстата 5350а


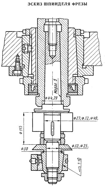
Посадочные і присоединительные базы инструмента верстата 5350А.
Ескіз шпинделя фрезы

5350А Посадочные і присоединительные базы шлицефрезерного напівавтомату 5350А. Ескіз шпинделя фрезы

Ескіз шпинделя фрезы верстата 5350а


5350А Посадочные і присоединительные базы шлицефрезерного напівавтомату 5350А. Ескіз шпинделя заготовки

Ескіз шпинделя заготовки верстата 5350а


5350А Загальний вигляд шлицефрезерного верстата-напівавтомату

5350А напівавтомат шлицефрезерный. Загальний вигляд

Фото шлицефрезерного верстата 5350а


5350А Розташування органів керування шлицефрезерным напівавтоматом

5350А Розташування органів керування шлицефрезерным напівавтоматом 5350А

Розташування органів керування шлицефрезерным верстатом 5350а

Розташування органів керування шлицефрезерным напівавтоматом 5350А. Дивитись у збільшеному масштабі


5350А Специфікація органів керування шлицефрезерным напівавтоматом

  1. Вводный выключатель
  2. Переключатели режима работ
  3. Реверс головного двигуна
  4. Изменение направления швидкого руху каретки
  5. Кнопка "Пуск" гідронасоса
  6. Кнопка "Стоп" гідронасоса
  7. Выключатель "Освещение"
  8. Выключатель "Охлаждение"
  9. Квадрат ручного переміщення каретки вдоль направляючих
  10. Упоры, передвижные налаштування на место і длину фрезерування
  11. Рукоятка выбора люфта в механізме подачі при фрезеровании
  12. Квадрат установки фрезы на глубину фрезерування
  13. Кран увімкнення в цикл поджима приводу к каретке
  14. Квадрат зажиму поворотной частини механізма механізма установки
  15. Квадрат установки фрезерной головки на угол спирали фрезы
  16. Квадрат осьового переміщення фрезы
  17. Квадрат зажиму фрезерного шпинделя
  18. Квадрат крепления оправки
  19. Выключатель зажим в цанге
  20. Кнопка "Пуск" напівавтомату
  21. Кнопка "Стоп" напівавтомату
  22. Кнопка швидкого наладочного переміщення каретки влево
  23. Кнопка швидкого наладочного переміщення каретки вправо
  24. Квадрат поворота фрезерного шпинделя для установки фрезы
  25. Квадрат переміщення задньої бабки вдоль станины
  26. Квадрат установки задньої бабки
  27. Гайка крепления задньої бабки к станине
  28. Рукоятка переміщення пиноли задньої бабки
  29. Рукоятка чистки фильтра
  30. Рукоятка увімкнення манометра




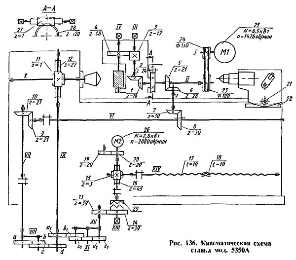
Схема кінематична шлицефрезерного верстата 5350А

Схема кінематична шлицефрезерного верстата 5350А

Кінематична схема шлицефрезерного верстата 5350а

1. Схема кінематична шлицефрезерного верстата 5350А. Дивитись у збільшеному масштабі

2. Схема кінематична шлицефрезерного верстата 5350А. Дивитись у збільшеному масштабі



Короткий опис кінематичної схеми верстата 5350А

Кінематична схема шлицефрезерного верстата, имеет три основні ланцюги:

  1. главное движение
  2. рух обката
  3. рух подач

Ланцюг головного руху - електродвигатель 25, клиноременная передача со сменными шкивами 24 і 23 і передачи 1—2, 3—4. Ланцюг деления связывает фрезерный шпиндель IV со шпинделем вироби X передачами 4—3, 2—1, 5—6, 7—8, 9—10, сменными колесами гітари деления а—b і с—d і червячной передачей 11—12. Ланцюг подач (связывает шпиндель вироби з винтовой парой 17-18) - червячная передача 12-11, сменные колеса подач a1-b1 і с1 -d1, цилиндрическая передача 13-14 і червячная пара 15—16. Быстрое вращение ходовой винт получает от електродвигуна 26 швидкого ходу через червячную передачу 15 — 16 при выключенной муфте 29. Вручную ходовой винт вращают через передачу 19-20 і 15—6. В процессе фрезерування детали сообщается только вращательное рух обката, осевая подача на станке осуществляется поступательным движением вращающегося инструмента.

Установка на глубину фрезерування производится переміщенням инструмента вручную. Червячная передача 27—28 служит для поворота фрезерной головки на угол спирали инструмента, реечный механізм 21—22 — для переміщення задньої бабки.

Ланцюг головного руху настраивается обычным способом. Формула налаштування ланцюги:

D24/D23 = nф/Cv

где Cv = 232 — постоянная ланцюги.

Направление обертання фрезы меняется реверсом головного електродвигуна.

При установці сменных колес подачі і деления в первую очередь устанавливают колеса подач. Величина подачі выбирается по таблицам режимов різання в зависимости от высоты і ширины шлица, обрабатываемого материала, вида обробки і конструкції инструмента. Если выбранная подача не совпадает з табличной, то необходимо подобрать ближайшую.





Последовательность налагодження і подготовка верстата

Наладка шлицефрезерного верстата включает в себя ряд операций, выполняемых в определенной післядовательности. Прежде всего необходимо ознакомиться з картой налагодження і технологическим процессом обробки детали. Убедившись в наличии необходимого количества заготовок, инструмента і оправок для его установки, приступают к внешнему осмотру верстата.

На примере шлицефрезерного верстата 5350 (рис. 210) рассмотрим процесс налагодження по операциям.

Органы керування шлицефрезерного верстата 5350А

Органы керування шлицефрезерного верстата 5350А

Органы керування шлицефрезерного верстата 5350А. Дивитись у збільшеному масштабі



При осмотре верстата в первую очередь проверяют состояние внешней електропроводки, в особливості проводов, подводящих ток к електродвигунам. Провода не должны мати видимых повреждений. Верстат обязательно должен быть заземлен.

Далее следует обратить внимание на наличие масла в глазках маслоуказателей:

Теперь можно включить в работу гідросистему

Насос гідравлики включается і выключается кнопками з пульта керування 24. Перед началом роботи рекомендуется несколько раз повернуть рукоятку фильтра 20 для очистки его пластин. При работающем гідронасосе поворотом рукоятки 17 в одну і другую сторону проверяют перемещение пиноли задньої бабки. Внешний осмотр верстата заканчивают, проверяя отсутствие посторонних предметов в зоне обробки.

Убедившись в исправности верстата, приступают к налаштуванні его рабочих органів в такой післядовательности: установка частоти обертання фрезы; налаштування гітари подачі; налаштування гітари деления; установка инструмента; установка угла наклона фрезерной головки; установка заготовки; установка глубины фрезерування; установка упоров длины фрезерування.

Рассмотрим наладку верстата, когда требуется окончательно нарезать шлицы размером 6 х 26 x 30 мм на валике з посадкой по наружному диаметру. Материал заготовки — сталь марки 45.


Наладка вузлів верстата

Установка частоти обертання фрезы. Частота обертання фрезы определяется выбранной скоростью різання. Практикой установлено, что для чернового нарізання шлицев под післядующее шлифование скорость різання може находиться в пределах 15...40 м/мин, а при чистовом нарезании — 10... 35 м/мин.

Предварительно выбираем скорость різання v = 35 м/мин і рассчитываем частоту обертання фрезы nФ (об/мин) при диаметре її Dе = l00 мм:

nфр = (1000 · v)/ π · De = (1000 · 35)/ 3,14 · 100 = 111

По имеющемуся на станке набору сменных шкивов і таблице швидкостей устанавливаем, что шкивами диаметра D1 = 126 мм і D2 = 285 мм можно получить частоту обертання шпинделя фрезы, равную n = 100 об/мин (т. е. близкую к расчетной). При етом скорость різання будет мати значение:

v = (π · De · nфр)/1000 = (3,14 · 100 · 100)/ 1000 = 31,4

что соответствует рекомендуемым величинам.

После установки шкивов на вал головного електродвигуна і приводной вал фрезерной головки, расположенных з задньої стороны стенки, надевают на шкивы ремни і подтягивают их, вращая квадрат 5. Ремни натягивают поднятием плиты, на которой укреплен електродвигатель.

Настройку гітари подачі необходимо осуществлять раньше налаштування гітари деления, которая перекрывает первую гітару. Обе гітари располагаются под крышкой 2, з внутренней стороны которой помещены таблица і схема налаштування.

Схема установки гітари шлицефрезерного верстата 5350А

Схема установки гітари шлицефрезерного верстата 5350А

На рис. 211 приведена схема установки зубчатых колес гітари подач в соответствии з формулой налаштування

K/L • M/N = s/8

где К, L, М, N — числа зубьев сменных зубчатых колес; s — подача, мм/об; 8 — постоянный коеффициент.

Таблиця настроек содержит 12 значений подачі в пределах 0,63... 5,0 мм/об.

Значение подачі, приведенное в технологических картах, выбирается по таблицам режимов різання в зависимости от числа і высоты шлица, а также от допуска на толщину шлицев. Для рассматриваемого случая (число шлицев 6, высота 2 мм, допуск на толщину шлицев при чистовом их нарезании 0,03... 0,04 мм) подача должна быть 1,2 мм/об.

В таблице налаштування подачі указана подача s = 1,25 мм/об, которую обеспечивает набор сменных зубчатых колес

K/L • M/N = 30/80 • 40/96

Сменные зубчасті колеса следует устанавливать так, чтобы при окончательном закреплении поворотных кронштейнов, между зубьями был зазор 0,1... 0,15 мм.

В приведенной налаштуванні подачі фреза в рабочем цикле будет перемещаться от задньої бабки к делительной коробке. Если требуется изменить направление подачі, то между сменными зубчатыми колесами М і N устанавливают промежуточное колесо Р з числом зубьев 80 или 96, в зависимости от величины настраиваемой подачі (см. рис. 209). В рассматриваемом случае для подачі s = 125 мм/об устанавливают зубчатое колесо з z = 80.

Сменные зубчасті колеса гітари деления устанавливают на концы валов, расположенные под крышкой 2 (см. рис. 210), причем післяднее зубчатое колесо — на тот же вал, на котором уже установлено зубчатое колесо гітари подачі. Формула налаштування гітари деления:

A/B • C/D = (6 • K)/ z

где А, В, С і D — числа зубьев сменных зубчатых колес; z— число нарезаемых шлицев или зубьев; К — заходность фрезы.

На рис. 211 приведена схема установки четырех сменных колес гітари деления при их расположении в две плоскости.

В зависимости от числа нарезаемых шлицев (до 15 включительно) гітара деления може содержать три сменных зубчатых колеса, устанавливаемых в одну плоскость. Для нарізання шести шлицев гітара деления должна быть следующая:

A/B • C/D = 48/56 • 56/48

Так как число зубьев у сменных колес В і С одинаково, то на вал устанавливают только одно зубчатое колесо з числом зубьев 56, і вся гітара располагается в одной плоскости.

Спиральные шлицы или косозубые валы-шестерни фрезеруют по бездиференціальному методу. Формула налаштування гітари деления учитывает дополнительный поворот валика на величину шага спирали Т при перемещении фрезы на величину подачі s0:

A/B • C/D = (6 • K)/ z • 1/(1 ± s0/T)


Установка инструмента

В станке 5350 в качестве инструмента применяют червячные фрезы. Фрезы имеют цилиндрические отверстия і закрепляются на оправке, вставляемой в конусное отверстие шпинделя фрезерной головки. Оправку затягивают в отверстие шпинделя струной з выведенным вверх квадратом 10 (см. рис. 210). Перед установкой фрезы на оправку нужно снять кронштейн 19, поддерживающий оправку и, освободив квадратом 8 зажим гильзы шпинделя, поднять его в крайнее верхнее положение, вращая квадрат 11. Если посадочная шейка оправки не соответствует отверстию фрезы, то оправку меняют, выталкивая її из шпинделя вращением квадрата 10.

Фрезерная оправка в сборе шлицефрезерного верстата 5350А

Фрезерная оправка в сборе шлицефрезерного верстата 5350А

Фрезерную оправку (рис. 212) собирают следующим образом. Фрезу 6 насаживают на оправку1 до упора в бурт. Если длина фрезы короче посадочной шейки оправки, то на ету шейку устанавливают кольцо 5. Затем одевают втулку 4 з кронштейном контрподдержки 3 і все вместе закрепляют гайкой 2.

После установки фрезы нужно повернуть фрезерную головку на угол спирали зубьев фрезы так, чтобы они совместились з осью вироби. Величина угла спирали указана на одном из торцов фрезы. Фрезерную головку поворачивают, вращая квадрат 15 или 6 (см. рис. 210), предварительно отпустив гайки крепления к її приводу. Величину угла наклона отсчитывают по шкале, расположенной на корпусе привода. После поворота і закрепления корпуса фрезерной головки гайками необходимо установить режущие кромки зуба фрезы симметрично оси центров верстата, а следовательно, оси обрабатываемого вироби. Для етой цели используют специальное пристрій, закрепляемое на корпусе фрезерной головки на время установки фрезы. Во всех остальных случаях пристрій должно быть снято.

Вращая рукой маховик фрезерного шпинделя і квадрат 11 осьового смещения фрезы, подводят фрезу к пальцу 7 (рис. 212) приспособления до такого положения, при котором боковые стороны соседних зубьев фрезы будут одновременно касаться противоположных образующих конической поверхности пальца, а передние грани зубьев будут совпадать з плоскостью лыски, снятой на конусе пальца.

После окончательной установки фрезы необходимо зажать гильзу фрезерного шпинделя і затянуть гайки поддерживающего кронштейна 19 (см. рис.210).

Установка заготовки

На шлицефрезерном станке шлицы на валах нарезают, установив их в центрах (рис. 213). Заготовку 3 приводят во вращение хомутиком 2, укрепленным на шпинделе 1 делительной коробки. В задньої бабке 4 расположен гідроцилиндр 6, выдвигающий пиноль з центром. Работой гідроцилиндра управляет рукоятка 5. При повороте рукоятки влево пиноль выдвигается из корпуса задньої бабки, центр входит в свое гнездо на заготовке и, в результате повышения давления в гідроцилиндре происходит зажим гильзы пиноли.

Установка заготовки на шлицефрезерный верстат 5350А

Установка заготовки на шлицефрезерный верстат 5350А

Установка глубины фрезерування

Глубину фрезерування устанавливают при подведенных к заготовке фрезерных салазках. Для етого рукоятку 14 (см. рис. 210) крана увімкнення приводу салазок поворачивают в положение «Налаштування» і вращением валика 13 подводят фрезу 18 до касания з заготовкой.

Кнопкой на пульті керування 7 включают вращение фрезы і рукояткой за квадрат 1 перемещают каретку з фрезой вправо, за пределы нарезаемого участка заготовки. В етом положении вращением валика 13 набирают на лимбе необходимую глубину фрезерування.

В рассматриваемом примере глубина фрезерування (в мм) составит:

(D - d)/ 2 = (30 - 26)/ 2 = 2

где D — наружный диаметр валика, d — внутренний диаметр шлицев.

Установка упоров длины фрезерування

Длину фрезерування устанавливают з помощью упоров, когда фрезерна каретка занимает исходное і конечное положения. В исходное положение каретку приводят вращением квадрата до тех пор, пока зубья фрезы не будут отстоять от нарезаемого участка на 1..2 мм. В етом положении упор 22 должен включить конечный выключатель. Для установки упора 23 нужно отвести каретку от заготовки поворотом рукоятки 14 в положение «Цикл» и, включив толчковую кнопку на пульті 7, ускоренно передвинуть каретку з фрезой влево. В конечном положении центр фрезы должен выйти за пределы нарезаемого участка на 1..2 мм. Исходное і конечное положения нужно проверить при перемещении каретки з фрезой на автоматическом цикле.

Нарезание шлицевых валиков і контроль шлицев

Перед включением напівавтоматичного цикла роботи верстата необходимо убедиться, что все его механізмы заняли исходное положение. При етом рукоятки і переключатели должны быть установлены в следующее положение: вводный выключатель сети 4 (см. рис. 210) в положение «Включено»; переключатель направления ускоренного ходу каретки — в положение «На заднюю бабку»; рукоятка скорости обертання головного електродвигуна— в положение «1 ступень»; рукоятка направления обертання фрезы — в положение «Правое вращение». Все ети органы находятся в електрошкафу.

На рис. 214 показаны пульты керування. При включении вводного выключателя на нижнем пульті (рис. 214, б) загорается сигнальная лампа 7. Нажатием на кнопку 8 включают в работу гідронасос. При етом на нижнем лульте загорается вторая сигнальная лампа 11. Гідронасос выключают кнопкой 9. Перед началом роботи переключатель 3 зажиму цанги необходимо поставить в положение «Включено». Кнопки 1 і 4 на верхнем пульті (рис. 214, а) служат для швидкого наладочного переміщення каретки з фрезой. Освещение включается переключателем 6, а подача охлаждения переключателем 10.

Пульт керування шлицефрезерного верстата 5350А

Пульт керування шлицефрезерного верстата 5350А

Нажатием на кнопку 2 «Пуск напівавтомату» начинается напівавтоматический цикл роботи верстата. При етом включается гідравлический подвод салазок з фрезерной головкой к изделию. По пути, когда салазки еще не дойдут до конечного положения, нажимается путевой выключатель, дающий команду на увімкнення головного електродвигуна. Заготовка і фреза начинают вращаться. Салазки продолжают рух к заготовке до встречи з жестким упором. В етом положении включаются гідравлические циліндри зажиму салазок і кулачковая муфта сцепления механізма поздовжньої подачі. Происходит перемещение каретки з салазками і фрезерной головкой вдоль оси вироби, осуществляя нарезание шлицев при обкатном вращении червячной фрезы і заготовки.

Когда центр фрезы выйдет за пределы нарезаемой частини заготовки на 2... 3 мм, кулачок ограничения длины ходу нажимает на конечный выключатель, который дает команду на прекращение поздовжньої подачі каретки і отвод салазок з фрезерной головкой от вироби. При отводе освобождается путевой выключатель, что дает команду на відключення головного електродвигуна і увімкнення двигуна ускоренного ходу. Каретка ускоренно возвращается в исходное положение і останавливается при нажатии кулачка ограничения ходу на конечный выключатель.

После етого необходимо нажать на кнопку 5 «Стоп напівавтомату», которая дает команду на отвод салазок в крайнее заднее положение і вимкнення всех механізмов. Подача охлаждения включается одновременно з включением головного електродвигуна, а выключается кнопкой 10.

На станке предусмотрен ряд блокировок исполнительных органів, предохраняющих их от поломок. В частности, при незажатой цанге нельзя пустить верстат в ход для фрезерування. Если обработка заготовки производится при установці її в центрах і зажиме хомутиков (как в рассматриваемом случае), то выключатель 3 все равно должен быть установлен в положение зажиму цанги. Верстат отключается, если срабатывает одно из тепловых реле електродвигателей.

Електричналанцюг двигуна ускоренного ходу включается только тогда, когда произойдет відключення головного електродвигуна. И, наоборот, увімкнення головного електродвигуна може быть осуществлено только при выключенном двигателе швидкого ходу каретки.

Одним из важных моментов при работе на шлицефрезерном станке является регулярное осевое перемещение фрезы для использования всей активной її длины. Фреза передвигается вручную вместе со шпинделем. Для етого разжимают гильзу шпинделя поворотом квадрата 8 (см. рис. 210) і отворачивают гайки крепления кронштейна. После етого вращением квадрата 11 смещают фрезу со шпинделем на величину, равную шагу її винтовой линии зубьев.

Новое положение фрезы выбирается з помощью установочного приспособления. После установки фрезы фиксируют гильзу шпинделя квадратом 8, а также завертывают гайки контрподдержки 19 фрезерной оправки.

Для извлечения нарезанного валика из центров пиноль задньої бабки отводят вправо, поворачивая вправо рукоятку 17. После установки новой заготовки ету рукоятку снова повертывают в левое положение, пиноль выдвигается влево і центром входит в заготовку. Если заготовка зажата в коробке цангой, то керування її осуществляется переключателем 9. Обработка начинается при нажиме на кнопку 2 (см. рис. 214) по описанному выше циклу.

Изготовленный на станке шлицевый валик необходимо проверить на точность і произвести подналадку верстата в соответствии з результатами контроля.

Погрешности шлицевого вала по своему характеру в общем могут быть выделены в четыре группы: погрешности линейных размеров внутреннего і наружного диаметров, толщины шлицев, величины радиуса і фаски; погрешности формы окремих елементів, в том числе нецилиндричность і непрямолинейность центрирующих диаметров валика, непрямолинейность боковых поверхностей шлицев в продольном і поперечном направлениях; погрешность взаимного розположення окремих елементів, в частности погрешность окружных шагов шлицев; качество центрирующих поверхностей.

При наладке верстата по первому нарезанному валику наладчиком выявляется только часть приведенных погрешностей. Наружный диаметр і толщину шлицев проверяют обычным микрометром или индикаторной скобой, а внутренний диаметр — микрометром со специальными пятками. Измерение производят в двух взаимно перпендикулярных направлениях і в трех сечениях равномерно отстоящих друг от друга по длине валика. При етом выявляются конусность і овальность диаметров, а также действительный размер диаметров і шлицев. Фаски проверяют штангенциркулем или лупой з масштабными делениями. Радиус закругления — радиусным шаблоном.

Предельные отклонения окремих параметров шлицевого валика регламентируются ГОСТ 1139—58 «Соединения зубчасті шлицевые прямобочные» в соответствии з принятым методом центрирования і видом посадки. Предельные суммарные отклонения контролируются комплексным проходным шлицевым калибром-кольцом.


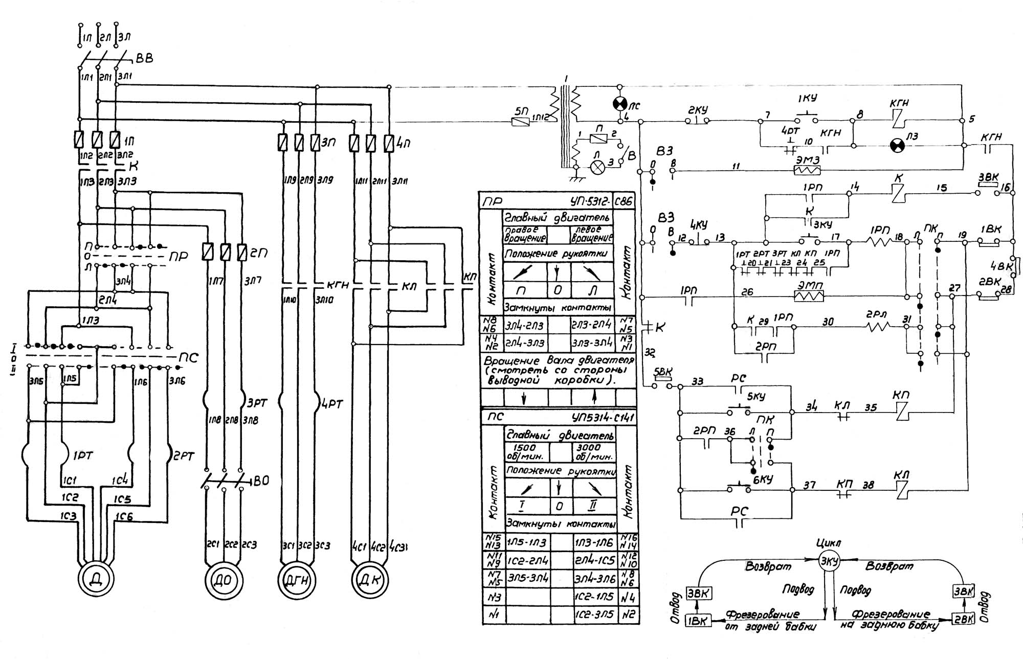
Схема електрична шлицефрезерного верстата 5350А

Схема електрична шлицефрезерного верстата 5350А

Електрична схема шлицефрезерного верстата 5350а

Схема електрична шлицефрезерного верстата 5350А. Дивитись у збільшеному масштабі


Схема електрична шлицефрезерного верстата 5350А

Електрична схема шлицефрезерного верстата 5350а

Схема електрична шлицефрезерного верстата 5350А. Дивитись у збільшеному масштабі


Схема гідравлічна шлицефрезерного верстата 5350А

Схема гідравлічна шлицефрезерного верстата 5350А

Гідравлічна схема шлицефрезерного верстата 5350а

Схема гідравлічна шлицефрезерного верстата 5350А. Дивитись у збільшеному масштабі




5350А Верстат шлицефрезерный горизонтальный напівавтомат. Відеоролик.




Технічні характеристики шлицефрезерного верстата 5350А

Наименование параметра 5350
Основні параметри верстата
Класс точності верстата по ГОСТ 8-82 і ГОСТ 659-78 Н
Наибольший модуль фрезерування, мм 6
Высота центров верстата, мм 250
Наибольший диаметр фрезерування, мм 150
Наибольший диаметр вироби, устанавливаемый над станиной, мм 500
Наименьшее расстояние между осями вироби і фрезы, мм 40..140
Расстояние между центрами, мм 750, 1000, 1500, 2000
Наибольшая длина фрезерування, мм 675, 925, 1425, 1925
Количество нарезаемых шлицев (зубъев), мм 4..36
Наибольший диаметр фрезы, мм 140
Количество швидкостей фрезерного шпинделя 6
Пределы чисел оборотів фрезерного шпинделя 80..250
Количество подач, об/мин 12
Пределы подач, об/мин 0,63..5
Диаметр отверстия шпинделя вироби, мм 106
Конус под центр в шпинделя вироби, мм Морзе 4
Конус под центр в пиноли задньої бабки, мм Морзе 5
Диаметр фрезерной оправки, мм 27, 32, 40
Скорость ускоренного ходу каретки, м/мин 1,92
Фрезерный суппорт
Наибольшее перемещение фрезерного суппорта от руки, мм 100
Наибольшее перемещение фрезерного суппорта от гідравлики, мм 30
Перемещение фрезерного суппорта на одно деление лимба, мм 0,01
Привід і електрообладнання верстата
Количество електродвигателей, установленных на станке 4
Електродвигун головного привода, кВт 6,5
Електродвигун быстрых перемещений, кВт 3,0
Електродвигун приводу гідронасоса, кВт 1,5
Електродвигун насоса охлаждения, кВт 0,15
Суммарная мощность електродвигателей, кВт 11,15
Габаритные розміри і масса верстата
Габаритные розміри верстата (длина х ширина х высота), мм 2595 х 1550 х 1650
Масса верстата з електрообладнанням і охолодженням, кг 3800

    Список литературы

  1. Шлицефрезерный напівавтомат 5350, 5350А, 5350Б, 5350В. Руководство, 1965

  2. Гальперин Е.И. Наладка зуборезных верстатів, 1960.
  3. Козлов Д.Н. Зуборезные роботи, 1971.
  4. Лоскутов В.В., Ничков А.Г. Зубообрабатывающие верстати, 1978.
  5. Малахов Я.А. Зубообрабатывающие і резьбофрезерные верстати і их наладка, 1972.
  6. Мильштейн М.З. Нарезание зубчатых колес, 1972.
  7. Овумян Г.Г., Адам А.И. Справочник зубореза, 1983.
  8. Птицин Г.А., Кокичев В.Н. Зуборезные верстати, 1957.
  9. Сильвестров Б.Н., Захаров И.Д. Конструкція і наладка зуборезных і резьбофрезерных верстатів, 1979.
  10. Шавлюга Н.И. Расчет і примеры наладок зубофрезерных і зубодолбежных верстатів, 1978.
  11. Руководящий материал для конструкторов, проектирующих технологическую оснастку. Основні данные і посадочные места металлорежущих верстатів. НИИМАШ, 1968.








Заказать

Кто владеет информацией - тот владеет миром.

Натан Ротшильд