Розробник токарно-гвинторізного верстата 1П611 – Одеське СКБ-3, 1961 рік.
Виробниками верстата 1П611 є два верстатобудівні заводи СРСР Одеський дослідно-механічний завод та Середньоволзький верстатобудівний завод СВСЗ , заснований у 1876 році.
Виробництво металорізальних верстатів на Середньоволзькому верстатобудівному заводі вперше почалося наприкінці січня 1926 року. Першим випущеним верстатом на підприємстві був токарно-гвинторізний верстат зі східчастиним шківом моделі ТВ-155В.
У роки війни завод освоїв випуск токарно-гвинторізного верстата 1615 року і незабаром модернізував його, довівши швидкість шпинделя до 1000 обертів на хвилину.
У 1949 році запущений у серійне виробництво верстат 1616 , у шістдесятих роках моделі - 1В616 та 1А616 , а з початку сімдесятих років почався випуск серії 16Б16 .
З 90-х років минулого століття підприємство СВСЗ випускає токарні верстати під торговою маркою SAMAT .
Розробник токарно-гвинторізний верстат 1П611 - Одеське СКБ-3 . Початок серійного виробництва – 1961 рік. Проектно-конструкторську документацію було передано на Саратівський верстатобудівний завод. Верстати випускалися одночасно і відрізнялися фактично лише табличкою на передній бабці. На ній зазначалася назва заводу-виробника.
Універсальний токарно-гвинторізний верстат 1П611 підвищеної точності інструментальної групи призначений для виконання найрізноманітніших робіт у центрах, цангових або кулачкових патронах по чорних та кольорових металах, включаючи точення конусів, а також для нарізування метричних, модульних, дюймових різьблень.
Токарний верстат 1П611 застосовується для чистових та напівчистових робіт у одиничному та дрібносерійному виробництві. Верстати призначені для експлуатації переважно у багатоповерхових будинках, а також у рухомих ремонтних майстернях та судах.
Верстат 1П611 забезпечує:
1 - токарний верстат (номер групи за класифікацією ЕНІМС)
П – покоління верстата (А, Б, В, Д, К, Л, П)
6 – номер підгрупи (1, 2, 3, 4, 5, 6, 7, 8, 9) за класифікацією ЕНІМС (6 – токарно-гвинторізний)
11 – висота центрів над станиною (11, 16, 20, 25, 30, 40, 50) (11 – висота центрів 135 мм)
Літери наприкінці позначення моделі:
Г – верстат з виїмкою у станині
К – верстат з копіювальним пристроєм, з автоматичною коробкою швидкостей
П - точність верстата - (н, п, в, а, с) за ГОСТ 8-82 (П - підвищена точність)
Ф1 – верстат з влаштуванням цифрової індикації УЦІ та переднабором координат
Ф2 - верстат з позиційною системою числового керування ЧПУ
Ф3 - верстат з контурною (безперервною) системою ЧПУ
Ф4 – верстат багатоцільовий з контурною системою ЧПУ та магазином інструментів

Габарити робочого простору токарного верстата 1п611

Посадочні та приєднувальні бази токарного верстата 1п611

Станина токарно-гвинторізного верстата 1п611
Станина токарно-гвинторізного верстата 1п611. Дивитись у збільшеному масштабі

Фото токарно-гвинторізного верстата 1п611
Фото токарно-гвинторізного верстата 1п611. Дивитись у збільшеному масштабі

Фото токарно-гвинторізного верстата 1п611

Фартук токарно-гвинторізного верстата 1п611
Фартух токарно-гвинторізного верстата 1п611. Дивитись у збільшеному масштабі

Розташування основних вузлів токарного верстата 1п611

Розташування органів керування токарним верстатом 1п611

Кінематична схема токарного верстата 1п611
1. Схема кінематична токарно-гвинторізного верстата 1П611. Дивитись у збільшеному масштабі
2. Схема кінематична токарно-гвинторізного верстата 1П611. Дивитись у збільшеному масштабі
Верстат состоит из следующих вузлів: станины, тумбы, редуктора, бабки передньої, гітари, коробки подач, фартука, суппорта, бабки задньої, системы охлаждения, приладдя, ограждения, електроустаткування і переключателя.
Станина устанавливается і закрепляется на тумбе верстата, имеет призматические направляющие для суппорта, плоскость і призму для задньої бабки. Между направляющими находятся овальные окна для ссыпания стружки. Боковые стенки станины связаны поперечными П-образными ребрами. Левая часть станины расширена в месте установки передньої бабки.
Передня бабка устанавливается на обработанную плоскость 1 (рис. 8), совпадающую з плоскостью передньої направляющей.
Установка шпинделя верстата параллельно направляющим станины достигается прижимом упорных выступов передньої бабки к вертикальной обработанной плоскости направляючих 4.
Передня бабка закрепляется на станине четырьмя гвинтами.
Плоскость 3 служит для крепления коробки подач, рейки і заднего кронштейна.
Для прохода ремней на передньої стенке имеется уступ 2. По обе стороны етого уступа имеются проемы под корпус коробки подач. С коробкой подач соединяется ходовой винт 7 і ходовой валик 6, правые концы которых смонтированы в заднем кронштейне 5 станины.
Тумба верстата — сварной конструкції.
Нижня і верхняя , частини тумбы — жесткие рамки 3 і 8 (рис. 9) из уголков, к которым приварены тонкие листы (обшивка).
В тумбе, на плите натяжного пристроя 7, смонтирован редуктор. Между плитой і редуктором имеются резиновые прокладки 6 для уменьшения вибраций, передаваемых верстату от редуктора. Сзади плита натяжного пристроя закрывается крышкой 5 из листового материала.
Слева в тумбе через овальное окно в передньої стенке вынесено керування скоростями редуктора. Спереди слева к тумбе прикреплен оригинальный переключатель з рукояткой керування вращением електродвигуна. В передньої частини тумбы имеется ниша для ног робочого. Справа в тумбе размещен шкаф електроустаткування 4, а на її переднюю стенку вынесены рукоятки выключателей.
Между електрошкафом і редуктором расположен бак охлаждения з електронасосом. К верхней частини тумбы приварено тонколистовое сварное корито 1, в котором собирается стружка і охлаждающая жидкость при работе з охолодженням. Охлаждающая жидкость через фильтр 2 корыта сливается в бак охлаждения. Фильтр легко снимается для очистки.

Редуктор токарно-гвинторізного верстата 1п611
Редуктор токарно-гвинторізного верстата 1п611. Дивитись у збільшеному масштабі
Редуктор состоит из 8-и ступенчатой коробки швидкостей, механізмов керування і змазки.
Вращение редуктору передається от електродвигуна, прифланцованного к корпусу редуктора. Механізми редуктора передают выходному шкиву 15 (рис. 10) восемь различных чисел оборотів — знаменатель ряда геометрической прогрессии 1.41. Керування передвижными блоками редуктора 5, 6, 9, 10, 11 осуществляется при помощи диска 2 з пазами на торцах. В пазы входят ролики рычагов 1, 3, 4; рычаги перемещают вилки 16, 17 і 19, сидящие на штанге 18. От первого валика 12 редуктора получает вращение валик з шестерней-ексцентриком 14. Шестерня-ексцентрик приводит в рух плунжерный насос 13; от післяднего смазка подается в переднюю бабку, откуда сливается через крышку 7 в масляную ванну редуктора 8, расположенную сверху, і смазывает механізмы редуктора. Редуктор вместе з фланцевым електродвигуном прикреплен к плите натяжного пристроя. Вращением маховичка 21 по лимбу 20 устанавливается необходимая скорость обертання шпинделя.

Передня бабка токарно-гвинторізного верстата 1п611
Передня бабка токарно-гвинторізного верстата 1п611. Дивитись у збільшеному масштабі
Бабка передняя устанавливается і закрепляется слева сверху на станине. В ней смонтированы шпиндель 5 (рис. 11), перебор 3, 4, привід подачі і механізм керування. Вращение шпинделю передається от шкива 2 непосредственно при включении зубчатой муфты 9 или через перебор. Передаточное отношение перебора равно 1 : 8. Шпиндель верстата получает 14 различных швидкостей обертання в пределах 33,5 — 3000 об/мин при знаменателе ряда 1,41. В передньої опоре шпинделя установлены роликовый двухрядный подшипник 6, воспринимающий радиальные нагрузки, і два радиально-упорных шарикопідшипника 7, воспринимающих осевые нагрузки. В задньої опоре шпинделя установлен радиальный шарикоподшипник 1.
Задня опора шпинделя і приводного шкива расположена в кронштейне 11, прилитом к корпусу передньої бабки, і выполнена так, что дает возможность менять ремни без разборки -шпинделя. Привід подачі получает вращение от шестерни, находящейся на шпинделе, і обеспечивает снижение скорости обертання первого вала гітари 10. Привід подачі передньої бабки обеспечивает реверсирование гітари при нарезании правых і левых резьб.
Керування передвижными шестернями л муфтами передньої бабки производится рукояткой 12, расположенной на передньої стенке корпуса бабки. Керування зубчатой муфтой і перебором во избежание поломки сблокировано диском з торцовым пазом.
Изделие зажимается з помощью цангового зажима.
Смазка механізмов передньої бабки осуществляется насосом редуктора при помощи трубчатого маслораспределителя. Для контроля поступления змазки на передньої стенке бабки установлен маслоуказатель.
Шпиндель верстата 1П611 смонтирован на 4-х підшипниках:
Для регулювання радиального зазору двухрядного роликового підшипника передньої опори шпинделя необходимо:
Шлифовать распорные полукольца на размер, определяемый по формуле:
А = В - δ мм,
где
В — толщина снятых полуколец до шлифовки, мм;
δ — величина необходимого смещения внутреннего кольца підшипника δ относительно посадочной шейки шпинделя.
Величина смещения δ определяется по формуле:
δ = 15(Δо — Δ + 0,01) мм,,
где
Δо -начальный радиальный зазор (до регулировки), мм; Δ — требуемый радиальный зазор підшипника, мм.
Токарно-гвинторізний верстат 1П611 поставляются з радиальным зазором Δ = 0,003 до 0,005 мм.
Гітара состоит из корпуса 3 (рис. 12), который крепится к передньої бабке, приклона 4 і крышки 1. Приклон поворачивается на фланце выводного валика передньої бабки і закрепляется в нужном положении болтом 5. В пазу приклона закрепляются оси сменных шестерен. Возможна установка различных наборов сменных шестерен, обеспечивающих налаштування приводу подачі, перечисленные в табл. 2. Кроме етого, возможны і другие налаштування.
Гітара сменных зубчатых колес предназначена для нарізання различных резьб. Состоит из корпуса, прикрепленного к передньої бабке і коробке приклона і крышки. Приклон проворачивается на фланце выводного вала передньої бабки і фиксируется в нужном положении болтом. Налаштування приводу подачі обеспечивается установкой различных наборов сменных зубчатых колес.

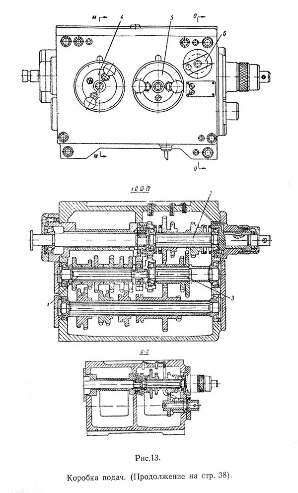
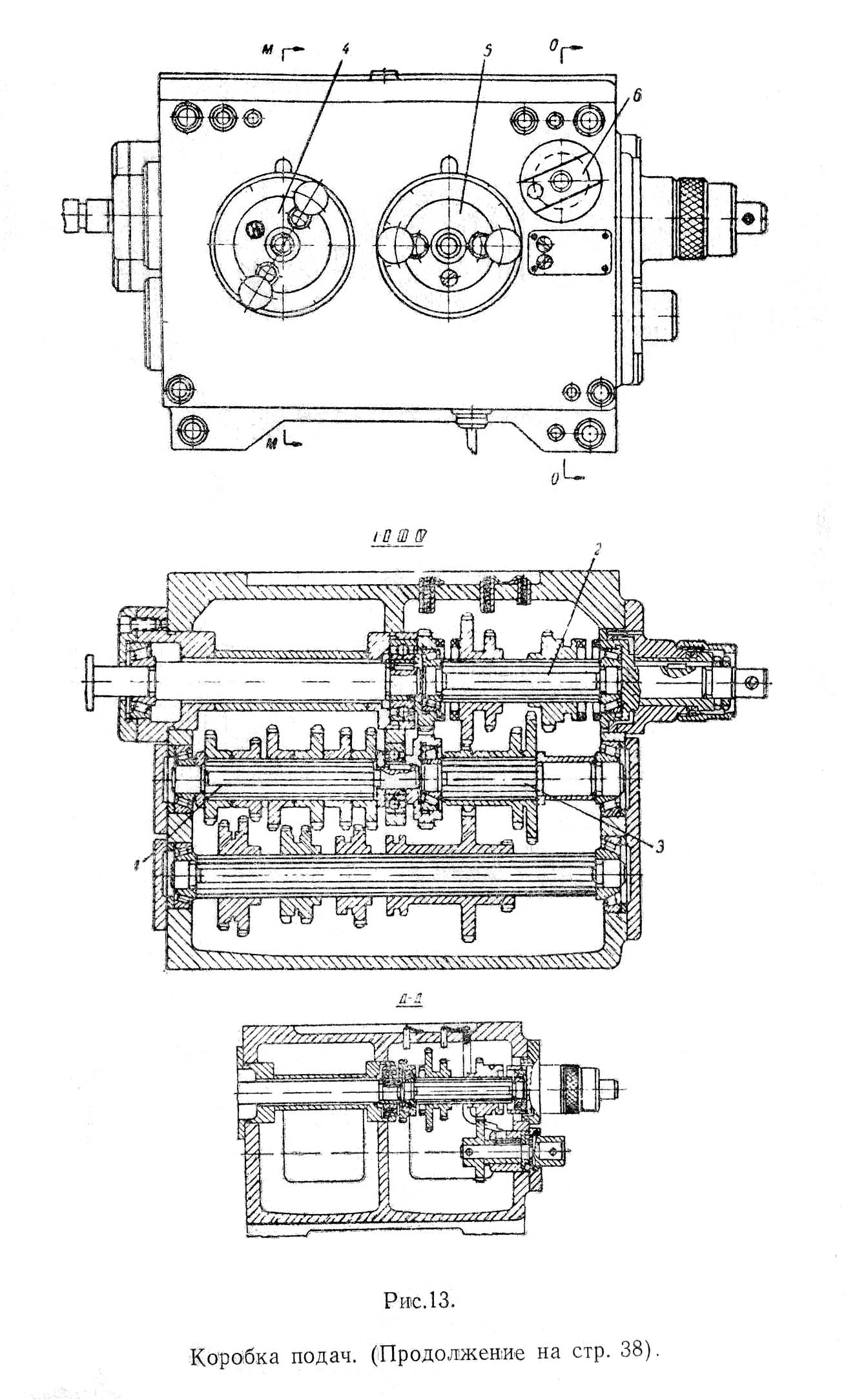
Коробка подач токарно-гвинторізного верстата 1п611
Коробка подач токарно-гвинторізного верстата 1п611. Дивитись у збільшеному масштабі

Коробка подач токарно-гвинторізного верстата 1п611
Коробка подач токарно-гвинторізного верстата 1п611. Дивитись у збільшеному масштабі
Коробка подач обеспечивает получение указанного в технической характеристике диапазона нарезаемых різьб і подач.
В корпусе коробки подач собраны механізм изменения шага 1 (рис. 13), множительный механізм 3 і механізмы керування 2. Вращение первому валику коробки подач передається гитарой. Каждый из етих механізмов управляется дисками 7 і 8 з торцовым пазом. Для нарізання точных резьб, минуя механізмы коробки подач, предусмотрено прямое соединение ходового гвинта з гитарой. Рукоятки керування механізмом изменения шага 4, множительным механізмом 5 і включением ходового гвинта і ходового валика 6 расположены на передньої стороне коробки. Смазка коробки подач — фитильная. Смазка заливается через верхнюю крышку.

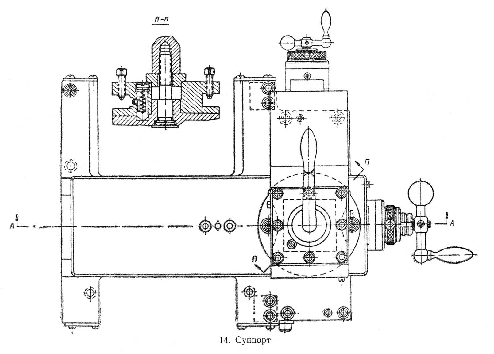
Суппорт токарно-гвинторізного верстата 1п611
Суппорт токарно-гвинторізного верстата 1п611. Дивитись у збільшеному масштабі
Продольные салазки суппорта 2 (рис. 14) перемещаются по двум призматическим направляющим станины. Снизу к продольным салазкам прикреплен фартук. Сверху по направляющим продольных салазок перемещаются при помощи гвинта 1 поперечные салазки 7. Сверху на поперечных салазках установлены поворотные салазки 5 з верхней кареткой 4 і четырехпозиционным резцедержателем 8, имеющим четыре фиксированных положения.
Для змазки підшибників суппорта установлены шариковые масленки.

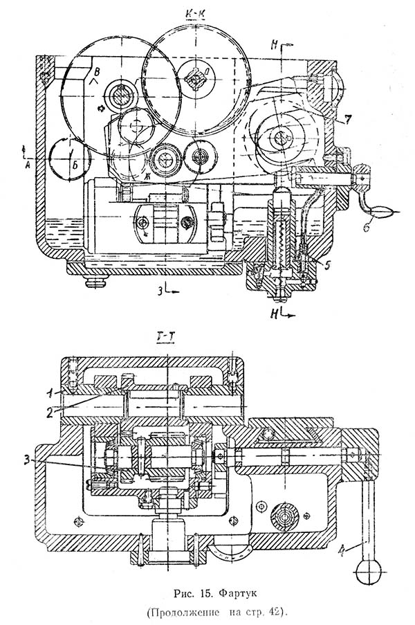
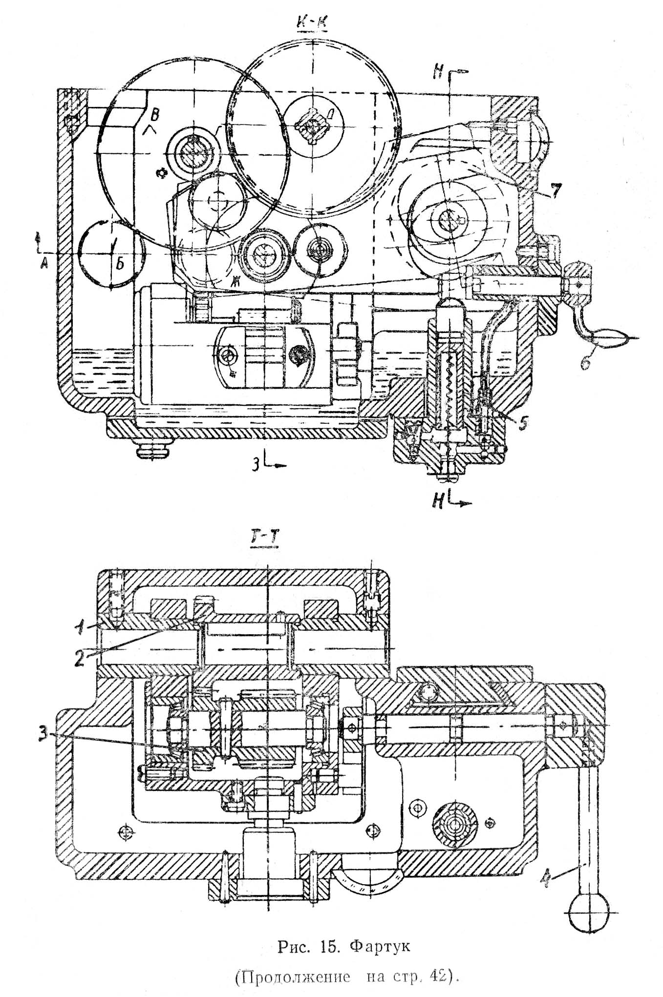
Фартук токарно-гвинторізного верстата 1п611
Фартук токарно-гвинторізного верстата 1п611. Дивитись у збільшеному масштабі

Фартук токарно-гвинторізного верстата 1п611
Фартук токарно-гвинторізного верстата 1п611. Дивитись у збільшеному масштабі
Фартук сообщает суппорту продольное перемещение і передает вращение винту поперечної подачі. При нарезании різьби рух передається при помощи маточной гайки, при проточке — реечной передачей.
Вращение реечной шестерне 8 (рис. 15) от валика передається перегрузочным механізмом, трензелем і промежуточными шестернями.
Перегрузочный механізм состоит из люльки 18, сидящей на втулках 1 ходового валика, зубчатой пары 2—3, червячной передачи, фиксатора 16 і рукоятки увімкнення 4. При увеличении зусилля поздовжньої подачі увеличивается усилие, выталкивающее червяк из зацепления з червячным колесом 19. Это усилие стремится повернуть люльку. Для поворота люльки необходимо преодолеть усилие пружины фиксатора 15, регулировка которой определяет наибольшую величину поздовжньої подачі. При перегрузке люлька поворачивается, сжимая пружину фиксатора; фиксатор 16 попадает в верхний паз плитки 17, закрепленной на люльке, і выводит червяк из зацепления з червячным колесом 19, продольное перемещение прекращается. Для увімкнення перегрузочного механізма необходимо потянуть вверх рукоятку 4, расположенную справа на боковой стенке фартука.
На одной оси з червячным колесом находится качающийся рычаг 7 трензеля паразитной шестерни 13.
Трензель передает вращение от червячного колеса реечной шестерне или винту поперечної подачі. При переключении трензеля происходит реверсирование подачі. Трензель переключается ексцентриком 21, расположенным на оси рукоятки 20 керування маточной гайки 22, что исключает возможность одновременного увімкнення движений ходового гвинта і ходового валика.
Рукоятка керування фартуком при вдвинутом положении включает маточную гайку 22, при выдвинутом (на себя) — подачу.
Продольная і поперечная подачі переключаются кнопкой 12, расположенной на передньої стенке фартука. Вал реечной шестерни 11—10 приводит во вращение лимб поздовжньої подачі 9.
Маховичок ручного переміщення фартука 23 — отключающийся. Для змазки механізмов фартука установлен плунжерный насос 5 з ручным приводом 6.
Бабка задня устанавливается на плоскую і призматическую направляющие станины і закрепляется в нужном положении ексцентриковым зажимом 8 (рис. 16). Поперечное установочное перемещение задньої бабки по нижней плите 1 для точения конусов производится двумя гвинтами 9. В расточке корпуса 2 при вращении маховичка 5 перемещается пиноль 3. Пи-ноль зажимается поворотом рукоятки 4, стягивающей сухари 6 і 7.
Зажим пиноли расположен сзади. Для змазки бабки установлены шариковые масленки.
Узел состоит из бачка для охлаждающей жидкости 4 (рис. 17) з електронасосом 2 і коммуникацией 5 подвода охлаждающей жидкости: к режущему инструменту з краном 1, укрепленным на стойке ограждения. Бачок з електронасосом установлен в тумбе верстата. Охлаждающая жидкость из корыта сливается в бачок через сетчатый фильтр, из бачка — через слив 3.
Производительность електронасоса 22 л/мин.
Различные подачі по ходовому валику (при точении) или ходовому винту (при нарезании різьби) настраиваются установкой соответствующих сменных шестерен гітари і изменением положения рукояток коробки подач.
На таблицах, укрепленных на корпусе передньої бабки і крышки гітари, представлены різьби і подачі, возможные на станке.
Таблицы нарізання різьб і продольных подач помещены также в паспорте верстата.
Задня бабка устанавливается в нулевое положение двумя гвинтами 9 (см. рис. 16). При етом корпус бабки перемещается по направляющему зубу основания.
1. Перед пуском верстата следует изучить его схему і конструкцию, назначение рукояток і порядок их переключения.
2. Проверить правильность установки рукояток і довести их до фиксируемого положения.
3. Не переключать зубчасті колеса на ходу.
4. При точении пользоваться ходовым валиком; при нарезании різьби — ходовым винтом.
5. Перед обработкой изделий в центрах проверять центровые отверстия (должны быть достаточно глубокими і чистыми); закреплена ли задня бабка от продольного смещения, а після установки вироби зажать пиноль, предварительно смазав центр; периодически смазывать центры в процессе роботи.
6. Не работать на изношенных і забитых центрах.
7. Немедленно остановить верстат, если центр задньої бабки начнет греться или «скрипеть».
8. При точении изделий большой длины следить за центром задньої бабки і при смазке проверять его поджим.
9. Удалять центр из шпинделя передньої бабки прутком з медным или латунным наконечником.
10. При работе з люнетами смазывать их направляющие губки.
11. При установці патрона очистить его от стружки і грязи.
Регулировать механізмы верстата в процессе експлуатации следует лишь в случае действительной необходимости. Элементы верстата, подлежащие регулировке:
1. Ремни приводу головного руху — натяжение производить при помощи переміщення рамы 7 винтом 9 (рис. 9).
2. Клинья суппорта 3 і 6 (рис. 14) — регулировать гвинтами.
3. Люфт гайки 10 верхней каретки — выбирать сжатием гайки гвинтами. Осевой зазор в опорах винтов 1 і 9 суппорта — регулировать гайками.
5. Пружину 15 (рис. 15) регулировочного пристроя фартука — регулировать винтом 14 до получения зусилля поздовжньої подачі 200 кгс.

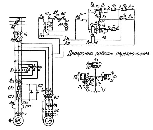
Електрична схема токарного верстата 1п611
Електрична схема токарно-гвинторізного верстата 1П611. Дивитись у збільшеному масштабі

Монтажная електросхема токарного верстата 1п611
Монтажная електросхема токарно-гвинторізного верстата 1П611. Дивитись у збільшеному масштабі
Подшипник 3182111 - ето двухрядный роликовый радиальный подшипник, з короткими цилиндрическими роликами, з безбортовым наружным кольцом (вследствие чего комплект тел качения на сепараторе способен перемещаться і создавать «плавающую» опору), з коническим посадочным отверстием (1:12), канавкой і отверстиями для внесения смазочного материала. Основное место експлуатации таких підшибників — верстати различного применения, вузли где действуют высокие радиальные нагрузки і скорости. Этот типоразмер, как і большинство роликопідшибників етой серии производится в настоящее время только высокоточным.
Подшипник всегда производили на московском заводе ГПЗ-1,но в настоящее время, к сожалению, з производства он снят і купить напрямую его можно только в фирмах, которые занимаются продажей підшибників з хранения, неликвидов, бывших в употреблении, чищенных. Можно найти вироби 2, 4, 5 і 6 классов точності. Обозначение справа от номера чаще всего — Л (латунный сепаратор, старое). Цена підшибників сильно зависит от их класса точності і сохранности, от 300 до 2300 рублей.
Импортные підшипники етого типоразмера имеют обозначение NN3011K (наличие буквы К в номере обязательно, так как она указывает на коническую посадку). В Россию поставляется продукция разной ценовой категории: наиболее дорогие і надежные — FAG, SKF, KOYO, IBC, подешевле — NACHI і NSK. Еще более дешевый варіант — продукция восточно-европейских производителей — ZKL і FLT, которая чаще всего реализуется неликвидного качества, иногда даже уже бывшая в употреблении. Ориентировочная цена наиболее качественных і дорогих підшибників етого типа составляет около 275 евро.

Схема підшипника 3182111 (NN3011K) токарного верстата 1П611

Фото підшипника 3182111 токарно-гвинторізного верстата 1П611
Подшипник 36210 - ето шариковый радиально-упорный однорядный подшипник. Тип воспринимаемой нагрузки — комбинированная радиально-осевая. Для жесткой фиксации валов верстатів, от которых требуется высокая точность обробки деталей, устанавливаются попарно. В етом случае і підшипники подбираются высоких степеней точності (Т или 2 і 4). Подшипник неразъемный со скосом на наружном кольце. Угол контакта серии 36000 составляет 12°.
В Российской Федерации производится на заводах:
Существуют комплекты из двух підшибників для жесткой фиксации вала: сдвоенные 336210 і сдвоенные по схеме комплектования «тандем» 436210. Последний является «движущей силой» наших підшибниківых заводов, поскольку устанавливается на шпинделя работающих там металлообрабатывающих верстатів і расходуется в очень больших объемах.
Підшипники иностранного производства етого типа имеют номер 7210CD.

Схема підшипника 36210 (7210) токарного верстата 1П611
| Наименование параметра | 1П611 | |
|---|---|---|
| Основні параметри верстата | ||
| Класс точності по ГОСТ 8-82 | П | |
| Наибольший диаметр заготовки над станиной, мм | 250 | |
| Наибольший диаметр заготовки над суппортом, мм | 145 | |
| Наибольшая длина заготовки (РМЦ), мм | 500 | |
| Наибольшая длина обточки заготовки, мм | 450 | |
| Высота центров над станиной, мм | 135 | |
| Шпидель | ||
| Диаметр сквозного отверстия в шпинделе, мм | 26,5 | |
| Наибольший диаметр обрабатываемого прутка в патроне, мм | 25 | |
| Наибольший диаметр обрабатываемого прутка в цанге, мм | 16 | |
| Число ступеней частот прямого обертання шпинделя | 14 | |
| Частота прямого обертання шпинделя, об/мин | 33,5..3000 | |
| Размер внутреннего конуса в шпинделе, М | Морзе 4 | |
| Резьбовой конец шпинделя | М45 | |
| Суппорт | ||
| Наибольшее перемещение суппорта продольное/ поперечное, мм | 580/ 150 | |
| Число ступеней продольных подач | 24 | |
| Пределы рабочих подач продольных, мм/об | 0,05..0,7 | |
| Пределы рабочих подач поперечных, мм/об | 0,025..0,35 | |
| Скорость быстрых перемещений суппорта, продольных, м/мин | нет | |
| Скорость быстрых перемещений суппорта, поперечных, м/мин | нет | |
| Количество нарезаемых різьб метрических | ||
| Пределы шагов нарезаемых різьб метрических, мм | 0,25..3,5 | |
| Количество нарезаемых різьб дюймовых | ||
| Пределы шагов нарезаемых різьб дюймовых | 80..7 | |
| Количество нарезаемых різьб модульных | ||
| Пределы шагов нарезаемых різьб модульных | 0,25..1,75 | |
| Количество нарезаемых різьб питчевых | нет | |
| Пределы шагов нарезаемых різьб питчевых | нет | |
| Перемещение на одно деление лимба в продольном/ поперечном направлении, мм | 1/ 0,02 | |
| Диаметр і шаг ходового гвинта, мм | 30 х 6 | |
| Диаметр ходового вала, мм | 20 | |
| Верхние салазки | ||
| Наибольшее перемещение салазок, мм | 150 | |
| Перемещение салазок на одно деление лимба, мм | 0,02 | |
| Перемещение салазок на один оборот лимба, мм | 2,0 | |
| Угол поворота салазок, град | ±45 | |
| Наибольшее сечение державки резца, мм | 16 х 16 | |
| Расстояние от опорной поверхности резца до линии центров, мм | 16 | |
| Задня бабка | ||
| Наибольшее перемещение пиноли задньої бабки, мм | 70 | |
| Конус пиноли задньої бабки, мм | Морзе 3 | |
| Диаметр пиноли задньої бабки, мм | 40 | |
| Наибольшее поперечное смещение задньої бабки, мм | ±10 | |
| Перемещение пиноли на одно деление линейки, мм | 1 | |
| Електроустаткування | ||
| Количество електродвигателей на станке | 2 | |
| Електродвигун головного привода, кВт | 1,5 | |
| Електродвигун насоса охлаждения, кВт | 0,12 | |
| Габарити і масса верстата | ||
| Габарити верстата (длина ширина высота), мм | 1510 х 700 х 1360 | |
| Масса верстата, кг | 560 |