Виробник універсального токарного верстата 16Б16 - Середньоволзький верстатобудівний завод СВСЗ , заснований у 1876 році.
Виробництво металорізальних верстатів на Середньоволзькому верстатобудівному заводі вперше почалося наприкінці січня 1926 року. Першим випущеним верстатом на підприємстві був токарно-гвинторізний верстат зі східчастиним шківом моделі ТВ-155В.
У 1934 році на заводі було створено оригінальний токарно-гвинторізний верстат моделі СП-162 з числом швидкостей - 8, числом обертів шпинделя за хвилину - від 24 до 482. На верстаті вперше було встановлено індивідуальний електродвигун потужністю 1,5 кВт.
В 1935 завод першим в СРСР виготовив різьбофрезерний верстат моделі 561, а з військового 1941 приступає до випуску цілої гами різьбофрезерних напівавтоматів: 5А63, 5А64, 5М63, 5М64.
У роки війни завод освоїв випуск токарно-гвинторізного верстата 1615 року і незабаром модернізував його, довівши швидкість шпинделя до 1000 обертів на хвилину.
У 1949 році запущений у серійне виробництво верстат 1616 , у шістдесятих роках моделі - 1В616 та 1А616 , а з початку сімдесятих років почався випуск серії 16Б16 .
З 90-х років минулого століття підприємство СВСЗ випускає токарні верстати під торговою маркою SAMAT .
Токарно-гвинторізний верстат 16Б16 замінив у серійному виробництві (1970 рік) верстат 1А616 .
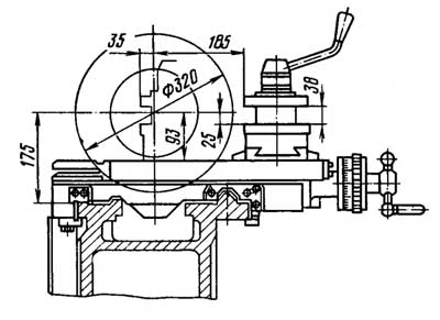
Верстат токарно-гвинторізний 16Б16 призначений для виконання операцій токарної обробки нормальної точності деталей діаметром до Ø320 мм та довжиною до 500, 750, 1000 мм.
Висока точність і чистота обробки забезпечуються точністю виготовлення всіх базових деталей і ретельністю складання верстата, застосуванням в якості опор шпинделя високоточних підшипників, балансуванням всіх деталей верстата, що швидко обертаються, широким діапазоном швидкостей різання з безступінчастиним регулюванням.
Відлік поздовжніх та поперечних переміщень різця ведеться за лімбами або індикаторними упорами, встановленими на каретці та станині верстата.
Шпиндель верстата 16Б16 отримує 24 швидкості обертання. 12 швидкостей обертання шпиндель отримує безпосередньо від коробки швидкостей через клинопасову передачу та розвантажений приймальний шків і 12 швидкостей обертання через перебірні шестерні (1:4, 1:16) передньої бабки. Для керування перебором служить права рукоятка на передній бабці.
12 ступенів на вхідному валу передньої бабки забезпечує 6-ступінчаста коробка швидкостей і двошвидкісний електродвигун. Зміна чисел оборотів проводиться за рахунок переміщення блоків шестерень по шліцьових валів за допомогою двох рукояток, виведених на передню стінку коробки швидкостей. Реверс шпинделя здійснюється фрикційною муфтою. Гальмування електромагнітною муфтою підключенням постійного струму в обмотку статора електродвигуна. Установка частоти обертання шпинделя здійснюється рукоятками 9, 37 (див. рис.3) та електроперемикачем
Токарний верстат 16Б16 має прискорений хід каретки та супорта в поздовжньому та поперечному напрямках .
Керування робітниками та прискореними переміщеннями каретки та супорта здійснюється однією рукояткою, зручно розташованою на фартуху.
Верстат комплектується чотирипозиційним різцеутримувачем та різцеутримувачем з механізмом швидкого відведення різця при нарізанні різьблень.
Частота обертання шпинделя встановлюється ручкою, розташованою на фартуху. Її можна змінювати під час обертання шпинделя.
При виконанні обробки обробки рух від шпинделя коробці подач передається ремінною передачею, що сприяє плавній роботі верстата при високій частоті обертання шпинделя і тривалому збереженню точності змінних коліс.
Верстат має сучасну архітектурну форму, зручний в управлінні та обслуговуванні.
Клас точності верстата Н згідно з ГОСТ 8-71.
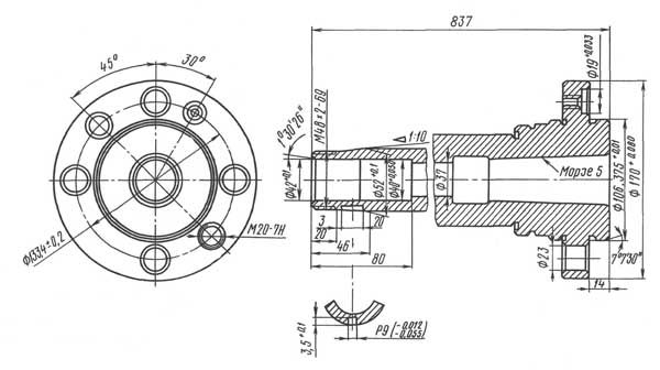
Передній кінець шпинделя виконаний за ГОСТ 12593 (DIN 55027, ISO 702-3-75) під поворотну шайбу, з коротким конусом, що центрує:
Механізм передньої бабки дозволяє:
Коробка подач - уніфікований вузол 16Б16П.070.000 забезпечує, нарізання метричної, дюймової, модульної та різьби живлення без застосування змінних шестерень. Для нарізування точного різьблення ходовий гвинт може бути прямо включений, минаючи коробку подач.
Механізм коробки подач дає можливість отримати через гвинт наступні різьблення:
Без додаткових змінних коліс на верстаті моделі 16Б16 можливе нарізання різьблення підвищеної точності .

Креслення робочого простору токарного верстата 16Б16

Посадочні та приєднувальні бази верстата 16Б16

Фото токарно-гвинторізного верстата 16Б16
Фото універсального токарно-гвинторізного верстата 16Б16. Завантажити у збільшеному масштабі

Фото токарно-гвинторізного верстата 16Б16
Фото універсального токарно-гвинторізного верстата 16Б16. Завантажити у збільшеному масштабі

Фото токарно-гвинторізного верстата 16Б16
Фото універсального токарно-гвинторізного верстата 16Б16. Завантажити у збільшеному масштабі

Фото токарно-гвинторізного верстата 16Б16к з АКС і УЦИ
Фото токарно-гвинторізного верстата 16Б16 з АКС та УЦІ. Завантажити у збільшеному масштабі

Шпиндельная бабка токарно-гвинторізного верстата 16Б16к з АКС
Фото токарно-гвинторізного верстата 16Б16 з АКС. Завантажити у збільшеному масштабі

Фото токарно-гвинторізного верстата 16Б16к з АКС

Розташування органів керування токарним верстатом 16Б16
Розташування органів керування токарно-гвинторізним верстатом 16Б16. Скачать в увеличенном масштабе

Таблиця налаштування різьб і подач токарно-гвинторізного верстата 16Б16
Таблиця налаштування різьб і подач токарно-гвинторізного верстата. Скачать в увеличенном масштабе

Таблиця налаштування різьб і подач токарно-гвинторізного верстата 16Б16 з АКП
| Наименование | 16Б16 16Б16П |
16Б16К 16Б16KП |
16Б16А | 16Б16КА |
|---|---|---|---|---|
| Станина | 16Б16П.011.000 | 16Б16П.011.000 | 16Б16А.011 | 16Б16А.011 |
| Бабка шпиндельна | 16Б16П.020.000 | 16Б16П.020.000 | 16Б16А.020 | 16Б16А.020 |
| Коробка швидкостей | 16Б16П.024.000 | АКП | 16Б16П.024 | АКС 109 |
| Коробка передач | 16Б16П.080.000 | 16Б16П.080.000 | 16Б16А.080 | 16Б16А.080 |
| Коробка подач | 16Б16П.070.000 | 16Б16П.070.000 | 16Б16А.070 | 16Б16А.070 |
| Суппорт | 16Б16П.045.000 | 16Б16П.045.000 | 16Б16П.045 | 16Б16П.045 |
| Каретка | 16Б16П.051.000 | 16Б16П.051.000 | 16Б16А.051 | 16Б16А.051 |
| Резцедержатель | 16Б16П.048.000 | 16Б16П.048.000 | 16Б16П.048 | 16Б16П.048 |
| Фартук | 16Б16П.062.000 | 16Б16П.062.000 | 16Б16A.061 | 16Б16A.061 |
| Шкивы головного привода | 16Б16.162.000 | 16Б16.162.000 | 16Б16.162 | 16Б16.162 |
| Привід ускоренного ходу | 16Б16П.159.000 | 16Б16П.159.000 | 16Б16П.159 | 16Б16П.159 |
| Бабка задня | 16Б16П.330.000 | 16Б16П.330.000 | 16Б16П.030 | 16Б16П.030 |
| Тумба правая | 16Б16П.017.000 | 16Б16П.017.000 | 16Б16П.017 | 16Б16П.017 |
| Шкаф керування | ШОС 5906 | ШОС 5906 | ||
| Електроустаткування | 16Б16П.195.000 | 16Б16КП.195.000 | ||
| Охлаждение | 16Б16П.251.000 | 16Б16П.251.000 | 16Б16П.251.000 | 16Б16П.251.000 |
| Система змазки | 16Б16П.240.000 | 16Б16П.240.000-03 | 16Б16П.240.000 | 16Б16П.240.000 |

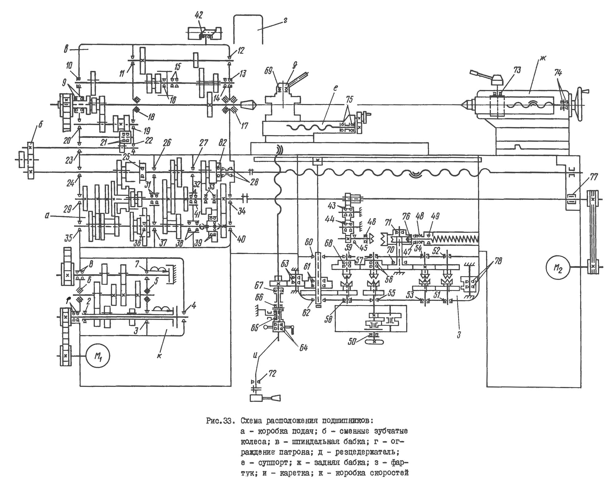
Кінематична схема токарного верстата моделі 16Б16
Схема кінематична токарно-гвинторізного верстата 16Б16. Скачать в увеличенном масштабе
Схема розположення підшибників качения токарного верстата 16Б16. Скачать в увеличенном масштабе
* для частоти обертання шпинделя 16..1600 об/мин
** для частоти обертання шпинделя 25..2500 об/мин

Креслення коробки швидкостей токарного верстата 16Б16
Коробка швидкостей (устанавливается на верстати 16Б16) на шесть ступеней монтируется в отдельном корпусе і крепится к задньої наружной стенке левого торца тумбы.
Для натяжения ремня, идущего от коробки к шпинделю, коробка може перемещаться в вертикальной плоскости з помощью гвинта б (рис.5).
Механізм коробки швидкостей приводится в рух от двухскоростного електродвигуна через зубчатую ременную передачу.
Шкив 16, связанный со шлицевой ступицей 15, передает вращение валу 14, свободно проходящему через вал-гильзу 20.
Вал 14 связан з дисками приводной електромагнитной муфты 25, при включении которой рух з вала 14 передається связанному з ней валу-гильзе 20, через полумуфту 24. Коробка швидкостей позволяет получить шесть различных швидкостей на выходном шкиве 13. Далее рух через зубчатую ременную передачу передається на шкив шпиндельной бабки.
Все зубчасті колеса 7-11, 18, 19, 22 коробки швидкостей изготовлены из легированных сталей і подвергнуты термической обработке з післядующей шлифовкой профиля зубьев.
С выходным валом 4 коробки швидкостей связана обеспечивающая надежное і быстрое торможение верстата тормозная електромагнитная муфта 3 з ходовым винтом 12.
Смазка електромагнітних муфт, зубчатых колес і підшибників коробки швидкостей осуществляется от насоса змазки поливом по трубопроводам I, 43 со штуцерами 2, 44.
Установка частоти обертання шпинделя осуществляется рукоятками 9, 37 (см. рис.3) і електропереключателем 14.
Керування коробкой швидкостей однорукояточное.
При выборе той или иной скорости коробки швидкостей рукоятку 27 (см. рис.5) нужно отклонить на себя до отказа, затем, поворачивая її влево или вправо, совместить указатель 29 з необходимый номером скорости. После етого рукоятка 27 досылается вперед.
В механізм керування коробкой швидкостей встроен конечный выключатель, расположенный на верхней стенке корпуса коробки, который при отклонении рукоятки 27 на себя, отключает електродвигатель, приводную 24 і тормозную 3 муфты. Инерционное вращение зубчатых колес коробки швидкостей позволяет легко вводить их в зацепление при переключении швидкостей.
Рукоятка 27 при отклонении на себя через штифт 28 тянет за собой валик-тягу 37, который в свою очередь поворачивает рычаг 31, сидящий на оси 32. Реечный сектор 30 скользит вдоль зубьев рейки 5.
Рычаг 31 через ось 32 поворачивает рычаг 33, который своим сухарем входит в паз барабана 23, который, перемещаясь вдоль оси, своим диском В давит на пальцы 38 і через тяги 40, вилки 41 ставит все зубчасті колеса коробки швидкостей в нейтральное положение.
При вращении рукоятки 27 влево, і вправо при выборе той или иной скорости, зубчатый сектор 30 поднимает или опускает рейку 5, связанную з зубчатым колесом 22. Зубчатое колесо 22, связанное з диском Е фиксации і диском А блокировки тяг 40 через ось 26, поворачивает барабан 23.
Угловая фиксация барабана 23 і рукоятки 27 аи выборе скорости осуществляется роликом подпружиненного рычага 34, а осевая - шариком 36.
Диск А блокировки тяг при повороте зубчатого колеса 22 свободно вращается в прорезях втулок 39. На диске А имеется ряд фрезеровок, которые при выборе определенной скорости располагаются против втулок тех тяг 40, которые в данный момент будут вводить в зацепление необходимую пару зубчатых колес
Диск Д барабана 23 имеет ряд выступов і впадин.
При выборе определенной скорости против пальцев 38 тяг 40 располагаются выступы диска Д.
Отклоняя рукоятку 27 от себя, барабан 23 тем же путем, как было описано выше, возвращаем в исходное положение.
Впадины диска Д пропускают пальцы 38 тяг 40, а два выступа диска, упираясь в пальцы 38, перемещают через тяги 40 і вилки 41 необходимую пару зубчатых колес, соответствующую выбранной скорости.
Фрезеровки диска А пропускают втулки 39 перемещаемых тяг. Остальные тяги через втулки 39 блокируются диском А от осьового смещения.
Барабан 23 в рабочем положении от проворота блокируется пальцем 42.
Таким образом, каждая из тяг получает возвратно-поступательное рух в зависимости от положения пазов диска Д барабана 23 і пазов блокирующего, диска А.
Вилки, связанные з тягами, перемещают по шлицевым валам в определенных комбинациях зубчасті колеса 9, II, 17, 19, 21.
Рабочее зафиксированное положение пары зубчатых колес, соответствующей выбранной скорости, выглядит следующим образом: в осевом направлении зубчасті колеса зафиксированы через вилки 41, тяги 40, пальцы 38 между дисками В і Д барабана 23, а барабан 23 - шариком 36.
При монтаже системы переключения зубчатых колес необходимо учитывать следующее:
Пальцы 38 і втулки 39 должны свободно проходить через соответствующие фрезеровки в дисках Д і А.
Это достигается поворотом тяг 40 относительно вилок переключения 41 при ослаблении крепления післядних.
Для ослабления крепления вилок 41, расположенных на двух тягах у задньої стенки коробки швидкостей, предусмотрены отверстия, закрытые вытяжными заглушками 35.
Зубчатый сектор 30 на тяге 37 должен устанавливаться так, чтобы при возвратно-поступательном движении і вращении тяги 37 он не выходил из зацепления з рейкой 5.
Кроме вышеперечисленного не обходимо мати в виду, что при натяжении ремня редуктор-шпиндель, зубчатый сектор 30 і рычаг 31 меняют свои положения относительно рейки 5 і тяги 37.
При натяжении ремня необходимо вводить корректировку в положение елементів, поворачивая сектор 30 относительно тяги 37 і сменяя рычаг 31 по оси 32.
Установка частоти обертання шпинделя осуществляется рукояткой 9 (см. рис.3) і двумя рукоятками 14 і 15.
Керування автоматичною коробкой передач (AКП), установленной на верстатах, производится з помощью рукоятки 15, расположенной на панелі електрошафи.
Опис роботи і пристроя АКП приведено в руководстве по експлуатации коробки передач.

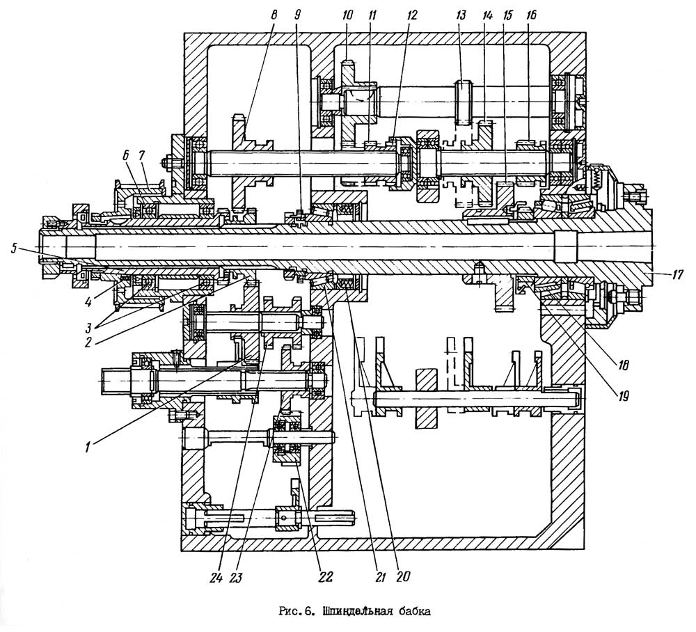
Креслення шпиндельной бабки токарного верстата 16Б16
Механізм передньої бабки получает рух от коробки швидкостей через зубчатый ремень і разгруженный приемный шкив 7 (рис.6) з уплотнением 4.
Шкив 7 сидит на конусе муфты-шестерни 5, вращающейся на двух радиально-упорных підшипниках 3, расположенных в корпусе 6.
Выборка осьового люфта в підшипниках производится пружиной 4.
Шпиндель верстата от приемного шкива через муфту-шестерню 5 получает 12 швидкостей обертання напрямую; 12 швидкостей з перебором 1:4 через зубчасті колеса 5, 8, 16, 15; 12 швидкостей з перебором 1:16 через зубчасті колеса 5, 8, 11, 10, 13, 14, 16, 15.
Увімкнення переборных групп, зубчатой муфты-шестерни 12 или відключення шпинделя для деления на заходы при нарезании різьб осуществляется рукояткой 9 (см. рис.3) з помощью переводок через систему рычагов, управляемых кривыми кулачков.
Надежная фиксация оси рукоятки 9 от проворота в рабочем положении производится подпружиненный шариком, расположенный в стакане на задньої стенке корпуса шпиндельной бабки.
Шпиндель 17 (см. рис.6) верстата вращается на двух конических роликопідшипниках 18 і 21.
Выбор радиального зазору в підшипниках производится пружинами 20.
Шпиндель верстата, имеющий фланцевый передний конец, выполненный по ГОСТ 12593-72, обеспечивает быструю смену планшайби і надежное її крепление.
Механізм передньої бабки позволяет:
Передачи осуществляются зубчатыми колесами 1, 2, 22, 23, 24 і колесами, перечисленными выше.
Шпиндель верстата 16Б16 смонтирован на 2-х роликовых конических підшипниках:
Комплект шпиндельных підшибників отрегулирован заводом-изготовителем і регулировки в процессе експлуатации не требует.
В случае замены комплекта шпиндельных підшибників при ремонтi затяжку переднего підшипника 18 (см. рис.6) гайкой 19 необходимо производить до начала изменения радиального биения оси шпинделя, при етом крутящий момент на гайке 19 не должен превышать 5 Н·м (приблизительно).
При затяжке заднего підшипника 21 крутящий момент на гайке 9 не должен превышать 110 Н·м (приблизительно).
Подшипник 697716 - ето роликовый, радиально-упорный, конічний (или же такой тип еще именуют «с коническими роликами»), двухрядный, широкой серии. Отличительной особенностью является наличие борта на наружном кольце. Применяется для восприятия радиальных і двухсторонних осевых нагрузок, при етом післядние не должны превышать 40% от неиспользованной допустимой радиальной. Устанавливается в вузли, где требуется высокая жесткость і долговечность роботи, а также одновременно з етим высокая точность обертання. В свете післяднего підшипники выпускаются только 2-й или 4-й степенями точності і з латунными сепараторами, по ТУ: 12-697716Л (группа радиального зазору — 1) і 14-697716Л.
В России етот подшипник изготавливают на Волжском підшибниківом заводе — 15 ГПЗ (продукция маркируется сейчас VPZ), а точнее, на филиале самарского Завода Авиационных Подшипников, который существует при 15 ПЗ. Підшипники купить лучше всего у одного из дилеров ЕПК, к которой относятся оба завода в настоящее время. Цена підшипника, изготовленного по второму классу точності составляет чуть более 10000 рублей, по четвертому — на несколько сотен рублей дешевле. Если же ети підшипники вам предлагают по существенно более низким ценам, то ето повод насторожиться — скорее всего они будут неликвидными, в лучшем случае — з хранения, з истекшим сроком консервации і без заводской гарантии.

Схема підшипника 697716 токарного верстата 16Б16

Фото підшипника 697716 токарно-гвинторізного верстата 16Б16
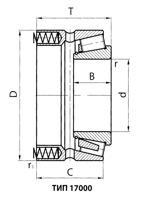
Подшипник 17814 - ето роликовый, радиально-упорный, конічний (или же такой тип еще именуют «с коническими роликами»), однорядный.
Производится етот тип согласно ТУ 37.006.133. Угол контакта у конических підшибників составляет от 10 до 18°, что позволяет експлуатировать их в условиях высоких радиальных і осевых нагрузок. Характерной особенностью изделий серии 17000 является наличие пружин на внешнем кольце.
Підшипники етого типа выпускаются в настоящее время только на одном предприятии страны — ОАО «Завод Авиационных Подшипников», а точнее в его филиале при 15 ГПЗ в городе Волжский (модификация 2-17814 Л, з сепаратором из латуни, 2-ой степени точності или 4-17814 Л, более низкой четвертой). На изделии, которое вы купите, наверняка будет стоять обозначение 15 ГПЗ или VPZ — по сути, филиал ЗАПа, ето лишь цех на етом заводе і раньше підшипники етого типа выпускались з такой маркировкой. В отличии от большинства других роликопідшибників серии 17000, данный тип имеет более менее значимую степень применяемости, поетому з его покупкой проблем возникнуть не должно, однако купить его можно в основном не у официальных представителей ЕПК, а у фирм, занимающихся скупкой — перепродажей підшибниківой продукции (грубо говоря, неликвидами). Этот подшипник бывает у них, как правило, удовлетворительного качества і цена намного меньше официальной заводской.

Схема підшипника 17814 токарного верстата 16Б16

Фото підшипника 17814 токарно-гвинторізного верстата 16Б16

Креслення суппорта токарного верстата 16Б16
Резцедержатель з помощью суппорта може перемещаться вдоль і поперек станины от механического приводу на рабочей подаче і ускоренно, а также от руки.
Каретка і поперечная ползушка суппорта имеют ограничения ходу в обе стороны. При перемещении суппорта до упора срабатывает механізм отключения фартука.
При необходимости каретка суппорта (рис.11) з помощью гвинта 18 (см. рис.3) може быть закреплена в любом месте станины.
Фартук имеет четыре пары кулачковых муфт I (рис.9), 2, 3, 4, которые позволяют осуществлять прямой і обратный ходы каретки і суппорта. Керування переміщеннями каретки і нижней частини суппорта осуществляется рукояткой 19. Направление увімкнення рукоятки совпадает з направлением переміщення каретки і суппорта.
Увімкнення быстрых перемещений суппорта в указанных четырех направлениях осуществляется дополнительным нажатием кнопки IB, встроенной в рукоятку 19.
При етом включается електродвигатель быстрых ходов, который через клиноременную передачу сообщает рух ходовому валу.
Величина переміщення фартука з помощью маховика отсчитывается по лимбу і нониусу з ценой деления, соответственно, I і 0,1 мм.
Фартук имеет блокирующее пристрій, препятствующее одновременному включению поздовжньої і поперечної подач суппорта і маточной гайки верстата.
В фартук встроен предохранительный механізм от перегрузки верстата, отрегулированный на максимальную величину зусилля отключения фартука (6000 ± 500) H.
При работе по упорам усилие отключения фартука можно снизить до необходимой величины гайкой 6 і ослаблением пружины 7.
Предохранительный механізм работает следующим образом.
При встрече каретки з упором или при перегрузке и, следовательно, остановке червячного зубчатого колеса 14, червяк 13, продолжая вращаться, вывертывается і через сухарь 12, толкатель II, упорный подшипник 10, сжимая пружину 7, толкает стакан 9 вправо.
Защелка 8, западая в прорезь стакана 9, препятствует возвращению червяка в исходное положение.
При дальнейшем вращении червяка происходит смещение муфты 15 вправо под воздействием пружины 15, мелкозубая часть муфты 15 выходит из зацепления з муфтой 17. Червяк 13 превращает вращаться.
Чтобы включить фартук, необходимо освободить стакан 9, подняв защелку 8.
Пружина 7 включит расцепленные зубчасті муфты 15. 17 і червяк 13.
Для нарізання різьби необходимо рукоятку 19 установить в нейтральное положение і рукояткой 20 включить маточную гайку. При етом реечную шестерню следует вывести из зацепления, вытянув кнопку 5 на себя.
Смазка фартука, направляючих станины і каретки производится плунжерным насосом, встроенным в крышку фартука.

Креслення задньої бабки токарного верстата 16Б16
Задня бабка крепится к станине через систему рычагов і ексцентрик рукояткой I (рис.12).
При необходимости поперечное смещение корпуса осуществляется гвинтами 10, 12 при отжатом положении зажина рукоятки I.
Контроль правильного положения корпуса задньої бабки производится грубо по пригашенным при сборке местам і точно по оправке, зажатой в центрах верстата.
При етом несовпадение оси обертання шпинделя і оси отверстия пиноли в горизонтальной плоскости не должно превышать 0,01 мм.
Плоский конец гвинта 4 скользит в фиксирующем пазу ексцентрика 3. чтобы вывернуть винт 4 для демонтажу ексцентрика 3, необходимо цековку А совместить з винтом 4.
Зажим пиноли 8 осуществляется рукояткой 7.
ВНИМАНИЕ! МАКСИМАЛЬНЫЙ ХОД ПИНОЛИ - 120 мм. Винт 9 перемещается от маховичка 2.
Станина - литая чугунная коробчатой формы з поперечными П-образными ребрами - имеет две призматические і две плоские направляющие. Направляюще подвергнуты термообработке з післядующей шлифовкой. Станина устанавливается на одной тумбе. В нише правого торца станины размещен електродвигатель ускоренных ходов каретки.
На задньої стенке у левого торца тумбы смонтирована коробка швидкостей, у правого - станція змазки, а внутри тумбы расположен електродвигатель головного привода.
В нише правого торца тумбы расположены бачок для охлаждающей жидкости і насос системы охлаждения.
Коробка передач представлена на рис.7 і служит для передачи руху от выходного вала передньої бабки к приводному валу коробки подач.
Для получения подачі і нарізання метрической і дюймовой різьб устанавливаются зубчасті колеса основного набора з передаточным отношением 40/73 73/64 , а для нарізання модульной і питчевой різьб - з передаточным отношением 60/73 * 86/36
Ограждение коробки передач снабжено електрической блокировкой, исключающей случайное увімкнення верстата при открытом кожухе ограждения.
Коробка подач унифицированная 16Б16П.070.000 состоит из зубчатых колес 1-14, 16-23 і получает рух от выходного вала передньої бабки через сменные зубчасті колеса коробки передач.
Необходимые подачі і шаги різьби устанавливался поворотом рукояток 3 і 36 (см. рис.3), расположенных на передньої крышке коробки подач.
Увімкнення ходового гвинта или ходового валика, выбор типа різьби производится рукояткой 2.
Направление обертання ходового гвинта изменяется поворотом рукоятки 7, нормальный или увеличенный шаг різьби устанавливается рукояткой 6.
Для нарізання более точных різьб в коробке подач предусмотрено положение рукоятки 2, при котором ходовой винт включается напрямую, минуя механізм коробки подач. При етом нужный шаг подбирается сменными зубчатыми колесами специального набора.
Для осуществления быстрых перемещений суппорта в коробке подач смонтирована обгонная муфта 15 (см. рис.8), назначение которой - отключить коробку подач при быстром обратном ходе суппорта.
Механізм переключения зубчатых колес коробки подач собран на одной плите 26, которая крепится к корпусу коробки подач. Переключення зубчатых колес осуществляется з помощью системы рычагов, тяг і кулачков. Фиксация робочого положения зубчатых колес обеспечивается подпружиненными шариками, находящимися в рукоятках переключения.
При демонтаже механізма переключения необходимо следить за правильной установкой зубчатых колес 24 і 2.5, имеющих риски, которые при монтаже должны совпадать, иначе порядок сцепления зубчатых колес коробки подач будет нарушен.
Пристрій для защиты от стружки состоит из ограждения суппорта і ограждения верстата.
Ограждение суппорта, имеющее откидной прозрачный екран, крепится на каретке і перемещается вместе з ней.
Предусмотрена регулировка установки екрана по высоте.
Назначение ограждения верстата, состоящего (в основном) из щитка, подвешенного сзади суппорта, защитить окружающее верстат пространство от разлетающейся стружки.
Упор ограничения продольного переміщення каретки устанавливается на передньої полке станины, крепится з помощью винтов і прижимной планки і снабжен винтом тонкой регулировки, имеющим нониус з ценой деления 0,05 мм.
Комплект шпиндельных підшибників отрегулирован заводом-изготовителем і регулировки в процессе експлуатации не требует.
В случае замены комплекта шпиндельных підшибників при ремонтi затяжку переднего підшипника 18 (см. рис.6) гайкой 19 необходимо производить до начала изменения радиального биения оси шпинделя, при етом крутящий момент на гайке 19 не должен превышать 5 Н·м (приблизительно).
При затяжке заднего підшипника 21 крутящий момент на гайке 9 не должен превышать 110 Н·м (приблизительно).
При ремонтi верстата може появиться необходимость регулировки положения шпиндельной бабки относительно направляючих станины. Для етой цели служат винты 3 (рис.32), з помощью которых шпиндельна бабка разворачивается вокруг нерухомого штыря, расположенного в передньої частини корпуса.
Натяжение зубчатого ремня електродвигуна головного руху регулируется следующим образом: ослабляются винты крепления подмоторной плиты и, вращением гвинта 39 (см. рис.3), слегка натягивается зубчатый ремень.
Натяжение считается достаточным, если ветвь ремня от легкого натяжения рукой прогибается на 10... 15 мм.
ВНИМАНИЕ! ПОЯВЛЕНИЕ УДАРОВ ПРИ ПУСКЕ СТАНКА, ОСОБЕННО НА БОЛЬШИХ ЧАСТОТАХ ВРАЩЕНИЯ ШПИНДЕЛЯ, ГОВОРИТ О СЛАБОМ НАТЯЖЕНИИ РЕМНЕЙ.
Натяжение ремня коробки швидкостей осуществляется в следующем порядке: ослабляются винты крепления редуктора і вращением регулировочного гвинта 38 (см. рис.3) редуктор смещается вниз на необходимую величину. Ветвь ремня должна прогибаться от легкого нажатия рукой на I5...20 мм.
Чтобы сохранить положение рукоятки 37 неизменным, після натяжения ремня необходимо ослабить винты зубчатого сектора 30 (см. рис.5). Рукоятка 37 (см. рис.3) устанавливается в правильное положение і (фиксируется сектором 30 (см. рис. 5).
Натяжение ремня приводу ускоренного ходу осуществляется регулировочным винтом I (см. рис. 32), который фиксируется гайкой 2.
ВНИМАНИЕ! НЕОБХОДИМО ТЩАТЕЛЬНО СЛЕДИТЬ ЗА НАТЯЖЕНИЕМ РЕМНЕЙ В ПЕРВЫЕ 48 ч РАБОТЫ СТАНКА.
При точении конуса корпус задньої бабки може смещаться в поперечном направлении при помощи винтов 10 і 12 (см. рис.12).
Для совпадения осей центров передньої і задньої бабок совмещают запиленные при сборке плоскости корпуса і низка.
Задня бабка прижимается к направляющим станины ексцентриковым зажимом. Для регулювання зажиму необходимо заднюю бабку сдвинуть вправо так, чтобы правая часть бабки свесилась со станины; отверткой отрегулировать необходимую длину тяги 6 і законтрить її гайкой 5 в етом положении.
Установка рукоятки зажиму пиноли 11 в удобном для роботи положении може быть достигнута подшлифовкой проставочного кольца.
Свободный ход гвинта поперечного переміщення суппорта, возникающий при износе гайки гвинта поперечної подачі, необходимо выбрать следующим образом:
Оптимальная величина свободного ходу определяется легкостью ходу ползушки і не должна превышать I... 2 делений лимба.
Если по мере износа рукоятка резцедержателя 1 (см. рис. 10) в зажатом положении останавливается в неудобном месте, то путем подшлифовки или замены проставочного кольца можно установить рукоятку I в нужном положении.
Зацепление маточной гайки 27 (см.рис.9) з ходовым винтом отрегулировано на заводе-изготовителе.
Зацепление в гітарі сменных зубчатых колес должно быть отрегулировано так, чтобы зазор между профилями зубьев находился в пределах 0,1...0,2 мм.
Выбор оптимального зазору между кареткой і направляющими станины осуществляется путем подшлифовки прижимных планок каретки.
Выбор зазоров в направляючих поперечної ползушки производится подтяжкой соответствующих клиньєв.

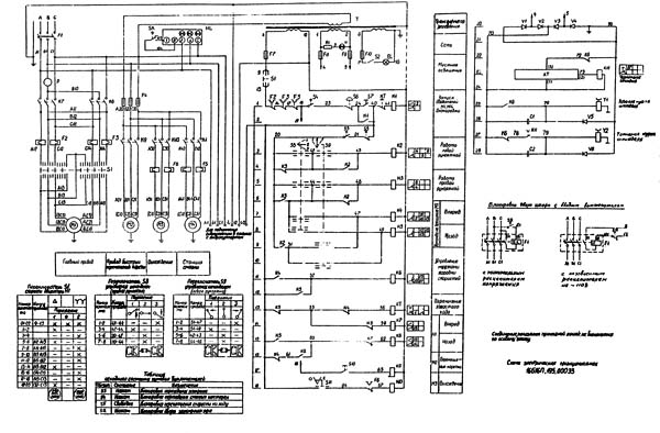
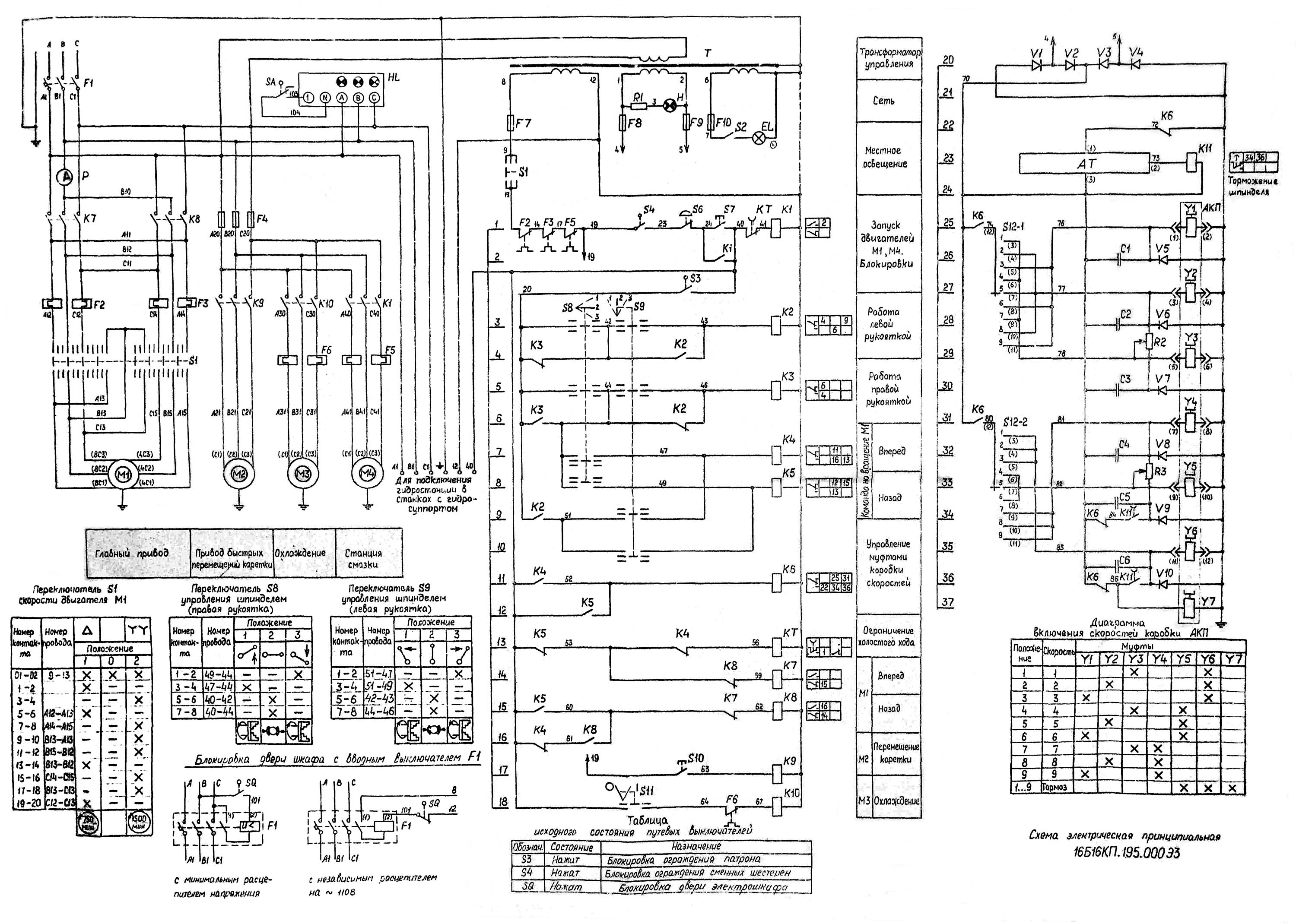
Електрична схема токарного верстата 16Б16
1. Схема електрична токарно-гвинторізного верстата 16Б16КА. Скачать в увеличенном масштабе
2. Схема електрична токарно-гвинторізного верстата 16Б16КА. Скачать в увеличенном масштабе
Схема розположення електроустаткування на станке предоставлена на рис. 16.
Электропривід верстата состоит из четырех трехфазных асинхронных електродвигателей М1, М2, МЗ і М4.
Коробка швидкостей головного приводу верстатів 16B16, 16Б16П, 16Л20, 16Л20П і 16Г16 имеет две електромагнітні муфты, которыми осуществляются пуск і торможение шпинделя верстата.
Коробка швидкостей верстатів 16Б16К, 16Б16КП, 1620К, 16Г16К, 16Л20КП имеет семь електромагнітних муфт, з помощью которых осуществляются переключение швидкостей, пуск і торможение шпинделя верстата.
Для керування включением і остановом шпинделя верстата имеются две рукоятки: правая переключателя S 8 і левая переключателя S 9.
Реверс шпинделя верстата осуществляется за счет реверса електродвигуна М1 головного привода.
Верстат снабжен електрошкафом.
На ставке могут применяться наступні напряжения: силовая ланцюг - трехфазная, 50 Гц 380 В; ланцюг керування переменного тока - 110 В, постоянного тока - 24 В; ланцюг местного освещения — 24 В; ланцюг сигнализации - 29 В.
| Наименование параметра | 1616 | 1А616 | 16Б16 |
|---|---|---|---|
| Основні параметри | |||
| Класс точності по ГОСТ 8-82 | Н | Н | Н |
| Наибольший диаметр заготовки, обрабатываемой над станиной, мм | 320 | 320 | 320 |
| Наибольший диаметр заготовки, обрабатываемой над суппортом, мм | 175 | 180 | 180 |
| Наибольшая длина заготовки, обрабатываемой в центрах (РМЦ), мм | 750 | 710 | 500,750,1000 |
| Наибольшая длина обтачивания, мм | 700 | 660 | 960 |
| Высота от опорной поверхности резца до линии центров, мм | 20 | 25 | |
| Наибольшее расстояние от оси центров до кромки резцедержателя, мм | 185 | 170 | |
| Высота оси центров над плоскими направляющими станины (высота центров), мм | 160 | 165 | |
| Наибольшая масса заготовки, обрабатываемой в патроне, кг | |||
| Наибольшая масса заготовки, обрабатываемой в центрах, кг | |||
| Шпиндель | |||
| Диаметр сквозного отверстия в шпинделе, мм | 30 | 35 | 45 |
| Наибольший диаметр прутка, проходящий через отверстие в шпинделе, мм | 29 | 34 | 44 |
| Частота прямого обертання шпинделя, об/мин | 19..1415 | 9..1800 (11,2..2240) | 25..2500 |
| Число ступеней частот прямого обертання шпинделя | 24 | 21 | 21 |
| Частота обратного обертання шпинделя, об/мин | 19..1415 | 9...1800 (11,2..2240) | 25...1250 |
| Число ступеней частот обратного обертання шпинделя | 24 | 21 | 18 |
| Размер внутреннего конуса в шпинделе, М | Морзе 5 | Морзе 5 | Морзе 6 |
| Кінець шпинделя по ГОСТ 12593-72 | 6К | 6К | |
| Торможение шпинделя | нет | есть | есть |
| Блокировка рукояток | нет | есть | есть |
| Суппорт. Подачи | |||
| Наибольшее перемещение поздовжньої каретки суппорта от руки, по валику, по винту, мм | 850/ 750/ 750 | 670 | 500,750, |
| Наибольшее перемещение поперечної каретки суппорта от руки, по винту, мм | 210/ 90/ нет | 195 | 220 |
| Цена деления лимба продольного переміщення суппорта, мм | 1 | 1 | |
| Цена деления лимба поперечного переміщення суппорта, мм | 0,02 | 0,05 | |
| Число ступеней продольных подач | 140 | ||
| Пределы продольных рабочих подач, мм/об | 0,07..1,67 | 0,065..0,91 | 0,05..2,8 |
| Пределы поперечных рабочих подач, мм/об | 0,02..1,24 | 0,065..0,91 | 0,025..1,4 |
| Скорость быстрых перемещений суппорта, продольных, м/мин | нет | нет | 4 |
| Скорость быстрых перемещений суппорта, поперечных, м/мин | нет | нет | 2 |
| Количество нарезаемых різьб метрических | |||
| Пределы шагов нарезаемых різьб метрических, мм | 0,5..9 | 0,5...24 | 0,25...56 |
| Количество нарезаемых різьб дюймовых | |||
| Пределы шагов нарезаемых різьб дюймовых | 38..2 | 56..1 | 112..0,5 |
| Количество нарезаемых різьб модульных | |||
| Пределы шагов нарезаемых різьб модульных | 0,5..9 | 0,25..22 | 0,25..56 |
| Количество нарезаемых різьб питчевых | |||
| Пределы шагов нарезаемых різьб питчевых | нет | 128...2 | 112...0,5 |
| Резцовые салазки | |||
| Наибольшее перемещение резцовых салазок, мм | 105 | 120 | |
| Перемещение резцовых салазок на одно деление лимба, мм | 0,02 | 0,05 | 0,05 |
| Наибольший угол поворота резцовых салазок, град | ±45° | ±90° | ±90° |
| Цена деления шкалы поворота резцовых салазок, град | 1° | 1° | 1° |
| Наибольшее сечение державки резца, мм | 20 х 30 | 20 х 25 | |
| Высота от опорной поверхности резца до оси центров (высота резца), мм | 20 | 25 | 25 |
| Число резцов в резцовой головке | 4 | 4 | 4 |
| Задня бабка | |||
| Диаметр пиноли задньої бабки, мм | |||
| Конус отверстия в пиноли задньої бабки по ГОСТ 2847-67 | Морзе 4 | Морзе 4 | |
| Наибольшее перемещение пиноли, мм | 95 | 120 | |
| Перемещение пиноли на одно деление лимба, мм | 1 | 1 | |
| Величина поперечного смещения корпуса бабки, мм | ±10 | ±10 | ±10 |
| Електроустаткування | |||
| Количество електродвигателей на станке | 3 | 2 | 4 |
| Мощность електродвигуна головного привода, кВт | 2,8/ 1420 | 4 | 4,2; 7,1 |
| Тип електродвигуна головного привода | АОЛ42-4 | А02-41-4 | 4А132М8/4У3 |
| Мощность електродвигуна маслонасоса, кВт | 0,1 | ||
| Мощность електродвигуна насоса охлаждения, кВт | 0,1 | 0,125 | 0,125 |
| Насос охлаждения (помпа) | ПА-22 | ПА-22 | ПА-22 |
| Габарити і масса верстата | |||
| Габарити верстата (длина ширина высота), мм | 2355 х 852 х 1275 | 2135 х 1225 х 1220 | 2025 х 1110 х 2270 |
| Масса верстата, кг | 1850 | 1500 | 1900 |
Приложение: В случае поставки верстата з выемкой в станине, конусной линейкой или гідросуппортом руководство дополняется соответствующими приложениями.