Виробником токарно-гвинторізних універсальних верстатів 1А616К є Середньоволзький верстатобудівний завод СВСЗ , заснований у 1876 році.
Виробництво металорізальних верстатів на Середньоволзькому верстатобудівному заводі вперше почалося наприкінці січня 1926 року. Першим випущеним верстатом на підприємстві був токарно-гвинторізний верстат зі східчастиним шківом моделі ТВ-155В .
У роки війни завод освоїв випуск токарно-гвинторізного верстата 1615 року і незабаром модернізував його, довівши швидкість шпинделя до 1000 обертів на хвилину.
У 1949 році запущений у серійне виробництво верстат 1616 , у шістдесятих роках моделі - 1В616 та 1А616 , а з початку сімдесятих років почався випуск серії 16Б16 .
З 90-х років минулого століття підприємство СВСЗ випускає токарні верстати під торговою маркою SAMAT .
Верстат 1А616К сконструйований на основі базової моделі 1А616 з високим ступенем уніфікації функціональних вузлів та деталей.
Верстат призначений для токарної обробки порівняно невеликих деталей з різних матеріалів як швидкорізальними, так і твердосплавними інструментами в умовах індивідуального та серійного виробництва. На верстаті можна нарізати різцем метричні, дюймові, модульні та різьби.
Передній кінець шпинделя виконаний за ГОСТ 12593 (DIN 55027, ISO 702-3-75) під поворотну шайбу, з коротким центруючого конусом. (До 1959 року токарний верстат 1А616К випускався з різьбовим кінцем шпинделя (М76 х 6):
Оброблювана деталь встановлюється у центрах чи патроні. Привід верстата 1А616К здійснюється від одного електродвигуна через два клинопасових ременя і редуктор, розташований у лівій тумбі верстата.
Наявність клинопасової передачі оберігає механізми коробки швидкостей та шпиндельної бабки від динамічних ударів при пуску, реверсуванні та гальмуванні.
Гальмування електродвигуна приводу проводиться постійним струмом, що дає плавний і швидкий зупинку шпинделя без нагрівання електродвигуна.
Коробка подач верстата 1А616К забезпечує нарізування метричної, дюймової та модульної різьби без застосування змінних шестерень. Для нарізування точного різьблення ходовий гвинт може бути прямо включений, минаючи коробку подач.
Двигун для приводу швидкого ходу не передбачено.
У верстаті передбачена можливість встановлення гідрокопіювального пристрою та гідропневмоциліндрів для затиску виробів у патроні чи цангу.
Коробка подач забезпечує нарізання метричної, дюймової та модульної різьби без застосування змінних шестерень. Для нарізування точного різьблення ходовий гвинт може бути прямо включений, минаючи коробку подач.
Для нарізування різьблення з кроком до 6 мм рух, як і при подачі супорта, запозичується від верстата шпинделя. Різьблення з більшим кроком нарізаються при включеному переборі з використанням ланки збільшення кроку.
У токарномуу верстаті 1А616К передбачена можливість нарізання особливо точних різьблень шляхом виключення кінематичних ланцюгів коробки подач та застосування спеціальних прецизійних змінних зубчастиних коліс.

Габарит робочого простору верстата 1А616К. Ескіз супорта

Шпиндель токарно-гвинторізного верстата 1А616К

Станина токарно-гвинторізного верстата 1А616К
Станина токарно-гвинторізного верстата 1А616К. Дивитись у збільшеному масштабі

Фото токарного верстата 1А616К
Загальний вигляд токарно-гвинторізного верстата 1А616К. Дивитись у збільшеному масштабі

Фото токарного верстата 1А616К
Загальний вигляд токарно-гвинторізного верстата 1А616К. Дивитись у збільшеному масштабі

Фото токарного верстата 1А616К

Розташування основних вузлів та органів керування токарним верстатом 1А616К
Питание ланцюгів електроустаткування осуществляется следующими напряжениями:
Електроустаткування верстата предназначено для подключения к трехфазной сети переменного тока з глухозаземленным или изолированным нейтральным проводом.
На станке установлены два трехфазных короткозамкнутых асинхронных електродвигуна:

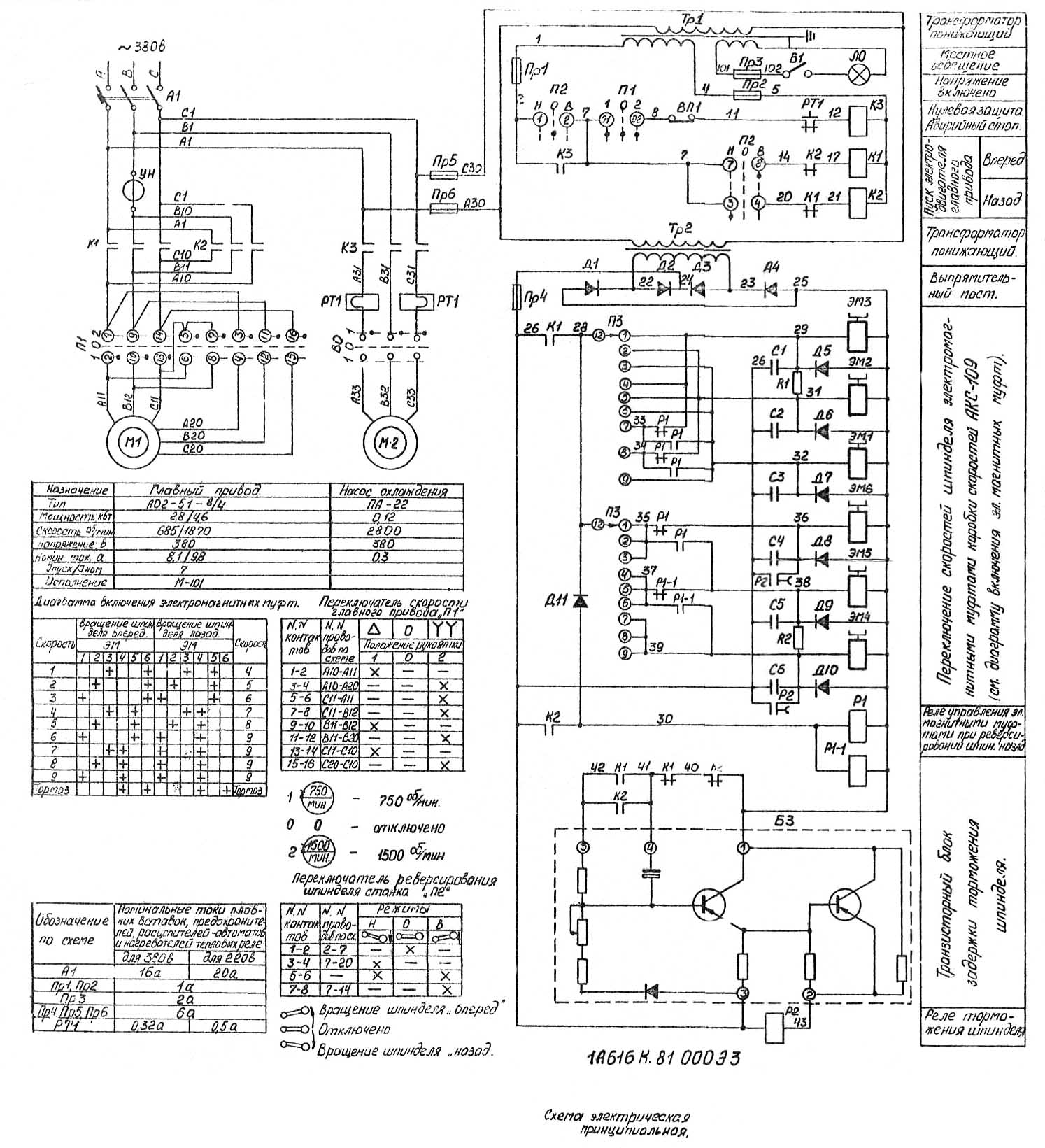
Електрична схема токарно-гвинторізного верстата 1А616К
Схема електрична токарно-гвинторізного верстата 1А616К. Дивитись у збільшеному масштабі

Схема блока задержки токарно-гвинторізного верстата 1А616К
Схема блока задержки токарно-гвинторізного верстата 1А616К. Дивитись у збільшеному масштабі
Аппаратура керування і защиты установлена в шкафе керування.
На пульті керування, размещенном на електрошкафе, установлено:
Электросхемой предусмотрен однофазный трансформатор ТБСЗ-0,16, напряжение первичной обмотки которого соответствует сети, а от вторичных обмоток питаются:
и однофазный трансформатор ТБС3-0,1, напряжение первичной обмотки которого соответствует сети, в от вторичной обмотки питаются:
Електросхема управлений предназначена для переключения ступеней чисел оборотів і реверсирования шпинделя верстата.
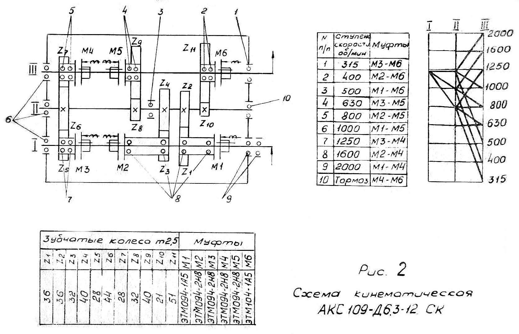
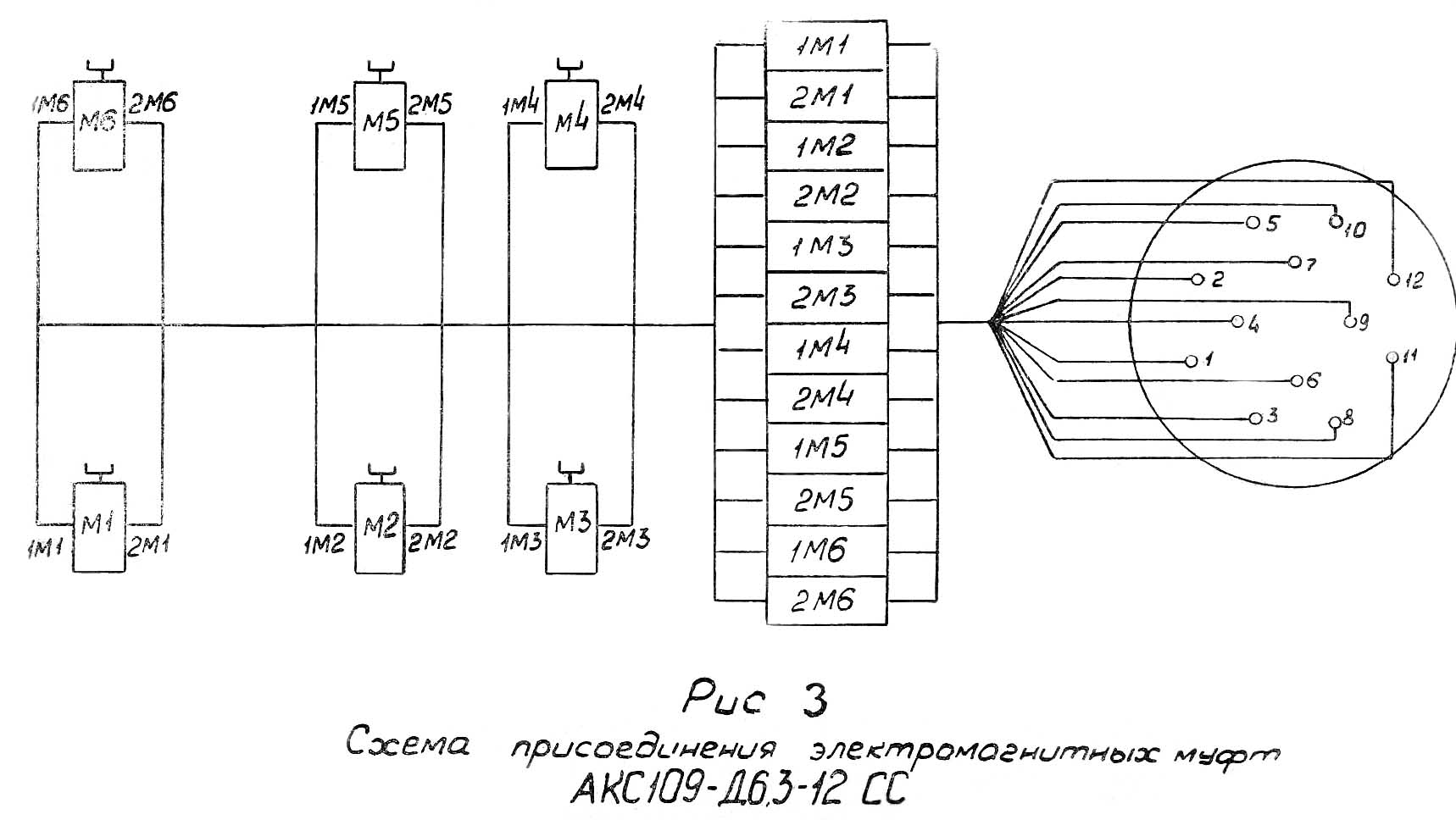
Для ступінчастого переключения чисел оборотів применена автоматическая коробка швидкостей типа АКС09Д6,3, выполненная на електромагнітних муфтах ЭТМ. Коробка имеет 9 швидкостей.
Пуск і зупинка шпинделя производится включением і отключением електродвигуна М1, который управляется пускателями К1 і К2, переключателем П2 і валиком з двумя рукоятками на три положения;
Керування АКС осуществляется галетным переключателем, установленном на передньої стенке шпиндельной бабки.
Торможение шпинделя осуществляется транзисторным блоком задержки Б3 і реле Р2. В блоке БЗ для увеличения постоянной часу (R-C) применена транзисторная схема керування реле Р2. Транзисторы Т1 і Т2 включены по схеме з общим коллектором. Регулювання постоянной часу (выдержки) производится шунтированием входного сопротивления резистором R5.
Установить рукоятку переключателя П3 в положение, соответствующее выбранной скорости.
При установці рукоятки переключателя П2 а положение рабочий или обратный «од включается електродвигатель головного приводя і соответствующие выбранной, скорости електромагнітні муфты коробки швидкостей £см. диаграмму увімкнення електромагнітних муфт).
При установці рукоятки переключателя П3 з робочого или обратного ходу в среднее положение "стоп", выключается електродвигатель головного приводу і включаются електромагнітні муфты ЭМ4 і ЭМ6, образуя кинематический замок в коробке АКС, создавая тем самым мгновенное торможение шпинделя, равное часу заряда конденсатора в блоке задержки Б3.
Захист електроустаткування верстата при коротких замыканиях осуществляется плавкими вставками Пр1..Пр3 і автоматическим выключателем А1, От длительных перегрузок по току, електродвигатель насоса охлаждении защищен тепловым реле РТ1. Пускатель КЗ исключает самозапуск електродвигуна при снижении, отключении і післядующем восстановлении напряжения питающей сети.
Главный привід верстата не включится, если не опущен щиток ограждения патрона. При случайном откидывании щитка ограждения патрона, отключается електродвигатель і включается торможение шпинделя.
После любого останова верстата, для подготовки схеми к работе, установить рукоятку переключателя П2 в среднее положение - стоп.
Ввод от електросети подключается к зажимам вводного клеммника. Для присоединения верстата к сети защитного заземления сзади верстата на передньої тумбе установлен спеціальний болт.
Заземление верстата обязательно!
ВНИМАНИЕ!
При осмотре или ремонтi електроапаратури вводной выключатель А1 должен быть отключен.
Перед пуском верстата в работу необходимо удалить смазку з полюсов електромагнитов в магнитных пускателях, просушить електродвигатели, если сопротивление изоляции обмоток менее 0,5 мгОм, замеренное мегометром на 500 Вольт.
Контакты магнитных пускачів специального ухода не требуют. После износа они подлежат замене. Срок износа контактов зависит от условий і режима роботи верстата. В случае сильного обгорания контактов допускается их зачистка мелким надфилем.
Не реже одного раза в два месяца очищать електрообладнання от пыли, подтягивать крепежные винты, проверять состояние контактов.
После 4000 часов роботи (но не реже одного раза в год), а при пыльной і влажной среде - через 2ООО часов (два раза в год) заменить смазку в шарикопідшипниках електродвигателей, для чего удалить старую смазку, промыть підшипники керосином, затем бензином я заполнить свежей смазкой 2/3 свободного простору внутри підшипника.

Список елементів електрической схеми токарно-гвинторізного верстата 1А616К

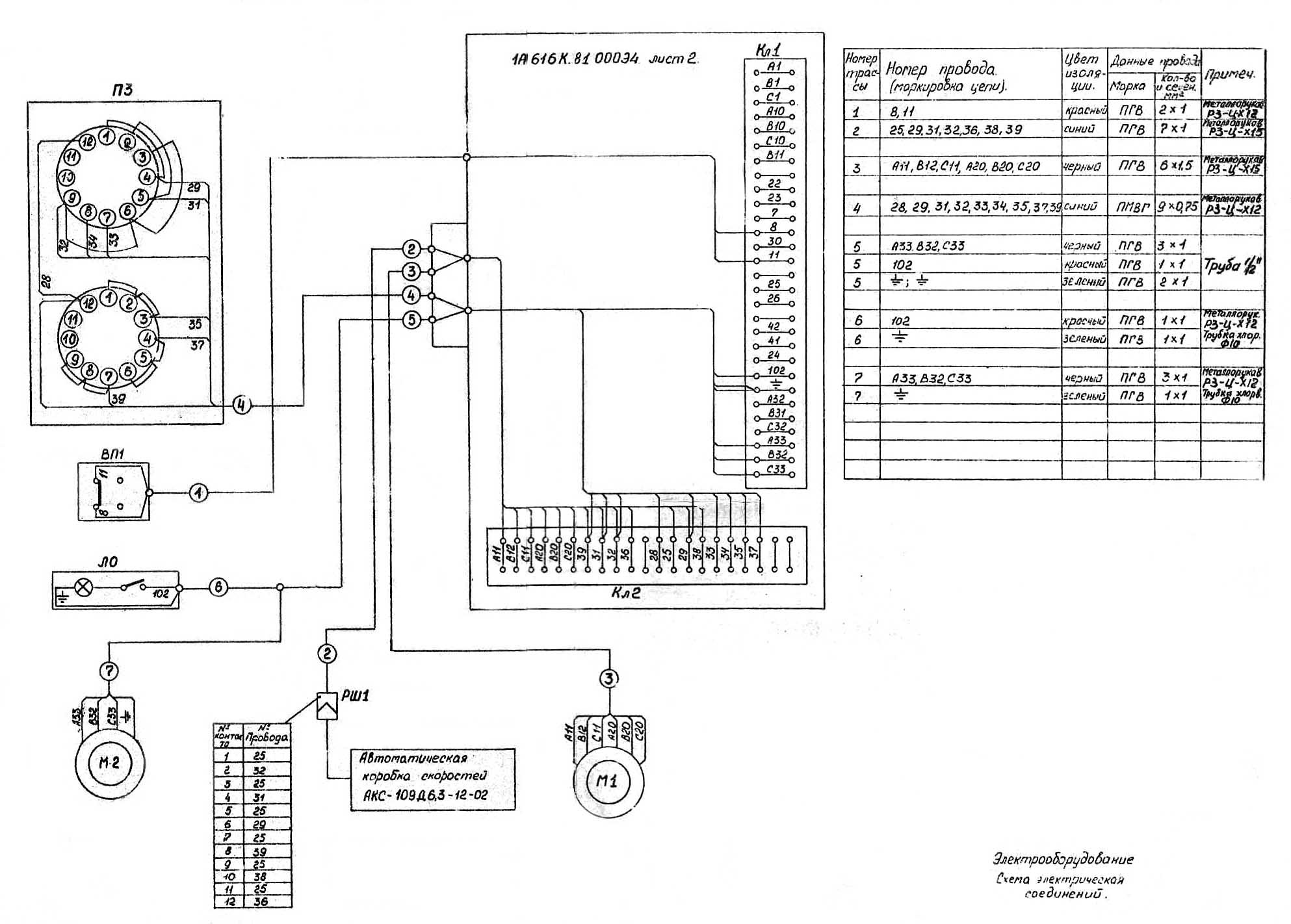
Схема з'єднань токарно-гвинторізного верстата 1А616К
Схема з'єднань токарно-гвинторізного верстата 1А616К. Дивитись у збільшеному масштабі

Схема з'єднань токарно-гвинторізного верстата 1А616К
Схема з'єднань токарно-гвинторізного верстата 1А616К. Дивитись у збільшеному масштабі

Схема з'єднань токарно-гвинторізного верстата 1А616К
Схема з'єднань токарно-гвинторізного верстата 1А616К. Дивитись у збільшеному масштабі

Схема з'єднань токарно-гвинторізного верстата 1А616К
Схема з'єднань токарно-гвинторізного верстата 1А616К. Дивитись у збільшеному масштабі

Схема з'єднань токарно-гвинторізного верстата 1А616К
Схема з'єднань токарно-гвинторізного верстата 1А616К. Дивитись у збільшеному масштабі

Схема з'єднань токарно-гвинторізного верстата 1А616К
Схема з'єднань токарно-гвинторізного верстата 1А616К. Дивитись у збільшеному масштабі
Автоматическая коробка швидкостей - покупной узел АКС-109 6,3 12м, изготовленный Псковским заводом зубчатых колес.
Коробка швидкостей на 9 ступеней крепится торцом на внутренней стенке тумбы і може перемещаться в вертикальной плоскости для натяжения ремней.
Керування АКС осуществляется рукояткой 26 на передньої стенке шпиндельной бабки електрическими сигналами постоянного тока 24 В.

Автоматическая коробка швидкостей токарного верстата 1А616К
Автоматическая коробка швидкостей токарного верстата 1А616К. Дивитись у збільшеному масштабі

Автоматическая коробка швидкостей токарного верстата 1А616К
Автоматическая коробка швидкостей токарного верстата 1А616К. Дивитись у збільшеному масштабі

Кінематична схема АКС 109 токарного верстата 1А616К
Кінематична схема АКС 109 токарного верстата 1А616К. Дивитись у збільшеному масштабі

Електрична схема АКС 109 токарного верстата 1А616К
Електрична схема АКС 109 токарного верстата 1А616К. Дивитись у збільшеному масштабі
Унифицированные автоматические коробки швидкостей серии АКС климатического исполнения О, категории розміщення. 4.1 по ГОСТ 15150-69 применяются в главном приводе верстатів токарной, сверлильной і фрезерной групп. Коробки можно использовать в универсальных верстатах, автоматах і напівавтоматух, в верстатах з программным керуванням.
АКС позволяет сосредоточить в механической передаче все операции керування головним приводом - пуск, торможение, регулювання скорости; кроме того, АКС обеспечивает высокую скорость переходных процессов, защиту деталей головного приводу от перегрузок і удобство роботи.
АКС обеспечивает ступенчатое регулювання скорости шпинделя на холостом ходу или в процесса різання в широком диапазоне з постоянной мощностью.
Привід АКС осуществляется от нерегулируемого или регулируемого електродвигуна.
Корпуса АКС имеют форму прямоугольного параллелепипеда з тремя расточками для валов, расположенными в одной плоскости.
АКС 109-6,3-12М — закрытого исполнения з автономной системой змазки і фланцевым креплением к верстату. Входной і выходной валы расположены з одной стороны в одной плоскости.
На входном валу АКС располагаются електромагнітні муфты:
На выходном валу АКС располагаются електромагнітні муфты:
Для змазки АКС следует применять масло марки Т-22 или ИГП-18. Тонкость очистки масла должна быть не более 25 мкм.
АКС з индивидуальной системой змазки имеют реверсивные встроенные насосы шиберного типа С12-43.
| Наименование параметра | 1616 | 1А616 1971г |
1А616п 1961г |
1А616к |
|---|---|---|---|---|
| Основні параметри | ||||
| Класс точності по ГОСТ 8-82 | Н | Н | П | Н |
| Наибольший диаметр заготовки, обрабатываемой над станиной, мм | 320 | 320 | 320 | 320 |
| Наибольший диаметр заготовки, обрабатываемой над суппортом, мм | 175 | 180 | 180 | 180 |
| Наибольшая длина заготовки, обрабатываемой в центрах (РМЦ), мм | 750 | 710 | 710 | 710 |
| Наибольшая длина обтачивания, мм | 700 | 660 | 660 | 660 |
| Высота от опорной поверхности резца до линии центров, мм | 20 | 25 | 25 | 25 |
| Наибольшее расстояние от оси центров до кромки резцедержателя, мм | 185 | 170 | 170 | 170 |
| Высота оси центров над плоскими направляющими станины (высота центров), мм | 160 | 165 | 165 | 165 |
| Наибольшая масса заготовки, обрабатываемой в патроне, кг | ||||
| Наибольшая масса заготовки, обрабатываемой в центрах, кг | ||||
| Шпиндель | ||||
| Диаметр сквозного отверстия в шпинделе, мм | 30 | 35 | 35 | 35 |
| Наибольший диаметр прутка, проходящий через отверстие в шпинделе, мм | 29 | 34 | 34 | 34 |
| Частота прямого обертання шпинделя, об/мин | 19..1415 | 9..1800 | 11,2..2240 | 18..1800 |
| Число ступеней частот прямого обертання шпинделя | 24 | 21 | 21 | 21 |
| Частота обратного обертання шпинделя, об/мин (число ступеней) | 19..1415 | 9...1800 | 11,2..2240 | 18..1800 (21) |
| Число ступеней частот обратного обертання шпинделя | 24 | 21 | 21 | 21 |
| Размер внутреннего конуса в шпинделе, М | Морзе 5 | Морзе 5 | Морзе 5 | Морзе 5 |
| Кінець шпинделя по ГОСТ 12593-72 | 6К | 6К | 6К | |
| Торможение шпинделя | нет | есть | есть | есть |
| Блокировка рукояток | нет | есть | есть | есть |
| Точность, тип і размер підшипника в передньої опоре | АВ 3182115 75х115-30 | А 3182116 80х125-34 | А 3182116 80х125-35 | А 3182116 80х125-34 |
| Суппорт. Подачи | ||||
| Наибольшее перемещение поздовжньої каретки суппорта от руки, по валику, по винту, мм | 850/ 750/ 750 | 670/ 670/ 670 | 670/ 670/ 670 | 670/ 670/ 670 |
| Наибольшее перемещение поперечної каретки суппорта от руки, по валику, по винту, мм | 210/ 90/ нет | 195/ - /195 | 195/ - /195 | 195/ - /195 |
| Цена деления лимба продольного переміщення суппорта, мм | 1 | 1 | 1 | 1 |
| Цена деления лимба поперечного переміщення суппорта, мм | 0,02 | 0,05 | 0,05 | 0,05 |
| Продольное перемещение на один оборот лимба, мм | 110 | 110 | 110 | |
| Поперечное перемещение на один оборот лимба, мм | 5 | 5 | 5 | |
| Число ступеней продольных подач | 140 | |||
| Пределы продольных рабочих подач, мм/об | 0,07..1,67 | 0,065..0,91 | 0,05..2,5 | 0,065..0,91 |
| Пределы поперечных рабочих подач, мм/об | 0,02..1,24 | 0,065..0,91 | 0,05..1,5 | 0,065..0,91 |
| Швидкість швидких переміщень супорта, поздовжніх, м/хв. | ні | ні | ні | |
| Швидкість швидких переміщень супорта, поперечних, м/хв. | ні | ні | ні | |
| Кількість нарізних різьблень метричних | ||||
| Межі кроків різьб метричних, що нарізаються, мм | 0,5..9 | 0,5..24 | 0,5..6 | 0,5..24 |
| Кількість нарізних різьблень дюймових | ||||
| Межі кроків різьблення дюймових | 38..2 | 56..1 | 48..2,5 | 56..1 |
| Кількість нарізних різьблень модульних | ||||
| Межі кроків різьблення модульних | 0,5..9 | 0,25..22 | 0,25..5 | 0,25..5,5 |
| Кількість нарізних різьблення питних | ||||
| Межі кроків різьблення питних | ні | 128...2 | 128..1,25 | 128...2 |
| Різцеві санки | ||||
| Найбільше переміщення різцевих санчат, мм | 105 | 120 | 120 | 120 |
| Переміщення різцевих санок на один поділ лімба, мм | 0,02 | 0,05 | 0,05 | 0,05 |
| Переміщення різцевих санчат на один оборот лімба, мм | 3 | |||
| Найбільший кут повороту різцевих санок, град | ±45° | ±90° | ±90° | ±90° |
| Ціна поділу шкали повороту різцевих санчат, град | 1° | 1° | 1° | 1° |
| Найбільший переріз державки різця, мм | 20 х 30 | 20 х 25 | 20 х 25 | 20 х 25 |
| Висота від опорної поверхні різця до осі центрів (висота різця), мм | 20 | 25 | 25 | 25 |
| Число різців у різцевій головці | 4 | 4 | 4 | 4 |
| Задня бабка | ||||
| Діаметр пінолі задньої бабки, мм | ||||
| Конус отвору в пінолі задньої бабки за ГОСТ 2847-67 | Морзе 4 | Морзе 4 | Морзе 4 | Морзе 4 |
| Найбільше переміщення пінолі, мм | 95 | 120 | 120 | 120 |
| Переміщення пінолі на один поділ лімба, мм | 1 | 1 | 1 | 1 |
| Розмір поперечного зміщення корпусу бабки, мм | ±10 | ±10 | ±10 | ±10 |
| Електроустаткування | ||||
| Кількість електродвигунів на верстаті | 3 | 2 | 2 | 2 |
| Привід головного руху, кВт (про/хв) | 2,8/ 1420 | 4 | 4,5 | 2,8; 4,6 (750/ 1500) |
| Тип електродвигуна головного приводу | AOL42-4 | АО2-41-4 | А51-4-Ш2-К1 | |
| Привід маслонасоса в станції мастила С48-14М, кВт | 0,1 | - | - | - |
| Привід насоса охолодження, кВт (про/хв) | 0,1 | 0,125 (2800) | 0,125 (2800) | 0,125 (2800) |
| Насос охолодження (помпа) | ПА-22 | ПА-22 | ПА-22 | ПА-22 |
| Габарити та маса верстата | ||||
| Габарити верстата (довжина ширина висота), мм | 2355 х 852 х 1275 | 2135 х 1225 х 1220 | 2135 х 1225 х 1220 | 2135 х 1225 х 1420 |
| Маса верстата, кг | 1850 рік | 1500 | 1500 | 1600 |
Додаток: У разі постачання верстата з виїмкою в станині, конусною лінійкою або гідросупортом керівництво доповнюється відповідними додатками.