Виробник токарного верстата моделі МК6046, МК6047, МК6048 – Московський верстатобудівний завод "Червоний пролетар" ім. А.І. Єфремова , заснований у 1857 році.
Токарно-винторезные верстати МК6046, МК6047, МК6048 пришли на смену знаменитому верстату 16К20 в 1988 году.
Верстати токарно-гвинторізні універсальні підвищеної точності моделей МК6046 , МК6047, МК6048 призначені для виконання найрізноманітніших токарних робіт, а також для нарізування метричної, дюймової та різьб.
Верстати МК6046 можуть бути оснащені пристроєм цифрової індикації (УЦІ) NVP 300 TRS фірми "Fagor", з системою поздовжнього та поперечного відліку переміщень супорта, що полегшує відлік переміщень різального інструменту та забезпечує стабільну точність розмірів виробів, що обробляються.
Оснащення верстатів пристроєм цифрової індикації дозволяє значно підвищити продуктивність праці, покращує психофізіологічні умови праці робітника, усуває суб'єктивні фактори, елементи випадковості при відліку переміщень ріжучого інструменту, збільшує швидкість сприйняття та переробки цифрової інформації, зменшує психологічні навантаження та загальну стомлюваність робітника.
Токарні верстати МК6046 з виїмкою в станині мають позначення літеру (Г). Виїмка в станині дозволяє збільшити діаметр заготовки, що обробляється, до Ø 630 мм. Виїмка за потреби може бути закрита "містком".
Верстати МК6046 можуть оснащуватися регульованим приводом головного руху (Р). Регульований привід верстата виконаний на базі частотного перетворювача фірм "OMRON", "Fagor" і серійного асинхронного двигуна.
Верстати можуть комплектуватися механізованим приводом різцевих санчат (М, Р) та ланцюгом дрібних подач.
Застосування у верстаті регульованого приводу забезпечує:
Верстати МК6046 можуть застосовуватись у різних галузях промисловості на всіляких операціях для обробки різних матеріалів. У зв'язку з цим обслуговування верстатів слід проводити з урахуванням специфіки їхньої експлуатації.
Остаточну обробку точних деталей рекомендується проводити на попередньо розігрітому верстаті.
Клас точності верстатів за ГОСТ 8-82 під час перевірки на відповідність ГОСТ 18097-88 - П.
У частинині впливу кліматичних факторів довкілля верстати виготовляються у виконанні УХЛ для категорії розміщення 4 за ГОСТ 15150-69.
Рід струму мережі живлення змінний трифазний
Частота струму 50 Гц, напруга 380 Ст.
Стандартний комплект постачання (Р):
У 1930 році на Московському верстатобудівному заводі "Червоний пролетар" було прийнято рішення про розробку нового верстата токарного, стандартного, скорочено ТЗ. Дещо пізніше його перейменували на ДІП-200 – Догонім І Перегонім , за головним гаслом першої п'ятирічки, де 200 – висота центрів над станиною. Як прототип був обраний токарно-гвинторізний верстат німецької фірми VDF . У квітні 1932 року розпочалася підготовка випуску першої партії верстатів ДІП-200.
25 квітня 1932 року був зібраний і випробуваний перший радянський універсальний токарно-гвинторізний верстат з коробкою швидкостей - ДІП-200 . До кінця 1932 року було випущено 25 ДІПів.
У 1934 році освоюється випуск верстатів ДІП-300 , ДІП-400 , ДІП-500 . Згодом виробництво цих верстатів було передано на Рязанський верстатобудівний завод. Виробництво верстата ДІП-500 було також передано на Коломенський завод важких верстатів КЗТС.
У 1937 році в ЕНІМС було розроблено типаж (номенклатура типів та розмірів) верстатів та прийнято єдину систему умовних позначень верстатів . За новою системою позначень перший ДІП-200 став називатися 1Д62 . Але абревіатура ДІП-200 збереглася і донині - для позначення токарного верстата з висотою центрів над станиною, що дорівнює або близько 200 мм.
В 1940 завод випустив верстат 162К (26А) - один з варіантів ДІП-200.
У 1945 році завод переходить на випуск модернізованого верстата ДІП-200 (ДІП-20М, 1д62м).
У 1948 році завод переходить на випуск верстата 1А62 .
У 1949-1953 без зупинки виробництва здійснено перехід на потокове виробництво токарного верстата 1А62. Також у різні роки випускалися: 1620, 1Б62, 1м620, 1622.
В 1954 був виготовлений дослідний зразок верстата 1К62 , серійне виробництво якого було запущено в 1956 році.
В 1956 завод перейшов на великосерійний випуск нового верстата 1К62. За наступні 18 років, протягом яких вони виготовлялися, було випущено 202 тисяч таких верстатів.
Випускалися модифікації, виготовлені на базі токарно-гвинторізного верстата 1к62: 1к625 , 1к620 , 1к62Б підвищеної точності та ін.
У 1965 році завод випустив токарно-гвинторізний верстат підвищеної точності 16Б20П , який став перехідною моделлю між 1к62 та 16к20. Коробка подач 16Б20П.070.000 та фартух 16Б20П.061.000 цього верстата стали стандартом для всіх наступних моделей цієї серії.
У 1971 році була виготовлена досвідчена партія верстатів 16К20 , у 1972 році на Лейпцизькому ярмарку верстат 16К20 був удостоєний золотої медалі.
У 1972-1973 проводилася реконструкція заводу у зв'язку з випуском нової моделі верстата 16К20. Освоюється серійне виробництво цих верстатів. До кінця року з конвеєра сходить до 1000 таких верстатів на місяць. На експорт вирушає близько 10%.
На основі базової моделі токарно-гвинторізного верстата 16К20 було виготовлено безліч модифікацій, у тому числі: 16К25 , 16К20М , 16К20П , 16К20В, 16К20Г, 16К20К, 16К20Ф1, 16.
Верстати з ЧПУ 16К20Ф3 , 16К20Ф3С32 , 16А20Ф3 , 16К20Т1 .
У 1988 році виробництво верстата моделі 16к20 припинено. На зміну йому прийшли токарно-гвинторізні верстати серії МК: МК6046, МК6047, МК6748 , МК6056, МК6057, МК6758 .
МК6046, МК6047, МК6048 - Ø 500 - Верстат токарний в базовій комплектації, частотний перетворювач для безступінчастого регулювання частоти обертання шпинделя, та виїмка в станині (Г).
МК6056, МК6057, МК6058 - Ø 500 - Верстат токарний в базовій комплектації, частотний перетворювач для безступінчастого регулювання частоти обертання шпинделя, та виїмка в станині (Г).
МК6046М, МК6047МГ, МК6048МГ - Ø 500 - Верстат токарний з механізованим приводом різцевих санчат і ланцюгом дрібних подач
МК6056М, МК6057МГ, МК6058МГ - Ø 500 - Верстат токарний з механізованим приводом різцевих санчат і ланцюгом дрібних подач
МК6046Р, МК6056Р, МК6048РГ, МК6058РГ - Ø 500 - Верстат токарний з механізованим приводом різцевих санчат і ланцюгом дрібних подач, пристроєм цифрової індикації в комплекті з регульованим головним приводом.

Ескіз супорту токарно-гвинторізного верстата МК6046

Фото токарно-гвинторізного верстата мк6046р

Фото токарно-гвинторізного верстата МК6046

Розташування складових частин токарно-гвинторізного верстата МК6046

Розташування складових частин токарно-гвинторізного верстата МК6046

Розташування органів керування токарно-гвинторізним верстатом МК6046
Розташування органів керування токарно-гвинторізним верстатом МК6046. Скачать в увеличенном масштабе
Електроустаткування верстата осуществляет:
Питание ланцюгів електроустаткування осуществляется следующими напряжениями:
Питание верстата осуществляется от сети трехфазного переменного тока напряжением 380 В, частотой 50 Гц. Качество електроенергии должно соответствовать ГОСТ 13109-97
На станке установлено 4 трехфазных асинхронных короткозамкнутых електродвигуна:

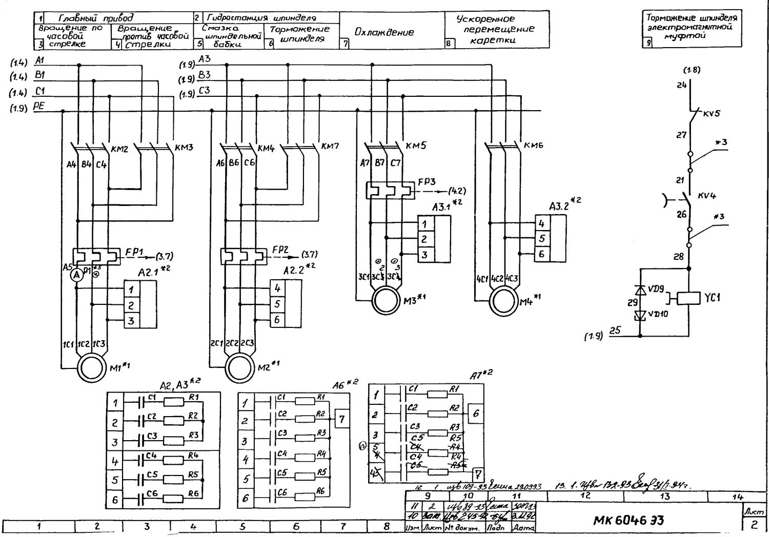
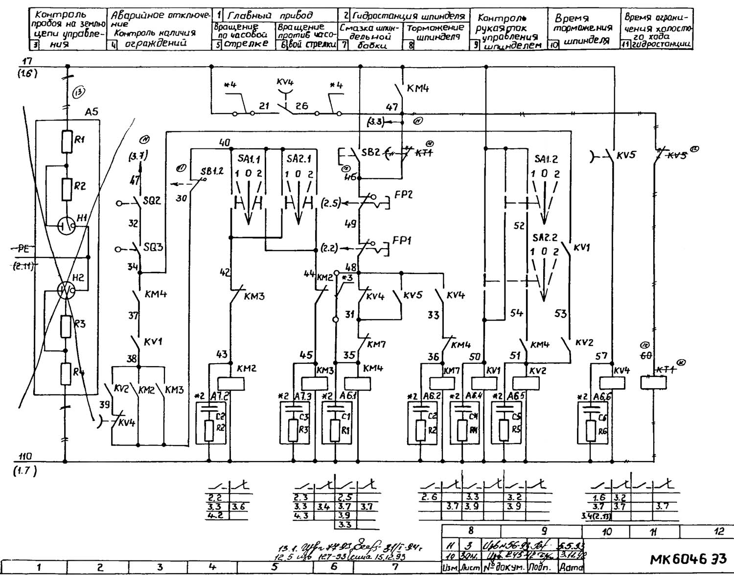
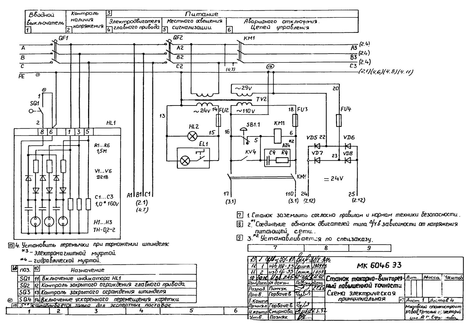
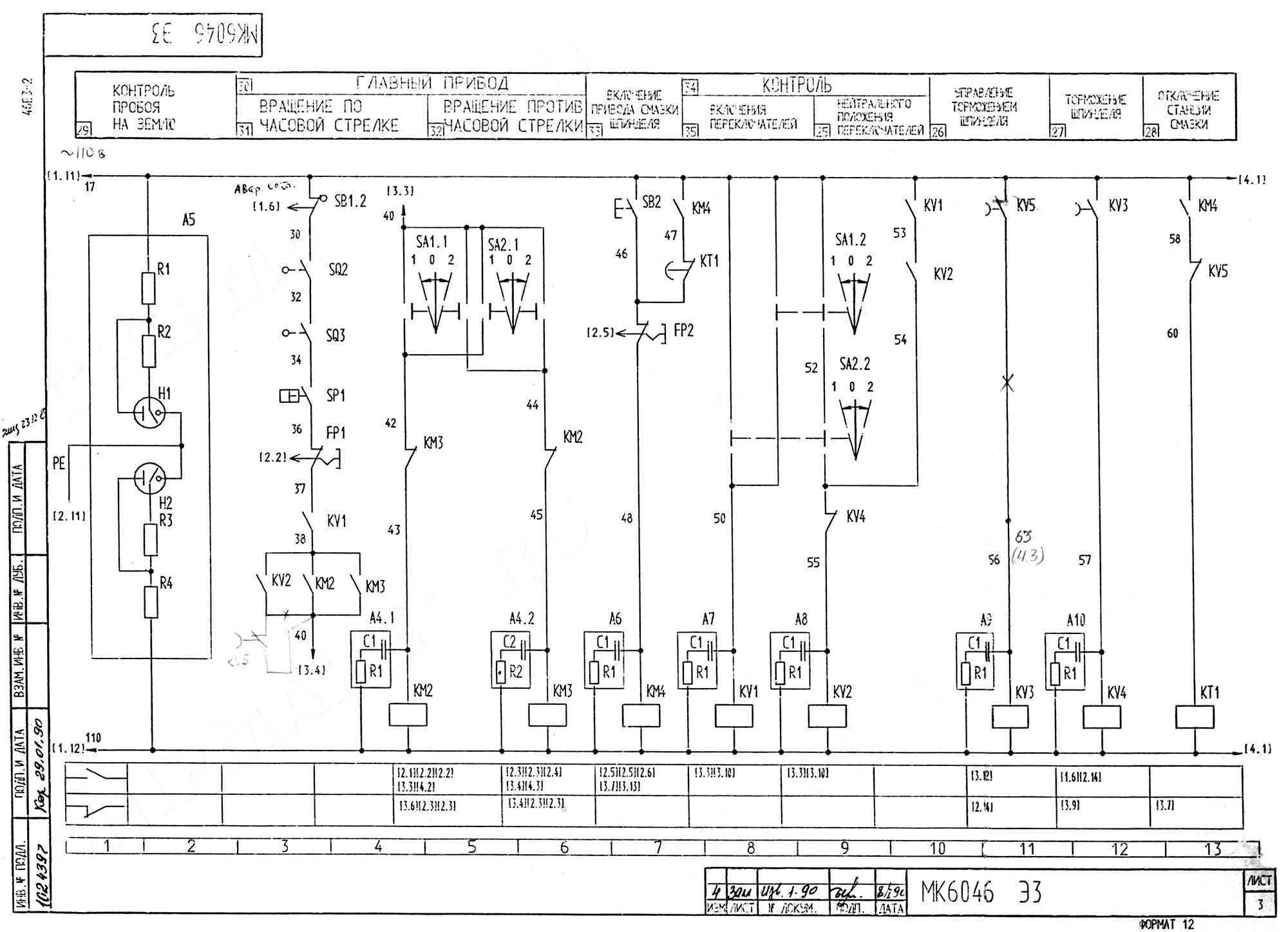
Електрична схема токарно-гвинторізного верстата МК6046
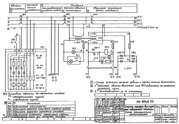
1. Схема електрична принципова токарно-гвинторізного верстата МК6046. Скачать в увеличенном масштабе
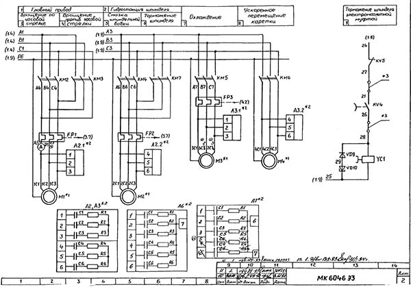
2. Схема електрична принципова токарно-гвинторізного верстата МК6046. Скачать в увеличенном масштабе

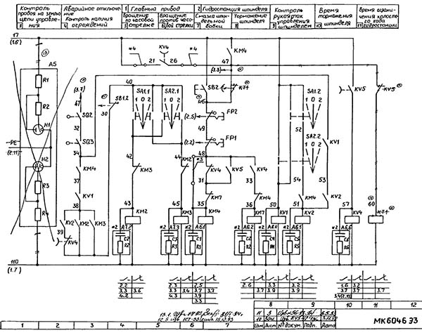
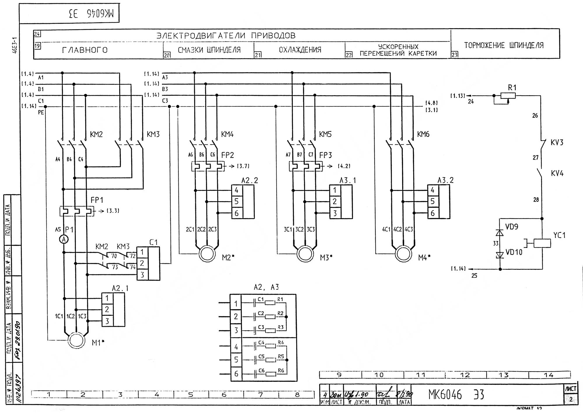
Електрична схема токарно-гвинторізного верстата МК6046
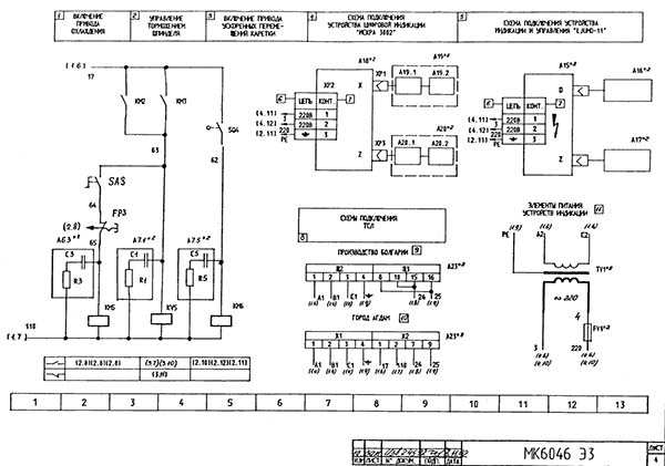
1. Схема електрична принципова токарно-гвинторізного верстата МК6046. Скачать в увеличенном масштабе
2. Схема електрична принципова токарно-гвинторізного верстата МК6046. Скачать в увеличенном масштабе

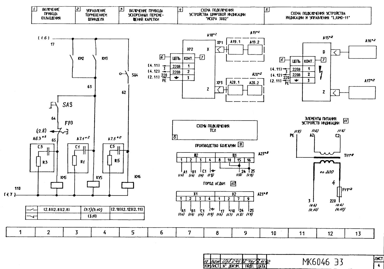
Електрична схема токарно-гвинторізного верстата МК6046
1. Схема електрична принципова токарно-гвинторізного верстата МК6046. Скачать в увеличенном масштабе
2. Схема електрична принципова токарно-гвинторізного верстата МК6046. Скачать в увеличенном масштабе

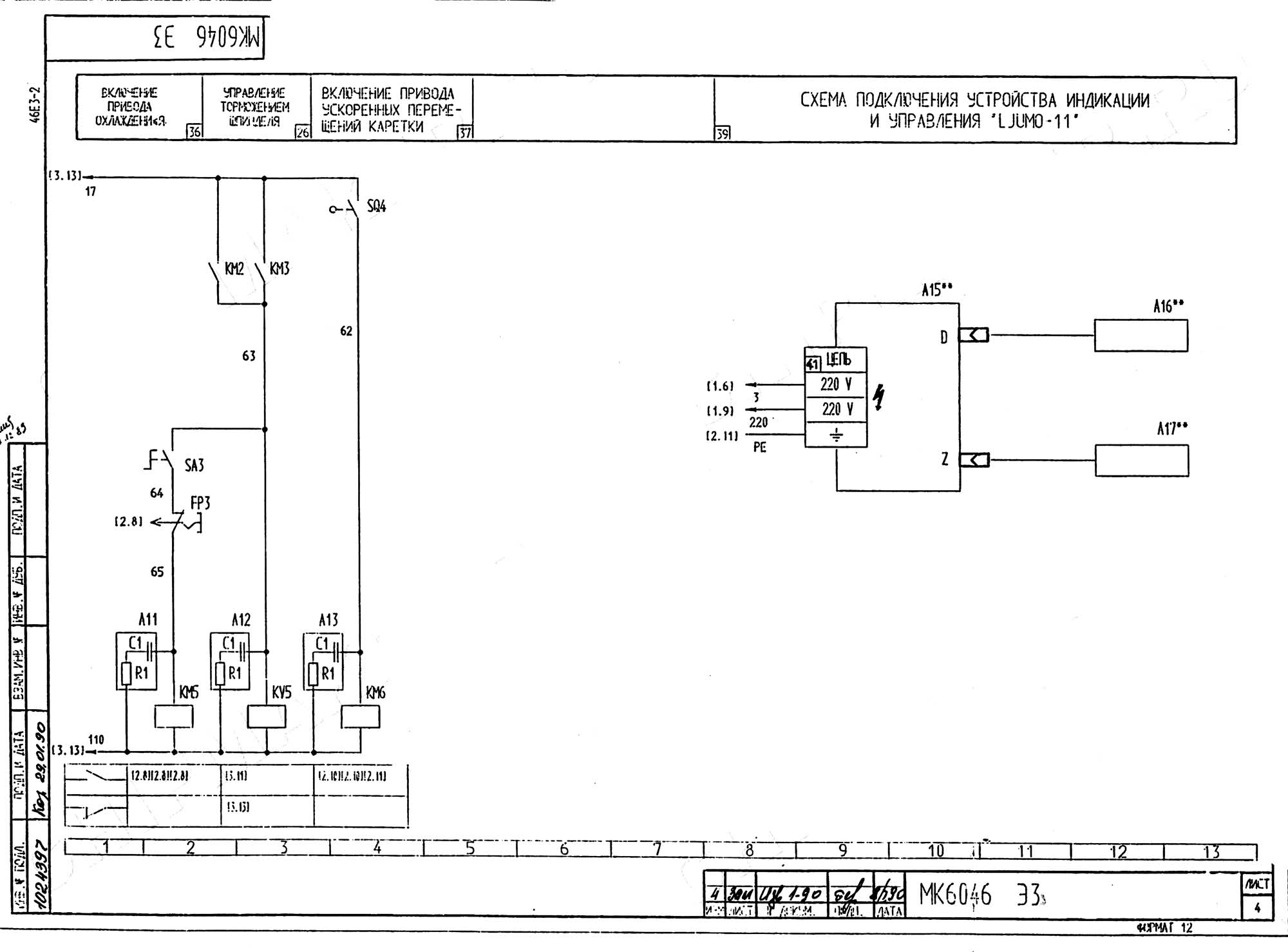
Електрична схема токарно-гвинторізного верстата МК6046
1. Схема електрична принципова токарно-гвинторізного верстата МК6046. Скачать в увеличенном масштабе
2. Схема електрична принципова токарно-гвинторізного верстата МК6046. Скачать в увеличенном масштабе
Електроустаткування верстатів моделей МК6056, МК6057, МК6058 включает в себя:
Полный состав електроустаткування верстата указан в перечне елементів МК6046 ПЭ3.
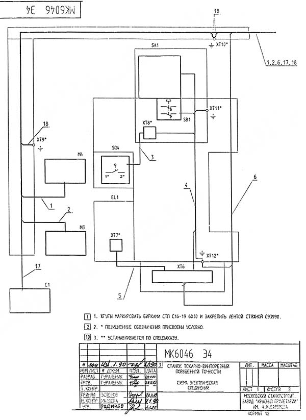
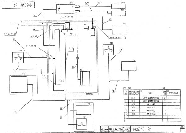
Работа електроустаткування определяется схемой електрической принципиальной МК6046 Э3.
Электрические соединения между частинами верстата выполнены по схеме з'єднань МК6046 ТЭ4.
При включении вводного автомата QF1 подается напряжение к ланцюги живлення електродвигуна головного привода, а также (при включенном автоматическом выключателе QF2) к ланцюги аварийного отключения KM1, деблокиратора A1, пристроя индикации A15.
При закрытой двери шкафа керування, т.е. при нажатом микровыключателе SQ1, срабатывает силовой пускатель KM1 і через его контакты питание подается к остальному електрооборудованию верстата.
Местное освещение включается переключателем EL1.
Пуск електродвигуна приводу змазки шпинделя М2 осуществляется нажатием кнопочного выключателя SВ2, который замыкает ланцюг катушки силового пускателя КМ4, переводя его на самопитание.
Для ограничения часу холостого ходу електродвигуна приводу змазки шпинделя, в схеме имеется реле KT1, которое включается одновременно з пускателем КМ4 при неработающем електродвигателе головного приводу Ml (не включены пускатели КМ2 или КМ3). Через установленную выдержку часу, если не будет включен електродвигатель головного привода, KT1 своим контактом отключит електродвигатель М2.
Пуск електродвигуна головного приводу Ml осуществляется пускателями КМ2, КМ3, которые управляются переключателями SА1 или SA2. Для обертання шпинделя в ту или другую сторону следует рукоятку переключателя SA1 или SА2 установить в соответствующее положение.
При включении КМ2 (или КМ3) включаются реле KV5, КV3, КV4. Останов електродвигуна головного приводу Ml осуществляется поворотом рукоятки переключателя SA1 или SA2 в нейтральное положение. В результате выключается пускатель КМ2 (или КМ3), одновременно выключается реле KV3. Реле KV3 своим контактом замыкает ланцюг живлення електромагнит] ной муфты УС1, осуществляется окончательное торможение шпинделя.
Через установленную выдержку часу пневмоприставка KV3 своим контактом отключает реле KV4. Контакт реле KV4 размыкает ланцюг електромагнитной муфты УС1.
Ток в ланцюги живлення електродвигуна головного приводу измеряется амперметром Р1.
Пуск і зупинка електродвигуна приводу охлаждения М3 осуществляется пускателем КМ5, управляемым переключателем SA3. Увімкнення насоса возможно только після увімкнення електродвигуна головного приводу M1.
Керування електродвигуном приводу ускоренных перемещений каретки M4 осуществляется выключателем SQ4 (встроен в рукоятку фартука), который замыкает ланцюг катушки силового пускателя КМ6.
Подробное опис роботи пристроя индикации А15 і датчиков переміщення А16, А17 смотри сопроводительную документацию, входящую в комплект поставки верстата.
Аварийное відключення любого работающего електродвигуна производят нажатием на кнопочний выключатель SB1 з фиксацией в выключенном положении.
При нажатии на конечный выключатель SB1 происходит післядовательно:
Ланцюг аварийного отключения, деблокиратора, пристроя индикации при етом от електросети не отключается.
Для восстановления живлення електроустаткування необходимо вернуть кнопочний выключатель SВ1 в исходное состояние.
В електросхеме верстата предусмотрены наступні меры предупреждения аварийных ситуаций при неправильных діїх оператора, выходе из строя окремих елементів верстата, відключення енергоживлення, обеспечивающие безопасность роботи:
Для контроля наличия напряжения между любыми из трех линейных проводов і шиной заземления служит светосигнальное пристрій HL1, установленное на панелі в шкафу керування. Это пристрій работает только при открытой двери шкафа і показывает включенное состояние вводного автоматичного выключателя QF1.
На пульті шкафа установлена лампа HL2, сигнализирующая о включении електроустаткування.
В деблокиратор A1, расположенный в шкафу керування, встроена лампа A1-HL, сигнализирующая о включении електроустаткування при открытой двери шкафа керування.
На пульті шкафа установлен сигнализатор заземления А5, сигнализирующий о наличии пробоя на землю в ланцюги керування 110 В.
Електроустаткування защищено от короткого замыкания автоматическими выключателями і предохранителями.
Электродвигатели (кроме електродвигуна М4) защищены от перегрузки електротепловыми реле.
УВД защищено от влияния електрических помех з помощью помехоподавляющих R-C фильтров, подключенных параллельно ко всем реактивным елементам схеми.
При подключении верстата необходимо убедиться в соответствии напряжения і частоти питающей сети електрическим параметрам верстата, указанным в таблице, расположенной на шкафу керування.
Подключение верстата к питающей сети і сети заземления должно производиться изолированным медным проводом сечением не менее 10 мм.
Ввод проводов питающей сети може быть выполнен как через верхнюю плоскость шкафа керування, так і через нижнюю.
Перед пуском верстата необходимо:

Список документации токарно-гвинторізного верстата МК6046, МК6047, МК6048

Список елементів токарно-гвинторізного верстата МК6046, МК6047, МК6048

Список елементів токарно-гвинторізного верстата МК6046, МК6047, МК6048

Список елементів токарно-гвинторізного верстата МК6046, МК6047, МК6048

Список елементів токарно-гвинторізного верстата МК6046, МК6047, МК6048

Список елементів токарно-гвинторізного верстата МК6046, МК6047, МК6048

Список елементів токарно-гвинторізного верстата МК6046, МК6047, МК6048

Список елементів токарно-гвинторізного верстата МК6046, МК6047, МК6048

Список елементів токарно-гвинторізного верстата МК6046, МК6047, МК6048

Список елементів токарно-гвинторізного верстата МК6046, МК6047, МК6048

Схема з'єднань токарно-гвинторізного верстата МК6046, МК6047, МК6048

Схема з'єднань токарно-гвинторізного верстата МК6046, МК6047, МК6048
| Наименование параметра | 16К20 | МК6046 | МК6047 | МК6048 |
|---|---|---|---|---|
| Основні параметри верстата | ||||
| Наибольший диаметр заготовки обрабатываемой над станиной, мм | 400 | 500 | 500 | 500 |
| Наибольший диаметр заготовки обрабатываемой над суппортом, мм | 220 | 290 | 290 | 290 |
| Наибольший диаметр заготовки обрабатываемой над выемкой (Г), мм | 630 | 630 | 630 | 630 |
| Наибольшая длина устанавливаемой детали (РМЦ), мм | 710 1000 1400 2000 | 1000 | 2000 | 1500 |
| Наибольшая масса обрабатываемого вироби в центрах, кг | 1300 | |||
| Наибольшая диаметр сверла для серления в стали, мм | 25 | 25 | 25 | |
| Шпиндель | ||||
| Мощность приводу шпинделя, кВт | 11 | 11 | 11 | 11 |
| Диаметр отверстия в шпинделе, мм | 52 | 55 | 55 | 55 |
| Частота обертання шпинделя, об/мин | 12,5..1600 | 16..2000 | 16..2000 | 16..2000 |
| Количество прямых і обратных швидкостей шпинделя | 22 | 22 | 22 | 22 |
| Наибольший крутящий момент на шпинделе, кНм | 1 | 1 | 1 | |
| Подачи | ||||
| Наибольшее перемещение продольного суппорта, мм | 935 | 935 | 1935 | 1435 |
| Наибольшее перемещение поперечного суппорта, мм | 300 | 300 | 300 | 300 |
| Наибольшее перемещение резцовых салазок, мм | 150 | 150 | 150 | 150 |
| Диапазон продольных подач, мм/об | 0,05-2,8 | 0,05-2,8 | 0,05-2,8 | 0,05-2,8 |
| Диапазон поперечных подач, мм/об | 0,025..1,4 | 0,025..1,4 | 0,025..1,4 | 0,025..1,4 |
| Количество продольных/ поперечных подач | 22/ 24 | 24/ 24 | 24/ 24 | 24/ 24 |
| Скорость быстрых перемещений продольных/ поперечных, м/мин | 3,8/ 1,9 | 3,8/ 1,9 | 3,8/ 1,9 | 3,8/ 1,9 |
| Пределы шагов метрических резьб, мм | 0,5-112 | 0,5-112 | 0,5-112 | 0,5-112 |
| Пределы шагов модульных резьб, модуль | 0,5-112 | 0,5-112 | 0,5-112 | 0,5-112 |
| Пределы шагов дюймовых резьб, ниток/дюйм | 56-0,5 | 56-0,5 | 56-0,5 | 56-0,5 |
| Пределы шагов питчевых резьб, питч диаметральный | 56-0,5 | 56-0,5 | 56-0,5 | 56-0,5 |
| Наибольшее перемещение пиноли задньої бабки, мм | 150 | 150 | 150 | |
| Електроустаткування | ||||
| Електродвигун головного привода, кВт | 11 | 11 | 11 | 11 |
| Електродвигун ускоренных перемещений, кВт | ||||
| Електродвигун СОЖ, кВт | ||||
| Суммарная мощность установленных на станке електродвигателей, кВт | 12,01 | 12,01 | 12,01 | |
| Потребляемая мощность верстатом, кВт | 12,5 | 12,5 | 12,5 | |
| Габарити і масса верстата | ||||
| Габарити верстата (длина ширина высота), мм | 2795 1190 1500 | 2800 1265 1485 | 3852 1265 1485 | 3367 1265 1485 |
| Масса верстата, кг | 3005 | 3100 | 3680 | 3500 |
Замовити
Хто володіє інформацією – той володіє світом.
Натан Ротшильд