metalinstryment.com
Довідник по металорізальних верстатів та пресовому обладнанні

6Д12Ф20 Верстат консольно-фрезерный вертикальний з ЧПУ
схеми, опис, характеристики

6Д12Ф20 Верстат консольно-фрезерный вертикальний з ЧПУ







Відомості про виробника консольно-фрезерного верстата 6Д12Ф20

Производитель консольно-фрезерного вертикального верстата моделі 6Д12Ф20 - Дмитровский завод фрезерных верстатів, основанный в 1940 году.

Основной продукцией завода является широкая гамма универсальных консольно-фрезерных верстатів з размером робочого стола от 250 x 630 мм до 400 x 1600 мм.





Верстати, выпускаемые Дмитровским заводом фрезерных верстатів, ДЗФС


6Д12Ф20 Верстат фрезерный консольный вертикальний з ЧПУ. Назначение і область применения

Вертикальный консольно-фрезерный верстат 6Д12Ф20 предназначен для фрезерування плоских і фасонных поверхностей всевозможных деталей из стали, чугуна і цветных металлов цилиндрическими, дисковыми, фасонными, угловыми, торцовыми, кінцівыми і другими фрезами в условиях индивидуального і серийного производства. Возможность налаштування верстата на различные напівавтоматические і автоматические циклы позволяет успешно использовать верстати для выполнения работ операционного характера в поточных і автоматических лініях в крупносерийном производстве.

На станке можно 6Д12Ф20 обрабатывать вертикальные і горизонтальные плоскости, пазы, углы, рамки, зубчасті колеса, можно фрезеровать всевозможные спирали, для чего стол его поворачивается вокруг своей вертикальной оси.

На станке моделі 6Д12Ф20 можно успешно обрабатывать легкие сплавы.

Особливості конструкції верстата 6Д12Ф20

Фрезерные верстати 6Д12Ф20 предназначены для выполнения различных фрезерных работ в условиях как индивидуального, так і крупносерийного производства. В условиях крупносерийного производства верстати могут быть успешно использованы также для выполнения работ операционного характера.

Технічна характеристика і высокая жесткость верстатів позволяют полностью использовать возможности как быстрорежущего, так і твердосплавного инструмента.

Технологические возможности верстата могут быть расширены з применением делительной головки, поворотного круглого стола, накладной универсальной головки і других пристосувань.

Верстати автоматизированы і могут быть настроены на различные, автоматические циклы, что повышает производительность труда, исключает необходимость обслуживания верстатів рабочими високою квалификации і облегчает возможность организации многостаночного обслуживания.

Станина имеет жесткую конструкцию за счет развитого основания і большого числа ребер.

По вертикальным направляющим станины перемещается консоль, по горизонтальным направляющим перемещается хобот или ползун.

С правой стороны на станине установлен електрошкаф.

Коробка швидкостей смонтирована непосредственно в корпусе станины.

Соединение коробки з валом електродвигуна осуществляется упругой муфтой.

Шпиндель головного привода представляет собой двухопорный вал, смонтированный в расточках станины. Вращение шпинделю передається от коробки швидкостей через шестерни.

Ползун имеет установочное перемещение, а в рабочем положении закрепляется на горизонтальных направляючих станины.

В корпусе ползуна размещается механізм приводу поворотного шпинделя. Привід осуществляется от фланцевого електродвигуна через упругую соединительную муфту.

Шпиндель фрезерной головки може устанавливаться в разные положения поворотом его корпуса вокруг двух взаимно перпендикулярных осей, а также перемещаться имеете з ползуном параллельно оси горизонтального шпинделя.

Особенностями конструкції верстата являются:

Для сокращения вспомогательного часу і удобства керування в верстатах предусматриваются:


Наиболее известные серии консольно-фрезерных верстатів, выпускаемых ДЗФС:





Габарит робочого простору консольно-фрезерного верстата 6Д12Ф20

Габарит робочого простору консольно-фрезерного верстата 6Д12Ф20

Габарит робочого простору консольно-фрезерного верстата 6Д12Ф20

Габарит робочого простору консольно-фрезерного верстата 6Д12Ф20. Скачать в увеличенном масштабе



Посадочные і присоединительные базы вертикального консольно-фрезерного верстата 6Д12Ф20

6Д12Ф20 Посадочные і присоединительные базы фрезерного верстата

Посадочные і присоединительные базы фрезерного верстата 6Д12Ф20

Посадочные і присоединительные базы фрезерного верстата 6Д12Ф20. Дивитись у збільшеному масштабі



6Д12Ф20 Загальний вигляд вертикального консольно-фрезерного верстата

Загальний вигляд  6Д12Ф20 cтанок вертикальний консольно-фрезерный

Фото консольно-фрезерного верстата 6Д12Ф20

Фото консольно-фрезерного верстата 6Д12Ф20. Скачать в увеличенном масштабе



Загальний вигляд  6Д12Ф20 cтанок вертикальний консольно-фрезерный

Фото консольно-фрезерного верстата 6Д12Ф20

Фото консольно-фрезерного верстата 6Д12Ф20. Скачать в увеличенном масштабе



Загальний вигляд  6Д12Ф20 cтанок вертикальний консольно-фрезерный

Фото консольно-фрезерного верстата 6Д12Ф20

Фото консольно-фрезерного верстата 6Д12Ф20. Скачать в увеличенном масштабе



Загальний вигляд  6Д12Ф20 cтанок вертикальний консольно-фрезерный

Фото консольно-фрезерного верстата 6Д12Ф20

Фото консольно-фрезерного верстата 6Д12Ф20. Скачать в увеличенном масштабе



Загальний вигляд  6Д12Ф20 cтанок вертикальний консольно-фрезерный

Фото консольно-фрезерного верстата 6Д12Ф20

Фото консольно-фрезерного верстата 6Д12Ф20. Скачать в увеличенном масштабе



Загальний вигляд  6Д12Ф20 cтанок вертикальний консольно-фрезерный

Фото консольно-фрезерного верстата 6Д12Ф20

Фото консольно-фрезерного верстата 6Д12Ф20. Скачать в увеличенном масштабе



Загальний вигляд  6Д12Ф20 cтанок вертикальний консольно-фрезерный

Фото консольно-фрезерного верстата 6Д12Ф20

Фото консольно-фрезерного верстата 6Д12Ф20. Скачать в увеличенном масштабе




Розташування складових частин на фрезерном станке 6Д12Ф20

Розташування складових частин консольного вертикального фрезерного верстата 6Д12Ф20

Розташування основних частин на фрезерном станке 6Д12Ф20

Фото консольно-фрезерного верстата 6Д12Ф20. Скачать в увеличенном масштабе







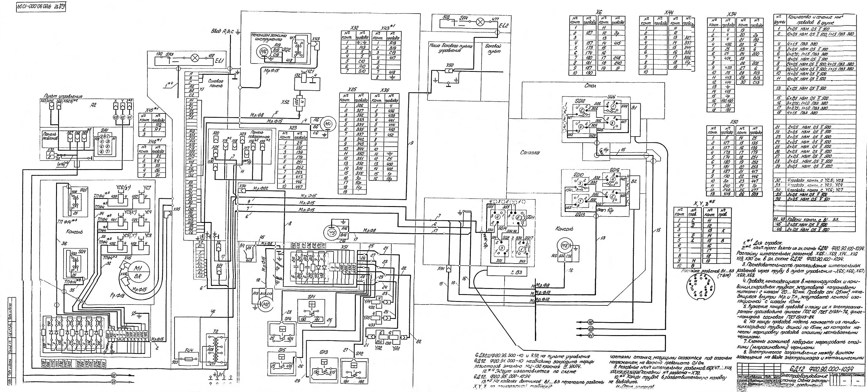
Електроустаткування фрезерного верстата 6Д12Ф20

Електрична схема консольно-фрезерного верстата 6Д12Ф20

Електрична схема фрезерного верстата 6Д12Ф20

Електрична схема консольно-фрезерного верстата 6Д12Ф20. Скачать в увеличенном масштабе



Краткая характеристика електроустаткування

На станке установлены:

Система живлення електроустаткування

Верстат рассчитан для подключения к 3-х фазной електрической сети переменного тока з глухозаземленной нейтралью.

Питание производится:

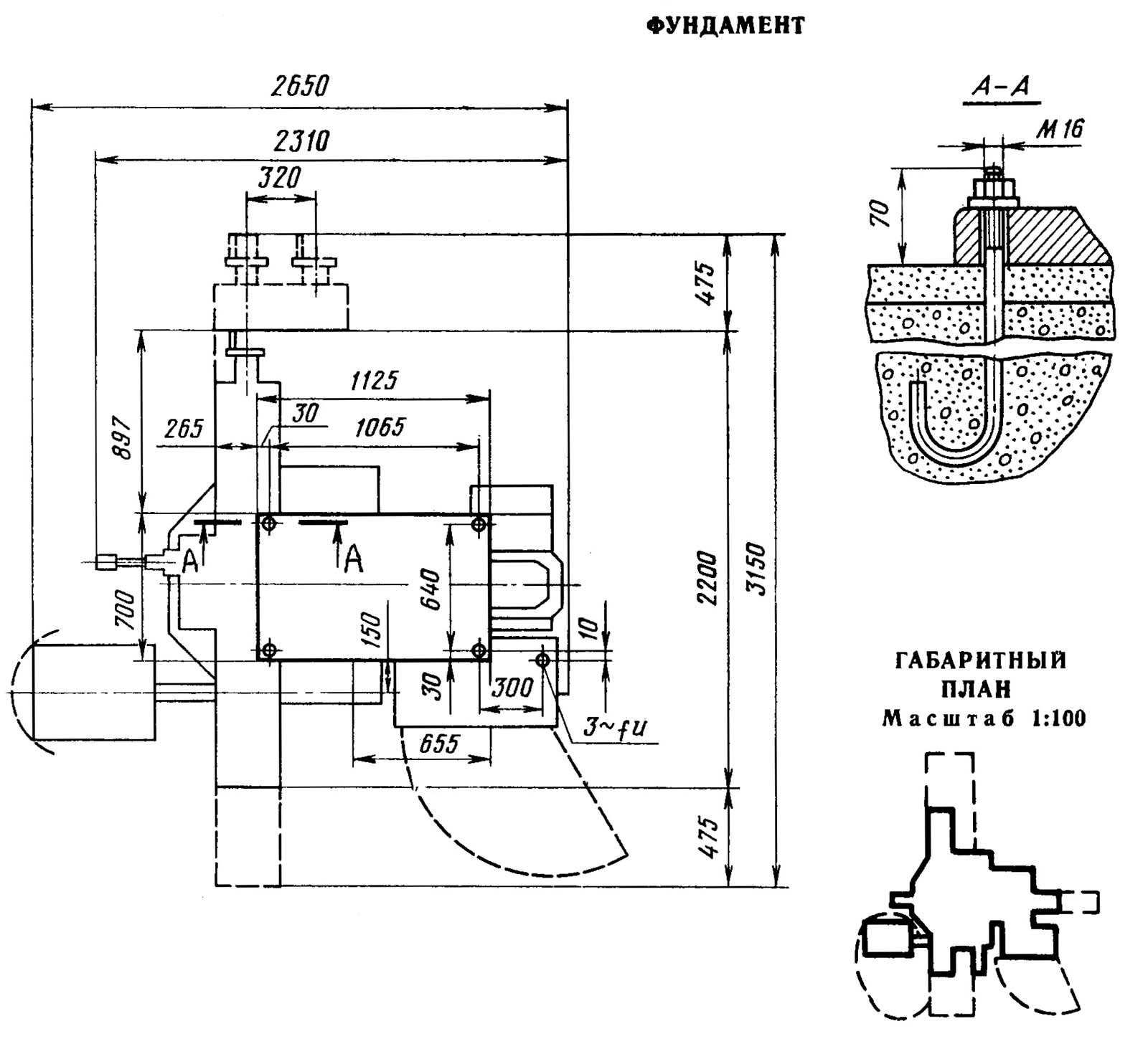
Настановне креслення фрезерного верстата 6Д12Ф20

Настановне креслення консольно-фрезерного верстата 6Д12Ф20

Настановне креслення фрезерного верстата 6Д12Ф20

Настановне креслення консольно-фрезерного верстата 6Д12Ф20. Скачать в увеличенном масштабе






6Д12Ф20 Верстат консольно-фрезерный вертикальний. Відеоролик.



Технічні характеристики верстатів моделей 6Д12Ф20

Наименование параметра 6Д12Ф20 6Т12Ф20 6Т13Ф20
Основні параметри верстата
Розміри поверхности стола, мм 1250 х 320 1250 х 320 1600 х 400
Наибольшая масса обрабатываемой детали, кг 400 400 630
Наибольший продольный (X), поперечний (Y), вертикальний ход (Z) стола, мм 900/ 320/ 400 800/ 270/ 420 1000/ 340/ 430
Расстояние от торца шпинделя до поверхности стола, мм 50..450 30..450 70..500
Расстояние от оси шпинделя до вертикальних направляючих станины (вылет), мм 380 350 420
Наибольший диаметр фрезы при черновой обработке, мм 160 160 200
Наибольший диаметр сверла, мм 30 30
Шпиндель
Частота обертання шпинделя, об/мин 20..2000 31,5..1600 31,5..1600
Количество швидкостей шпинделя 21 18 18
Перемещение пиноли (гильзы) шпинделя, мм 80 70 80
Перемещение пиноли шпинделя на одно деление лимба, мм 0,05 0,05
Перемещение пиноли шпинделя на один оборот лимба, мм 4 4
Угол поворота шпиндельной головки, град ±45° ±45° ±45°
Кінець шпинделя ГОСТ 24644-81, ряд 4, виконання 6 50 50 50
Рабочий стол. Подачи
Пределы продольных і поперечных подач стола (X, Y), мм/мин 100..2000 5..4000
Пределы вертикальних подач стола (Z), мм/мин 100..1000 1,7..1330
Количество подач стола (продольных, поперечных, вертикальних) Б/с 22 22
Скорость быстрых перемещений (продольных (X)/ поперечных (Y)/ вертикальних (Z)), м/мин 4/ 4/ 1,330 4/ 4/ 1,330 4/ 4/ 1,330
Перемещение стола на одно деление лимба (продольное (X), поперечное (Y), вертикальное (Z)), мм 0,05 0,05
Перемещение стола на один оборот лимба (продольное (X)/ поперечное (Y)/ вертикальное (Z)), мм 6/ 6/ 2 6/ 6/ 2
Наибольшее допустимое усилие різання (продольное (X)/ поперечное (Y)/ вертикальное (Z)), кН 15/ 12/ 5 20/ 12/ 8
Механіка верстата
Выключающие упоры подачі (поздовжньої, поперечної, вертикальной) Есть Есть
Блокировка ручной і механической подач (поздовжньої, поперечної, вертикальной) Есть Есть
Блокировка раздельного увімкнення подач Есть Есть
Торможение шпинделя Есть Есть
Предохранительная муфта от перегрузок Есть Есть
Автоматическая прерывистая подача Есть Есть
Система УЦИУ, (ОПУ) К-524
Количество управляемых/ одновременно управляемых координат 3/ 1 3/ 1 3/ 1
Число записываемых кадров 99 98 98
Дискретность, мм 0,005 0,005
Масса, кг 15 15
Система ОПУ ЛЮМО-61
Количество управляемых/ одновременно управляемых координат 3/ 1 3/ 1 3/ 1
Число записываемых кадров 99 99 99
Дискретность, мм 0,010 0,010 0,010
Масса, кг 8 8 8
Тип датчиков Линейные фотоел.
Електроустаткування і приводы верстата
Количество електродвигателей на станке 8 6 6
Електродвигун головного руху, кВт (об/мин) 5,5 (1450) 7,5 11
Електродвигун приводу подач, Н*м (об/мин) 37 (2000) 23 47
Електродвигун приводу гідростанції, кВт (об/мин) 1,1 (920) 1,1 3
Електродвигун зажиму инструмента, кВт (об/мин) 0,18 (1365) 0,25 0,25
Електродвигун насоса СОЖ, кВт (об/мин) 0,12 (2700) 0,12 0,12
Електродвигун насоса змазки, кВт (об/мин) 0,25 (1380) 0,25 0,25
Суммарная мощность всех електродвигателей, кВт 13,48 8,05 11,55
Габарити і масса верстата
Габарити верстата (длина ширина высота), мм 2650 х 2200 х 2290 2750 х 2575 х 2500 2570 2252 2430
Масса верстата, кг 3280 3750 4300


    Список литературы:

  1. Вертикально фрезерный консольный верстат з ОПУ 6Д12Ф20. Руководство по експлуатации 6Д12Ф20.00.000 РЭ, 1986

  2. Аврутин С.В. Основы фрезерного дела, 1962
  3. Аврутин С.В. Фрезерне дело, 1963
  4. Ачеркан Н.С. Металлорежущие верстати, Том 1, 1965
  5. Барбашов Ф.А. Фрезерне дело 1973, с.141
  6. Барбашов Ф.А. Фрезерные роботи (Профтехобразование), 1986
  7. Блюмберг В.А. Справочник фрезеровщика, 1984
  8. Григорьев С.П. Практика координатно-расточных і фрезерных работ, 1980
  9. Копылов Р.Б. Работа на фрезерных верстатах,1971
  10. Косовский В.Л. Справочник молодого фрезеровщика, 1992, с.180
  11. Кувшинский В.В. Фрезерование,1977
  12. Ничков А.Г. Фрезерные верстати (Библиотека станочника), 1977
  13. Пикус М.Ю. Справочник слесаря по ремонту металлорежущих верстатів, 1987
  14. Плотицын В.Г. Расчёты настроек і наладок фрезерных верстатів, 1969
  15. Плотицын В.Г. Наладка фрезерных верстатів,1975
  16. Рябов С.А. Современные фрезерные верстати і их оснастка, 2006
  17. Схиртладзе А.Г., Новиков В.Ю. Технологическое обладнання машиностроительных производств, 1980
  18. Тепинкичиев В.К. Металлорежущие верстати, 1973
  19. Чернов Н.Н. Металлорежущие верстати, 1988
  20. Френкель С.Ш. Справочник молодого фрезеровщика (3-е изд.) (Профтехобразование), 1978