metalinstryment.com
Довідник по металорізальних верстатів та пресовому обладнанні

6Н11 Верстат вертикальний консольно-фрезерный
схеми, опис, характеристики

6Н11 Верстат фрезерный консольный







Відомості про виробника консольно-фрезерного верстата 6Н11

Производитель фрезерных верстатів 6Н11 Дмитровский завод фрезерных верстатів, ДЗФС, основанный в 1940 году.

Основной продукцией завода является широкая гамма универсальных консольно-фрезерных верстатів з размером робочого стола от 250 x 630 мм до 400 x 1600 мм.





Верстати, выпускаемые Дмитровским заводом фрезерных верстатів, ДЗФС


6Н11 Верстат консольный вертикально-фрезерный. Назначение, область применения

Фрезерные верстати 6Н11 относятся к верстатам первого размера. Верстати етой гаммы имеют рабочую поверхность стола 250 х 1000 мм. Они изготовлялись на Дмитровским заводе фрезерных верстатів і имеют мощность електродвигуна приводу головного руху 4,5 кВт, а електродвигуна приводу подач 1,7 кВт. Большой диапазон чисел оборотів шпинделя позволяет успешно применять их при обработке заготовок как из черных, так і из цветных металлов.

Вертикально-фрезерный верстат 6Н11 по основным механізмам унифицирован з универсально- і горизонтально-фрезерными верстатами 6Н81 і 6Н8Г, за исключением станины.

Універсальный вертикальний консольно-фрезерный верстат 6Н11 предназначен для обробки различных изделий сравнительно небольших размеров из стали, чугуна, цветных металлов і пластмасс в основном цилиндрическими, торцовыми, дисковыми, угловыми, фасонными і модульными фрезами специальными фрезами.

Особливості конструкції консольно-фрезерного верстата 6Н11

Широкий диапазон швидкостей шпинделя і подач стола обеспечивает возможность обробки изделий на оптимальных режимах різання.

Для обертання шпинделя і механических подач стола предусмотрены приводы от окремих електродвигателей. Стол верстата може совершать быстрые переміщення в трех направлениях.

Ручной і механический приводы сблокированы. Выключение механических перемещений стола може осуществляться упорами і вручную. Для торможения шпинделя применяется електромагнитная муфта.

Повышенная мощность електродвигателей і жесткость верстата обеспечивают обработку изделий. на скоростных режимах різання твердосплавным инструментом.

Верстат 6Н11 може применяться в единичном мелкосерийном і серийном производстве.

Позволяя работать на высоких скоростях, обладая жесткостью, обеспечивающей обработку з требуемой точностью і качеством обработанной поверхности, автоматизированные, з удобным для робочого обслуговуванням, ети верстати работают з производительностью, которая в зависимости от характера роботи в среднем на 50% больше производительности существующих моделей малых фрезерных верстатів.

Верстати первого размера имеют так называемый разделенный привід шпинделя, который характеризуется тем, что коробка швидкостей расположена раздельно от шпинделя і связана з ним ременной передачей (рис. 265). Такая конструкция приводу шпинделя применяется для быстроходных верстатів, так как вибрации, возникающие вследствие неравномерной роботи зубчатой передачи, поглощаются ременной передачей і не влияют на работу шпинделя. С целью придачи большей жесткости шпинделю і устранения возможности изгиба его под действием натяжения ремня приводной шкив расположен не непосредственно на шпинделе, а на підшипниках, помещенных в стакане, закрепленном в станине верстата (рис. 265).

Другая особенность конструкції приводу етих верстатів — применение перебора для перехода от низких к высоким скоростям обертання шпинделя.

Внутри консоли помещены коробка подач з редуктором, механізм переключения подач і коробка реверса (см. рис. 23 і 25).

Коробка подач получает вращение от фланцевого електродвигуна мощностью 1,7 кВт з n=1420 об/мин і передает на редуктор 16 чисел оборотів, переключаемых маховичком при двух различных положениях одной рукоятки.

Редуктор имеет назначение понизить скорости обертання, сообщенные коробкой подач, і обеспечить возможность увімкнення ускоренной подачі в любой момент на необходимое время.

Коробка реверса имеет целью, получив рух от редуктора, передать его ходовым гвинтам і позволяет менять направление их обертання.

Стол універсального, горизонтального і вертикального верстатів имеет по 16 продольных, поперечных і вертикальних подач (табл. 23).

Кроме того, стол имеет ускоренные подачі (быстрый ход) — 2900 мм/мин в продольном, 2300 мм/мин в поперечном і 1150 мм/мин в вертикальном направлениях.

Увімкнення електродвигуна шпинделя і електродвигуна подачі производится от раздельных пусковых кнопок «пуск», расположенных спереди верстата, з левой стороны консоли. Выключение всего верстата производится кнопкой «стоп», расположенной спереди верстата в удобном для обслуживания месте.

Для облегчения переключения коробки швидкостей на левой стороне станины рядом з рукояткой увімкнення перебора имеется кнопка з надписью «толчок». Кратковременным нажатием етой кнопки можно включить двигатель шпинделя.

Все механізмы верстатів выполнены совершенно обособленными, что упрощает і облегчает разборку і сборку их при ремонтi.

Верстати 6Н81Г, 6Н81 і 6Н11 имеют две раздельные кинематические ланцюги: ланцюг головного руху (обертання шпинделя) і ланцюг подач стола во всех направлениях.

Класс точності верстата Н. Шероховатость обработанной поверхности V4—V5.


Наиболее известные серии консольно-фрезерных верстатів, выпускаемых ДЗФС:


Верстати консольно-фрезерные. Загальні відомості

Горизонтальные консольно-фрезерные верстати имеют горизонтально расположенный, не меняющий своего места шпиндель. Стол може перемещаться перпендикулярно к оси шпинделя в горизонтальном і вертикальном направлениях і вдоль оси, параллельной ей.

Універсальные консольно-фрезерные верстати отличаются от горизонтальных тем, что имеют стол, который може поворачиваться на требуемый угол.

Вертикальные консольно-фрезерные верстати имеют вертикально расположенный шпиндель, перемещающийся вертикально і в некоторых моделях поворачивающийся. Стол може перемещаться в горизонтальном направлении перпендикулярно к оси шпинделя і в вертикальном направлении.

Широкоуниверсальные консольно-фрезерные верстати в отличие от универсальных имеют помимо основного горизонтального шпинделя приставную головку со шпинделем, поворачивающимся вокруг вертикальной і горизонтальной осей.

Бесконсольно-фрезерные верстати имеют шпиндель, расположенный вертикально і перемещающийся в етом направлении. Стол перемещается только в продольном і поперечном направлениях.

Консольно-фрезерные верстати горизонтальные і вертикальные - ето наиболее распространенный тип верстатів, применяемых для фрезерных работ. Название консольно-фрезерные верстати получили от консольного кронштейна (консоли), который перемещается по вертикальным направляющим станины верстата і служит опорой для горизонтальных перемещений стола.

Типорозміри консольно-фрезерных верстатів принято характеризовать по величине рабочей (крепежной) поверхности стола. Консольно-фрезерные верстати могут мати горизонтальное, универсальное (широкоуниверсальные) і вертикальное виконання при одной і той же величине рабочей поверхности стола. Сочетание разных исполнений верстата при одинаковой основной размерной характеристике стола называют размерной гаммой верстатів.

В СССР было освоено производство консольно-фрезерных верстатів пяти типорозмірів:
№ 0; № 1; № 2; № 3 і № 4, причем по каждому размеру выпускалась полная гамма верстатів — горизонтальные, универсальные і вертикальные. Каждый верстат одной размерной гаммы имел в шифре одинаковое обозначение, соответствующее размеру рабочей поверхности стола.

В зависимости от размера рабочей поверхности стола различают наступні розміри консольно-фрезерных верстатів:

Размер Гамма верстатів Размер стола, мм
0 6Р10, 6Р80, 6Р80Г, 6Р80Ш 200 х 800
1 6Н11, 6Н81, 6Н81Г; 6Р11, 6Р81, 6Р81Г, 6Р81Ш 250 х 1000
2 6М12П, 6М82, 6М82Г; 6Р12, 6Р82, 6Р82Ш; 6Т12, 6Т82, 6Т82Г, 6Т82Ш 320 х 1250
3 6М13П, 6М83, 6М83Г; 6Р13, 6Р83; 6Т13, 6Т83, 6Т83Г 400 х 1600
4 6М14П, 6М84, 6М84Г 500 х 2000

В соответствии з размерами стола меняются габаритные розміри самого верстата і его основних вузлів (станины, стола, салазок, консоли, хобота), мощность електродвигуна і величина наибольшего переміщення (хода) стола в продольном, салазок в поперечном і консоли в вертикальном направлениях.


Обозначение консольно-фрезерных верстатів

6 - фрезерный верстат (номер группы по классификации ЭНИМС)

Н – серия (поколение) верстата (Б, К, Н, М, Р, Т)

1 – номер подгруппы (1, 2, 3, 4, 5, 6, 7, 8, 9) по классификации ЭНИМС (1 - вертикально-фрезерный)

1 – виконання верстата - типоразмер (0, 1, 2, 3, 4) (1 - размер робочого стола - 250 х 1000)


Буквы в кінці обозначения модели:

Г – верстат горизонтальный консольно-фрезерный з неповоротным столом

К – верстат з копировальным пристрійм для обробки криволинейной поверхности

Б – верстат з підвищеної производительностью (повышенный диапазон чисел оборотів шпинделя, подач стола і повышенная мощность двигуна головного руху).

П – точность верстата - (н, п, в, а, с) по ГОСТ 8-ХХ

Ш – верстат широкоуніверсальний

Ф1 – верстат з пристрійм цифровой индикации УЦИ і преднабором координат

Ф2 – верстат з позиционной системой числового керування ЧПУ

Ф3 – верстат з контурной (непрерывной) системой ЧПУ

Ф4 – верстат многоцелевой з контурной системой ЧПУ і магазином инструментов





Посадочные і присоединительные базы вертикально-фрезерного верстата 6Н11

6Н11 Посадочные і присоединительные базы фрезерного верстата

Посадочные і присоединительные базы фрезерного верстата 6Н11


Загальний вигляд вертикального консольно-фрезерного верстата 6Н11

Фото фрезерного верстата 6Н11

Фото консольно-фрезерного верстата 6Н11

Фото фрезерного верстата 6Н11. Дивитись у збільшеному масштабі



Фото фрезерного верстата 6Н11

Фото консольно-фрезерного верстата 6Н11

Фото фрезерного верстата 6Н11. Дивитись у збільшеному масштабі



Фото фрезерного верстата 6Н11

Фото консольно-фрезерного верстата 6Н11


Фото фрезерного верстата 6Н11

Фото консольно-фрезерного верстата 6Н11


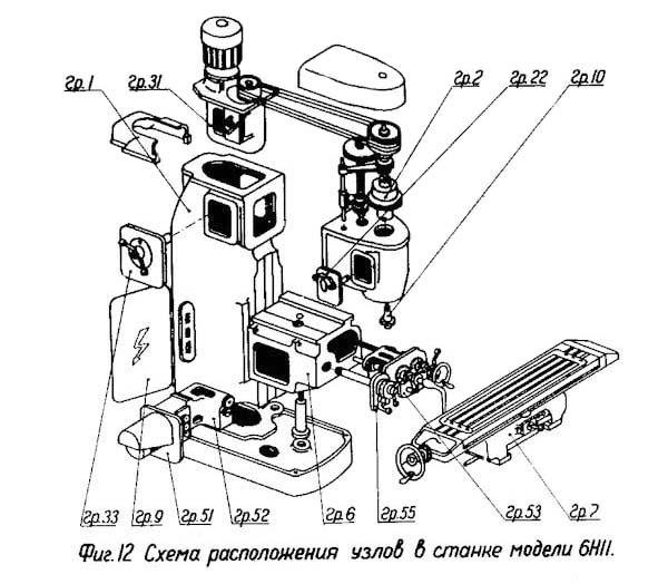
Розташування складових частин вертикального консольно-фрезерного верстата 6Н11

6Н11 составные частини універсального вертикального консольно-фрезерного верстата 6Н11

Розташування складових частин фрезерного верстата 6Н11

Розташування складових частин вертикального консольно-фрезерного верстата 6Н11. Дивитись у збільшеному масштабі



Складні частини вертикального консольно-фрезерного верстата 6Н11 состоят из следующих групп:


Розташування органів керування фрезерным верстатом моделі 6Н11

6Н11 Розташування органів керування фрезерным верстатом модели

Розташування органів керування фрезерным верстатом 6Н11

Список органів керування верстатом 6Н11 і их назначение

  1. Вводный выключатель сети
  2. Выключатель електронасоса охлаждения
  3. Реверсивный переключатель електродвигуна шпинделя (вправо—влево)
  4. Кнопка «Пуск» — електродвигуна шпинделя
  5. Кнопка «Пуск» — електродвигуна подачі
  6. Рычажок остановки верстата (вимкнення електродвигателей шпинделя і подачі)
  7. Кнопка для кратковременного увімкнення електродвигуна шпинделя («Толчок»)
  8. Рукоятка переключения швидкостей шпинделя
  9. Рукоятка переключения перебора шпинделя
  10. Рукоятка переключения подач стола
  11. Рукоятка переключения перебора механізма подачі
  12. Рукоятка увімкнення вертикальной механической подачі
  13. Рукоятка увімкнення поперечної механической подачі
  14. Рукоятка увімкнення поздовжньої механической подачі
  15. Маховичок поздовжньої подачі стола вручную
  16. Рукоятка вертикальной подачі стола вручную
  17. Маховичок поперечної подачі стола вручную
  18. Рукоятка увімкнення ускоренной подачі во всех направлениях
  19. Рукоятка закрепления консоли от вертикального переміщення по станине
  20. Рукоятка для закрепления стола от продольного переміщення
  21. Рукоятка для закрепления салазки стола от поперечного переміщення по консоли
  22. Упоры автоматичного виключення механической подачі в продольном, поперечном і вертикальном направлениях
  23. Упоры автоматичного виключення механической подачі в продольном, поперечном і вертикальном направлениях
  24. Упоры автоматичного виключення механической подачі в продольном, поперечном і вертикальном направлениях
  25. Рукоятка приводу ручного насоса змазки стола
  26. Выключатель местного освещения




Кінематична схема вертикально-фрезерного верстата 6Н11

6н11 Кінематична схема вертикально-фрезерного верстата

Кінематична схема вертикально-фрезерного верстата 6Н11

Кінематична схема консольно-фрезерного верстата 6Н11. Скачать в увеличенном масштабе



6Н11 Кинематическя схема коробки реверса консольно-фрезерного верстата

Кінематична схема коробки реверса верстата 6Н11


Кинематика верстата моделі 6Н11


Ланцюг головного руху

Вал I (рис. 265, 266 і 267) приводится непосредственно от електродвигуна через упругую муфту. На вал II вращение передається через зубчатую пару 38 : 24 или 24 : 38, на вал III — через зубчасті пары 24 : 35; 28 : 34; 31 : 31 или 34 : 28. Далее вращение передається через зубчатую пару 20 : 20 і шкивы клиноременной передачи D = 140 мм і D = 210 мм на ступицу зубчатого колеса z29=30. От колеса z29 вращение передається либо непосредственно шпинделю через кулачковую муфту, созагальна ему от 380 до 1800 об/мин, или через перебор из зубчатых колес 30 : 64 і 25 : 69, включаемый рукояткой В і сообщающий шпинделю от 65 до 300 об/мин.

В табл. 22 даны числа оборотів шпинделя при различных увімкненнях зубчатых колес з включенным перебором і без перебора.

Увімкнення восьми швидкостей шпинделя производится з помощью маховичка Б, вращение которого передається торцовому кулачку z16 через зубчасті і цепную передачи (на схеме не показанные).

В табл. 23 показаны положения маховичка Б і рукоятки В для налаштування на заданное число оборотів шпинделя.

Ланцюг подач

Вал V (рис. 266 і 267) приводится во вращение непосредственно от електродвигуна через упругую муфту. На вал VI вращение передається через зубчасті пары 34 : 28 і 20 : 42; на вал VII — через зубчасті пары 28 : 34; 34 : 28; 24 : 38 или 31 : 31; на вал VIII — через зубчатую пару 18:37; на вал IX — через зубчасті пары 37:15 или 15:37. Далее з вала IX рух передається трехзаходным червяком z57 і червячным колесом z58=30 ведущему валу X через обгонную муфту Г.

Схема обгонной муфты дана на рис. 268. Наружное кольцо 2 муфты соединено з червячным колесом z58 (рис. 266 і 267) і вращается вместе з ним. Корпус муфты 1 (рис. 268) закреплен шпонкой на валу X. В вырезах корпуса размещены ролики 3, которые поджимаются штифтами 4 з помощью пружин 5. При вращении кольца 2 в направлении, показанном стрелкой, ролики заклиниваются между кольцом 2 і корпусом 1; при етом обе частини муфты вращаются как одно целое. Если теперь дать валу X вращение з большей угловой скоростью, чем скорость обертання червячного колеса z58, кольцо 2 начнет «отставать» от корпуса 1, ролики 3 попадут в широкие частини выемок, вследствие чего кольцо і корпус расцепляются.

Обгонная муфта удобна в конструкції верстатів тем, что исключает опасность поломки при одновременном приводе вала по двум различным кинематическим цепям, так как включается і выключается автоматически.

Однако обгонная муфта имеет существенный недостаток, так как она може передавать вращение только в одном направлении. Поетому для изменения направления подачі в верстатах 6Н81Г, 6Н81 і 6Н11 нельзя использовать реверсивный електродвигатель (как ето сделано, например, в верстатах 6М82, 6М82Г і 6М12П) і приходится применять специальное дополнительное реверсивное пристрій.

Проследим по схеме на рис. 269 работу реверсивного пристроя, размещенного в коробке реверса (см. рис. 23 і 25). Для удобства все обозначения валов, муфт і зубчатых колес на рис. 266, 267 і 269 идентичны.

Центральный вал XII коробки реверса получает вращение от вала X через зубчасті колеса z63=22, z64 = 42 і z65=42. На валу XII сидит широкое зубчатое колесо z66=42, сцепленное з валом пружинной предохранительной муфтой Ж; назначение муфты — выключить вращение в случае перегрузки зусилля подачі.

Зубчатое колесо z66 = 42 вращает сразу три зубчатых колеса: колесо z67 = 42 на валу XV, колесо z69 = 30 на валу XIII і колесо z68=42 на валу XIV. Зубчасті колеса z67 і z68 сидят на валах свободно, а колесо z69 закреплено неподвижно. Колесо z69 вращает вал XIII, на левом кінці которого сидит такое же колесо z70 = 30, которое сцеплено з колесами Z71 = 42 і z72=42, свободно сидящими на валах XIV і XV. Из рис. 269 і кинематических схем рис. 266 і 267 следует, что для увімкнення поперечної механической подачі нужно включить муфту 3, причем направление подачі будет зависеть от того, з каким колесом z68 или z71 (правым или левым) сцеплена муфта. Таким же образом з помощью муфты М можно включить і реверсировать механическую вертикальную подачу. Реверсивное пристрій от вала X редуктора через зубчасті колеса z63, z64 і z65 передает вращение в прямом или реверсированном направлениях, не изменяя полученного числа оборотів. Поетому при разборе кінематичної ланцюги подач числа зубьев зубчатых колес коробки реверса не учитываются.

Проследим по кинематическим схемам (см. рис. 266 і 267) передачу обертання на ходовые винты поздовжньої, поперечної і вертикальной подач:

Ускоренные переміщення стола во всех направлениях передаются от винтового зубчатого колеса z59 = 12 через винтовое зубчатое колесо z60 = 24 на вал X при помощи фрикционной многодисковий муфты Д. При етом вал X вращается з постоянным числом оборотів 710 в минуту, тогда как по ланцюги рабочих подач он вращается з наибольшим числом оборотів 250 в минуту.

Ручні переміщення производятся в продольном направлении рукояткой Т, в поперечном — маховичком И і в вертикальном — кривошипной рукояткой Л.

Для налаштування подачі имеется маховичок Н, вращение которого передається торцовому кулачку z50. Вращение маховичка Н связано з указателем подач, движущимся по шкале. На шкале имеется восемь фиксированных положений маховичка Н, отвечающих восьми подачам для продольного, поперечного і вертикального перемещений стола.

Зубчатая передача z45:z47:z51 (35:37:19) і реечная передача z52=10 служат для переключения перебора, производимого рукояткой О. Переключення перебора производится поворотом на 180° рукоятки О.

В табл. 23 показаны положения маховичка Н і рукоятки О і соответствующие им подачі стола.

Обгонная муфта Г на валу X позволяет ему вращаться в одном направлении з червячным колесом z58, но з большей скоростью, т. е. обгонять его. Ускоренное вращение от електродвигуна передається винтовому колесу z60, которое сидит на валу X і связывается з ним в нужный момент фрикционной муфтой Д при нажатии рукоятки Ф; при етом вал X начинает вращаться ускоренно. После освобождения рукоятки Ф обгонная муфта немедленно заклинивает червячное колесо z58 на валу X і стол продолжает двигаться з рабочей подачей.


6Н11 Схема увімкнення редуктора консольно-фрезерного верстата

На рис. 270 показана схематически передача обертання на вал редуктора (вал X). Для удобства пользования обозначения зубчатых колес, валов і муфт приняты аналогично обозначениям на рис. 266, 267 і 269.

С вала X рух передається зубчатыми колесами z66 і z64 в коробку реверса, назначение которого — передать полученное рух ходовым гвинтам подач і менять направление их обертання (см. выше).

Сделаем подсчет рабочих продольных подач і швидкого ходу, пользуясь схемами рис. 266 і 267 (табл. 24).

Так как для налаштування поперечных подач стола применяют те же рукоятки коробки подач, то сделаем подсчеты поперечної подачі только для двух крайних значений подач s1 і s16, пользуясь схемой рис. 266 і 267 (табл. 25).

Подобным же образом определим значения вертикальних подач для двух крайних значений S1 і S16 (табл. 26).


6Н11 Механізм выборки люфта между винтом і гайкой консольно-фрезерного верстата

Консольно-фрезерные верстати етой гаммы имеют пристроя (рис. 271) для автоматичною выборки люфта между витками ходового гвинта і гайки, что позволяет производить фрезерование по подаче.

Ходовой винт 5, получая вращение от коробки подач, ввинчивается в бронзовую гайку, состоящую из двух частин z92 і Z93, имеющих наружное зацепление з числом зубьев 23 (см. рис. 266 і 267). Обе полугайки могут свободно поворачиваться в отверстии кронштейна 4 стола, но связаны между собой зубчатыми рейками 3 і 8 і колесом z94=14.

При вращении ходового гвинта он стремится повернуть гайку вследствие трения между витками різьби. Половина гайки z92, поворачиваясь, тянет за собой рейку 8 і заставляет вращаться колесо Z94, которое связано з рейкой 8, а рейка — з другой половиной гайки z93. Вследствие етого половина гайки z93 начнет поворачиваться в обратном направлении к половине z92. Половины гайки не могут сместиться в осевом направлении, так как упираются в підшипники 6 і 7. Поетому они поворачиваются до тех пор, пока упрутся своими витками в витки різьби гвинта і выберут зазор.

Чем сильнее трение между винтом і гайкой, тем на больший угол повернутся її половины. Чтобы не было при етом заклинивания гвинта, поворот обеих полугаек ограничивается пружинами 2 і 9, которые упираются в концы реек. Натяг пружин регулируется гвинтами 1 і 10; пружины при остановке гвинта или при холостом перемещении стола возвращают обе полугайки в исходное положение, чем і восстанавливается зазор между винтом і гайкой, необходимый для легкости холостых і установочных перемещений.

При изменении направления обертання ходового гвинта (в момент реверсирования) взаємодія частин не изменяется, только поворот половин гаек происходит в обратном направлении.

Для змазки механізмов служат три плунжерных насоса. Насос для змазки коробки швидкостей работает от ексцентрика А, приводимого зубчатым колесом z14, сидящим на валу I, і зубчатого колеса z15 (см. рис. 266 і 267). Насос для змазки механізмов консоли работает от ексцентрика Е, сидящего на валу ХХII, через передачу от вала X парой зубчатых колес z61: z62. Ручной насос для змазки стола і салазок крепится на салазках.





Вузли консольно-фрезерного верстата 6Н11

6Н11 Числа оборотів шпинделя консольно-фрезерного верстата

6Н11 Продольные подачі стола консольно-фрезерного верстата

6Н11 Вертикальные подачі консоли консольно-фрезерного верстата


Вузли консольно-фрезерного верстата 6Н81

6Н81 Вузли консольно-фрезерного верстата

Вузли консольно-фрезерного верстата 6Н81

Вузли консольно-фрезерного верстата 6Н81. Скачать в увеличенном масштабе



Однорукояточное керування коробкой швидкостей

На рис. 81, а показана схема однорукояточного керування коробкой швидкостей. Маховичок М, расположенный з левой стороны станины, связан з переключающими кулачками К1 і К2 кінематичної ланцюгю, состоящей из зубчатых винтовых колес z1—z2, цепной передачи z3—z4 шестерен z5—z6 і червячной передачи а—zч. Таким образом, при повороте маховичка М начинают вращаться кулачки К1 і К2. Кулачок К1 имеет два криволинейных торцовых паза: один з правой стороны, а другой — з левой. Кулачок К2 имеет только один криволинейный торцовый паз. В пазы кулачков входят ролики, насаженные на концы рычажных вилок B1, В2 і В3. Каждая вилка управляет двойным подвижным блоком шестерен. Всего в коробке швидкостей имеется три блока шестерен Б1, Б2 і Б3. На шлицевом валу I перемещается блок Б1, а на шлицевом валу III установлено два подвижных блока шестерен Б2 і Б3.

Кулачки К1 і К2 сидят на одном валу і имеют восемь фиксированных положений. У криволинейных пазов кулачков К1 і К2 такая конфигурация і они так взаимно расположены, что каждому из восьми фиксированных положений кулачков соответствует своя комбинация увімкнення блоков шестеро і соответственно своя скорость обертання шпинделя.

Для визуального наблюдения за установленной скоростью имеется указатель У і лимб Л, который так же, как і кулачки К1 і К2, кинематически связан з маховичком М. Лимб Л получает вращение от маховичка через зубчасті винтовые колеса Z1—z2, шестерни Z7—z8 і шестерни Z9—Z10-

Передаточные отношения кинематических ланцюгів кулачков і лимба одинаковы, поетому за один оборот кулачков лимб также совершает один полный оборот.

Такая конструкция однорукояточного керування, имеет тот недостаток, что для увімкнення заданной скорости необходимо пройти все промежуточные значения чисел оборотів шпинделя и, кроме того, нет возможности осуществлять предварительный выбор скорости.

Шпиндельный узел з переборным валиком

Передня шейка шпинделя (рис. 81,б) диаметром 75 мм вращается в двух шариковых радиально-упорных підшипниках 1, регулируемых гайкой 3. Задня шейка шпинделя диаметром 50 мм установлена на одном шариковом подшипнике. Между опорами шпинделя на конусе і шпонке установлен маховик 5, з которым связана приводная шестерня 4. Шкив 9 установлен на ступице шестерни 7, смонтированной на окремих шарикопідшипниках 8, благодаря чему шпиндель разгружен от натяжения ремней. Заодно со шкивом 9 изготовлен тормозной барабанчик, охватываемый тормозной лентой 18. При включенном двигателе соленоид 15, преодолевая сопротивление пружины 17, оттягивает рычаг 16 вниз, растормаживая шпиндель. В момент отключения двигуна тормозная лента затягивается под действием пружины 17 і шпиндель останавливается.

Ниже шпинделя в станине на шарикопідшипниках 14 смонтирован переборный валик 12. Подвижные шестерни 10 і 13 і кулачковая муфта 6 переключаются одновременно одной рукояткой при помощи вилки II. При включенной муфте 6, когда вращение от шкива 9 передається на шпиндель непосредственно, шестерни 10 і 13 выводятся из зацепления з шестернями 7 і 4. Такая конструкция перебора улучшает, к. п. д. верстата і способствует уменьшению вибраций при работе на высоких числах оборотів шпинделя.

Механізм автоматичного устранения зазору

В приводе поздовжньої подачі стола установлен механізм для автоматичного устранения зазору между винтом і маточными гайками (рис. 81, в). В кронштейне поперечных салазок стола установлены две маточные гайки 2 і 3. которые могут свободно поворачиваться в підшипниках кронштейна.

На гайках нарезаны зубья г, которые входят в зацепление з рейками 4 і 10, связанными между собой шестерней 5. Таким образом, поворот одной из гаек в каком-либо направлении вызывает поворот другой гайки в обратном направлении. Рейки 4 і 10 поджимаются пружинами 6 і 9.

При рабочей подаче в зависимости от її направления, одна из гаек начнет поворачиваться і поворачивать через рейки і шестерни вторую гайку до тех пор, пока післядняя не упрется своими витками в противоположные стороны витков гвинта і не устранит полностью зазор. По окончании подачі действие сил трения между витками гайки і гвинта прекратится і пружины вернут рейки і гайки в исходное положение, восстановив зазор, необходимый для легкости холостого переміщення стола. Регулируемые упоры 7 і 8 служат для ограничения величины переміщення реек і соответственно поворота гаек во избежание создания чрезмерного натяга между винтом і гайками.

Подвеска

На хоботе верстата 6Н11 для поддержки шпиндельных оправок можно устанавливать одну или две подвески (серьги).

Разрез одной из подвесок показан на рис. 81, г. Полый шпиндель 1 смонтирован на двух шариковых радиальных упорных підшипниках 6, между наружными кольцами которых установлена шайба 3.

Предварительный натяг в підшипниках, необходимый для повышения жесткости системы, создается гайкой 5. Крышки 7 закрепляют наружные кольца підшибників і служат одновременно для лабиринтного уплотнения. Вкладыш 2 надевается на шпонке на фрезерную оправку і благодаря наружной конической поверхности заклинивается в полом шпинделе 1 подвески 4.


Установка инструмента на консольно-фрезерных верстатах 6Н11

В зависимости от вида применяемой фрезы крепление її на вертикально-фрезерном станке може производиться несколькими способами.

При установці инструмента следует помнить, что на качество его роботи і долговечность большое влияние оказывает биение инструмента во время роботи, т. с. суммарное биение всего комплекта фрезерной оправки. Допустимое биение во всяком случае не должно превышать 0,1 мм. Поетому следует следить за правильной заточной фрез, состоянием фрезерных оправок і проставных колец, не допуская применения их при повышенном биении.





Схема електрична фрезерного верстата 6Н11

Схема електрична консольно-фрезерных верстатів 6Н11, 6Н81, 6Н81Г

Електрична схема фрезерных верстатів 6Н11, 6Н81, 6Н81Г

Схема електрична консольно-фрезерных верстатів 6Н11, 6Н81, 6Н81Г. Дивитись у збільшеному масштабі



Опис електросхеми фрезерного верстата 6Н11. Загальні відомості

На верстатах установлены 3 трехфазных коротко замкнутых асинхронных електродвигуна на напряжение 380 вольт:

  1. Електродвигун приводу шпинделя типа АО 51-4, мощностью 4,5 кВт, 1440 об/мин
  2. Електродвигун механізма подачі типа ФТ 41-4, мощностью 1,7 кВт, 1420 об/мин
  3. Электронасос для охлаждающей жидкости типа ПА-22, мощностью 0,125 кВт, 2800 об/мин

Верстати моделей 6Н81Г, 6Н81 і 6Н11 нормально выпускаются на напряжение 380 вольт, как в силовой ланцюги, так і в ланцюги керування. На ето напряжение рассчитаны катушки і контакты всей електроапаратури. В случае необходимости получения верстата на напряжение 500 или 200 вольт, таковой може быть выполнен только по особому заказу.

Действие електросхеми

Подключение верстата к електросети производятся включением вводного выключателя ВВ. При осмотре или ремонтi електроапаратури вводный выключатель должен быть обязательно выключен.

Электродвигатели 1М — шпинделя і 2М — подачі включаются отдельными кнопками 2КУ і 4КУ з помощью магнитных пускачів 1К і 2К. Остановка обоих електродвигателей осуществляется кнопкой 1КУ, разрывающей ланцюг керування. Точно также ланцюг керування разрывается і все електродвигатели отключаются при нажатии конечного выключателя «KB». При нажатии на кнопку ЗКУ включается електродвигатель 1М, но при етом катушка магнитного пускателя не становится на самопитание, вследствие чего електродвигатель останавливается немедленно після освобождения кнопки ЗКУ. Кнопка ЗКУ используется для кратковременного увімкнення електродвигуна з целью облегчить переключение швидкостей.

Для изменения направления обертання шпинделя служит барабанный переключатель БП.

Захист електроустаткування верстата от коротких замыканий осуществляется плавкими предохранителями 1П і 2П.

Захист електродвигателей от перегрузок осуществляется при помощи тепловых реле 1РТ і 2РТ. Нулевая защита електродвигателей 1М і 2М обеспечивается магнитными пускателями.





6Н11 Верстат консольно-фрезерный вертикальний. Відеоролик.




Технічні характеристики верстата 6Н11

Наименование параметра 6Н81Г 6Н81 6Н11
Основні параметри верстата
Класс точності по ГОСТ 8-71 і ГОСТ 8-82 Н Н Н
Розміри рабочей поверхности стола (длина х ширина), мм 1000 х 250 1000 х 250 1000 х 250
Наименьшее і наибольшее расстояние от торца шпинделя до стола - - 30..380
Наименьшее і наибольшее расстояние от оси шпинделя до стола 30..380 30..340 -
Расстояние от оси шпинделя до хобота, мм 150 150 -
Расстояние от оси вертикального шпинделя до направляючих стойки (вылет), мм - - 280
Рабочий стол
Число Т-образных пазов Розміри Т-образных пазов 3 3 3
Наибольшее перемещение стола продольное от руки/ от двигуна (ось X), мм 600/ 560 600/ 560 600/ 560
Наибольшее перемещение стола поперечное от руки/ от двигуна (ось Y), мм 200/ 190 200/ 190 200/ 190
Наибольшее перемещение стола вертикальное от руки/ от двигуна (ось Z), мм 400/350 350/ 340 350/ 340
Наибольший угол поворота стола, град нет ±45 нет
Цена одного деления шкалы поворота стола, град нет 1 нет
Перемещение стола на одно деление лимба (продольное, поперечное), мм 0,05 0,05 0,05
Перемещение стола на одно деление лимба (вертикальное), мм 0,025 0,025 0,025
Перемещение стола на один оборот лимба продольное і поперечное, мм 6 6 6
Перемещение стола на один оборот лимба вертикальное, мм 3 3 3
Шпиндель
Частота обертання шпинделя, об/мин 65..1800 65..1800 65..1800
Количество швидкостей шпинделя 16 16 16
Ескіз кінця шпинделя ГОСТ 836-47 ГОСТ 836-47 ГОСТ 836-47
Конус шпинделя 45 45 45
Наибольший допустимый крутящий момент на шпинделе Нм 525 525 525
Механіка верстата
Быстрый ход стола продольный (ось X), м/мин 2,9 2,9 2,9
Быстрый ход стола поперечний (ось Y), м/мин 2,3 2,3 2,3
Быстрый ход стола вертикальний (ось Z), м/мин 1,15 1,15 1,15
Число ступеней рабочих подач стола 16 16 16
Пределы рабочих подач. Продольных (ось X), мм/мин 35..980 35..980 35..980
Пределы рабочих подач. Поперечных (ось Y), мм/мин 25..765 25..765 25..765
Пределы рабочих подач. Вертикальных (ось Z), мм/мин 12..380 12..380 12..380
Выключающие упоры подачі (поздовжньої, поперечної, вертикальной) есть есть есть
Блокировка ручной і механической подачі (поздовжньої) нет нет нет
Блокировка ручной і механической подачі (поперечної, вертикальной) есть есть есть
Торможение шпинделя (муфта) есть есть есть
Предохранение от перегрузки (муфта) есть есть есть
Привод
Електродвигун приводу головного руху, кВт 4,5 4,5 4,5
Електродвигун приводу подач, кВт 1,7 1,7 1,7
Электронасос охлаждающей жидкости Тип ПА-22 ПА-22 ПА-22
Електродвигун насоса охлаждающей жидкости, кВт 0,12 0,12 0,12
Производительность насоса СОЖ, л/мин 22 22 22
Габарит і масса верстата
Габарити верстата (длина ширина высота), мм 2060 х 1940 х 1600 2060 х 1940 х 1600 2060 х 1530 х 2300
Масса верстата, кг 2000 2100 2100

    Список литературы:

  1. Горизонтально-фрезерный верстат 6Н81Г. Універсально-фрезерный верстат 6Н81. Вертикально-фрезерный верстат 6Н11. Руковдство к верстатам, 1956

  2. Аврутин С.В. Основы фрезерного дела, 1962
  3. Аврутин С.В. Фрезерне дело, 1963
  4. Ачеркан Н.С. Металлорежущие верстати, Том 1, 1965
  5. Барбашов Ф.А. Фрезерне дело 1973, с.141
  6. Барбашов Ф.А. Фрезерные роботи (Профтехобразование), 1986
  7. Блюмберг В.А. Справочник фрезеровщика, 1984
  8. Григорьев С.П. Практика координатно-расточных і фрезерных работ, 1980
  9. Копылов Р.Б. Работа на фрезерных верстатах,1971
  10. Косовский В.Л. Справочник молодого фрезеровщика, 1992, с.180
  11. Кувшинский В.В. Фрезерование,1977
  12. Ничков А.Г. Фрезерные верстати (Библиотека станочника), 1977
  13. Пикус М.Ю. Справочник слесаря по ремонту металлорежущих верстатів, 1987
  14. Плотицын В.Г. Расчёты настроек і наладок фрезерных верстатів, 1969
  15. Плотицын В.Г. Наладка фрезерных верстатів,1975
  16. Рябов С.А. Современные фрезерные верстати і их оснастка, 2006
  17. Схиртладзе А.Г., Новиков В.Ю. Технологическое обладнання машиностроительных производств, 1980
  18. Тепинкичиев В.К. Металлорежущие верстати, 1973
  19. Чернов Н.Н. Металлорежущие верстати, 1988
  20. Френкель С.Ш. Справочник молодого фрезеровщика (3-е изд.) (Профтехобразование), 1978







6Р81 - верстат вертикальний консольно-фрезерный, (pdf) 1,6 Мб, Скачать





Мужчина считается толковым работником, пока не доказано противное; женщина считается бестолковой, пока не докажет обратное.

Закон Мерфи