metalinstryment.com
Довідник по металорізальних верстатів та пресовому обладнанні

6Р81 Верстат консольно-фрезерный горизонтальный з поворотным столом - універсальний
паспорт, схеми, опис, характеристики

6Р81 Верстат універсальний фрезерный консольный







Відомості про виробника консольно-фрезерного верстата 6Р81

Производитель серии фрезерных верстатів 6Р11, 6Р81, 6Р81Г, 6Р81Ш Дмитровский завод фрезерных верстатів, основанный в 1940 году.

Основной продукцией завода является широкая гамма универсальных консольно-фрезерных верстатів з размером робочого стола от 250 x 630 мм до 400 x 1600 мм.





Верстати, выпускаемые Дмитровским заводом фрезерных верстатів, ДЗФС


6Р81 Верстат консольный фрезерный горизонтальный універсальний. Назначение і область применения

Горизонтальный консольно-фрезерный верстат 6Р81 предназначен для обробки различных изделий из стали, чугуна, цветных металлов і пластмасс цилиндрическими, торцовыми, дисковыми, угловыми і специальными фрезами.

Принцип роботи і особливості конструкції верстата 6Р81

Для обертання шпинделя і механических подач стола предусмотрены приводы от окремих електродвигателей. Стол верстата може совершать быстрые переміщення в трех направлениях.

Ручной і механический приводы сблокированы. Выключение механических перемещений стола може осуществляться упорами і вручную. Для торможения шпинделя применяется електромагнитная муфта.

Повышенная мощность електродвигателей і жесткость верстата 6Р81 обеспечивают обработку изделий. на скоростных режимах різання твердосплавным инструментом.

Верстат 6Р81 може применяться в единичном мелкосерийном і серийном производстве.

Класс точності верстата Н. Шероховатость обработанной поверхности V4—V5.


Аналоги консольно-фрезерного верстата 6Р81

FU315E - 1250 х 315 Верстат універсальний консольно-фрезерный - производитель Гомельский станкостроительный завод

X6130A, X6130A/L - 1150 х 300 Верстат універсальний консольно-фрезерный - производитель Fujian Sanming Machine Tool Co.,LTD Китай

X6132, X6135 - 1320 х 320 Верстат універсальний консольно-фрезерный - производитель Fujian Sanming Machine Tool Co.,LTD Китай

XW6032B - 1320 х 320 Верстат універсальний консольно-фрезерный - производитель Shandong Weida Heavy Industries Co.,Ltd. Китай


Наиболее известные серии консольно-фрезерных верстатів, выпускаемых ДЗФС:


Верстати консольно-фрезерные. Загальні відомості

Горизонтальные консольно-фрезерные верстати имеют горизонтально расположенный, не меняющий своего места шпиндель. Стол може перемещаться перпендикулярно к оси шпинделя в горизонтальном і вертикальном направлениях і вдоль оси, параллельной ей.

Універсальные консольно-фрезерные верстати отличаются от горизонтальных тем, что имеют стол, который може поворачиваться на требуемый угол.

Вертикальные консольно-фрезерные верстати имеют вертикально расположенный шпиндель, перемещающийся вертикально і в некоторых моделях поворачивающийся. Стол може перемещаться в горизонтальном направлении перпендикулярно к оси шпинделя і в вертикальном направлении.

Широкоуниверсальные консольно-фрезерные верстати в отличие от универсальных имеют помимо основного горизонтального шпинделя приставную головку со шпинделем, поворачивающимся вокруг вертикальной і горизонтальной осей.

Бесконсольно-фрезерные верстати имеют шпиндель, расположенный вертикально і перемещающийся в етом направлении. Стол перемещается только в продольном і поперечном направлениях.

Консольно-фрезерные верстати горизонтальные і вертикальные - ето наиболее распространенный тип верстатів, применяемых для фрезерных работ. Название консольно-фрезерные верстати получили от консольного кронштейна (консоли), который перемещается по вертикальным направляющим станины верстата і служит опорой для горизонтальных перемещений стола.

Типорозміри консольно-фрезерных верстатів принято характеризовать по величине рабочей (крепежной) поверхности стола. Консольно-фрезерные верстати могут мати горизонтальное, универсальное (широкоуниверсальные) і вертикальное виконання при одной і той же величине рабочей поверхности стола. Сочетание разных исполнений верстата при одинаковой основной размерной характеристике стола называют размерной гаммой верстатів.

В СССР было освоено производство консольно-фрезерных верстатів пяти типорозмірів:
№ 0; № 1; № 2; № 3 і № 4, причем по каждому размеру выпускалась полная гамма верстатів — горизонтальные, универсальные і вертикальные. Каждый верстат одной размерной гаммы имел в шифре одинаковое обозначение, соответствующее размеру рабочей поверхности стола.

В зависимости от размера рабочей поверхности стола различают наступні розміри консольно-фрезерных верстатів:

Размер Гамма верстатів Размер стола, мм
0 6Р10, 6Р80, 6Р80Г, 6Р80Ш 200 х 800
1 6Н11, 6Н81, 6Н81Г; 6Р11, 6Р81, 6Р81Г, 6Р81Ш 250 х 1000
2 6М12П, 6М82, 6М82Г; 6Р12, 6Р82, 6Р82Ш; 6Т12, 6Т82, 6Т82Г, 6Т82Ш 320 х 1250
3 6М13П, 6М83, 6М83Г; 6Р13, 6Р83; 6Т13, 6Т83, 6Т83Г 400 х 1600
4 6М14П, 6М84, 6М84Г 500 х 2000

В соответствии з размерами стола меняются габаритные розміри самого верстата і его основних вузлів (станины, стола, салазок, консоли, хобота), мощность електродвигуна і величина наибольшего переміщення (хода) стола в продольном, салазок в поперечном і консоли в вертикальном направлениях.


Обозначение консольно-фрезерных верстатів

6 - фрезерный верстат (номер группы по классификации ЭНИМС)

Р – серия (поколение) верстата (Б, К, Н, М, Р, Т)

8 – номер подгруппы (1, 2, 3, 4, 5, 6, 7, 8, 9) по классификации ЭНИМС (8 - горизонтально-фрезерный)

1 – виконання верстата - типоразмер (0, 1, 2, 3, 4) (1 - размер робочого стола - 250 х 1000)


Буквы в кінці обозначения модели:

Г – верстат горизонтальный консольно-фрезерный з неповоротным столом

К – верстат з копировальным пристрійм для обробки криволинейной поверхности

Б – верстат з підвищеної производительностью (повышенный диапазон чисел оборотів шпинделя, подач стола і повышенная мощность двигуна головного руху).

П – точность верстата - (н, п, в, а, с) по ГОСТ 8-ХХ

Ш – верстат широкоуніверсальний

Ф1 – верстат з пристрійм цифровой индикации УЦИ і преднабором координат

Ф2 – верстат з позиционной системой числового керування ЧПУ

Ф3 – верстат з контурной (непрерывной) системой ЧПУ

Ф4 – верстат многоцелевой з контурной системой ЧПУ і магазином инструментов





Габарит робочого простору фрезерного верстата 6Р81

6Р81 Габарит робочого простору фрезерного верстата

Габарит робочого простору фрезерного верстата 6р81


Установчі базы консольно-фрезерного горизонтального верстата 6Р81

Установчі базы фрезерного верстата 6Р81

Установчі базы консольно-фрезерного горизонтального верстата 6р81

Установчі базы фрезерного верстата 6Р81. Скачать в увеличенном масштабе



Загальний вигляд фрезерного верстата 6Р81

6Р81 Загальний вигляд горизонтального консольно-фрезерного верстата

Фото консольно-фрезерного горизонтального фрезерного верстата 6р81


Розташування складових частин горизонтального консольно-фрезерного верстата 6Р81

6Р81 составные частини універсального горизонтального консольно-фрезерного верстата 6Р81

Розташування складових частин консольно-фрезерного верстата 6р81

Складні частини горизонтального консольно-фрезерного верстата 6Р81

  1. Станина - 6Р81Г-11.001
  2. Серьга - 6Р81Г-11.000
  3. Привід шпинделя - 6Р81Г-21.01
  4. Коробка швидкостей - 6Р81Г-31.02
  5. Переключення коробки швидкостей - 6Р81Г-33.01
  6. Коробка подач - 6Н81Г-51.02А
  7. Редуктор - 6Н81Г-52.01
  8. Коробка реверса - 6Н81Г-53.01А
  9. Переключення подач - 6Н81Г-55.02
  10. Консоль - 6Н81Г-60.05
  11. Стол - 6H81-70.01
  12. Система змазки стола і консоли - 6H81-83.02
  13. Система охлаждения - 6Р81Г-84.01
  14. Электрошкаф - 6Р81Г-95.02А
  15. Електроустаткування - 6Р81Г-99.05А

Розташування органів керування фрезерным верстатом моделі 6Р81

6Р81 Розташування органів керування фрезерным верстатом модели

Розташування органів керування фрезерным верстатом 6р81

Список органів керуванняя верстатом 6Р81 і их назначение

  1. Автоматический выключатель електросети
  2. Выключатель електронасоса охлаждения
  3. Переключатель направления обертання шпинделя
  4. Кнопка "Пуск шпинделя"
  5. Кнопка "Пуск подачі"
  6. Кнопка "Загальний стоп"
  7. Кнопка "Толчок шпинделя"
  8. Рукоятка переключения швидкостей шпинделя
  9. Рукоятка переключения перебора шпинделя
  10. Рукоятка переключения подач стола
  11. Рукоятка переключения перебора коробки подач
  12. Рукоятка увімкнення механической вертикальной подачі
  13. Рукоятка увімкнення механической поперечної подачі
  14. Рукоятка увімкнення механической поздовжньої подачі
  15. Маховик ручного продольного переміщення стола
  16. Рукоятка ручного вертикального переміщення стола
  17. Маховичок ручного поперечного переміщення стола
  18. Рукоятка увімкнення ускоренной подачі во всех направлениях
  19. Рукоятка закрепления стола от вертикального переміщення
  20. Рукоятка закрепления стола от продольного переміщення
  21. Рукоятка закрепления стола от поперечного переміщення
  22. Упоры виключення продольного механического переміщення стола
  23. Упоры виключення поперечного переміщення стола
  24. Упоры виключення вертикального переміщення стола
  25. Рукоятка приводу ручного насоса змазки
  26. Выключатель местного освещения
  27. Квадрат переміщення хобота
  28. Квадрат для закрепления хобота
  29. Винты і гайки закрепления верхних салазок от поворота (для верстата 6P81)
  30. Гайка закрепления серьги
  31. Маховичок переміщення пиноли
  32. Рукоятка зажиму пиноли
  33. Квадрат поворота головки
  34. Рукоятка переключения швидкостей поворотного шпинделя ползуна
  35. Переключатель направления обертання поворотного шпинделя
  36. Переключатель выбора роботи шпинделей (горизонтального, поворотного или обоих вместе)
  37. Маховичок увімкнення і регулювання подачі охлаждающей жидкости




Кінематична схема горизонтально-фрезерного верстата 6Р81

6Р81 Кінематична схема горизонтального фрезерного верстата

Кінематична схема горизонтально-фрезерного верстата 6р81

Схема кінематична горизонтального фрезерного верстата 6Р81. Скачать в увеличенном масштабе



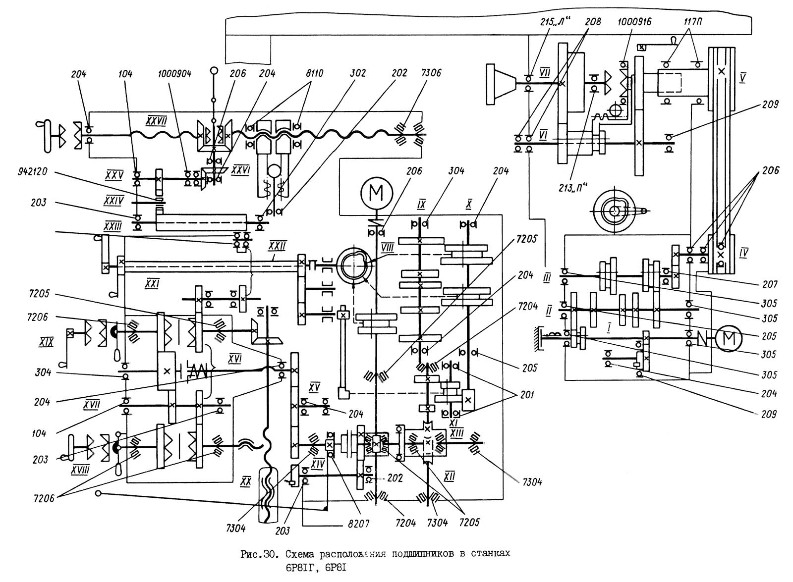
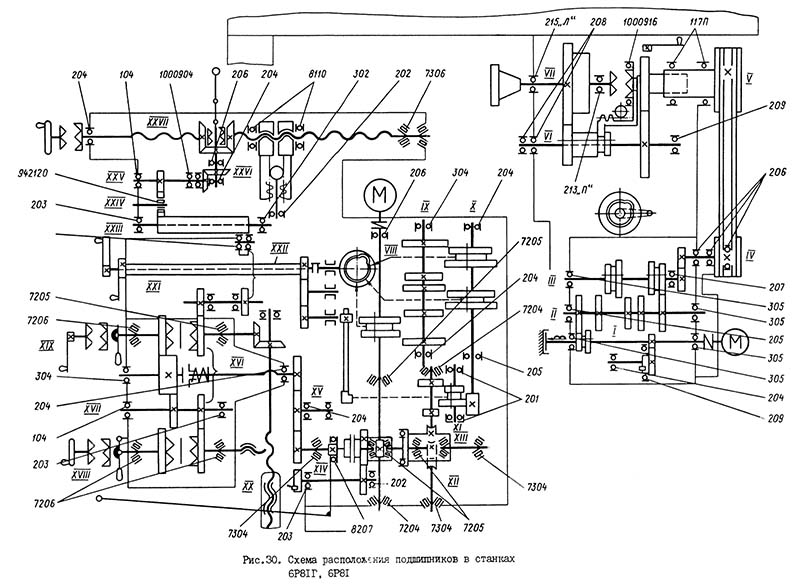
6Р81 Схема розположення підшибників вертикально-фрезерного верстата

Схема розположення підшибників вертикально-фрезерного верстата 6р81

Схема розположення підшибників вертикально-фрезерного верстата 6Р81. Скачать в увеличенном масштабе



Опис конструкції основних вузлів консольного верстата 6Р81


Привід шпинделя верстата 6Р81

Привід шпинделя і коробка швидкостей вертикально-фрезерного верстата 6р81

Привід шпинделя і коробка швидкостей фрезерного верстата 6р81

Привід шпинделя і коробка швидкостей вертикально-фрезерного верстата 6р81. Скачать в увеличенном масштабе



Вращение шпинделю передається от коробки швидкостей клиноременной передачей, которая размещается в задньої полости станины под крышкой. От шкива, соосного со шпинделем, вращение післяднему сообщается или прямым соединением их кулачковой муфтой или через две зубчасті передачи 16-18 і 19-17 (рис.9)

Опорами шпинделя служат підшипники качения: два радиально-упорных впереди і один шариковый в задньої опоре.

Регулювання зазору в підшипниках передньої опори возможно только при полной разборке шпинделя - раздел "Регулювання верстатів").

Підшипники шпинделя консольно-фрезерного верстата 6р81

Шпиндель верстата 6Р81 смонтирован на 2-х опорах:


Технічні характеристики підшипника № 215

Подшипник 215 - ето однорядный шариковый радиальный подшипник.

С увеличением диаметра шариковых підшибників 200 серии ширин, плавно уменьшается і их применяемость, поскольку в вузлах возрастает нагрузка і конструкторы предпочитают использовать підшипники более широкие — 300 или даже 400 серии, которые имеют более низкую частоту обертання, но гораздо более высокую грузоподъемность. Так что підшипники 215 хоть і считаются довольно ходовыми, но з их производством і поставкой уже могут наблюдаться незначительные перебои.

Основні российские производители — 3 (Саратов), 23 (Вологда), СПЗ-4 (Самара). Очень хорошие по качеству підшипники производит Харьковский підшибниківый завод (бывший 8 ГПЗ), но их підшипники з недавнего часу обложены серьезными пошлинами і цена их превышает цены на аналогичные підшипники производства РФ (3 ГПЗ) того же класса качества.

Импортные підшипники данного типоразмера обозначаются как 6215 /Рх (где х — класс точності изготовленного підшипника і варьирует от 2 до 6) з дополнительными обозначениями защитных шайб і заглушек как Z, ZZ или 2RS. Латунный сепаратор обозначается буквой М. Дополнительный тепловой зазор — буквой С (аналог нашего зазору 70). Следует отметить, что импортные підшипники обойдутся вам по цене раз в 8 выше, чем отечественные — помните ето і не поддавайтесь на уловки менеджеров, которые предлагают вам «импорт» по ценам как на наши підшипники (чаще всего за импорт выдают китайские бренды CX, Craft, DPI і тому подобные). Самая дешевая марка, которую можно з натяжкой отнести к категории импортных підшибників — FBJ стоит около 560 — 580 рублей (если Вам предлагают «импортный» подшипник дешевле етой цены, то ето повод усомниться в его происхождении), наиболее же дорогие марки (FAG, SKF, KOYO і другие) имеют цену до 1600 — 1700 рублей і выше (при етом открытые модификации, естественно, несколько дешевле закрытых, а з дополнительным зазором дороже). Российские же підшипники стоят не менее 260 (СПЗ-4, из китайских комплектующих) — 350 рублей (наши заводы).

Разновидности підшипника 215 — открытого:

Розміри і характеристики підшипника 215 (6215)

Схема підшипника 215 (6215)

Схема підшипника 215 (60215, 80215, 180215, 6215)



Технічні характеристики підшипника № 213

Подшипник 213 - ето однорядный шариковый радиальный подшипник.

Подшипник етого типоразмера выпускается з различными конструктивными особенностями, выбор которых для потребителя підшибниківой продукции определяется типом вузла, где он применяется і особенностями експлуатации. Так например, существуют две разновидности закрытых підшибників етого размера — 80213 і 180213. Если у первого защитные заглушки — металлические, то у второго — резиновые. Больше друг от друга ети підшипники ничем не отличаются, но если первый можно применять при очень високою температуре в узле, то второй — нет, так как есть риск расплавления резиновой заглушки, повреждения підшипника і вывода механізма из строя.

Другие разновидности — 60213 (подшипник з металлической шайбой з одной стороны — другая открыта), 50213 — открытый подшипник з проточкой под стопорное кольцо), 150213 — з канавкой і з одной защитной шайбой.

Основні российские производители — 3, 23, СПЗ-4. Однако, часто потребителям предлагают более дешевые китайские бренды (NIS, Craft, hb, CX) — устанавливать такие підшипники можно только в вузли, где нет серьезных нагрузок — в противном случае долго они не выдерживают (сталь из которой они изготовлены гораздо хуже нашей — її еще называют «сырой»). Цена более менее приемлемых по качеству изделий СПЗ-4 составляет около 220 рублей при покупке у крупных компаний, специализирующихся на оптовой продаже.

Импортные підшипники данного типоразмера обозначаются как 6213 /Рх (где х — класс точності изготовленного підшипника і варьирует от 2 до 6) з дополнительными обозначениями защитных шайб і заглушек как Z, ZZ или 2RS. Латунный сепаратор обозначается буквой М. Дополнительный тепловой зазор — буквой С. Самая дешевая марка — FBJ стоит около 430 рублей (если Вам предлагают «импортный» подшипник дешевле етой цены, то ето повод усомниться в его качестве), наиболее же дорогие марки (FAG, SKF, KOYO і другие) имеют цену до 1400 рублей і выше (при етом открытые модификации, естественно, несколько дешевле закрытых, а з дополнительным зазором дороже).

Розміри і характеристики підшипника 213 (6213)

Схема підшипника 215 (6215)

Схема підшипника 213 (60213, 80213, 180213, 6213))



Коробка швидкостей верстата 6Р81

Коробка швидкостей з електродвигуном на корпусе крепится к станине фланцем. Корпус її при етом входит в полость станины, залитую смазочным маслом. На корпусе установлен плунжерный смазочный насос, приводимый в действие от ексцентрика Для доступа к насосу на правой стороне станины имеется окно з крышкой.

Переключення швидкостей в коробке производится от кулачка 129 (см.рис.6) з криволинейными пазами на торцах. Вал кулачка муфтой соединяется з валом шкалы і рукояток переключения 101, расположенных снаружи станины. Соединительная муфта свободно снимается з вала кулачка, когда крышка переключения открепляется от станины.

При разборке коробки швидкостей следует отметить положение кулачка і положение шкалы частоти обертання, чтобы восстановить правильную их взаимосвязь при сборке.

Коробка подач. Редуктор верстата 6Р81

Коробка подач і редуктор вертикально-фрезерного верстата 6р81

Коробка подач і редуктор фрезерного верстата 6р81

Коробка подач і редуктор вертикально-фрезерного верстата 6р81. Скачать в увеличенном масштабе



Корпуса коробки подач і редуктора соединяются гвинтами в единый узел, після чего устанавливаются в полость консоли слева. Справа консоли, через окно з крышкой, выступает вал редуктора з рукояткой, включающей муфту ускоренного ходу.

Выходная шестерня редуктора 47 (рис. 10,11) сцепляется з шестерней 49 коробки реверса.

Переключення скользящих шестерен в коробке подач осуществляется так же как і в коробке швидкостей кулачком 130 (см.рис.6).

Вал его сцеплен со шкалой і рукояткой переключения 103 (см.рис.6) вузла 55 (см.рис.11) укрепленного спереди консоли.

Узел 55 свободно снимается після удаления крепежных винтов. Не следует забывать отметить взаимосвязь шкалы подач і положения кулачка в коробке при разборке, чтобы затем правильно собрать переключение.

Коробка реверса верстата 6Р81

Коробка реверса вертикально-фрезерного верстата 6р81

Коробка реверса фрезерного верстата 6р81

Коробка реверса вертикально-фрезерного верстата 6р81. Скачать в увеличенном масштабе



Механізм коробки реверса получает вращение от редуктора і через предохранительную муфту передает вращение к ходовым гвинтам продольного, поперечного і вертикального перемещений стола. Увімкнення обертання того или иного ходового гвинта, в прямом і обратном направлении, производится кулачковыми муфтами з помощью рукояток 105, 106, 107 (см.рис.6 і II).

Для ручных перемещений стола служат рукоятка 109 і маховичок 110, которые установлены на валах свободно, а в момент использования сцепляются з валами з помощью кулачковых муфт.

В коробке реверса предусмотрена блокировка, предупреждающая увімкнення механической подачі, если не расцеплены з валами рукоятка 109 і маховичок 110.

Блокировка обеспечивается шариками, вложенными в радиальные отверстия валов под ступицами рукоятки 109 і маховичка 110.

При снятии післядних шарики могут выпасть, необходимо установить их при сборке на место.

При установці коробки реверса в консоль следует соединить наступні елементы:

  1. ввести конец вала XIX (см.рис.6) со шпонкой в отверстие коническим зубчатым колесом 58;
  2. сланцюгить зубчасті колеса 57 і 49 з колесами 61 і 47;
  3. ввернуть винт ХVIII в гайку 55 поперечного переміщення.

Консоль верстата 6Р81

Консоль вертикально-фрезерного верстата 6р81

Консоль фрезерного верстата 6р81

Консоль вертикально-фрезерного верстата 6р81. Скачать в увеличенном масштабе



В консоли размещены вузли механізма подачі, описанные выше.

Винт поперечного переміщення стола имеет опори в коробке реверса і выходит из консоли наружу через отверстие.

Непосредственно, в отверстиях корпуса консоли установлены конические зубчасті колеса і винт вертикального переміщення стола.

Рух к винту продольного переміщення стола сообщается от зубчатого колеса 57 (см. рис.6) коробки реверса через вал XXI (см.рис.6 і 12) і паразитное зубчатое колесо 63. Вал XXI смонтирован в гильзе, установленной в отверстии корпуса консоли.

Зубчатое колесо 63 помещено в окне специальной пробки, посаженной в отверстие сверху консоли так, что зубья выступают над поверхностью направляючих.

Стол верстата 6Р81

Стол вертикально-фрезерного верстата 6р81

Стол фрезерного верстата 6р81

Стол вертикально-фрезерного верстата 6р81. Скачать в увеличенном масштабе



В нижней частини салазок стола установлено зубчатое колесо 64 (см.рис.6 і 13), сцепленное з зубчатым колесом консоли 63. Благодаря большой длине зубчатого колеса 64 в течение всего поперечного переміщення стола сохраняется зацепление і обеспечивается передача обертання к продольному винту стола.

Вращение гвинта продольного переміщення осуществляется коническими зубчатыми колесами 70 і 71 з кулачками на торцах. Между коническими колесами находится втулка со шпонкой внутри і кулачковой муфтой 143 снаружи. Увімкнення кулачковой муфты в ту или иную сторону производится рукояткой 107, чем і обеспечивается рух стола вправо і влево.

Гайка гвинта продольного переміщення стола снабжена пристрійм автоматичною выборки зазору. Гайка состоит из двух частин, опирающихся буртами (через шариковые подпятники) на торцы несущего их кронштейна.

На наружной цилиндрической поверхности обеих полугаек нарезаны зубья, сцепленные з рейками 145.

Рейки з свою очередь связаны между собой зубчатым колесом 75 і ограничиваются в своем перемещении в направлении от станины гвинтами, Эти винты з контргайками видны спереди салазок.

Во время попутного фрезерування усилие подачі на винте направлено в сторону противоположную движению стола. Оно вызывает трение в витках той гайки, которая при етом прижимается к кронштейну. За счет зусилля трения гайка поворачивается вместе з винтом на некоторый угол. Такой же поворот благодаря связи их реечной системой делает вторая полугайка, но в обратном направлении.

Таким образом, обе полугайки навинчиваются на винт и, упираясь буртами в подпятники, как бы растягивают винт, зазор в витках в ето время выбирается. При фрезеровании против подачі направление зусилля на витке не вызывает описанного выше еффекта і зазор в витках сохраняется.





Налаштування і наладка верстата 6р81. Режими різання

Режими різання на верстатах назначаются по технологическим справочникам. При етом необходимо учесть:

Следует изменить режим різання (подачу на зуб) или инструмент (применить фрезу з неравномерным шагом зубьев).

Установка на верстатах необходимой частоти обертання шпинделя производится поворотом рукояток 101 (см.рис.3-5) до совмещения нужной цифры шкалы з указателем на крышке. Затем рукояткой 102 устанавливается высокий (315..1600 об/мин) или низкий (50..250 об/мин) ряд частот обертання.

Частота обертання поворотного шпинделя верстата 6Р81Ш устанавливается з помощью трех рукояток 127, имеющих следующее назначение:

При работе рукоятками следует доводить их всегда до фиксированного положения.

ВНИМАНИЕ!

Во избежание ошибочного увімкнення аварийных для верстата і инструмента режимов різання будьте особенно внимательны при установці рукояток 102 і 127-B, т.к. они изменяют частоту обертання шпинделей соответственно в 6,3 і 8 раз.

Установка требуемой величины подачі достигается вращением рукояток 103 до совмещения з указателем необходимой цифры шкалы. Рукояткой 104 устанавливается один из двух рядов рабочей подачі стола: 35..170 мм/мин или 210..1020 мм/мин.

ВНИМАНИЕ!

Будьте внимательны при установці рукоятки 104, т.к. ошибочное її увімкнення резко изменяет величину рабочей подачі.

Установка инструмента на верстат

Цилиндрические фрезы устанавливаются общеизвестным порядком на оправках, поддерживаемых одной или двумя поддержками (серьгами). При етом следует учитывать, что для нормального фрезерування і высокого качества поверхности необходимо обеспечить:

Обработка спиральных поверхностей з применением делительной головки

Плавность подачі при фрезеровании спиральных поверхностей находится в прямой зависимости от количества оборотів ходового гвинта, приходящихся на один оборот вироби: чем оно больше, тем более спокойно резание і наоборот. Исходя из етого, рекомендуется не превышать следующих величин угла наклона спирали:

Охлаждение фрез при резании (рис.27) Охлаждение применяется только к фрезам из быстрорежущей стали і при обработке стали. Охлаждающая жидкость подается из резервуара в основании верстатів електронасосом, который вместе з трубопроводом находится в нише сзади станины под крышкой. Наружная часть трубопровода снабжена металлическим наконечником з соплом і краном регулювання потока жидкости.

Использованная жидкость возвращается в резервуар основания, проходя через отстойники, задерживающие металлические частиницы.

Резервуар следует промывать і освобождать отстойники по мере необходимости.





Регулювання верстатів

В процессе експлуатации може возникнуть необходимость в регулировании некоторых складових частин верстатів і их елементів з целью восстановления их нормальной роботи. Ниже приводятся способы регулювання или указания на разделы руководства, где они описаны.

Клиноременная передача от коробки швидкостей к шпинделю помещается в нише сзади станин под крышкой (рис.28). При вытяжке ремней следует ослабить гайки 181 і вращением гайки 182 повернуть фланец, несущий шкив. Ремни натянутся, після чего нужно затянуть гайки 181.

Если наблюдаются "подрывы" стола при попутном фрезеровании, необходимо уменьшить зазор в резьбе ходового гвинта. Способ регулировки механізма выборки зазору описан в разделе "Стол" (см.рис.13).

Регулювання підшибників шпинделя може потребоваться только після длительной роботи, так как радиально-упорные підшипники в передньої опоре устанавливаются з предварительным натягом. Уменьшение зазору в підшипниках возможно только путем подшлифовки кольца і затяжки гайки, фиксируемой гвинтами. Для етой операции потребуется полная разборка шпинделя.

Регулювання клиньєв стола і салазок осуществляется одинаково подтягиванием винтов 187 (рис.29). После того, как установлен нормальный зазор в направляючих, клинья подпираются з тонкого кінця гвинтами 188. Затяжку винтов 188 не следует производить з силой, чтобы не деформировать клин 186.

Регулювання верхнего і нижнего клиньєв консоли производится подтягиванием винтов 189.

Регулювання предохранительной муфты механізма подачі осуществляется подтягиванием гайки, для чего необходимо вынуть узел из консоли (см.рис.II).

Предохранительная муфта отрегулирована на заводе-изготовителе так, чтобы она проскальзывала при фрезеровании чугунного образца цилиндрической фрезой со вставными ножами из быстрорежущей стали диаметром 100 мм, з числом зубьев 12 на режиме:

Без крайней нужды потребитель не должен нарушать регулировки предохранительной муфты, выполненной заводом-изготовителем. При необходимости регулировки муфты следует выдержать указанный выше предельный режим різання.


Особливості разборки верстатів 6р81

На верстатах затруднен демонтаж коробки подач і редуктора из консоли. Для демонтажу необходима полная разборка консоли, которая должна осуществляться в следующем порядке:


Схема електрична фрезерного верстата 6Р81

Схема електрична 6Р81 верстата горизонтального консольно-фрезерного

Електрична схема горизонтально-фрезерного верстата 6р81

Схема електрична фрезерного верстата 6Р81. Дивитись у збільшеному масштабі











Технічні характеристики верстата 6Р81

Наименование параметра 6Р81 6Р81Г 6Р81Ш
Основні параметри верстата
Класс точності по ГОСТ 8-71 і ГОСТ 8-82 Н Н П
Розміри рабочей поверхности стола (длина х ширина), мм 1000 х 250 1000 х 250 1000 х 250
Наименьшее і наибольшее расстояние от торца шпинделя до стола - - -
Наименьшее і наибольшее расстояние от оси шпинделя до стола 50..370 50..400 50..400
Расстояние от оси шпинделя до хобота, мм 142 142 142
Расстояние от оси вертикального шпинделя до направляючих стойки, мм - - 245..845
Рабочий стол
Максимальная нагрузка на стол (по центру), кг
Число Т-образных пазов Розміри Т-образных пазов 3 3 3
Наибольшее перемещение стола продольное (ось X), мм 630 630 630
Наибольшее перемещение стола поперечное (ось Y), мм 200 200 200
Наибольшее перемещение стола вертикальное (ось Z), мм 320 350 350
Наибольший угол поворота стола, град ±45 нет нет
Цена одного деления шкалы поворота стола, град 1 нет нет
Перемещение стола на одно деление лимба (продольное, поперечное), мм 0,05 0,05 0,05
Перемещение стола на одно деление лимба (вертикальное), мм 0,025 0,025 0,025
Перемещение стола на один оборот лимба продольное і поперечное, мм 6 6 6
Перемещение стола на один оборот лимба вертикальное, мм 3 3 3
Шпиндель
Частота обертання шпинделя, об/мин 31,5..1600 31,5..1600 31,5..1600
Количество швидкостей шпинделя 18 18 18
Ескіз кінця шпинделя 45 ГОСТ 836-72 45 ГОСТ 836-72 45 ГОСТ 836-72
Конус шпинделя 45 45 45
Конус поворотного шпинделя - - 40
Механіка верстата
Быстрый ход стола продольный і поперечний, мм/мин 3150 3150 3150
Быстрый ход стола вертикальний, мм/мин 1050 1050 1050
Число ступеней рабочих подач стола 16 16 16
Пределы рабочих подач. Продольных і поперечных, мм/мин 25..800 25..800 25..800
Пределы рабочих подач. Вертикальных, мм/мин 8,3..266,7 8,3..266,7 8,3..266,7
Выключающие упоры подачі (поздовжньої, поперечної, вертикальной) есть есть есть
Блокировка ручной і механической подачі (поздовжньої) нет нет нет
Блокировка ручной і механической подачі (поперечної, вертикальной) есть есть есть
Торможение шпинделя (муфта) есть есть есть
Предохранение от перегрузки (шариковая пара) есть есть есть
Привод
Електродвигун приводу головного руху, кВт 5,5 5,5 5,5
Електродвигун приводу подач, кВт 1,5 1,5 1,5
Электронасос охлаждающей жидкости Тип Х14-22М Х14-22М Х14-22М
Электронасос охлаждающей жидкости, кВт 0,12 0,12 0,12
Производительность насоса СОЖ, л/мин 22 22 22
Габарит і масса верстата
Габарити верстата (длина ширина высота), мм 1480 х 1990 х 1630 1480 х 1990 х 1630 1480 х 2045 х 1890
Масса верстата, кг 2280 2210 2530


    Список литературы:

  1. Консольно-фрезерные верстати 6Р81Г, 6Р81, 6Р11, 6Р81Ш. Руководство по експлуатации РЭ, 1983

  2. Аврутин С.В. Основы фрезерного дела, 1962
  3. Аврутин С.В. Фрезерне дело, 1963
  4. Ачеркан Н.С. Металлорежущие верстати, Том 1, 1965
  5. Барбашов Ф.А. Фрезерне дело 1973, с.141
  6. Барбашов Ф.А. Фрезерные роботи (Профтехобразование), 1986
  7. Блюмберг В.А. Справочник фрезеровщика, 1984
  8. Григорьев С.П. Практика координатно-расточных і фрезерных работ, 1980
  9. Копылов Р.Б. Работа на фрезерных верстатах,1971
  10. Косовский В.Л. Справочник молодого фрезеровщика, 1992, с.180
  11. Кувшинский В.В. Фрезерование,1977
  12. Ничков А.Г. Фрезерные верстати (Библиотека станочника), 1977
  13. Пикус М.Ю. Справочник слесаря по ремонту металлорежущих верстатів, 1987
  14. Плотицын В.Г. Расчёты настроек і наладок фрезерных верстатів, 1969
  15. Плотицын В.Г. Наладка фрезерных верстатів,1975
  16. Рябов С.А. Современные фрезерные верстати і их оснастка, 2006
  17. Схиртладзе А.Г., Новиков В.Ю. Технологическое обладнання машиностроительных производств, 1980
  18. Тепинкичиев В.К. Металлорежущие верстати, 1973
  19. Чернов Н.Н. Металлорежущие верстати, 1988
  20. Френкель С.Ш. Справочник молодого фрезеровщика (3-е изд.) (Профтехобразование), 1978







6Р81 - верстат горизонтальный консольно-фрезерный, (pdf) 1,6 Мб, Скачать





Мужчина считается толковым работником, пока не доказано противное; женщина считается бестолковой, пока не докажет обратное.

Закон Мерфи