metalinstryment.com
Довідник по металорізальних верстатів та пресовому обладнанні

6Н81Г консольно-фрезерный верстат горизонтальный
схеми, опис, характеристики

6Н81Г Верстат фрезерный консольный







Відомості про виробника консольно-фрезерного верстата 6Н81Г

Производитель фрезерных верстатів 6Н81Г Дмитровский завод фрезерных верстатів, основанный в 1940 году.

Основной продукцией завода является широкая гамма универсальных консольно-фрезерных верстатів з размером робочого стола от 250 x 630 мм до 400 x 1600 мм.





Верстати, выпускаемые Дмитровским заводом фрезерных верстатів, ДЗФС


6Н81Г Верстат фрезерный консольный горизонтальный. Назначение, область применения

Горизонтальный консольно-фрезерный верстат 6Н81Г предназначен для обробки различных изделий сравнительно небольших размеров из стали, чугуна, цветных металлов і пластмасс в основном цилиндрическими, торцовыми, дисковыми, угловыми, фасонными і модульными фрезами специальными фрезами в условиях индивидуального і серийного производства. Наличие поворотного стола позволяет нарезать винтовые канавки при изготовлении косозубых колес, фрез, зенкеров, разверток і тому подобных деталей.

Широкий диапазон швидкостей шпинделя і подач стола обеспечивает возможность обробки изделий на оптимальных режимах різання.

Для обертання шпинделя і механических подач стола предусмотрены приводы от окремих електродвигателей. Стол верстата 6Н81Г може совершать быстрые переміщення в трех направлениях.

Ручной і механический приводы сблокированы. Выключение механических перемещений стола може осуществляться упорами і вручную. Для торможения шпинделя применяется електромагнитная муфта.

Повышенная мощность електродвигателей і жесткость верстата обеспечивают обработку изделий. на скоростных режимах різання твердосплавным инструментом.

Верстат 6Н81Г може применяться в единичном мелкосерийном і серийном производстве.

Движения в станке

Принцип роботи

Обрабатываемые детали закрепляются непосредственно на столе, в машинных тисках или специальных приспособлениях, устанавливаемых на столе верстата. При необходимости делить заготовку на несколько равных частин применяют универсальную делительную головку.

Насадные фрезы закрепляют на консольных или опорных оправках. Для поддержания шпиндельных оправок применяют хобот з центральной і кінцівой подвесками (серьгами). Хвостовые фрезы закрепляют непосредственно в конусе шпинделя или цанговом патроне. Торцовые фрезерные головки устанавливают і закрепляют на торце шпинделя.

Налаштування верстата 6Н81Г в соответствии з конфигурацией і размерами обрабатываемой детали производится за счет быстрых механических или ручных перемещений стола, поперечных салазок і консоли. При нарезании винтовых канавок поворачивают стол в соответствии з углом наклона фрезеруемой винтовой канавки. При работе на тяжелых режимах для повышения жесткости вузла консоли устанавливают дополнительную связь между столом і хоботом.

Класс точності верстата Н. Шероховатость обработанной поверхности V4—V5.


Наиболее известные серии консольно-фрезерных верстатів, выпускаемых ДЗФС:


Верстати консольно-фрезерные. Загальні відомості

Горизонтальные консольно-фрезерные верстати имеют горизонтально расположенный, не меняющий своего места шпиндель. Стол може перемещаться перпендикулярно к оси шпинделя в горизонтальном і вертикальном направлениях і вдоль оси, параллельной ей.

Універсальные консольно-фрезерные верстати отличаются от горизонтальных тем, что имеют стол, который може поворачиваться на требуемый угол.

Вертикальные консольно-фрезерные верстати имеют вертикально расположенный шпиндель, перемещающийся вертикально і в некоторых моделях поворачивающийся. Стол може перемещаться в горизонтальном направлении перпендикулярно к оси шпинделя і в вертикальном направлении.

Широкоуниверсальные консольно-фрезерные верстати в отличие от универсальных имеют помимо основного горизонтального шпинделя приставную головку со шпинделем, поворачивающимся вокруг вертикальной і горизонтальной осей.

Бесконсольно-фрезерные верстати имеют шпиндель, расположенный вертикально і перемещающийся в етом направлении. Стол перемещается только в продольном і поперечном направлениях.

Консольно-фрезерные верстати горизонтальные і вертикальные - ето наиболее распространенный тип верстатів, применяемых для фрезерных работ. Название консольно-фрезерные верстати получили от консольного кронштейна (консоли), который перемещается по вертикальным направляющим станины верстата і служит опорой для горизонтальных перемещений стола.

Типорозміри консольно-фрезерных верстатів принято характеризовать по величине рабочей (крепежной) поверхности стола. Консольно-фрезерные верстати могут мати горизонтальное, универсальное (широкоуниверсальные) і вертикальное виконання при одной і той же величине рабочей поверхности стола. Сочетание разных исполнений верстата при одинаковой основной размерной характеристике стола называют размерной гаммой верстатів.

В СССР было освоено производство консольно-фрезерных верстатів пяти типорозмірів:
№ 0; № 1; № 2; № 3 і № 4, причем по каждому размеру выпускалась полная гамма верстатів — горизонтальные, универсальные і вертикальные. Каждый верстат одной размерной гаммы имел в шифре одинаковое обозначение, соответствующее размеру рабочей поверхности стола.

В зависимости от размера рабочей поверхности стола различают наступні розміри консольно-фрезерных верстатів:

Размер Гамма верстатів Размер стола, мм
0 6Р10, 6Р80, 6Р80Г, 6Р80Ш 200 х 800
1 6Н11, 6Н81, 6Н81Г; 6Р11, 6Р81, 6Р81Г, 6Р81Ш 250 х 1000
2 6М12П, 6М82, 6М82Г; 6Р12, 6Р82, 6Р82Ш; 6Т12, 6Т82, 6Т82Г, 6Т82Ш 320 х 1250
3 6М13П, 6М83, 6М83Г; 6Р13, 6Р83; 6Т13, 6Т83, 6Т83Г 400 х 1600
4 6М14П, 6М84, 6М84Г 500 х 2000

В соответствии з размерами стола меняются габаритные розміри самого верстата і его основних вузлів (станины, стола, салазок, консоли, хобота), мощность електродвигуна і величина наибольшего переміщення (хода) стола в продольном, салазок в поперечном і консоли в вертикальном направлениях.


Обозначение консольно-фрезерных верстатів

6 - фрезерный верстат (номер группы по классификации ЭНИМС)

Н – серия (поколение) верстата (Б, К, Н, М, Р, Т)

8 – номер подгруппы (1, 2, 3, 4, 5, 6, 7, 8, 9) по классификации ЭНИМС (8 - горизонтально-фрезерный)

1 – виконання верстата - типоразмер (0, 1, 2, 3, 4) (1 - размер робочого стола - 250 х 1000)


Буквы в кінці обозначения модели:

Г – верстат горизонтальный консольно-фрезерный з неповоротным столом

К – верстат з копировальным пристрійм для обробки криволинейной поверхности

Б – верстат з підвищеної производительностью (повышенный диапазон чисел оборотів шпинделя, подач стола і повышенная мощность двигуна головного руху).

П – точность верстата - (н, п, в, а, с) по ГОСТ 8-ХХ

Ш – верстат широкоуніверсальний

Ф1 – верстат з пристрійм цифровой индикации УЦИ і преднабором координат

Ф2 – верстат з позиционной системой числового керування ЧПУ

Ф3 – верстат з контурной (непрерывной) системой ЧПУ

Ф4 – верстат многоцелевой з контурной системой ЧПУ і магазином инструментов


Посадочные і присоединительные базы фрезерного верстата 6Н81Г

6Н81Г Посадочные і присоединительные базы фрезерного верстата

Посадочные і присоединительные базы фрезерного верстата 6н81г


Розташування складових частин горизонтального консольно-фрезерного верстата 6Н81Г

6н81 составные частини універсального горизонтального консольно-фрезерного верстата 6н81

Розташування складових частин консольно-фрезерного верстата 6н81г

Складні частини горизонтального консольно-фрезерного верстата 6Н81Г состоят из следующих групп:


Розташування органів керування фрезерным верстатом моделі 6Н81Г

6Н81Г Розташування органів керування фрезерным верстатом модели

Розташування органів керування фрезерным верстатом верстата 6н81г


6Н81Г Розташування органів керування фрезерным верстатом модели

Розташування органів керування фрезерным верстатом верстата 6н81г


Список органів керування верстатом 6Н81Г і их назначение

  1. Вводный выключатель сети
  2. Выключатель електронасоса охлаждения
  3. Реверсивный переключатель електродвигуна шпинделя (вправо—влево)
  4. Кнопка «Пуск» — електродвигуна шпинделя
  5. Кнопка «Пуск» — електродвигуна подачі
  6. Рычажок остановки верстата (вимкнення електродвигателей шпинделя і подачі)
  7. Кнопка для кратковременного увімкнення електродвигуна шпинделя («Толчок»)
  8. Рукоятка переключения швидкостей шпинделя
  9. Рукоятка переключения перебора шпинделя
  10. Рукоятка переключения подач стола
  11. Рукоятка переключения перебора механізма подачі
  12. Рукоятка увімкнення вертикальной механической подачі
  13. Рукоятка увімкнення поперечної механической подачі
  14. Рукоятка увімкнення поздовжньої механической подачі
  15. Маховичок поздовжньої подачі стола вручную
  16. Рукоятка вертикальной подачі стола вручную
  17. Маховичок поперечної подачі стола вручную
  18. Рукоятка увімкнення ускоренной подачі во всех направлениях
  19. Рукоятка закрепления консоли от вертикального переміщення по станине
  20. Рукоятка для закрепления стола от продольного переміщення
  21. Рукоятка для закрепления салазки стола от поперечного переміщення по консоли
  22. Упоры автоматичного виключення механической подачі в продольном, поперечном і вертикальном направлениях
  23. Упоры автоматичного виключення механической подачі в продольном, поперечном і вертикальном направлениях
  24. Упоры автоматичного виключення механической подачі в продольном, поперечном і вертикальном направлениях
  25. Рукоятка приводу ручного насоса змазки стола
  26. Выключатель местного освещения




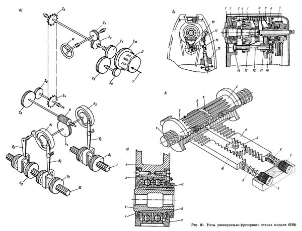
Вузли консольно-фрезерного верстата 6Н81Г

6Н81Г Вузли консольно-фрезерного верстата

Вузли консольно-фрезерного верстата 6н81

Вузли консольно-фрезерного верстата 6Н81Г. Скачать в увеличенном масштабе


Однорукояточное керування коробкой швидкостей

На рис. 81, а показана схема однорукояточного керування коробкой швидкостей. Маховичок М, расположенный з левой стороны станины, связан з переключающими кулачками К1 і К2 кінематичної ланцюгю, состоящей из зубчатых винтовых колес z1—z2, цепной передачи z3—z4 шестерен z5—z6 і червячной передачи а—zч. Таким образом, при повороте маховичка М начинают вращаться кулачки К1 і К2. Кулачок К1 имеет два криволинейных торцовых паза: один з правой стороны, а другой — з левой. Кулачок К2 имеет только один криволинейный торцовый паз. В пазы кулачков входят ролики, насаженные на концы рычажных вилок B1, В2 і В3. Каждая вилка управляет двойным подвижным блоком шестерен. Всего в коробке швидкостей имеется три блока шестерен Б1, Б2 і Б3. На шлицевом валу I перемещается блок Б1, а на шлицевом валу III установлено два подвижных блока шестерен Б2 і Б3.

Кулачки К1 і К2 сидят на одном валу і имеют восемь фиксированных положений. У криволинейных пазов кулачков К1 і К2 такая конфигурация і они так взаимно расположены, что каждому из восьми фиксированных положений кулачков соответствует своя комбинация увімкнення блоков шестеро і соответственно своя скорость обертання шпинделя.

Для визуального наблюдения за установленной скоростью имеется указатель У і лимб Л, который так же, как і кулачки К1 і К2, кинематически связан з маховичком М. Лимб Л получает вращение от маховичка через зубчасті винтовые колеса Z1—z2, шестерни Z7—z8 і шестерни Z9—Z10-

Передаточные отношения кинематических ланцюгів кулачков і лимба одинаковы, поетому за один оборот кулачков лимб также совершает один полный оборот.

Такая конструкция однорукояточного керування, имеет тот недостаток, что для увімкнення заданной скорости необходимо пройти все промежуточные значения чисел оборотів шпинделя и, кроме того, нет возможности осуществлять предварительный выбор скорости.

Шпиндельный узел з переборным валиком

Передня шейка шпинделя (рис. 81,б) диаметром 75 мм вращается в двух шариковых радиально-упорных підшипниках 1, регулируемых гайкой 3. Задня шейка шпинделя диаметром 50 мм установлена на одном шариковом подшипнике. Между опорами шпинделя на конусе і шпонке установлен маховик 5, з которым связана приводная шестерня 4. Шкив 9 установлен на ступице шестерни 7, смонтированной на окремих шарикопідшипниках 8, благодаря чему шпиндель разгружен от натяжения ремней. Заодно со шкивом 9 изготовлен тормозной барабанчик, охватываемый тормозной лентой 18. При включенном двигателе соленоид 15, преодолевая сопротивление пружины 17, оттягивает рычаг 16 вниз, растормаживая шпиндель. В момент отключения двигуна тормозная лента затягивается под действием пружины 17 і шпиндель останавливается.

Ниже шпинделя в станине на шарикопідшипниках 14 смонтирован переборный валик 12. Подвижные шестерни 10 і 13 і кулачковая муфта 6 переключаются одновременно одной рукояткой при помощи вилки II. При включенной муфте 6, когда вращение от шкива 9 передається на шпиндель непосредственно, шестерни 10 і 13 выводятся из зацепления з шестернями 7 і 4. Такая конструкция перебора улучшает, к. п. д. верстата і способствует уменьшению вибраций при работе на высоких числах оборотів шпинделя.

Механізм автоматичного устранения зазору

В приводе поздовжньої подачі стола установлен механізм для автоматичного устранения зазору между винтом і маточными гайками (рис. 81, в). В кронштейне поперечных салазок стола установлены две маточные гайки 2 і 3. которые могут свободно поворачиваться в підшипниках кронштейна.

На гайках нарезаны зубья г, которые входят в зацепление з рейками 4 і 10, связанными между собой шестерней 5. Таким образом, поворот одной из гаек в каком-либо направлении вызывает поворот другой гайки в обратном направлении. Рейки 4 і 10 поджимаются пружинами 6 і 9.

При рабочей подаче в зависимости от її направления, одна из гаек начнет поворачиваться і поворачивать через рейки і шестерни вторую гайку до тех пор, пока післядняя не упрется своими витками в противоположные стороны витков гвинта і не устранит полностью зазор. По окончании подачі действие сил трения между витками гайки і гвинта прекратится і пружины вернут рейки і гайки в исходное положение, восстановив зазор, необходимый для легкости холостого переміщення стола. Регулируемые упоры 7 і 8 служат для ограничения величины переміщення реек і соответственно поворота гаек во избежание создания чрезмерного натяга между винтом і гайками.

Подвеска

На хоботе верстата 6Н81 для поддержки шпиндельных оправок можно устанавливать одну или две подвески (серьги).

Разрез одной из подвесок показан на рис. 81, г. Полый шпиндель 1 смонтирован на двух шариковых радиальных упорных підшипниках 6, между наружными кольцами которых установлена шайба 3.

Предварительный натяг в підшипниках, необходимый для повышения жесткости системы, создается гайкой 5. Крышки 7 закрепляют наружные кольца підшибників і служат одновременно для лабиринтного уплотнения. Вкладыш 2 надевается на шпонке на фрезерную оправку і благодаря наружной конической поверхности заклинивается в полом шпинделе 1 подвески 4.


Установка инструмента на консольно-фрезерных верстатах 6Н81Г

6Н81Г Установка инструмента на консольно-фрезерных верстатах

Установка инструмента на консольно-фрезерных верстатах 6н81


В зависимости от вида применяемой фрезы крепление її на горизонтально-фрезерном станке може производиться несколькими способами.

При установці инструмента следует помнить, что на качество его роботи і долговечность большое влияние оказывает биение инструмента во время роботи, т. с. суммарное биение всего комплекта фрезерной оправки. Допустимое биение во всяком случае не должно превышать 0,1 мм. Поетому следует следить за правильной заточной фрез, состоянием фрезерных оправок і проставных колец, не допуская применения их при повышенном биении.





Кінематична схема горизонтально-фрезерного верстата 6Н81Г

6Н81Г Кінематична схема горизонтально-фрезерного верстата

Кінематична схема горизонтально-фрезерного верстата 6н81г

Схема кінематична консольно-фрезерного верстата 6Н81Г. Скачать в увеличенном масштабе



Рух різання

От фланцевого електродвигуна мощностью 5,8 кВт (рис. 80, а) рух передається полужесткой муфтой валу 1 коробки швидкостей. На валу 1 коробки перемещается по шлицам двойной подвижной блок шестерен Б1. На валу II нерухомо закреплены шестерни 34, 31, 28, 24 і 38. По валу III перемещаются два двойных подвижных блока шестерен Б2 і Б3. В зависимости от положения блока Б1 рух передається валу II через шестерни 38—24 или через шестерни 24—38. В зависимости же от положения блоков Б2 і Б3 вращение передається от вала II валу III через шестерни 34—28 или 31—31, если включен блок Б3. либо через шестерни 28—34 или 24—38, если включен блок B2. Всего таким образом вал III имеет восемь швидкостей обертання.

Движения подач

Как при подаче, так і при быстрых переміщеннях механізмы консоли получают вращение от фланцевого електродвигуна мощностью 1,7 кВт, непосредственно связанного полужесткой муфтой з первым валом VIII коробки подач. Валу IX вращение передається блоком Б4, через шестерни 24—38 или шестерни 38—24. Вал X получает вращение через блок Б5 или Б6 і имеет восемь швидкостей.

Быстрые переміщення стола, поперечных салазок і консоли

Эти переміщення осуществляются з постоянной скоростью. В етом случае вращение от електродвигуна, минуя коробку подач, непосредственно передається через вал VIII, винтовые колеса 12—24 і фрикционную муфту М2 валу XIII і далее рабочим органам верстата. При быстром вращении вал XIII благодаря наличию обгонной муфты Мо автоматически расцепляется з корпусом червячной шестерни 36.


Схема електрична фрезерного верстата 6Н81Г

6Н81Г електрична схема горизонтального консольно-фрезерного верстата

Електрична схема верстата 6н81г

Схема електрична принципова консольно-фрезерного верстата 6Н81Г. Скачать в увеличенном масштабе



Опис електросхеми фрезерного верстата 6Н81Г. Загальні відомості

На верстатах установлены 3 трехфазных коротко замкнутых асинхронных електродвигуна на напряжение 380 вольт:

  1. Електродвигун приводу шпинделя типа АО 51-4, мощностью 4,5 кВт, 1440 об/мин
  2. Електродвигун механізма подачі типа ФТ 41-4, мощностью 1,7 кВт, 1420 об/мин
  3. Электронасос для охлаждающей жидкости типа ПА-22, мощностью 0,125 кВт, 2800 об/мин

Верстати моделей 6Н81Г, 6Н81 і 6Н11 нормально выпускаются на напряжение 380 вольт, как в силовой ланцюги, так і в ланцюги керування. На ето напряжение рассчитаны катушки і контакты всей електроапаратури. В случае необходимости получения верстата на напряжение 500 или 200 вольт, таковой може быть выполнен только по особому заказу.

Действие електросхеми

Подключение верстата к електросети производятся включением вводного выключателя ВВ. При осмотре или ремонтi електроапаратури вводный выключатель должен быть обязательно выключен.

Электродвигатели 1М — шпинделя і 2М — подачі включаются отдельными кнопками 2КУ і 4КУ з помощью магнитных пускачів 1К і 2К. Остановка обоих електродвигателей осуществляется кнопкой 1КУ, разрывающей ланцюг керування. Точно также ланцюг керування разрывается і все електродвигатели отключаются при нажатии конечного выключателя «KB». При нажатии на кнопку ЗКУ включается електродвигатель 1М, но при етом катушка магнитного пускателя не становится на самопитание, вследствие чего електродвигатель останавливается немедленно після освобождения кнопки ЗКУ. Кнопка ЗКУ используется для кратковременного увімкнення електродвигуна з целью облегчить переключение швидкостей.

Для изменения направления обертання шпинделя служит барабанный переключатель БП.

Захист електроустаткування верстата от коротких замыканий осуществляется плавкими предохранителями 1П і 2П.

Захист електродвигателей от перегрузок осуществляется при помощи тепловых реле 1РТ і 2РТ. Нулевая защита електродвигателей 1М і 2М обеспечивается магнитными пускателями.






6Н81Г Верстат консольно-фрезерный горизонтальный. Відеоролик.




Технічні характеристики верстата 6Н81Г

Наименование параметра 6Н81Г 6Н81 6Н11
Основні параметри верстата
Класс точності по ГОСТ 8-71 і ГОСТ 8-82 Н Н Н
Розміри рабочей поверхности стола (длина х ширина), мм 1000 х 250 1000 х 250 1000 х 250
Наименьшее і наибольшее расстояние от торца шпинделя до стола - - 30..380
Наименьшее і наибольшее расстояние от оси шпинделя до стола 30..380 30..340 -
Расстояние от оси шпинделя до хобота, мм 150 150 -
Расстояние от оси вертикального шпинделя до направляючих стойки (вылет), мм - - 280
Рабочий стол
Число Т-образных пазов Розміри Т-образных пазов 3 3 3
Наибольшее перемещение стола продольное от руки/ от двигуна (ось X), мм 600/ 560 600/ 560 600/ 560
Наибольшее перемещение стола поперечное от руки/ от двигуна (ось Y), мм 200/ 190 200/ 190 200/ 190
Наибольшее перемещение стола вертикальное от руки/ от двигуна (ось Z), мм 400/350 350/ 340 350/ 340
Наибольший угол поворота стола, град нет ±45 нет
Цена одного деления шкалы поворота стола, град нет 1 нет
Перемещение стола на одно деление лимба (продольное, поперечное), мм 0,05 0,05 0,05
Перемещение стола на одно деление лимба (вертикальное), мм 0,025 0,025 0,025
Перемещение стола на один оборот лимба продольное і поперечное, мм 6 6 6
Перемещение стола на один оборот лимба вертикальное, мм 3 3 3
Шпиндель
Частота обертання шпинделя, об/мин 65..1800 65..1800 65..1800
Количество швидкостей шпинделя 16 16 16
Ескіз кінця шпинделя ГОСТ 836-47 ГОСТ 836-47 ГОСТ 836-47
Конус шпинделя 45 45 45
Наибольший допустимый крутящий момент на шпинделе Нм 525 525 525
Механіка верстата
Быстрый ход стола продольный (ось X), м/мин 2,9 2,9 2,9
Быстрый ход стола поперечний (ось Y), м/мин 2,3 2,3 2,3
Быстрый ход стола вертикальний (ось Z), м/мин 1,15 1,15 1,15
Число ступеней рабочих подач стола 16 16 16
Пределы рабочих подач. Продольных (ось X), мм/мин 35..980 35..980 35..980
Пределы рабочих подач. Поперечных (ось Y), мм/мин 25..765 25..765 25..765
Пределы рабочих подач. Вертикальных (ось Z), мм/мин 12..380 12..380 12..380
Выключающие упоры подачі (поздовжньої, поперечної, вертикальной) есть есть есть
Блокировка ручной і механической подачі (поздовжньої) нет нет нет
Блокировка ручной і механической подачі (поперечної, вертикальной) есть есть есть
Торможение шпинделя (муфта) есть есть есть
Предохранение от перегрузки (муфта) есть есть есть
Привод
Електродвигун приводу головного руху, кВт 4,5 4,5 4,5
Електродвигун приводу подач, кВт 1,7 1,7 1,7
Электронасос охлаждающей жидкости Тип ПА-22 ПА-22 ПА-22
Електродвигун насоса охлаждающей жидкости, кВт 0,12 0,12 0,12
Производительность насоса СОЖ, л/мин 22 22 22
Габарит і масса верстата
Габарити верстата (длина ширина высота), мм 2060 х 1940 х 1600 2060 х 1940 х 1600 2060 х 1530 х 2300
Масса верстата, кг 2000 2100 2100


    Список литературы:

  1. Горизонтально-фрезерный верстат 6Н81Г. Універсально-фрезерный верстат 6Н81. Вертикально-фрезерный верстат 6Н11. Руководство к верстатам, 1956

  2. Аврутин С.В. Основы фрезерного дела, 1962
  3. Аврутин С.В. Фрезерне дело, 1963
  4. Ачеркан Н.С. Металлорежущие верстати, Том 1, 1965
  5. Барбашов Ф.А. Фрезерне дело 1973, с.141
  6. Барбашов Ф.А. Фрезерные роботи (Профтехобразование), 1986
  7. Блюмберг В.А. Справочник фрезеровщика, 1984
  8. Григорьев С.П. Практика координатно-расточных і фрезерных работ, 1980
  9. Копылов Р.Б. Работа на фрезерных верстатах,1971
  10. Косовский В.Л. Справочник молодого фрезеровщика, 1992, с.180
  11. Кувшинский В.В. Фрезерование,1977
  12. Ничков А.Г. Фрезерные верстати (Библиотека станочника), 1977
  13. Пикус М.Ю. Справочник слесаря по ремонту металлорежущих верстатів, 1987
  14. Плотицын В.Г. Расчёты настроек і наладок фрезерных верстатів, 1969
  15. Плотицын В.Г. Наладка фрезерных верстатів,1975
  16. Рябов С.А. Современные фрезерные верстати і их оснастка, 2006
  17. Схиртладзе А.Г., Новиков В.Ю. Технологическое обладнання машиностроительных производств, 1980
  18. Тепинкичиев В.К. Металлорежущие верстати, 1973
  19. Чернов Н.Н. Металлорежущие верстати, 1988
  20. Френкель С.Ш. Справочник молодого фрезеровщика (3-е изд.) (Профтехобразование), 1978






6н81 - верстат горизонтальный консольно-фрезерный, (pdf) 1,6 Мб, Скачать





Мужчина считается толковым работником, пока не доказано противное; женщина считается бестолковой, пока не докажет обратное.

Закон Мерфи