metalinstryment.com
Довідник по металорізальних верстатів та пресовому обладнанні

65А90 Верстат фрезерный вертикальний з крестовым столом (бесконсольный)
руководство, схеми, опис, характеристики

65А90 Загальний вигляд  бесконсольного фрезерного верстата з крестовым столом







Відомості про виробника фрезерного вертикального бесконсольного верстата 65А90

Производитель фрезерного вертикального бесконсольного верстата 65А90 - Ульяновский завод тяжелых і уникальных верстатів УЗТС, основанный в 1956 году.

Разработчик верстата 65А90 — Ульяновское специальное конструкторское бюро тяжелых фрезерных верстатів ГСКБФС.





Верстати, выпускаемые Ульяновским заводом тяжелых і уникальных верстатів УЗТС


65А90 Верстат фрезерный вертикальний з крестовым столом (бесконсольный). Назначение, область применения

Назначение фрезерного верстата з крестовым столом 65А90

Фрезерный верстат моделі 65А90 з крестовым столом предназначен для скоростного фрезерування крупногабаритных деталей в основном торцовыми фрезами в условиях индивидуального і серийного производства.

Верстат моделі 65А90 бесконсольного типа предназначен для высокопроизводительного фрезерування деталей из чугуна, стали і цветных металлов. На станке выполняется обработка не только сырых, но і закаленных деталей з применением современного инструмента з ножами из ельбора, сверхтвердых композиционных материалов из металлокерамики. На станке производится фрезерование, сверление, зенкерование, развертывание і растачивание.

Верстати фрезерные вертикальные з крестовым столом гаммы 65А включают, также, моделі верстатів:

Класс точності верстата — Н по ГОСТ 8—82Е.

Вид воздействия климатического исполнения УХЛ4 по ГОСТ 15150—69.

Принцип роботи фрезерного верстата 65А90

Обрабатываемая деталь закрепляется на столе верстата. В шпинделе укрепляется фреза. Налаштування на размер по высоте производится переміщенням шпиндельной бабки. Окончательная точная налаштування на размер осуществляется переміщенням гильзы шпинделя.

Зажим поперечных салазок, шпиндельной бабки і гильзы производится автоматически, в момент пуска верстата от гідравлической системы. На станке возможна робота по напівавтоматическому циклу: быстрый подвод, рабочая подача, быстрый отвод в исходное положение і «стоп».

При обратном отводе стола з изделием для предохранения обработанной поверхности от повреждения фрезой післядняя совместно з гильзой шпинделя приподнимается на 5 мм.


Модифікації фрезерного верстата 65А90

Вертикальный Фрезерный верстат з крестовым столом (бесконсольный) 65А90 имеет модификации з различной степенью автоматизации:


Конструктивные особливості верстатів

Основні характеристики фрезерного вертикального верстата з крестовым столом 65А90

Производитель: Ульяновский завод тяжелых і уникальных верстатів УЗТС.





Габаритные розміри робочого простору фрезерного верстата 65А90

65А90 Габаритные розміри робочого простору бесконсольного фрезерного верстата з крестовым столом

Габаритные розміри робочого простору фрезерного верстата 65А90

Габаритные розміри робочого простору фрезерного верстата 65А90. Дивитись у збільшеному масштабі


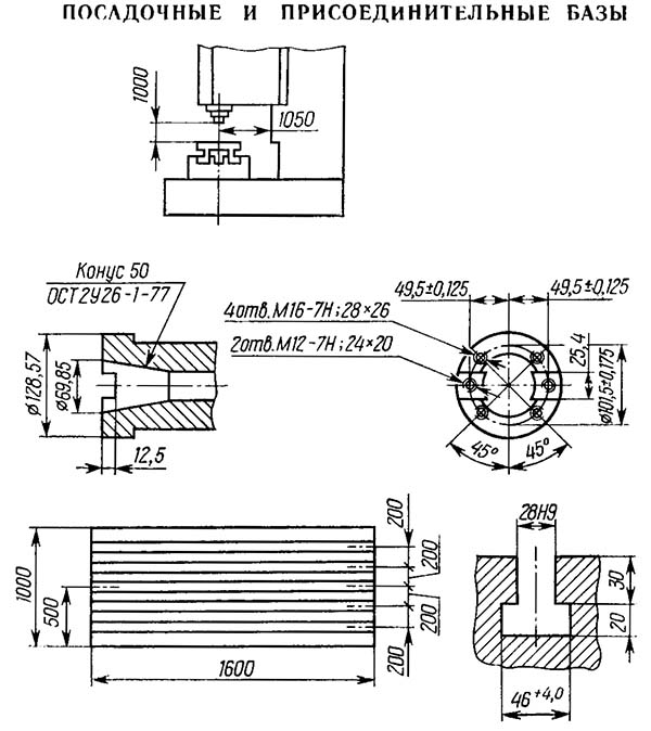
Посадочные і присоединительные базы фрезерного верстата 65А90

65А90 Посадочные і присоединительные базы фрезерного верстата 65А90

Посадочные і присоединительные базы фрезерного верстата 65А90


Загальний вигляд вертикального бесконсольного фрезерного верстата 65А90

65А90 Загальний вигляд  бесконсольного фрезерного верстата з крестовым столом

Фото фрезерного верстата 65А90


65А90 Загальний вигляд  бесконсольного фрезерного верстата з крестовым столом

Фото фрезерного верстата 65А90


Настановне креслення бесконсольного фрезерного верстата 65А90

65А90 Настановне креслення бесконсольного фрезерного верстата

Настановне креслення бесконсольного фрезерного верстата 65А90





65А90 Верстат фрезерный вертикальний з крестовым столом. Відеоролик.




Технічні характеристики бесконсольного фрезерного верстата 65А90

Наименование параметра 65А60Ф1 65А80Ф1 65А90Ф1
Основні параметри верстата
Розміри поверхности стола, мм 630 х 2000 800 х 2000 1000 х 2500
Расстояние от торца шпинделя до поверхности стола, мм 125..900 125..900 125..1000
Расстояние от оси шпинделя до вертикальних направляючих (вылет), мм 710 850 1050
Наибольшее перемещение стола в продольном (X) х поперечном (Y) направлении, мм 1600 х 630 1600 х 800 2000 х 1000
Наибольшее перемещение шпиндельной бабки в вертикальном (Z) направлении, мм 775 775 875
Наибольшая масса обрабатываемой детали, кг 4000 6000 7000
Шпиндель
Кінець шпинделя по ГОСТ 24644-81 50 50 50
Частота обертання шпинделя з бесступенчатым регулюванням, об/мин 5..2000 5..2000 5..2000
Количество швидкостей шпинделя 85 85 85
Наибольший крутящий момент на шпинделе, н*м 2750
Рабочий стол
Дискретность задания перемещений по осям X, Y, Z. Продольное, поперечное, вертикальное, мм 0,010 0,001 0,005
Пределы продольных і поперечных подач стола (X, Y), мм/мин 1..6000 1..10000 0,5..5000
Пределы вертикальних подач бабки (Z), мм/мин 1..6000 1..10000 0,5..5000
Количество подач продольных/ поперечных/ вертикальних 58
Скорость быстрых перемещений стола продольных (X), поперечных (Y), м/мин 9,6 10 7
Скорость быстрых перемещений вертикальних (Z), м/мин 9,6 10 10
Наибольшее усилие різання, допускаемое механізмом подачі по оси X (продольных), кН 20 20 30
Наибольшее усилие різання, допускаемое механізмом подачі по осяи Y, (поперечных), кН 19 19 30
Наибольшее усилие різання, допускаемое механізмом подачі по оси Z (вертикальних), кН 20 20 17
Механіка верстата
Наибольший допускаемый диаметр фрез при черновой обработке, мм
Выключающие упоры подачі (поздовжньої, поперечної, вертикальной) есть
Електроустаткування і привід верстата
Количество електродвигателей на станке 10 10
Електродвигун постоянного тока приводу головного руху, кВт 26,5 20 20
Вращающий момент електродвигателей постоянного тока приводов подач по осям X, Y, Z (номинальный/ наибольший) (М12, М13, М14), Н*м 47/ 52
Електродвигун гідростанції (М1), кВт 1,5
Електродвигун вентилятора шпинделя (М3), кВт 0,55
Електродвигун зажиму инструмента (М4), кВт 0,18
Електродвигун насоса змазки (М5), кВт 0,25
Електродвигун насоса охлаждения (М6), кВт 0,12
Електродвигун транспортера (М7), кВт 0,37
Електродвигун вентилятора шкафа (М20, М21), кВт 0,12
Суммарная мощность установленных на станке електродвигателей, кВт 36,66 33,64 33,64
Суммарная мощность одновременно работающих електродвигателей, кВт 29,26
Габаритные розміри і масса верстата
Габаритные розміри (длина х ширина х высота), мм 6185 х 3825 х 4100 4780 х 4050 х 4100 5900 х 4800 х 4320
Масса верстата, кг 16130 18500 23800

    Список литературы:

  1. Аврутин С.В. Основы фрезерного дела, 1962
  2. Аврутин С.В. Фрезерне дело, 1963
  3. Ачеркан Н.С. Металлорежущие верстати, Том 1, 1965
  4. Барбашов Ф.А. Фрезерне дело 1973, с.141
  5. Барбашов Ф.А. Фрезерные роботи (Профтехобразование), 1986
  6. Блюмберг В.А. Справочник фрезеровщика, 1984
  7. Григорьев С.П. Практика координатно-расточных і фрезерных работ, 1980
  8. Копылов Р.Б. Работа на фрезерных верстатах,1971
  9. Косовский В.Л. Справочник молодого фрезеровщика, 1992, с.180
  10. Кувшинский В.В. Фрезерование,1977
  11. Ничков А.Г. Фрезерные верстати (Библиотека станочника), 1977
  12. Пикус М.Ю. Справочник слесаря по ремонту металлорежущих верстатів, 1987
  13. Плотицын В.Г. Расчёты настроек і наладок фрезерных верстатів, 1969
  14. Плотицын В.Г. Наладка фрезерных верстатів,1975
  15. Рябов С.А. Современные фрезерные верстати і их оснастка, 2006
  16. Схиртладзе А.Г., Новиков В.Ю. Технологическое обладнання машиностроительных производств, 1980
  17. Тепинкичиев В.К. Металлорежущие верстати, 1973
  18. Чернов Н.Н. Металлорежущие верстати, 1988
  19. Френкель С.Ш. Справочник молодого фрезеровщика (3-е изд.) (Профтехобразование), 1978









Заказать

Кто владеет информацией - тот владеет миром.

Натан Ротшильд