metalinstryment.com
Довідник по металорізальних верстатів та пресовому обладнанні

654 Верстат фрезерный вертикальний з крестовым столом
руководство, схеми, опис, характеристики

654 Верстат фрезерный вертикальний з крестовым столом







Відомості про виробника фрезерного вертикального бесконсольного верстата 654

Производитель фрезерного вертикального бесконсольного верстата 654 - Ульяновский завод тяжелых і уникальных верстатів УЗТС, основанный в 1956 году.

Верстат 654 запущен в производство на заводе изготовителе в 1959 году і снят з производства в середине 70-х.





Верстати, выпускаемые Ульяновским заводом тяжелых і уникальных верстатів УЗТС


654 Верстат фрезерный вертикальний з крестовым столом. Назначение, область применения

Вертикальный фрезерный верстат з крестовым столом 654 предназначен для скоростного фрезерування крупногабаритных деталей в основном торцовыми фрезами в условиях индивидуального і серийного производства.

Верстат 654 бесконсольного типа предназначен для высокопроизводительного фрезерування деталей из чугуна, стали і цветных металлов торцовыми, кінцівыми і фасонными фрезами. На станке выполняется обработка не только сырых, но і закаленных деталей з применением современного инструмента з ножами из ельбора, сверхтвердых композиционных материалов из металлокерамики. На станке производится фрезерование, сверление, зенкерование, развертывание і растачивание.

Особливості конструкції фрезерного верстата 654

Широкий диапазон регулювання швидкостей і подач, а также высокая жесткость позволяют применять скоростное фрезерование инструментами, оснащенными пластинками из твердого сплава.

Бесступенчатое регулювання подач обеспечивает быстрый выбор оптимальных подач в процессе фрезерування.

Шпиндельная бабка верстата перемещается в вертикальном направлении і може быть установлена под углом в пределах ±30° к вертикальной плоскости, что позволяет обрабатывать наклонные плоскости. Привід стола, салазок і шпиндельной бабки осуществляется от одной коробки подач.

Наличие електромагнітних муфт обеспечивает независимое увімкнення продольного і поперечного перемещений стола і вертикального переміщення шпиндельной бабки, а также всех трех движений одновременно.

Верстат имеет стол, перемещающийся в продольном направлении по направляющим салазок, которые в свою очередь могут перемещаться в поперечном направлении по направляющим станины. Кроме механической подачі, стол имеет привід для ручных перемещений.

Поворотная фрезерна бабка, перемещающаяся в вертикальном направлении, позволяет обрабатывать наклонные плоскости і фасонные поверхности дисковыми фасонными фрезами.

Привід стола, салазок і фрезерной бабки осуществляется от одной коробки подач.

Система блокировок верстата устраняет возможность одновременного увімкнення исключающих друг друга движений

Керування верстатом кнопкове з подвесного пульта.

Наличие електромагнітних муфт позволяет включать продольное, поперечное і вертикальное независимые переміщення, а также три руху все одновременно.

Двигатель постоянного тока з бесступенчатым регулюванням в сочетании з електромагнитными муфтами обеспечивает дистанционное керування з возможностью изменения величины подачі в процессе різання.

Все механізмы фрезерной бабки в процессе роботи смазываются смазкой, подаваемой лопастным насосом.

Верстат снабжен системой охлаждения режущего инструмента.

Короткий опис конструкції фрезерного верстата 654

Фрезерный вертикальний верстат моделі 654 имеет наступні руху:

Привід стола в продольном і поперечном направлениях і вертикальное перемещение шпиндельной бабки осуществляются от одной коробки подач, смонтированной на задньої стенке станины.

Вращение шпинделя - от електродвигуна переменного тока мощностью 13 кВт, через 18-скоростную коробку.

Керування верстатом кнопкове і осуществляется централизованно з подвесного пульта. Предусмотренная система блокировок устраняет возможность одновременного увімкнення исключающие друг друга движений і наряду з другими предохранительными пристроями защищает механізмы верстата от поломок. Подробное опис системы блокировок і защиты смотри в специальном разделе "Електроустаткування".

Вид воздействия климатического исполнения УХЛ4 по ГОСТ 15150—69.


Основні характеристики фрезерного вертикального верстата з крестовым столом 654

Производитель: Ульяновский завод тяжелых і уникальных верстатів УЗТС.

Фрезерный верстат 654 производился з 1973 года з основними параметрами по ГОСТ 9726-89. Верстати фрезерные вертикальные з крестовым столом. Терминология. Основні розміри. Нормы точності і жесткости..





Габаритные розміри робочого простору фрезерного верстата 654

654 Габаритные розміри робочого простору бесконсольного фрезерного верстата з крестовым столом

Габаритные розміри робочого простору верстата 654


Посадочные і присоединительные базы фрезерного верстата 654

654 Посадочные і присоединительные базы фрезерного верстата 654

Посадочные і присоединительные базы фрезерного верстата 654


654 Посадочные і присоединительные базы фрезерного верстата 654

Посадочные і присоединительные базы фрезерного верстата 654


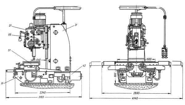
Загальний вигляд вертикального бесконсольного фрезерного верстата 654

654 Загальний вигляд  бесконсольного фрезерного верстата з крестовым столом

Фото бесконсольного фрезерного верстата 654

Фото вигляд бесконсольного фрезерного верстата 654. Дивитись у збільшеному масштабі






Розташування складових частин фрезерного верстата 654

654 Розташування складових частин фрезерного верстата 654

Розташування складових частин фрезерного верстата 654

Розташування складових частин фрезерного верстата 654. Дивитись у збільшеному масштабі



654 Розташування складових частин фрезерного верстата 654

Розташування складових частин фрезерного верстата 654


Список складових частин фрезерного верстата 654





Розташування органів керування фрезерным верстатом 654

654 Органы керування фрезерным верстатом

Розташування органів керування фрезерным верстатом 654

Розташування органів керування фрезерным верстатом 654. Дивитись у збільшеному масштабі



654 Органы керування фрезерным верстатом

Пульт керування фрезерным верстатом 654


Список органів керування фрезерным верстатом 654

  1. рукоятка перебора швидкостей
  2. рукоятка переключения чисел оборотів шпинделя
  3. рукоятка зажиму бабки на направляючих стойки
  4. маховик переміщення гильзы
  5. пульт керування
  6. кнопка "Проворот шпинделя"
  7. квадрат поворота шпиндельной бабки
  8. рукоятки зажиму гильзы
  9. кран охлаждения
  10. рукоятка переключения поздовжньої подачі з механической на ручную
  11. маховик продольного переміщення стола
  12. рукоятки зажиму салазок
  13. маховик поперечного переміщення стола
  14. механізм зажиму стола
  15. рукоятка переключения поперечної подачі з механической на ручную
  16. амперметр контроля за нагрузкой двигуна шпинделя
  17. тумблер увімкнення охлаждения
  18. амперметр контроля за нагрузкой двигуна подач
  19. ключ переміщення бабки вверх - вниз
  20. кнопка пуска шпинделя
  21. кнопка "Шпиндель пуск"
  22. кнопка "Загальний стоп"
  23. ключ переміщення салазок вперед - назад
  24. кнопка "Быстро" приводу подач
  25. кнопка "Привід подачі стоп"
  26. ключ переміщення стола вправо - влево
  27. кнопка "Привід подачі пуск"
  28. регулятор подач
  29. шкала диапазонов подач
  30. тумблер переключения диапазонов подач
  31. тумблер увімкнення освещения

Опис вузлів фрезерного верстата 654

Станина

Станина представляет собой жесткое основание, на котором крепятся стойка, коробка подач, насосная станція змазки і насос охлаждения.

Станина имеет две плоские коритообразные направляющие, по которым в поперечном направлении перемещаются салазки со столом. От опрокидывания при крайних положениях стола салазки удерживаются планками.

В станине смонтированы вал поздовжньої подачі I і винт поперечної подачі 2. Кроме того, есть еще ручні механізмы зажиму салазок 3,4. От попадания стружки направляющие надежно защищены кожухами. Для відведення стружки в станине предусмотрены боковые каналы. Внутри станины имеются специальные отсеки для розміщення охлаждающей жидкости і масла.




Шпиндельная бабка

654 Шпиндельная бабка фрезерного верстата 654

Шпиндельная бабка фрезерного верстата 654

Шпиндельная бабка фрезерного верстата 654. Дивитись у збільшеному масштабі



654 Шпиндельная бабка фрезерного верстата 654

Шпиндельная бабка фрезерного верстата 654

Шпиндельная бабка фрезерного верстата 654. Дивитись у збільшеному масштабі



Шпиндельная бабка выполнена в виде самостоятельного агрегата з установленным на ней реверсивным електродвигуном переменного тока мощностью 13 кВт. Шпиндельная бабка з санями монтируется на направляючих стойки при помощи планок 4,5 (рис.10), удерживающих її от опрокидывания. Быстрые переміщення і рабочие подачі з бесступенчатым регулюванням осуществляются через пару винт-гайка 14 (рис.9) і 3 (рис.12). Винт 3 получает вращение от коробки подач через коническую пару шестерен I, 2 (рис.12) і цилиндрическую пару 6,7 (рис.12), расположенные в стойке.

Вращение шпинделя осуществляется от електродвигуна переменного тока через коробку швидкостей, имеющую 18 ступеней чисел оборотів. Переключення швидкостей осуществляется двумя рукоятками 1 (рис.9) і 2 (рис.17). Рукоятка 1 переключает через шестерню 3 і рейку 2 блок 9, 10 (рис.9).

Два тройных блока II, 12 і 6, 7, 8 (рис.9) переключаются рукояткой 2 (рис.17) при помощи механізма переключения з мальтийским крестом. Зажим бабки на направляючих стойки производится рукоятками 3 (рис.3) вручную. Перемещение гильзы шпинделя 5 (рис.9) в осевом направлении осуществляется маховиком 6 (рис.10, II) через шестерни 1,2,3,4 і червяк 5 (рис.11).

Поворот бабки производится вручную ключом через квадрат 7, червячную пару 8, 9, шестерни I і сектор 3 на угол в пределах ±30°. Нулевое положение бабки фиксируется штифтом 2 (рис.10).

Контроль за нагрузкой двигуна головного руху во время роботи ведется по амперметру 16 (рис.3), установленному на лицевой стороне бабки. Отсчет переміщення бабки осуществляется по диску з делениями 14 (рис.10) з приводом от рейки 10 (рис.10) через шестерни И, 12, 13 (рис.10). Точная установка фрезы на размер по высоте производится при помощи индикаторного пристроя 4 (рис.9). Смазка всех механізмов шпиндельной бабки осуществляется от лопастного насоса 13 (рис.9), встроенного в бабке.

Регулювання зазору в направляючих бабки і стойки производится клином 15 (рис.9). Люфт в паре винт-гайка устраняется гайкой 16 (рис.9).

Коробка подач

654 Коробка подач фрезерного верстата 654

Коробка подач фрезерного верстата 654

Коробка подач фрезерного верстата 654. Дивитись у збільшеному масштабі



Коробка подач з установленным на ней електродвигуном постоянного тока з бесступенчатым регулюванням в диапазоне 1:12 обеспечивает подачу і быстрое перемещение стола в продольном і поперечном направлениях, а также вертикальное перемещение шпиндельной бабки.

Изменение направлений руху стола, салазок і шпиндельной бабки осуществляется шестью електромагнитными муфтами ЭТМ-102 (см.поз.4), смонтированными внутри корпуса 6 коробки подач.

Электромагнитные муфты обеспечивают независимое увімкнення продольного, поперечного і вертикального перемещений, а также всех трех движений одновременно. Наличием в приводе подач двигуна постоянного тока з бесступенчатым регулюванням в сочетании з електромагнитными муфтами обеспечивается дистанционное керування з возможностью изменения величины подачі в процессе різання.

Рабочая подача осуществляется плавным регулюванням електродвигуна в пределах от 150 до 1800 об/мин, быстрое перемещение - при 3000 об/мин.

Конструкція коробки подач обеспечивает удобный доступ к муфтам, а также демонтаж і замену муфт без разборки коробки. Наличием тормозных муфт ЭТМ-О92 (см.поз.5) обеспечивается минимальный перебег движущихся частин стола, салазок і шпиндельной бабки при отключении, а также при изменении направления руху. Наличие перебора (шестерни 1,2,3) позволяет получить диапазон подач для стола і салазок 10-1200 мм/мин, для шпиндельной бабки 4-480 мм/мин.

Увімкнення і відключення перебора осуществляется електромагнитными муфтами дистанционно з подвесного пульта. Смазка механізмов коробки подач осуществляется путем разбрызгивания погруженными в масляный резервуар вращающимися частинами.




Стол і салазки

654 Стол і салазки фрезерного верстата 654

Стол і салазки фрезерного верстата 654

Стол і салазки фрезерного верстата 654. Дивитись у збільшеному масштабі



654 Стол і салазки фрезерного верстата 654

Стол і салазки фрезерного верстата 654

Стол і салазки фрезерного верстата 654. Дивитись у збільшеному масштабі



Стол представляет собой жесткую чугунную отливку, имеющую две плоские направляющие, к которым приклеены планки из сплава ЦАМ. На рабочей поверхности стола имеются три Т-образных паза для крепления вироби і окаймляющие канавки для сбора охлаждающей жидкости з післядующим отводом її в станину. Продольное перемещение стола осуществляется по направляющим салазок при помощи гвинта і гайки. Салазки обеспечивают поперечное перемещение находящегося на них стола. Конструкции гаек поздовжньої і поперечної подачі позволяет периодически устранять люфт в паре винт-гайка, который може возникнуть в результате износа витков. В крайних положениях стола широко расставленные направляющие станины надежно удерживают его от опрокидывания. Это дает возможность использовать всю рабочую поверхность стола і сохранять необходимую точность в крайних конечных положениях.

Кроме механической подачі і быстрых установочных перемещений, стол имеет привід для ручных перемещений в продольном і поперечном направлениях. Переход з механической подачі на ручную осуществляется рукоятками 1,2 (рис.16), расположенными в передньої частини верстата рядом з маховиками. В ручном приводе особое внимание обращено на легкость перемещений, а также предусмотрено, чтобы при механической подаче я быстрых переміщеннях маховики были всегда отключены і не вращались.

Оба маховика ручной подачі стола удобно расположены і позволяют вести одновременную работу поздовжньої і поперечної подачами. Стол і салазки удерживаются от опрокидывания при крайних положениях стола планками 1,2 (рис.14) і 4 (рис.16). Зазоры в направляючих стола і салазок выбираются клиньями 3 (рис.14) і 3 (рис.16). Зажим стола і салазок производится вручную гвинтами 5 (рис.16) і рукоятками 12 (рис.3). Отсчет перемещений стола і салазок производится при помощи линеек з точностью до I мм. Для точного отсчета перемещений предусмотрены лимбы з ценой деления 0,025 мм. Направляющие стола защищены от стружки і загрязнения брызгами охлаждающей жидкости телескопическими кожухами.

Механізм переключения швидкостей

Механізм переключения швидкостей встраивается в шпиндельную бабку і служит для изменений чисел оборотів шпинделя.

На внешней стороне корпуса механізма переключения имеется рукоятка 2 (рис.17), на оси которой смонтирован лимб I (рис.17), имеющий две шкалы з нанесенными на них цифрами белого і красного цвета.

Вращением рукоятки устанавливается необходимое число оборотів шпинделя по соответствующей шкале. За один оборот рукоятки происходит изменение числа оборотів на одну ступень, т.е. лимб при етом поворачивается на 1/9 часть оборота.

Показания на шкале белого цвета следует читать при установці рукоятки перебора I (рис.3,9) против белой кнопки, на шкале красного цвета - при установці рукоятки перебора против красной кнопки.

Вилки, переключающие блоки шестерен, разгружены пружинами растяжения, в результате чего обеспечивается легкость і плавность переключения.





Кінематична схема фрезерного верстата 654

654 Кінематична схема фрезерного верстата 654

Кінематична схема фрезерного верстата 654

Кінематична схема фрезерного верстата 654. Дивитись у збільшеному масштабі



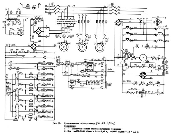
Схема електрична принципова фрезерного верстата 654

Схема електрична принципова фрезерного верстата 654

Електрична схема фрезерного верстата 654

Схема електрична принципова фрезерного верстата 654. Дивитись у збільшеному масштабі



Електроустаткування фрезерного верстата 654

Електроустаткування. Загальні відомості

Фрезерный вертикальний верстат моделі 654 имеет електроприводы обертання шпинделя, подач, насоса змазки і насоса охлаждения.

Привід обертання шпинделя (главный привод) осуществляется от електродвигуна трехфазного переменного тока, расположенного на шпиндельной бабке. Подача стола в продольном і поперечном направлениях і шпиндельной бабки в вертикальном направлении осуществляется от одного общего електродвигуна постоянного тока. Этот же електродвигатель используется для быстрых установочных перемещений стола, салазок і бабки.

Електричнааппаратура керування верстатом сосредоточена на панелі, помещенной в отдельном електрошкафу. В електрошкафу расположен также блок живлення двигуна подач ПМУ-9М-1,5 Керування електроприводами верстата осуществляется з подвесного пульта. На підвісному пульті расположены: регулятор подач PC, амперметр контроля за нагрузкой приводов подач, переключатели направлений подач "Вправо - влево", "Вперед - назад", "Вверх - вниз", кнопки "Шпиндель пуск", "Шпиндель стоп", "Загальний стоп", "Подача пуск", "Подача стоп", "Быстро" і 4 выключателя типа "Тумблер": один - для насоса охлаждения, второй - для переключения муфт "с перебором" і "без перебора", третий і четвертый - для освещения.

Вводный автоматический выключатель і пакетный переключатель реверсирования двигуна шпинделя установлены на боковой стенке шкафа.

На шпиндельной бабке устанавливаются амперметр для контроля за нагрузкой електродвигуна шпинделя і кнопка "Проворот шпинделя".

Для ограничения ходу стола на салазках і салазок на станине установлены по два конечных выключателя. Перемещения шпиндельной бабки ограничивают 2 конечных выключателя, установленные на стойке.

Питание електроустаткування верстата осуществляется от сети переменного тока частотой 50 Гц напряжением 380 В.

Питание ланцюгів керування переменного тока і ланцюгів освещения осуществляется от понижающего трансформатора IT 380/I27/36 в.

Электромагнитные муфты і ланцюги динамического торможения шпинделя питаются выпрямленным напряжением 24 в от трансформатора 2Т 380/36 в.

Питание регулятора подач і обмотки возбуждения двигуна осуществляется выпрямленным напряжением 320 в от трансформатора ТН, смонтированного в блоке ПМУ-9М-1.5l

Примечание. Технічні характеристики (номинальные данные електрических машин і аппаратов) приведены в спецификации електроустаткування.

Главный електропривід верстата 654

Вращение шпинделя осуществляется асинхронным електродвигуном трехфазного тока з короткозамкнутым ротором типа А02-61-4 мощностью 13 кВт на 1460 об/мин. Скорость шпинделя регулируется механически при помощи коробки швидкостей, смонтированной в шпиндельной бабке.

В схеме керування електроприводом шпинделя предусмотрены:

  1. Пуск електродвигуна от кнопки "Шпиндель пуск" в заранее выбранном при помощи переключателя ВП-Ш направлении і остановка з торможением от кнопки "Шпиндель стоп"
  2. Проворот електродвигуна шпинделя путем кратковременного увімкнення его в сеть переменного тока при переключении швидкостей от кнопки "Проворот", установленной на шпиндельной бабке
  3. Реверсирование електродвигуна шпинделя при помощи пакетного переключателя МП-Ш при неработающем шпинделе
  4. Торможение електродвигуна шпинделя постоянным током при оперативных отключениях кнопкой "Шпиндель стоп"
  5. Контроль за нагрузкой електродвигуна шпинделя при помощи амперметра, установленного на шпиндельной бабке

Электропривід подач

Привід подач осуществляется от електродвигуна постоянного тока типа П42 мощностью 4,5 кВт, 1500/3000 об/мин. Двигатель используется для всех трех перемещений - продольного, поперечного і вертикального.

Все переключения направления подач производятся шестью електромагнитными муфтами, встроенными в коробку подач. В коробке подач встроены также две електромагнітні муфты для увімкнення і отключения перебора і три тормозные електромагнітні муфты.

В качестве преобразователя для керування електродвигуном подач используется блок живлення ПМУ-9М-5 стоящий из трех однофазных магнитных усилителей, силовые обмотки которых включены в сеть через селеновые выпрямители, собранные по схеме трехфазного моста»

Скорость обертання електродвигуна регулируется от 150 до 1800 об/мин изменением напряжения, подводимого к якорю, а при быстрых переміщеннях (n=3000 об/мин) - ослаблением потока возбуждения при номинальном напряжении на якоре.

В схеме керування приводом подач предусмотрены:

  1. Пуск і зупинка електродвигуна подач при помощи кнопок "Привід подачі пуск" і "Привід подачі стоп", установленных на підвісному пульті
  2. Налаштування на требуемую величину подачі при помощи регулятора і контроль за нагрузкой амперметром. Регулятор і амперметр установлены на підвісному пульті
  3. Дистанционное керування з подвесного пульта верстата, обеспечивающее:
    1. увімкнення муфт на подачу в продольном, поперечном или вертикальном направлениях тремя переключателями: "Вправо-влево", "Вперед-назад", "Вверх-вниз" при работающем двигателе подач і вращающемся шпинделе
    2. увімкнення муфт на быстрое перемещение в нужном направлении при установці одного из трех переключателей в соответствующее положение і нажатие на кнопку "Быстро"
    3. автоматический переход рабочей подачі на быстрое перемещение при нажатии на кнопку "Быстро" і продолжение подачі в том же направлении при отпускании кнопки "Быстро"
  4. Возможность роботи трех подач одновременно
  5. Ограничение ходу стола і шпиндельной бабки в крайних положениях, осуществляемое при помощи шести конечных выключателей
  6. Невозможность увімкнення електромагнітних муфт на рабочую подачу при невращающемся шпинделе
  7. Невозможность увімкнення муфт поперечної подачі при нажатой рукоятке ручных перемещений стола в поперечном направлении (на остальных направлениях применена механическая блокировка)
  8. Невозможность увімкнення муфты "Без перебора" при включенных подачах. Блокировка осуществляется контактами кулачковых ключів 1ПУ-ЗПУ



Схема керування

Привід обертання шпинделя Перед пуском електродвигуна обертання шпинделя Ш необходимо выполнить следующее:

  1. Реверсирующим переключателем ВП-Ш избрать требуемое направление обертання головного електродвигуна
  2. Включить автоматический выключатель АВ
  3. Установить одну из 18 механических ступеней скорости в коробке швидкостей головного привода

Пуск електродвигуна шпинделя осуществляется кнопкой "Шпиндель пуск", при етом включается контактор Л-Ш.

Переключення швидкостей шпинделя

При переключении швидкостей шпинделя необходим проворот електродвигуна шпинделя.

Проворот производится следующим образом: після установки рукояток переключения швидкостей в нужное положение нажимают на кнопку "Проворот", расположенную на шпиндельной бабке» При етом через нормально закрытые контакты пускачів IРП (126-132) і Т (126-128) включается контактор Л-Ш, і електродвигатель Ш начинает разгоняться. Контактор Л-Ш своим нормально открытым контактом (122-124) включает пускатель 1РП, который разрывает цель катушки контактора Л-Ш і самоподхватывается.

Двигатель отключается от сети, успев разогнаться лишь до небольших оборотів (300-350 об/мин).

Торможение і остановка електродвигуна шпинделя

Оперативное відключення електродвигуна шпинделя осуществляется нажатием на кнопку "Шпиндель стоп".

Схема работает следующим образом: контактор Л-Ш, отключившись одним своим нормально открытым блок-контактом (221-239), отключает влектромагнитные муфты в коробке подач, а другим (203-219) разрывает ланцюг катушки реле часу IPB. Нормально закрытый блок-контакт контактора Л-Ш (136-138) подготавливает ланцюг увімкнення пускателя Т.

Второй контакт кнопки (118-136) подготавливает ланцюг увімкнення пускателя Т. При замыкании нормально закрытого контакта реле IPВ (I38-I40) післядний включается. Выдержка временя реле IPB необходима для защиты селеновых выпрямителей 4В от броска обратного напряжения, возникающего на зажимах статора, отключенного от сети асинхронного двигуна.

На статор електродвигуна подается выпрямленное напряжение з выпрямителя 4В. Електродвигун тормозится. Торможение будет продолжаться, пока нажата кнопка "Шпиндель стоп".

Электропривід подачі і установочных перемещений

Продольная, поперечная і вертикальная подачі имеют общий електродвигатель. Выбор той или иной подачі і изменение направлений подач производится шестью влектромагнитными муфтами.

Величина выпрямленного напряжения на якоре електродвигуна определяется индуктивным сопротивлением силових обмоток магнитных усилителей, величина которого зависит от степени подмагничивания сердечников постоянным магнитным потоком. Подмагничивание осуществляется обмоткой керування w 2, обмоткой смещения W 3 і постоянной составляющей однополупериодного тока, протекающего через каждую из силових обмоток W I (так называемая внутренняя положительная обратная связь по току нагрузки).

При включении обмотки W3 (с соблюдением полярности, указанной на принципиальной схеме) по обмотке протекает ток, создающий ампервитки, направленные навстречу ампервиткам внутренней і внешней обратной связи по току нагрузки, і при отключенной обмотке W 2 индуктивное сопротивление силових обмоток магнитных усилителей будет наибольшим (усилитель "закрывается")»

Обмотка керування W2 выполняет функции задающей, обратной связи по напряжению і обратной внешней связи по току і включена на разность между суммой задающего напряжения, напряжения внешней положительной связи по току і напряжением на зажимах двигуна.

Обратная внешняя связь по току осуществляется через трансформатор тока ТТ; конденсатор К служит для стабилизации скорости.

Величина тока в обмотке керування W2 зависит от положения щетки (рукоятки) регулятора ЕС. При положении рукоятки регулятора на максимальных оборотах (по схеме - в нижней частини регулятора PC) по обмотке керування протекает максимальный ток. Создаваемые током обмотки керування ампервитки направлены навстречу ампервиткам внутренней і внешней обратной связи по току. Индуктивность силових обмоток магнитного усилителя имеет минимальное значение (усилитель "открывается"), напряжение на якоре двигуна і обороты - максимальные (1800 об/мин).

При перемещении рукоятки регулятора в сторону минимальных оборотів - 150 об/мин (в верхнюю часть регулятора PC) ток в обмотке керування уменьшается і даже може мати отрицательное значение, в зависимости от величины ампервитков обмотки смещения.

Индуктивность силових обмоток магнитного усилителя увеличивается (усилитель "закрывается"), напряжение і обороты двигуна падают.

Жесткость механических характеристик обеспечивается наличием указанных выше обратных связей по противоелектродвижущей силе двигуна і току нагрузки. При колебаниях нагрузки і скорости двигуна ток подмагничивания в обмотке керування W 2 і в силовой обмотке магнитного усилителя автоматически меняется таким образом, что вызванное им изменение напряжения на якоре двигуна поддерживает заданную скорость.

Привід имеет узел токоограничения, выполненный на базе реле РМ. Работа ланцюги токоограничения заключается в следующем:

при пуске двигуна из-за отсутствия в первый момент противоелектродвижущей силы двигуна по ланцюги обмотки W2 протекает большой ток, усилитель "открывается", пусковой ток возрастает. Якорь реле РМ втягивается, нормально закрытый контакт РМ снимает в точке 14 задающее напряжение з обмотки w 2. Вследствие етого усилитель "закрывается" обмоткой смещения W 3; двигатель продолжает разгоняться при пониженном напряжении, і пусковой ток уменьшается. При достижении пусковым током величины, равной току возврата реле РМ, якорь реле отпадает. Нормально закрытые контакты подключают в точке 14 задающее напряжение в ланцюг обмотки w 2, ток в ланцюги двигуна вновь возрастает, і реле РМ снова втягивает якорь. Геле РМ будет работать в вибрационном режиме, пока не закончится пуск двигуна.

Аналогично, при срабатывании реле РМ в аварийных режимах двигуна, обмотка W3 "закрывает" магнитный усилитель, і ток в ланцюги двигуна быстро уменьшается. При заторможенном двигателе ток в якоре поддерживается на уровне 25-27 а.

Необходимый диапазон регулювання подач (1:120) достигается введением перебора з соотношением 1:10.

Увімкнення і відключення перебора осуществляется тумблером на підвісному пульті, включающем електромагнітні муфты 8М или 7М.

Увімкнення без перебора (муфта 7М) возможно только в нейтральном положении переключателей 1ПУ-ЗПУ или при быстрых переміщеннях. При быстрых установочных переміщеннях двигатель работает со скоростью 3000 об/мин при номинальном напряжении на якоре і ослабленном потоке возбуждения. Наличие сериесной обмотки СО двигуна обеспечивает его устойчивую работу в етом режиме.

Скорость 1800 об/мин при номинальном напряжении на якоре обусловлена уменьшением до 0,8 1вн номинального тока возбуждения. Это ограничение поля, и, как следствие момента двигуна, оно определяется допустимыми тепловыми потерями в обмотке возбуждения при минимальных (150 об/мин) оборотах двигуна, не имеющего принудительной вентиляции.

При быстрых переміщеннях поле двигуна ослабляется до 0,5 Ф.Н., і при номинальном напряжении на якоре двигатель достигает 3000 об/мин.

Пуск і регулировка скорости електродвигуна подач

Перед пуском електродвигуна подач необходимо установить величину требуемой подачі при помощи регулятора подач PC. По импульсу кнопки "Привід подачі пуск" подается напряжение на магнитный усилитель, а также получает питание регулятор PC і обмотка возбуждения двигуна. На обмотку керування магнитного усилителя подается напряжение з регулятора подач.

Магнитный усилитель отпирается, і на выходе его появляется напряжение, соответствующее току управляющей обмотки. Начинается разгон електродвигуна до установленной скорости.

Для пуска подачі в нужном направлении один из трех переключателей направления подач 1ПУ-ЗПУ нужно поставить в соответствующее положение. При етом включается електромагнитная муфта, определяющая направление подачі.

Для отключения подачі достаточно етот переключатель поставить в нейтральное положение, при етом пусковая електромагнитная муфта отключается, включается тормозная муфта, і подача прекращается. Електродвигун будет продолжать вращаться со скоростью, установленной регулятором.

Быстрые установочные переміщення осуществляются при помощи тех же переключателей направлений і толчковой кнопки "Быстро".

Если електродвигатель подач вращался з какой-то скоростью, установленной регулятором PC, то при нажатии на кнопку "Быстро" включается пускатель 2РП, шунтируется контакт Л-Ш (221-239) в ланцюги електромагнітних муфт, отключается електромагнитная муфта перебора 8М нормально закрытым контактом кнопки "Быстро" (207-209), і включается електромагнитная муфта "Без перебора" 7М.

На регуляторе PC включается уставка, соответствующая скорости 1800 об/мин при полном потоке. Одновременно нормально открытый контакт пускателя 2РП включает ланцюг живлення реле IPH. Происходит разгон електродвигуна до скорости около 1000 об/мин при полном потоке возбуждения і при возрастающем напряжении на якоре. При достижении скорости 1000 об/мин срабатывает реле IPH, і в ланцюг обмотки возбуждения вводится сопротивление 7С. Поток возбуждения ослабляется, і двигатель разгоняется до 3000 об/мин при повышающемся напряжении на якоре.

Теперь при повороте одного из переключателей 1ПУ-ЗПУ в нужное положение включится соответствующая електромагнитная муфта, включающая перемещение в нужном направлении.

Если до нажатии на кнопку "Быстро" шла подача в какую-либо сторону, то при нажатии на кнопку произойдет быстрый ход в ту же сторону, а після її отпускания будет продолжаться подача в том же направлении.

Для предотобертання увеличения напряжения на двигателе після сброса скорости увеличение потока его обмотки возбуждения осуществляется з небольшой выдержкой часу (реле IPH), достаточной для торможения двигуна до скорости не выше 1800 об/мин.

Захист електроустаткування верстата

Захист електродвигуна шпинделя обеспечивается: от длительных перегрузок - тепловыми реле РТ-Ш1 і РТ-Ш2, от токов коротких замыканий - автоматическим выключателем АВ.

Захист електродвигуна подач і магнитного усилителя обеспечивается: от длительных перегрузок - тепловым реле РТ-П, от токов коротких замыканий - електромагнитным і тепловым расланцюгителями автоматичного выключателя 1АП.

Захист електродвигателей змазки і охлаждения обеспечивается предохранителями і тепловыми реле РТ-С і РТ-О. Захист ланцюгів керування осуществляется плавкими предохранителями. Захист от обрыва ланцюги обмотки возбуждения осуществляется реле РОП.

Для защиты регулятора і предотобертання разгона двигуна на холостом ходу при резком сбросе скорости і включенной подаче в ланцюг обмоток керування W2 включено сопротивление 6С.

Регулювання фрезерного верстата 654

Для обеспечения точності верстата і нормальной роботи механізмов в процессе експлуатации необходимо периодически производить регулировку окремих механізмов. В станке предусмотрена регулировка следующих механізмов.

Регулювання підшибників шпинделя

Шпиндель фрезерного верстата 654

Шпиндель фрезерного верстата 654

Шпиндель фрезерного верстата 654. Дивитись у збільшеному масштабі



Для регулировки (рис.29) радиального зазору в переднем подшипнике следует снять крышку 7 на передньої частини шпиндельной бабки вместе з нониусом переміщення гильзы, а также фланец 9 з манжетой 11, полукольца 10 і ослабить винты 4. Подтяжкой гайки 3 черев отверстие в гильзе необходимо установить требуемый зазор в подшипнике. Требуется замерить щупом размер между торцовой поверхностью шпинделя і кольцом 8, довести шлифованием полукольцо 10 до необходимого размера і собрать детали в обратной післядовательности.

Для уменьшения осьового зазору в упорных підшипниках через отверстие в гильзе нужно ослабить винты 6 і подтянуть гайку 5 до получения требуемого зазору, затем - затянуть винты 6. Подтяжку гаек 3 і 5 производят проворотом шпинделя вручную. Регулювання радиального зазору в заднем подшипнике осуществляется подтяжкой гайки 2 через отверстие в корпусе шпиндельной бабки, після чего гайка снова стопорится винтом I.

Правильность регулировки проверяется обкаткой шпинделя на максимальном числе оборотів в течение 15..20 мин. Температура нагрева підшибників не должна превышать 60..70°С, Быстрый нагрев підшибників указывает на излишний натяг при регулировке.

Регулировку заднего підшипника шпинделя рекомендуется проводить только в случав крайней необходимости і при очередных ремонтах верстата.

При регулировке следует мати в виду, что для устранения радиального зазору в подшипнике 0,01 мм требуется подшлифовать полукольца на 0,12 мм. Особое внимание обращается на необходимость тщательной "законтровки" регулировочных гаек.

Регулювання зазору в паре винт-гайка

По мере износа витков гвинта і гайки необходимо периодически производить регулювання зазору в паре винт-гайка в приводе поздовжньої і поперечної подачі стола, а также в приводе вертикальной подачі шпиндельной бабки.

Регулювання зазору осуществляется при помощи додаткових гаек: 5 (рис.14) в приводе поздовжньої подачі, 4 (рис.14) в приводе поперечної подачі, 16 (рис.9) в приводе вертикальной подачі бабки.

Усунення зазору в приводе поздовжньої подачі осуществляется через окно в корыте стола при снятой крышке. При етом стол должен находиться в крайнем левом положении.

Усунення зазору в приводе вертикальной подачі бабки производится при снятом кожухе.

При регулировке нужно мати в виду, что винты могут мати неравномерный износ по длине, вследствие чего на окремих участках може происходить заклинивание.

Рекомендуется следующий порядок регулировки:

В случае отсутствия резких возрастаний нагрузки следует дополнительно выбрать люфт в вновь произвести проверку переміщенням.

Регулювання зазору в направляючих

Для регулировки зазору в направляючих стола, салазок і шпиндельной бабки предусмотрены регулировочные клинья.

Особливості разборки і сборки верстата при ремонтi

Порядок разборки окремих вузлів верстата ясен из прилагаемых общих видов і разрезов вузлівых чертежей (см.раздел "Короткий опис конструкції і роботи верстата").

Для обеспечения правильности роботи окремих механізмов, точності і четкости роботи всего верстата після ремонта необходимым условием является соблюдение всех технически требований, указанных в акте приемки верстата.




Технічні характеристики бесконсольного фрезерного верстата 654

Наименование параметра 654 6540 6550
Основні параметри верстата
Розміри поверхности стола, мм 630 х 1600 400 х 1000 500 х 1250
Расстояние от торца шпинделя до поверхности стола, мм 100..750 100..530 100..630
Расстояние от оси шпинделя до вертикальних направляючих (вылет), мм 640 430 530
Наибольшее перемещение стола в продольном направлении, мм 1250 800 1000
Наибольшее перемещение стола в поперечном направлении, мм 600 400 500
Вертикальное перемещение бабки, мм 650 430 530
Наибольшая масса обрабатываемой детали, кг 2000
Шпиндель. Бабка шпиндельна
Диаметр шпинделя по нижним підшипникам, мм 105 105
Частота обертання шпинделя, об/мин 25..1250 31,5..1600 31,5..1600
Количество швидкостей шпинделя 18 18 18
Ход гильзы шпинделя 100 120 120
Скорость подачі бабки, мм/мин 4..480 4..800 4..800
Скорость установочного вертикального переміщення бабки, м/мин 0,8 0,8 0,8
Наибольший крутящий момент на шпинделе, кгс*м 214 17180 22900
Наибольшее усилие різання, допускаемое механізмом подачі бабки, кгс 1500 1100 1610
Наибольший угол поворота шпиндельной бабки, град ±30° нет нет
Цена деления шкалы поворота шпиндельной бабки, мин 30 нет нет
Конус отверстия шпинделя Морзе 3 Морзе 3 Морзе 3
Кінець шпинделя №3 ГОСТ 836-62 №3 ГОСТ 836-62 №3 ГОСТ 836-62
Рабочий стол
Цена деления лимба поперечного переміщення, мм 0,05 0,02 0,02
Цена деления лимба продольного переміщення, мм 0,05 0,02 0,02
Пределы продольных подач стола (б/с регулювання)(X), мм/мин 10..1200 10..2000 10..2000
Пределы поперечных подач стола (б/с регулювання) (Y), мм/мин 10..1200 10..2000 10..2000
Скорость быстрых перемещений стола продольных і поперечных, м/мин 2,0 3,0 3,0
Наибольшее усилие різання, допускаемое механізмом подачі стола, продольное, кгс 2000 2600 3000
Наибольшее усилие різання, допускаемое механізмом подачі стола, поперечное, кгс 2000 2700 3100
Електроустаткування і привід верстата
Количество електродвигателей на станке 4 4 4
Електродвигун приводу головного руху, кВт 13 7,5 10
Електродвигун постоянного тока приводу подач стола і бабки, кВт 4,5 2,2 2,2
Електродвигун насоса змазки, кВт 0,27 0,4 0,4
Електродвигун насоса охлаждения, кВт 0,12 0,12 0,12
Суммарная мощность установленных на станке електродвигателей, кВт 17,89
Габаритные розміри і масса верстата
Габаритные розміри (длина х ширина х высота), мм 3165 х 2890 х 3120 2507 х 2562 х 2785 2795 х 3200 х 2960
Масса верстата, кг 11600 8000 12500

    Список литературы:

  1. Фрезерный вертикальний верстат 654. Руководство, 1973

  2. Аврутин С.В. Основы фрезерного дела, 1962
  3. Аврутин С.В. Фрезерне дело, 1963
  4. Ачеркан Н.С. Металлорежущие верстати, Том 1, 1965
  5. Барбашов Ф.А. Фрезерне дело 1973, с.141
  6. Барбашов Ф.А. Фрезерные роботи (Профтехобразование), 1986
  7. Блюмберг В.А. Справочник фрезеровщика, 1984
  8. Григорьев С.П. Практика координатно-расточных і фрезерных работ, 1980
  9. Копылов Р.Б. Работа на фрезерных верстатах,1971
  10. Косовский В.Л. Справочник молодого фрезеровщика, 1992, с.180
  11. Кувшинский В.В. Фрезерование,1977
  12. Ничков А.Г. Фрезерные верстати (Библиотека станочника), 1977
  13. Пикус М.Ю. Справочник слесаря по ремонту металлорежущих верстатів, 1987
  14. Плотицын В.Г. Расчёты настроек і наладок фрезерных верстатів, 1969
  15. Плотицын В.Г. Наладка фрезерных верстатів,1975
  16. Рябов С.А. Современные фрезерные верстати і их оснастка, 2006
  17. Схиртладзе А.Г., Новиков В.Ю. Технологическое обладнання машиностроительных производств, 1980
  18. Тепинкичиев В.К. Металлорежущие верстати, 1973
  19. Чернов Н.Н. Металлорежущие верстати, 1988
  20. Френкель С.Ш. Справочник молодого фрезеровщика (3-е изд.) (Профтехобразование), 1978








Заказать

Кто владеет информацией - тот владеет миром.

Натан Ротшильд