metalinstryment.com
Довідник по металорізальних верстатів та пресовому обладнанні

5К32 Верстат зубофрезерный вертикальний напівавтомат
схеми, опис, характеристики

5К32 Загальний вигляд  зубофрезерного верстата







Відомості про виробника вертикального зубофрезерного верстата напівавтомату 5К32

Производитель вертикального зубофрезерного напівавтомату 5К32 Егорьевский станкостроительный завод Комсомолец, основанный в 1930 году.

Завод за время своего существования выпустил свыше 60 моделей: зубофрезерных, зубодолбежных, зубошлифовальных, зубозакругляющих і других зубообрабатывающих верстатів.





Продукция Егорьевского станкостроительного завода Комсомолец, СЗК


5К32 Верстат зубофрезерный вертикальний напівавтомат. Назначение і область применения

Верстат зубофрезерный 5К32 заменил в производстве устаревшую модель 5М32 і 5Е32 і был заменен в производстве более совершенной моделью - 53А80.

Верстат зубофрезерный вертикальний 5К32 предназначен для фрезерування цилиндрических прямозубых і косозубых зубчатых колес, а также червячных колес методом радиальной подачі в условиях единичного, мелкого і среднесерийного производства.

Принцип роботи і особливості конструкції верстата 5К32

Нарезание зубчатых колес производится по способу обкатки фрезы і обрабатываемой заготовки методами «попутного» і «встречного» зубофрезерування з диагональной і обычной подачами.

При зубофрезеровании з диагональной подачей фреза перемещается вдоль нарезаемого зуба і одновременно вдоль собственной оси, что значительно повышает її стойкость.

Конструкція верстата 5К32 передбачає возможность радиального врізання фрезы в заготовку, что сокращает машинное время обробки.

При обработке прямозубых колес в станке должны осуществляться наступні руху:

При автоматических циклах, кроме того, совершаются радиальная подача і установочные переміщення стола. При обработке косозубых колес необходимо еще дополнительное вращение стола для обробки зубьев, расположенных по винтовой линии.

При обработке червячных колес методом радиальной подачі в станке совершаются:

Верстат 5К32 работает по напівавтоматическому циклу.

Верстат 5К32 выполнен в соответствии з нормами точності по ГОСТ 659—67.


Конструкція зубофрезерного напівавтомату 5К32

Виды нарезаемых колес на зубофрезерном станке 5К32

Виды нарезаемых колес на зубофрезерном станке 5К32. Рис. 32.


На верстатах 5К32 можно нарезать:

При методе радиальной подачі заготовка може подаваться на фрезу или наоборот. По методу обкатки можно также фрезеровать шлицевые валы, многогранники, нарезать зубья на цепных звездочках, храповых колесах і т. д. Для всех видов указанных специальных зацеплений применяют червячные фрезы соответствующих профилей.

Нарезание цилиндрических прямо- і косозубых колес, а также червячных колес методом радиальной подачі — ето основні виды работ, к которым верстат наиболее приспособлен.


Методы роботи на зубофрезерном станке 5К32

Методы роботи на зубофрезерном станке 5К32. Рис. 33.

Нарезание колес може осуществляться как встречным методом, при котором вертикальная подача фрезы происходит сверху вниз (рис. 33, а), так і попутным методом, при котором вертикальная подача фрезы происходит знизу вверх (рис. 33, б). При попутном зубофрезеровании допускается увеличение скорости різання на 20—25% по сравнению со встречным методом при одновременном уменьшении шероховатости поверхности зуба.

На етом станке можно нарезать цилиндрические колеса диаметром до 800 мм (при модуле до 10 мм і вертикальном перемещении фрезы — — 360 мм). Наибольший диаметр червячной фрезы, устанавливаемой во фрезерном суппорте, 180 мм при длине 175 мм. Степень точності обробки соответствует 7-му классу по ГОСТ 1643—72.

В конструкції верстата предусмотрены механізмы, обеспечивающие прогрессивные методы зубофрезерування: радиальное врезание инструмента в заготовку, диагональную подачу, встречное і попутное фрезерование, возможность применения фрез большого диаметра, длины і т. п. Повышенные частота обертання фрезы і подача, значительное увеличение мощности головного приводу в сочетании з високою жесткостью верстата допускают работу на повышенных режимах різання і позволяют применять острозаточенные і твердосплавные червячные фрезы.

Вертикальное расположение оси нарезаемого колеса при нерухомою суппортной стойке і подвижном столе обеспечивает необходимую жесткость і устойчивость в работе. Массивная задня стойка, жестко соединенная со столом, обеспечивает надежную работу верстата без дополнительного крепления к суппортной стойке верхней траверсой. Цикл роботи верстата автоматизирован. Все рабочие і вспомогательные руху: быстрый подвод заготовки к инструменту, зубонарезание, быстрый отвод колеса і инструмента в исходное положение і остановка верстата — осуществляются автоматически. Уборка стружки осуществляется шнековым транспортером, расположенным внутри станины. Для зажиму заготовки верстат можно снабжать гідромеханическим пристрійм, монтируемым в столе.


Основні характеристики зубофрезерного верстата напівавтомату 5к32

Производитель: Егорьевский станкостроительный завод.


Зубофрезерные верстати серии К

Універсальный зубофрезерный верстат 5К32 является базовым верстатом серии К на основе которого выполняют универсальные верстати упрощённой конструкції, верстати підвищеної точності; верстати з многозаходными делительными парами; специализированные і специальные верстати.

Зубофрезерные верстати серии К:

Эти верстати по своим техническим характеристикам і по механізмам, обеспечивающим прогрессивные методы зубофрезерування, отвечают мировым стандартам. Зубофрезерные верстати базовых мод. 5К324, 5К32, 5К328 предназначены для использования в условиях единичного, мелкосерийного і серийного производства.

В верстатах 5К324, 5К32, снабженных шестеренными коробками з електромагнитными муфтами, для изменения частоти обертання фрезы і величины подачі используют ползунковые переключатели на пульті керування, которые осуществляют увімкнення електромагнітних муфт. Это дает возможность осуществить автоматический двухпроходный цикл зубофрезерування з автоматическим переключением швидкостей і подач перед вторым рабочим ходом, что сокращает вспомогательное время.

Для условий серийного производства верстати 5К324 і 5К32 изготовляют з коробками швидкостей і подач, настраиваемых з помощью сменных колес. В станке мод. 5К328 для изменения швидкостей і подач служат скользящие блоки зубчатых колес.

Зубофрезерные верстати універсального типа 5К324А і 5К32А упрощены; в них вместо, непрерывного осьового переміщення фрезы предусмотрено автоматическое периодическое перемещение в кінці каждого цикла нарізання. Верстати предназначены для роботи в условиях серийного і массового производства.

Зубофрезерные верстати підвищеної точності 5К324П і 5К32П предназначаются для нарізання колес високою степени точності. Высокая точность зубонарізання достигается при увеличении в 2 раза передаточного отношения делительной червячной пары стола і более точного изготовления деталей і вузлів верстата, точность которых влияет на точность нарезаемых колес. Эти верстати используют для чистовых операций.


Габарити робочого простору зубофрезерного напівавтомату 5К32

5К32 Верстат зубофрезерный. Габарити робочого простору

Габарити робочого простору верстата 5к32


Посадочные і присоединительные базы напівавтомату 5К32

5К32 Посадочные і присоединительные базы зубофрезерного напівавтомату 5К32

Посадочные і присоединительные базы напівавтомату 5к32


Загальний вигляд і общее пристрій верстата 5К32

Фото зубофрезерного верстата 5к32

Фото зубофрезерного верстата 5к32

Фото зубофрезерного верстата 5к32. Дивитись у збільшеному масштабі



Фото зубофрезерного верстата 5к32

Фото зубофрезерного верстата 5к32


Фото зубофрезерного верстата 5к32

Фото зубофрезерного верстата 5к32


Фото зубофрезерного верстата 5к32

Фото зубофрезерного верстата 5к32. Вид сзади

Фото зубофрезерного верстата 5к32. Дивитись у збільшеному масштабі



Фото зубофрезерного верстата 5к32

Фото зубофрезерного верстата 5к32. Рабочая зона

Фото зубофрезерного верстата 5к32. Дивитись у збільшеному масштабі



Розташування органів керування верстатом напівавтоматом 5К32

5К32 Розташування органів керування верстатом напівавтоматом 5К32

Розташування органів керування верстатом 5к32

Розташування органів керування верстатом 5К32. Дивитись у збільшеному масштабі



Список органів керування верстатом напівавтоматом 5К32

  1. Переключатель метода фрезерування ("Попутного" или "Встречного")
  2. Выключатель освещения
  3. Выключатель охлаждения
  4. Переключатель циклов
  5. Лампочка- вертикальная подача включена
  6. Переключатель обертання фрезы
  7. Лампочка - радиальная подача выключена
  8. Лампочка - верстат "Включен"
  9. Кнопка "Пуск" гідронасоса
  10. Кнопка "Стоп" гідронасоса
  11. Кнопка "Пуск" головного привода
  12. Кнопка "Стоп" головного привода
  13. Кнопка "Пуск" цикла
  14. Кнопка "стоп" цикла
  15. Кнопка ускоренного подвода стола
  16. Кнопка ускоренного відведення стола
  17. Кнопка увімкнення ускоренного ходу суппорта "Вверх"
  18. Кнопка увімкнення ускоренного ходу суппорта "Вниз"
  19. Лампочка- передвижка фрезы включена
  20. Кнопка "Пуск" передвижки фрезы
  21. Кнопка "Стоп" передвижки фрезы
  22. Рукоятка увімкнення і виключення вертикальной подачі
  23. Манометр
  24. Винт зажиму стола
  25. Аварийный упор
  26. Упор виключення ускоренного відведення стола
  27. Квадрат для натягивания ременной передачи головного привода
  28. Винт зажиму диференціала при обработке прямозубых і червячных колес
  29. Аварийный упор
  30. Упор виключення ускоренного подвода стола
  31. Квадрат для ручного переміщення упора
  32. Рукоятка фиксирования положения упора стола
  33. Квадрат для ручного переміщення стола
  34. Кран керування
  35. Линейный выключатель
  36. Рукоятка крепления кронштейна контрподдержка
  37. Упор автоматичного керування работой верстата по циклу 37А - Винт зажиму каретки суппорта
  38. Упор автоматичного керування работой ставка по циклу
  39. Линейка з нониусом для поворота суппорта на угол
  40. Квадрат для ручного поворота суппорта на угол
  41. Квадрат для ручного переміщення суппорта
  42. Квадрат для ручного поворота шнека транспортера стружки
  43. Квадрат подъема і опускания шнека
  44. Винт зажиму стола
  45. Сменные шестерни для нарізання простых чисел зубьев
  46. Аварийный упор
  47. Квадрат шомпола крепленая оправки фрезы
  48. Аварийный упор
  49. Кран охлаждения
  50. Аварийный упор

Примечание. Для избежания аварии при обработке спиральных колес необходимо аварийные упоры 46, 48, ограничивающие вертикальные переміщення каретки фрезерного суппорта, устанавливать по фактически возможному ходу суппорта. Винт зажиму диференціала 28 должен бить освобожден.


Список складових частин зубофрезерного верстата 5К32


Розташування складових частин і органів керування зубофрезерного верстата 5К32

5К32 Розташування складових частин і органів керування верстата напівавтомату 5К32

Розташування складових частин і органів керування верстата 5к32

Рассмотрим основні вузли і органы керування вертикального зубофрезерного напівавтомату 5К32 (рис. 34). На горизонтальных направляючих станины 1 устанавливают салазки 23 стола 22. По етим направляющим салазки со столом перемещаются в радиальном направлении. К станине верстата прикреплена передняя стойка 2. На вертикальних направляючих установлен супорт 10 з фрезерной, головкой 11, которые перемещаются в вертикальной плоскости з помощью ходового гвинта, расположенного вертикально і включаемого рукояткой 3. Ручное перемещение суппорта осуществляют от рукоятки, надеваемой на квадрат 4. Наличие поворотного круга у суппорта дает возможность поворачивать оправку фрезы вместе з фрезерной головкой в вертикальной плоскости на заданный угол і закреплять її в етом положении. Стол находится на кольцевых направляючих і центрируется коническим выступом. К столу прикреплено червячное колесо, приводимое во вращение червяком. От степени точності изготовления етой червячной пары зависит в основном степень точності нарезаемых на станке зубчатых колес. Сочетание высокооловянистой бронзы делительного (червячного) колеса со шлифовальным стальным азотированным червяком дает хорошие результаты по сохранению точності делительной пары.

Для регулювання зазору в делительной паре червяк изготовляют з переменной толщиной витка (двухшаговый). Это означает, что шаг по левому профилю червяка равен 19,132 мм, а шаг по правому профилю равен 18,566 мм.

В радиальном направлении стол перемещают ходовым винтом, гайка которого прикреплена к салазкам верстата. Для ручного переміщення стола на квадрат 15 надевают рукоятку, а на квадрат 16 — рукоятку для ручного переміщення упора увімкнення радиальной подачі. По вертикальным направляющим задньої стойки 13 перемещается кронштейн 12, поддерживающий верхний конец оправки, что предохраняет її от деформации, вызываемой силами різання. Кронштейн перемещается гідравлически включением рукоятки 14. Рукоятками 6 і 7 управляют осевой подачей фрезы, а упоры 8 і 9 служат для виключення переміщення суппорта. Рукоятка а на квадрат 16 — рукоятку для ручного переміщення упора увімкнення радиальной подачі. По вертикальным направляющим задньої стойки 13 перемещается кронштейн 12, поддерживающий верхний конец оправки, что предохраняет її от деформации, вызываемой силами різання. Кронштейн перемещается гідравлически включением рукоятки 14. Рукоятками 6 і 7 управляют осевой подачей фрезы, а упоры 8 і 9 служат для виключення переміщення суппорта.

Рукоятка 17 служит для фиксирования установки упоров. Упоры служат для аварийного швидкого подвода стола 18, виключення швидкого подвода стола 19, останова стола швидкого відведення 20 і аварийного 21. При срабатывании аварийного упора обеспечивается вся електросхема верстата і возможны только ручні переміщення. На пульті керування 5 расположены кнопки увімкнення і виключення гідронасоса, пуск и. останов головного електродвигуна, швидкого подвода — відведення стола, суппорта, а также переключатели метода фрезерування (попутное или встречное), освещения, цикла.

Налаштування верстата для нарізання цилиндрических прямозубых колес. При нарезании цилиндрических прямозубых колес фрезе сообщают вращательное рух в направлении стрелки А (см. рис. 32). Если фреза левозаходная, то обрабатываемое колесо должно вращаться в направлении, указанном стрелкой В; если же фреза правозаходная, то в направлении, противоположном стрелке.





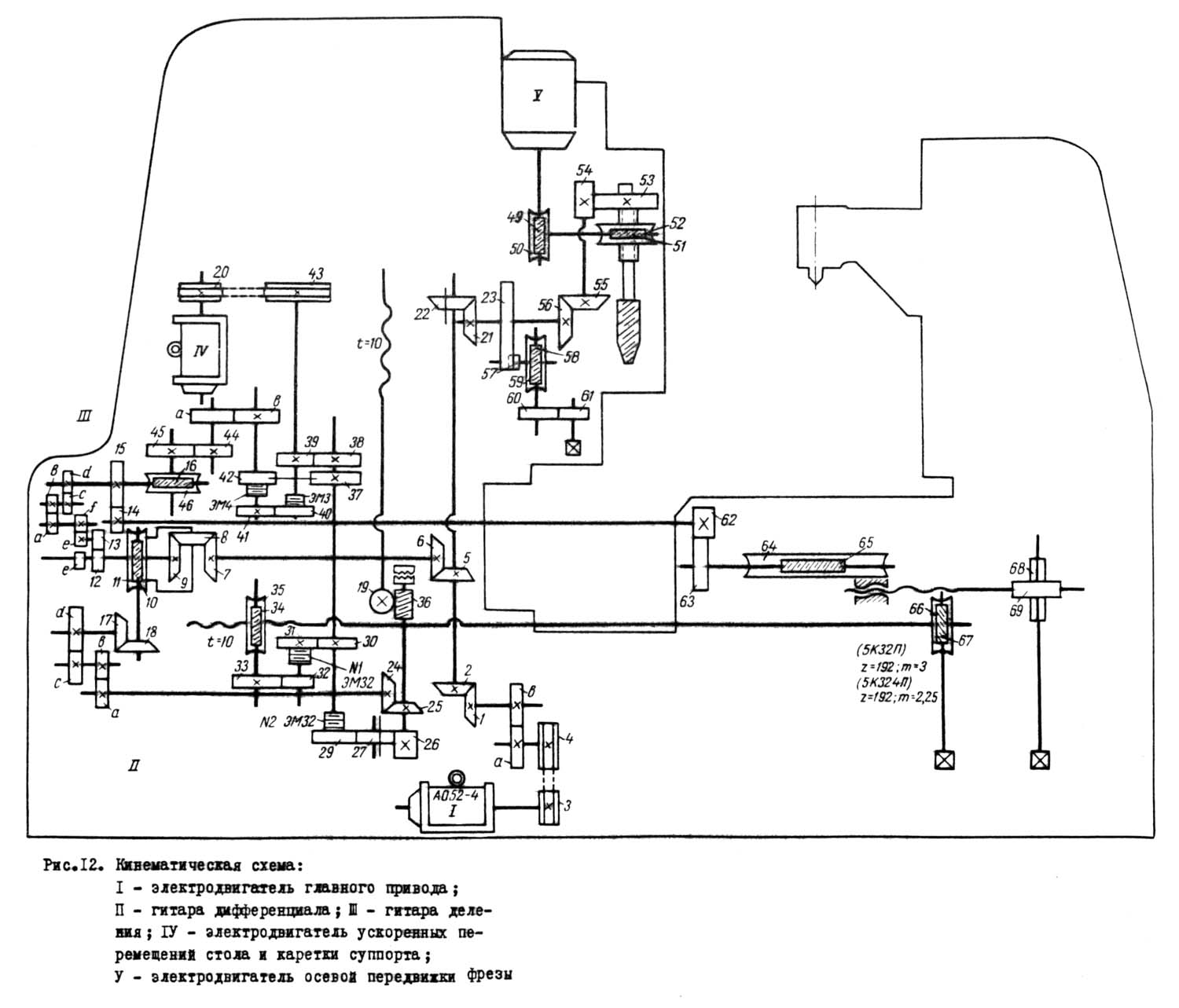
Схема кінематична зубофрезерного верстата 5К32

Схема кінематична зубофрезерного верстата 5К32

Кінематична схема зубофрезерного верстата 5к32

1. Схема кінематична зубофрезерного верстата 5К32. Дивитись у збільшеному масштабі

2. Схема кінематична зубофрезерного верстата 5К32. Дивитись у збільшеному масштабі



Движения в станке. Главное рух — вращение фрезы. Подачи: вертикальная — суппорта 3, радиальная — стола 5. Делительное вращение стола і заготовок. Ускоренные переміщення: суппорта, стола, перерух фрезы, вращение стола 4.

При обработке прямозубых колес в станке должны осуществляться наступні руху: главное движение, вертикальная подача суппорта, вращение стола і установочные переміщення суппорта. При автоматических циклах, кроме того, совершаются радиальная подача і установочные переміщення стола. При обработке косозубых колес необходимо еще дополнительное вращение стола для обробки зубьев, расположенных по винтовой линии.

При обработке червячных колес методом радиальной подачі в станке совершаются: главное движение, радиальная подача і установочные переміщення стола.

Для нарізання прямозубых цилиндрических колес в станке предусмотрены наступні кинематические ланцюги:

  1. Главного вращательного руху фрезы
  2. Ділильна, согласующая вращательные руху червячной фрезы і нарезаемого колеса
  3. Вертикальной подачі червячной фрезы

Схема змазки зубофрезерного верстата 5К32

5К32 Схема змазки зубофрезерного верстата 5К32

Схема змазки зубофрезерного верстата 5к32

Схема змазки зубофрезерного верстата 5К32. Дивитись у збільшеному масштабі



Список оборудования системы змазки зубофрезерного верстата 5К32

  1. Резервуар системы змазки і гідросистемы
  2. Резервуар для охлаждающей жидкости
  3. Фильтр пластинчатый Г41-II
  4. Обратный клапан Г51-22
  5. Подвод масла из гідросистемы к системе змазки
  6. Подвод масла к ванне 15 стойки і к суппорту
  7. Шестерни, електромагнітні муфты і підшипники в коробке распределения движений
  8. Распределитель змазки коробки распределения движений
  9. Подшипник і конические шестерни диференціала, конические шестерни з підшипниками коробки привода, расположенные в станине
  10. Ванна змазки гитарного механізма стойки
  11. Червячная пара
  12. Подвод змазки к распределителю коробки распределения движений
  13. Подвод змазки к ванне гитарного механізма
  14. Підшипники вертикального вала
  15. Ванна стойки
  16. Підшипники в каретке суппорта
  17. Подвод змазки к маслоприемнику каретки суппорта
  18. Підшипники каретки суппорта
  19. Подвод змазки к распределителю в суппорте для змазки механізма суппорта
  20. Направляющие стойки
  21. Суппорт
  22. Червяк тангенциальной подачі
  23. Глазок контроля змазки суппорта
  24. Съемный подшипник
  25. Слив из суппорта
  26. Направляющие станины
  27. Направляющие контрподдержки
  28. Ось кронштейна
  29. Втулка кронштейна
  30. Трубка контроля змазки кольцевых направляючих стола
  31. Пробки заливки масла в стол
  32. Подвод змазки в коробку подач
  33. Шестерни і підшипники коробки диагональных подач
  34. Подвод змазки к глазку контроля наличия змазки суппортной стойки
  35. Стол
  36. Регулятор змазки кольцевых направлявших стола
  37. Подвод змазки к кольцевым направляющим стола
  38. Окно контроля змазки стола
  39. Механізми стола і направляющие станины
  40. Підшипники, пальцы і шестерни гитарного механізма
  41. Ванна змазки коробки подач
  42. Підшипники, електромагнітні муфты і шестерни коробки подач
  43. Подвод змазки в ванну коробки привода
  44. Ванна змазки коробки привода
  45. Підшипники і шестерни коробки привода
  46. Слив излишков масла из стола в стойку

Електроустаткування зубофрезерного верстата - напівавтомату 5К32

На станке установлено четыре трехфазных короткозамкнутых електродвигуна:

  1. Електродвигун робочого ходу А02-5/4; 7,5 кВт; 1460 об/мин (1Д)
  2. Електродвигун насоса охлаждения ПА-45; 0,15 кВт; 2840 об/мин (2Д)
  3. Електродвигун приводу гідронасоса, AОЛ2-22/6; 1,1 квт; 930 об/мин (3Д)
  4. Електродвигун ускоренного ходу АО2-З2/4; 3,0 пт; 1430 об/мин (4Д)



Налаштування зубофрезерного верстата - напівавтомату 5К32. Відео





Технічні характеристики зубофрезерного верстата 5К32

Наименование параметра 5К32 5К324
Основні параметри верстата
Наибольший модуль нарезаемого колеса, мм 10 8
Наибольший диаметр нарезаемых цилиндрических прямозубых колес (0°), мм 800 500
Наибольший диаметр нарезаемых цилиндрических косозубых колес (30°), мм 500 400
Наибольший диаметр нарезаемых цилиндрических косозубых колес (45°), мм 350 300
Наибольший диаметр нарезаемых цилиндрических косозубых колес (60°), мм 120...250 120...250
Наибольший диаметр нарезаемых червячных колес, мм 800 500
Наибольшая длина венца нарезаемых цилиндрических прямозубых колес (0°), мм 350 300
Наибольшая длина венца нарезаемых цилиндрических косозубых колес (30°), мм 200 200
Наибольшая длина венца нарезаемых цилиндрических косозубых колес (45°), мм 150 150
Наибольшая длина венца нарезаемых цилиндрических косозубых колес (60°), мм 130 130
Наименьшее число нарезаемых зубьев 12 12
Стол
Диаметр стола, мм 630 500
Расстояние между осями стола і фрезы, мм 80...500 60...350
Расстояние от плоскости стола і оси фрезы, мм 210...570 210...570
Ускоренное перемещение стола, мм/мин 170 170
Ручное перемещение стола за один оборот лимба, мм 0,5 0,5
Суппорт
Наибольшее перемещение суппорта, мм 360 360
Ускоренное перемещение каретки суппорта, мм/мин 550 550
Наибольший диаметр режущего инструмента, мм 200 200
Наименьшая длина режущего инструмента, мм 200 200
Диаметры фрезерных оправок, мм 32; 40 32; 40
Ускоренное перемещение шпинделя вдоль оси, мм/мин 130 130
Расстояние от оси шпинделя до направляючих суппорта, мм 319 319
Наибольший угол наклона зубьев нарезаемого колеса, град ±60 ±60
Поворот суппорта на одно деление шкалы линейки, град
Поворот суппорта на одно деление шкалы нониуса, мин 1` 1`
Конусное отверстие шпинделя Морзе 5 Морзе 5
Наибольшее осевое перемещение фрезы, мм 80 80
Механіка верстата
Пределы оборотів фрезы, об/мин 5...310 5...310
Число ступеней оборотів фрезы 9 9
Пределы продольных подач, мм/об 0,8...5,0 0,8...5,0
Пределы радиальных подач, мм/об 0,3...1,7 0,3...1,7
Пределы тангенциальных подач, мм/об 0,17...3,7 0,17...3,7
Число ступеней подач 7 7
Привід і електрообладнання верстата
Електродвигун головного привода, кВт/ об/мин 7,5/ 1460 7,5/ 1460
Електродвигун ускоренного ходу, кВт/ об/мин 3/ 1430 3/ 1430
Електродвигун приводу гідронасоса, кВт/ об/мин 1,1/ 930 1,1/ 930
Електродвигун насоса охлаждения, кВт/ об/мин 0,15/ 2840 0,15/ 2840
Габаритные розміри і масса верстата
Габаритные розміри верстата (длина х ширина х высота), мм 2550
1510
2000
2500
1440
2000
Масса верстата з електрообладнанням і охолодженням, кг 7200 6400

    Список литературы по зубообработке

  1. Універсальные зубофрезерные верстати підвищеної точності 5К324, 5К32. Руководство,

  2. Ачеркан Н.С. Металлорежущие верстати, Том 1, 1965.
  3. Гальперин Е.И. Наладка зуборезных верстатів, 1960.
  4. Козлов Д.Н. Зуборезные роботи, 1971.
  5. Кучер А.М., Киватицкий М.М., Покровский А.А., Металлорежущие верстати (Альбом), 1972.
  6. Лоскутов В.В., Ничков А.Г. Зубообрабатывающие верстати, 1978.
  7. Малахов Я.А. Зубообрабатывающие і резьбофрезерные верстати і их наладка, 1972.
  8. Мильштейн М.З. Нарезание зубчатых колес, 1972.
  9. Овумян Г.Г., Адам А.И. Справочник зубореза, 1983.
  10. Птицин Г.А., Кокичев В.Н. Зуборезные верстати, 1957.
  11. Шавлюга Н.И. Расчет і примеры наладок зубофрезерных і зубодолбежных верстатів, 1978.
  12. Руководящий материал для конструкторов, проектирующих технологическую оснастку. Основні данные і посадочные места металлорежущих верстатів. НИИМАШ, 1968.








Заказать

Тот, кто правильно указывает на мои ошибки, — мой учитель;
тот, кто правильно отмечает мои верные поступки, — мой друг;
тот, кто мне льстит, — мой враг.