metalinstryment.com
Довідник по металорізальних верстатів та пресовому обладнанні

5Е32 Верстат зубофрезерный вертикальний напівавтомат
схеми, опис, характеристики

5Е32 Загальний вигляд  зубофрезерного верстата







Відомості про виробника вертикального зубофрезерного напівавтомату 5Е32

Производитель вертикального зубофрезерного напівавтомату 5Е32 Егорьевский станкостроительный завод Комсомолец, СЗК, основанный в 1930 году.

Завод за время своего существования выпустил свыше 60 моделей: зубофрезерных, зубодолбежных, зубошлифовальных, зубозакругляющих і других зубообрабатывающих верстатів.





Продукция Егорьевского станкостроительного завода Комсомолец, СЗК


5Е32 Верстат зубофрезерный вертикальний напівавтомат. Назначение і область применения

Верстат 5Е32 является усовершенствованной моделью верстата 5Д32. У верстата 5Е32 иначе устроено автоматическое вимкнення радиальной подачі стойки. Кроме того, механізм верстата быстро подводит фрезу к обрабатываемой заготовке, переключается на рабочий ход, а після нарізання зубьев отводит супорт в исходное положение. Фреза на глубину врізання подается, как на станке 5Д32, переміщенням суппортной стойки.

Зубофрезерный верстат 5Е32 был заменен более совершенной моделью серии К 5К32.

Верстат зубофрезерный моделі 5Е32 является универсальным і предназначен для фрезерування червячными фрезами цилиндрических прямозубых, косозубых колес среднего размера, а также червячных колес радиальным методом в условиях единичного, мелкого і среднесерийного производства.

На етом станке 5Е32 можно производить зубонарезание методами встречного і попутного фрезерування. Верстат работает по замкнутому напівавтоматическому циклу, имеет механізм для переруху фрезы, что увеличивает стойкость і срок службы фрез; позволяет производить работу при повышенных скоростях різання і подаче.

Принцип роботи і особливості конструкції верстата

Для равномерного износа зубьев фрезы по всей длине она имеет осевое перемещение. Перемещение выполняется нажатием кнопки; при освобождении кнопки перемещение фрезы прекращается.

Нарезание зубчатых колес производится по способу обкатки фрезы і обрабатываемой заготовки методами «попутного» і «встречного» зубофрезерування з диагональной і обычной подачами.

При зубофрезеровании з диагональной подачей фреза перемещается вдоль нарезаемого зуба і одновременно вдоль собственной оси, что значительно повышает її стойкость.

Конструкція верстата 5Е32 передбачає возможность радиального врізання фрезы в заготовку, что сокращает машинное время обробки.

Червячные колеса могут нарезаться з радиальной і осевой подачей фрезы. В післяднем случае необходим протяжной суппорт, который поставляется со верстатом і по специальному заказу.

Верстат рассчитан на работу червячными фрезами из быстрорежущей стали. Обработка цилиндрических колес може производиться методом «встречного» (вертикальная подача фрезы сверху вниз) і «попутного» фрезерування (вертикальная подача фрезы знизу вверх).

При «попутном» методе допускается увеличение скорости різання на 20—25% по сравнению со «встречным» методом. При етом получается лучшая чистота поверхности зубьев.

Нарезание зубчатых колес производится по способу обкатки червячной фрезы і обрабатываемой заготовки. Во время робота верстата осуществляется одновременно вращательное рух червячной фрезы (рух різання) і вертикальное її перемещение (рух подачі). Заготовка, закрепленная на оправке или подставке, установленной на столе верстата, вращается во время роботи согласованно з фрезой.

Зубчасті колеса можно нарезать на станке за один или несколько проходов, изменяя соответствующим образом установку глубины різання.

Верстат 5Е32 работает по замкнутому напівавтоматическому циклу і по циклу налагодження. Специальное пристрій позволяет производить:

Верстат 5Е32 выполняется в соответствии з нормами точності по ГОСТ 659—53.


Зубофрезерные верстати, работающие по методу огибания (обкатки)

Зубофрезерные верстати, работающие по методу огибания

Рис. 1. Зубофрезерные верстати, работающие по методу огибания

Принципиальная схема налаштування зубофрезерного верстата

Рис. 2. Принципиальная схема налаштування зубофрезерного верстата

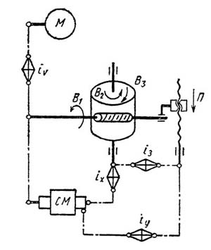
Структурна схема зубофрезерного верстата

Рис. 3. Структурна схема зубофрезерного верстата

Зубофрезерные верстати, работающие по методу огибания (обкатки), предназначены для обробки цилиндрических колес з прямыми і косыми зубьями, а также червячных колес (см. рис. 3).

При нарезании зубьев обертання фрезы і заготовки должны быть согласованы между собой. Чтобы обеспечить ето условие, в станке имеется специальная ланцюг, принципова схема налаштування которой показана на рис. 2. Если колесо имеет z зубьев і совершит пк оборотів, а фреза за ето время сделает nф оборотів, то передаточное отношение ix между числом оборотів колеса і фрезы.

Рассмотрим формообразующие руху верстата для образования профиля зубьев, для чего обратимся к структурной схеме верстата (рис. 3). При нарезании прямозубого цилиндрического колеса необходимо осуществить главное вращательное рух фрезы В1. регулируемое органом налаштування iv вращение заготовки B2, согласованное з вращением фрезы Вх; перемещение суппорта з фрезой параллельно оси стола П, настраиваемое органом i3. Суппорт може перемещаться или сверху вниз, или знизу вверх. При перемещении суппорта сверху вниз осуществляется встречное фрезерование, В етом случае при вращении фрезы зубья движутся навстречу срезаемому слою металла. При перемещении суппорта знизу вверх происходит попутное фрезерование. В етом случае зубья фрезы движутся попутно со срезаемым слоем металла. При попутном фрезеровании допускается увеличение скорости різання на 20—25% по сравнению со встречным методом.

При нарезании косозубых колес к рассмотренным выше формообразующим рухум добавляется рух для образования винтовой линии (диференціальная ланцюг). Это рух состоит из обертання заготовки В3 і поступательного переміщення П фрезы. Следовательно, одно исполнительное звено — стол верстата — должно мати два обертання В2 і В3 з независимыми скоростями, что возможно при наличии суммирующего механізма.



Загальний вигляд і общее пристрій зубофрезерного верстата 5Е32

5Е32 напівавтомат зубофрезерный. Загальний вигляд

Фото зубофрезерного верстата 5е32


5Е32 напівавтомат зубофрезерный. Фото

Фото зубофрезерного верстата 5е32


Розташування складових частин зубофрезерного напівавтомату 5Е32

5Е32 Розташування складових частин зубофрезерного верстата напівавтомату

Розташування основних вузлів зубофрезерного верстата 5е32

5Е32 Розташування складових частин зубофрезерного верстата напівавтомату

Розташування основних вузлів зубофрезерного верстата 5е32

Розташування органів керування зубофрезерным напівавтоматом 5Е32. Дивитись у збільшеному масштабі



Верстат 5Е32 (рис. 51) состоит из следующих основних вузлів:

Станина 4 является основанием верстата; на ней имеются направляющие для руху стойки 19 і кольцевые направляющие для обертання стола 7. Внутри станины расположены електродвигатели Э1 для головного руху (см. рис. 53), Э2 — для быстрых перемещений суппорта, суппортной стойки і шпинделя з фрезой, ЭЗ — для насоса (на схеме не показан), подающего охлаждающую жидкость. Електродвигун ЭЗ включается только при включении Э1, т. е. охлаждающая жидкость подается при вращении фрезы.

Салазки 10 предназначены для переруху суппорта 11 вверх і вниз быстро или медленно в зависимости от холостого или робочого ходу.

При обработке червячных колес салазки після надлежащей установки закрепляются болтами 21 на направляючих стойки 19.

Суппорт 11 може быть повернут і закреплен на салазках под требуемым углом положения фрезы к заготовке. Для отсчета угла поворота суппорта на нем имеется круговая шкала в градусах, а на салазках — нониус з ценой деления 6 мин.

На шпинделе фрезы укреплен маховик 25, который служит для увеличения плавности обертання фрезы в процессе різання. Тут же расположен електродвигатель Э4 з механізмом переруху фрезы і указатель уровня масла 24.

Под крышками размещены гітара диференціала 2, гітара швидкостей 1, гітара делений і гідрокерування, гітара подач 23. Под крышками 6 находятся стеллажи для хранения сменных зубчатых колес, под крышкой 20 — шкаф з електрообладнанням.

Суппортная стойка 19 може перемещаться по направляющим станины і закрепляться гайками 3 і 13 в любом положении. Перемещение стойки ограничивается подвижным упором 5.

Внутри стойки помещены механізмы головного руху і подач і цилиндр гідравлічного противовеса суппорта. На задньої стенке стойки расположен пульт електроустаткування, на крышке 20 которого имеются выключатели електрического живлення і двигуна насоса охлаждающей жидкости. На салазках в пазах расположены переставные кулачки 16, 17, 18, которые, действуя на путевые переключатели ПВ1, ПВ2 і ПВЗ, управляют движением в стойке.

Поверхности соприкосновения кулачков і переключателей расположены так, чтобы кулачок 16 действовал только на переключатель ПВЗ, а кулачок 18 — на переключатель ПВ2 і кулачок 17— на переключатель ПВ1, свободно проходя мимо остальных переключателей. Кулачки 16, 17, 18 устанавливаются в зависимости от величины холостого і робочого ходов суппорта.

Позади салазок расположены кулачки, действующие на переключатель, выключающий перемещение суппорта в крайних положениях. Рукоятка 22 служит для увімкнення і виключення рабочей подачі суппорта.

Стол 7 сообщает вращение заготовке, обычно закрепляемой на оправке 8.

Задня стойка 9 нерухома относительно стола. По її внутренним направляющим може перемещаться кронштейн 15. В кронштейне закреплена втулка з внутренним конусом, точно центрирующим оправку 8. Вместо втулки можно установить центр, поддерживающий верхний конец установленной заготовки. При движении рукоятки 12 «на себя» кронштейн 15 закрепляется в любом положении, а рух рукоятки «от себя» служит для обертання реечной шестерни, катящейся по рейке, прикрепленной к стойке 9 і перемещающей кронштейн 15.

Поперечина 14 служит для увеличения жесткости верстата, сводя до минимума деформации стоек і вибрации.


Розташування органів керування зубофрезерным напівавтоматом 5Е32

Розташування органів керування зубофрезерным напівавтоматом 5Е32

Розташування органів керування зубофрезерным верстатом 5е32

Розташування органів керування зубофрезерным напівавтоматом 5Е32. Дивитись у збільшеному масштабі



Список органів керування верстатом 5Е32

  1. упор автоматичного виключення подачі суппорта
  2. сигнальная лампа автоматичного цикла
  3. кнопка увімкнення головного електродвигуна
  4. переключатель налагодження автоматичного цикла
  5. кнопка увімкнення осьового переміщення фрезы
  6. кнопка, при помощи которой останавливается главный електродвигатель
  7. кнопка увімкнення швидкого ходу суппорта вверх
  8. кнопка переключения осьового переміщення фрезы
  9. кнопка виключення швидкого ходу суппорта вниз
  10. квадрат для ручного переміщення салазок суппорта
  11. рукоятка увімкнення механізма радиальной подачі
  12. квадрат для ручного переміщення суппортной стойки
  13. рукоятка увімкнення вертикальной подачі суппорта
  14. рычаг увімкнення і виключення рабочей подачі




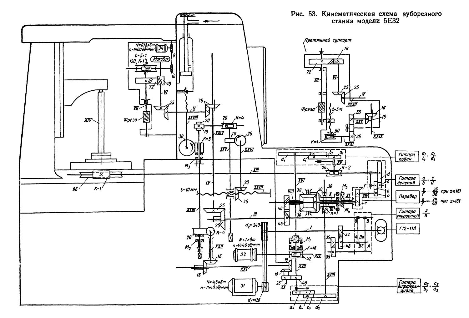
Схема кінематична зубофрезерного верстата 5Е32

Схема кінематична зубофрезерного верстата 5Е32

Кінематична схема зубофрезерного верстата 5е32

1. Схема кінематична зубофрезерного верстата 5Е32. Дивитись у збільшеному масштабі

2. Схема кінематична зубофрезерного верстата 5Е32. Дивитись у збільшеному масштабі



Полуавтоматический цикл роботи зубофрезерного верстата 5Е32

Верстат 5Е32 имеет напівавтоматический цикл роботи, осуществляемый посредством гідравлічного механізма (см. рис. 13 і 24) совместно з електрическими приборами.

При пуске верстата включают мотор швидкого ходу ЗД і подводят супорт к изделию. В ето время мотор головного руху 1Д выключен і лопастной насос типа Г12-11-А не работает, что означает — масло в гідросистеме отсутствует.

После подвода суппорта к изделию з помощью упора і конечного выключателя 1ВК происходит вимкнення мотора швидкого ходу ЗД, одновременно включается мотор головного руху 1Д і лопастной насос Г12-11-А — идет рабочая подача. Электромагнит ЭМ в ето время выключен.

Золотник (деталь № Е32-21-307) под действием пружины А25 х 1,6 х 70 ДК820 находится в верхнем положении, масло из лопастного насоса поступает под давлением в другую полость золотника, преодолевает пружину, держащую поршень (деталь № Е32-21-303), открывается отверстие і масло поступает в систему гідравлики; слив масла из верхней полости в ето время закрыт.

По окончании робочого ходу упор нажимает на конечный выключатель 5ВК, выключающий мотор головного руху 1Д, і одновременно происходит вимкнення лопастного насоса Г12-11-А.

При падении давления в системе вместе з вимкненням мотора головного руху 1Д включается електромагнит ЭМ, который толкает золотник (деталь № Е32-21-307) вниз, закрывает подвод масла і открывает сливное отверстие из верхней полости. От падения давления под действием пружины А38 х 4 х 85 ДК820 поршень Е32-21-303 перемещается вверх і поворачивает рычаг (деталь № Е32-21-073), насаженный на валик.

При повороте упора нажимается конечный выключатель ЗВК, включающий мотор швидкого ходу ЗД, і супорт быстро отводится в начальное положение. В ето время сливное отверстие открыто і масло из системы гідравлики сливается в резервуар.

После окончания швидкого ходу, при нажиме упора на конечный выключатель 6ВК, мотор швидкого ходу ЗД выключается, включается мотор осевой передвижки фрезы 4Д, время роботи которого регулируется з помощью реле часу РВ. После осевой передвижки фрезы цикл роботи верстата заканчивается.

Этот порядок процесса роботи относится как к фрезерованию «попутным методом», так і к фрезерованию «встречным методом».

Обработка цилиндрических зубчатых колес з прямым зубом

Наладка верстата на обработку цилиндрических зубчатых колес з прямым зубом производится в следующем порядке:

  1. установка і крепление заготовки
  2. установка инструмента
  3. налаштування на скорость різання
  4. налаштування гітари деления і перебора
  5. налаштування гітари подач
  6. установка высоты і глубины фрезерування
  7. установка упоров для автоматичного переключения подач
  8. пуск верстата в работу




Диагональное зубофрезерование на станке 5Е32

5Е32 Механізм периодического осьового переміщення червячной фрезы зубофрезерного верстата

Рис. 39. Механізм периодического осьового переміщення червячной фрезы зубофрезерного верстата 5Е32


Диагональное зубофрезерование. Метод зубофрезерування характеризуется тем, что из нескольких десятков зубьев червячной фрезы изнашиваются только три-пять. При затуплении зубьев на определенном участке фрезу перемещают вдоль оси, что увеличивает її стойкость, а следовательно, і срок службы. Величину осьового переміщення червячной фрезы определяют опытно-расчетным путем. Этот метод полезно применять для широкого диапазона зубьев і модулей.

Конструкций і механізмов для периодического осьового переміщення фрез существует много. Почти все зубофрезерные верстати снабжаются ими. В качестве примера приведем механізм периодического осьового переміщення червячной фрезы верстата мод. 5Е32 (рис. 39).

Для осьового переміщення шпинделя з фрезерной оправкой і червячной фрезой на суппорте верстата установлен електродвигатель (N = 0,18 кВт; п — 1400 об/мин). Цепной передачей через звездочки вращение передают на червячную передачу 1/120 і ходовой винт з шагом t = 5 мм. Величину осьового переміщення червячной фрезы за одну минуту найдем по формуле


sM=1400*9/16*1/120*5 = 33 мм/мин


Эффективно червячная фреза работает также при непрерывном осевом перемещении во время нарізання зубчатого колеса методом диагонального зубофрезерування. При диагональном зубофрезеровании червячной фрезе сообщают одновременно две подачі: параллельно оси нарезаемого колеса і вдоль її оси, в результате чего фреза будет перемещаться по диагонали і етим достигается равномерный износ зубьев фрезы і повышается її стойкость.


5Е32 Схема диагонального зубонарізання зубофрезерного верстата 5Е32

Рис. 40,41. Схема диагонального зубонарізання зубофрезерного верстата 5Е32

Схема диагонального зубонарізання показана на рис. 40. Найдем связь между вертикальным і осевым переміщенням фрезы. За одно і то же время, когда фреза пройдет путь lр вдоль своей оси, а по вертикали путь В, стол верстата сделает число оборотів, равное


lр/sо = B/sв, откуда sо = sв*lр/B

где:

sо - осевая подача за оборот стола, мм;

sв - вертикальная подача за оборот стола, мм;

sд — диагональная подача за оборот стола, мм;

lр — расчетное перемещение фрезы, равное lр = L — 6,6м,

где:

L — длина нарезаемой частини фрезы, мм;

м — модуль нарезаемого зубчатого колеса, мм;

В — ширина нарезаемого зубчатого (пакета) колеса, мм.

При фрезеровании цилиндрических колес только з вертикальной подачей относительное положение зубьев червячной фрезы і нарезаемого зубчатого колеса повторяются при каждом обороте фрезы, поетому на боковой стороне нарезаемого зуба образуется огранка (рис. 41, а), которая зависит от числа зубьев нарезаемого колеса і числа стружечных канавок фрезы. Если той же червячной фрезе наряду з вертикальной подачей сообщить осевую подачу, то при каждом новом обороте фрезы зона контакта зубьев з нарезаемым колесом будет изменяться і следы обробки будут расположены по диагонали (рис. 41,6), а ето способствует более быстрой приработке сопряженных колес і плавной их работе по сравнению з колесами, нарезанными только при вертикальной подаче.

Диагональное зубофрезерование применяют для нарізання не только цилиндрических зубчатых колес, но і шлицевых валиков, зубьев звездочек і т. п.





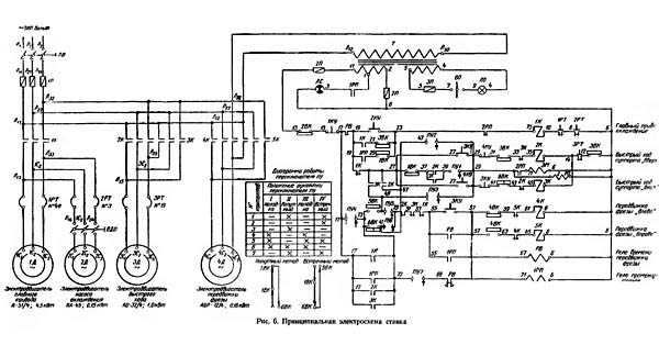
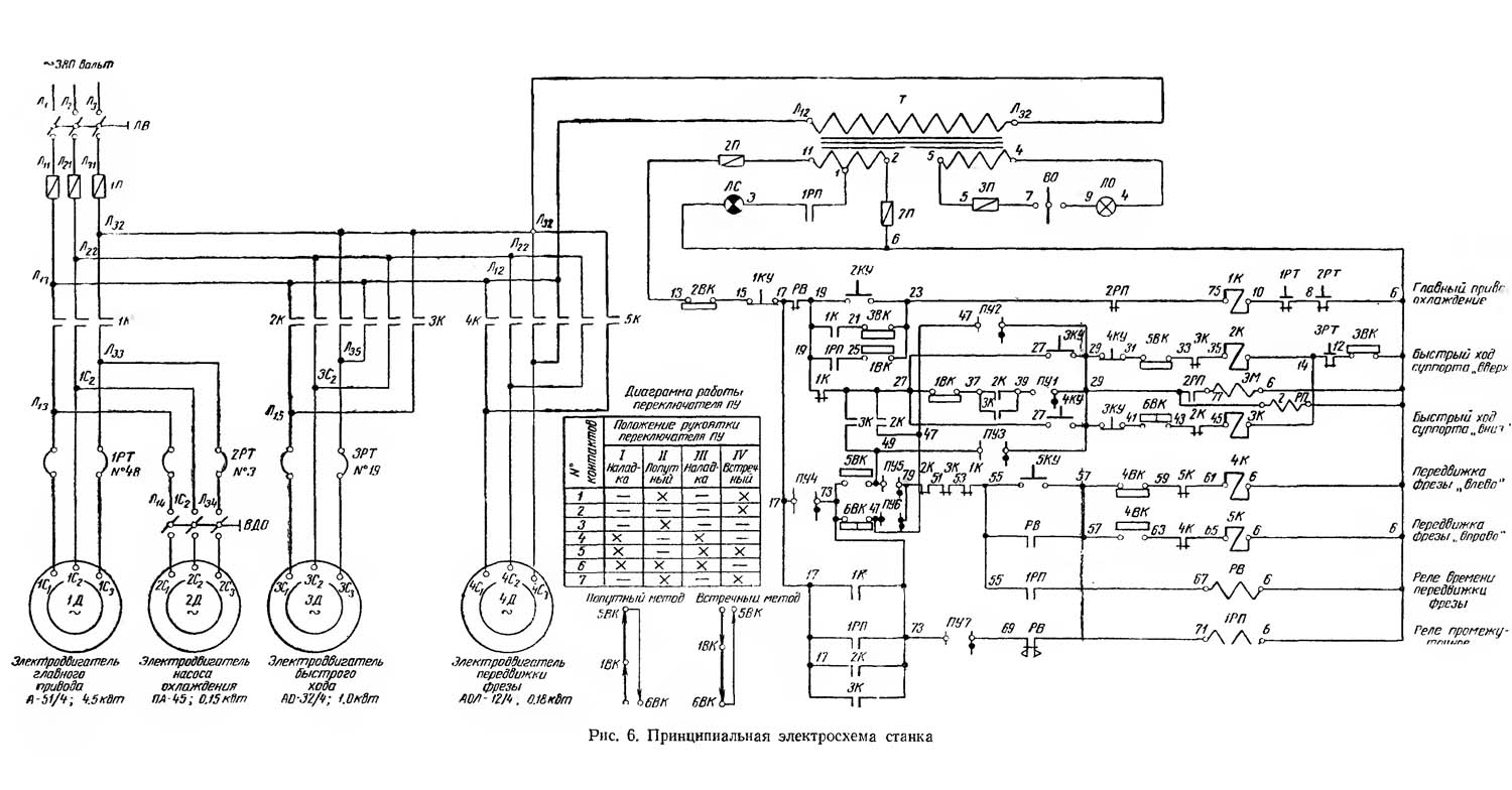
Схема електрична зубофрезерного верстата 5Е32

5Е32 Схема електрична зубофрезерного верстата

Електрична схема зубофрезерного верстата 5е32

Схема електрична зубофрезерного верстата 5Е32. Дивитись у збільшеному масштабі



Действие електросхеми зубофрезерного верстата 5Е32

На станке установлены четыре трехфазные короткозамкнутые електродвигуна на напряжение 220/380 В:

Перед началом роботи на ставке включается линейный выключатель Л В, тем самым подводится напряжение к пусковой аппаратуре. Переключатель ПУ устанавливается в положение «наладка», «попутный» или «встречный».

При необходимости охлаждения включается выключатель ВДО. Електродвигун насоса охлаждения включается одновременно з двигателем головного приводу з помощью койтактора 1К.




Методы зубонарізання. Відеоролик.



Технічні характеристики зубофрезерного верстата 5Е32

Наименование параметра 532 5д32 5е32 5к32
Основні параметри верстата
Наибольший модуль нарезаемого колеса по стали, мм 6 2..6 2..6 10
Наибольший диаметр нарезаемых цилиндрических прямозубых колес (0°), мм 750 800 800 800
Наибольший диаметр нарезаемых цилиндрических косозубых колес (30°), мм 500 500 500 500
Наибольший диаметр нарезаемых цилиндрических косозубых колес (45°), мм 350
Наибольший диаметр нарезаемых цилиндрических косозубых колес (60°), мм 190 190 120..250
Наибольший диаметр червячных нарезаемых колес, мм 800
Наибольшая длина венца нарезаемых цилиндрических прямозубых колес (0°), мм 250 350
Наибольшая длина венца нарезаемых цилиндрических косозубых колес (30°), мм 200
Наибольшая длина венца нарезаемых цилиндрических косозубых колес (45°), мм 150
Наибольшая длина венца нарезаемых цилиндрических косозубых колес (60°), мм 130
Наименьшее число нарезаемых зубьев 12
Расстояние между осями стола і фрезы, мм 30..480 30..500 30..480 80..500
Расстояние от плоскости стола до оси фрезы, мм 165..415 200..510 190..525 210..570
Расстояние от оси шпинделя до направляючих суппорта, мм 218 220 319
Стол
Диаметр стола, мм 580 475 475 670
Наибольшее перемещение стола, мм 425 - - 500
Конус в шпинделе стола, мм Морзе 5
Ускоренное перемещение стола, мм/мин - - - 170
Ручное перемещение стола за одно деление лимба, мм 0,1 - - 0,5
Ручное перемещение стола за один оборот лимба, мм 5 - -
Суппортная стойка
Наибольшее перемещение суппортной стойки, мм 470 450 -
Быстрое перемещение суппортной стойки, мм/мин - 50 230 -
Перемещение стойки на одно деление лимба, мм - 0,05 0,02 -
Перемещение стойки на один оборот лимба, мм - 4,0 4,0 -
Блокировка от перегрузки есть есть -
Суппорт
Наибольшее перемещение суппорта, мм 250 335 360
Ускоренное перемещение каретки суппорта, мм/мин 220 550
Наибольший диаметр режущего инструмента - фрезы, мм 120 120 150 200
Наименьшая длина режущего инструмента (фрезы), мм 130 130 200
Диаметры фрезерных оправок, мм 22, 27, 32 32; 40
Ускоренное перемещение шпинделя вдоль оси, мм/мин 130
Наибольший угол поворота суппорта, град 360°
Наибольший угол наклона зубьев нарезаемого колеса, град ±60° ±60°
Поворот суппорта на одно деление шкалы линейки, град
Поворот суппорта на одно деление шкалы нониуса, мин 6` 1`
Конусное отверстие шпинделя Морзе 4 Морзе 5 Морзе 5
Наибольшее осевое перемещение фрезы, мм 80
Механіка верстата
Пределы оборотів фрезы, об/мин 47, 58, 72, 87, 100, 122, 150, 188 47,5..192 53,5..250 5..310
Число ступеней оборотів фрезы 8 8 9
Пределы вертикальних (продольных) подач фрезы, мм/об 0,25..4 (12 шагов) 0,5..3 0,8..5,0
Пределы радиальных подач подвижной стойки, мм/об 0,1..1,0 0,3..1,7
Пределы радиальных подач подвижного стола, мм/об 0,105..1,68 (12 шагов) - -
Пределы тангенциальных (осевых) подач фрезы, мм/об 0,17..3,7
Число ступеней подач 7
Привід і електрообладнання верстата
Електродвигун головного привода, кВт (об/мин) 3,2 (1440) 2,8 4,5 7,5
Електродвигун ускоренного ходу суппорта, кВт (об/мин) 1,0 (1425) 1,0 3,0
Електродвигун приводу осьового руху фрезы, кВт (об/мин) - 0,18 0,4
Електродвигун приводу гідронасоса, кВт (об/мин) - - 1,1
Електродвигун насоса охлаждения, кВт (об/мин) 0,25 (2800) 0,15 0,15 0,15
Габаритные розміри і масса верстата
Габаритные розміри верстата (длина х ширина х высота), мм 1885 х 1158 х 1950 2395 х 1210 х 1975 2390 х 1340 х 2080 2550 х 1510 х 2000
Масса верстата з електрообладнанням і охолодженням, кг 2500 3660 4000 7200

    Список литературы по зубообработке

  1. Універсальный зубофрезерный верстат 5Е32. Руководство по експлуатации і уходу, 1960

  2. Ачеркан Н.С. Металлорежущие верстати, Том 1, 1965.
  3. Гальперин Е.И. Наладка зуборезных верстатів, 1960, стр. 66
  4. Козлов Д.Н. Зуборезные роботи, 1971.
  5. Кучер А.М., Киватицкий М.М., Покровский А.А., Металлорежущие верстати (Альбом общих видов, кинематических схем і вузлів), 1972.
  6. Лоскутов В.В., Ничков А.Г. Зубообрабатывающие верстати, 1978.
  7. Малахов Я.А. Зубообрабатывающие і резьбофрезерные верстати і их наладка, 1972.
  8. Мильштейн М.З. Нарезание зубчатых колес, 1972.
  9. Овумян Г.Г., Адам А.И. Справочник зубореза, 1983.
  10. Птицин Г.А., Кокичев В.Н. Зуборезные верстати, 1957.
  11. Шавлюга Н.И. Расчет і примеры наладок зубофрезерных і зубодолбежных верстатів, 1978.
  12. Руководящий материал для конструкторов, проектирующих технологическую оснастку. Основні данные і посадочные места металлорежущих верстатів. НИИМАШ, 1968.









Заказать

Начальник не всегда прав, но он всегда начальник

Закон Мерфи