Виробник токарного верстата моделі 1м63н - Рязанський верстатобудівний завод РСЗ , заснований у 1949 році.
Свій перший верстат Рязанський верстатобудівний завод випустив 21 лютого 1949 - це був токарно-гвинторізний верстат 164 серії. Протягом короткого часу заводом було запущено в виробництво ще три серії токарних верстатів - 166, 165 у 1953 році, 163 у 1956 році.
У міру вдосконалення конструкції верстатів завод випускав все більш сучасні моделі - 1М63 , 1М63Б , 1М63БФ101 , 1М63Н , 16К30 , 1А64 , 16К40 , 1М65 , 1Н65 .
На основі універсальних токарних верстатів Рязанським верстатобудівним заводом був освоєний випуск токарних верстатів з ЧПУ - 16К30Ф3 , 16М30Ф3 , 16К40РФ3, 16Р50Ф3 та ін.
Також заводом освоєно випуск сучасних токарних обробних центрів з числом координат від 4 до 8, токарних верстатів з ЧПУ похилої 1П756ДФ3 і горизонтальної компоновок, трубообробних верстатів 1А983 , 1Н983 - для обробки кінців труб діаметром до 460 мм, колесотокарних, колесотокарних та ін.
Токарно-гвинторізний верстат 1М63Н призначений для обробки деталей середніх та великих розмірів діаметром до 630 мм, в умовах одиничного та дрібносерійного виробництва. На верстаті 1М63Н можна виробляти зовнішнє і внутрішнє точення, включаючи точення конусів, розточування, свердління та нарізування різьблень (метричної, модульної, дюймової та харчової).
Верстат 1М63Н (початок серійного виробництва – 1992 рік) замінює модель 1м63 . За всіма якісними показниками (продуктивності, точності, довговічності, надійності, зручності обслуговування, безпеки роботи тощо) перевершує верстат моделі 1м63.
Технічні характеристики та жорсткість конструкція станини, каретки, шпинделя верстата 1м63н дозволяють повністю використовувати можливості роботи на високих швидкостях різання із застосуванням різців із швидкорізальної сталі або оснащених пластинами із твердих сплавів при обробці деталей із чорних та кольорових металів.
Основні відмінності токарного верстата 1м63н від попередніх моделей серії:
У верстаті механізовані всі основні операції: поздовжнє та поперечне переміщення супорта, переміщення різцевих санок, прискорені переміщення супорта та різцевих санок. Гальмування шпинделя також проводиться автоматично в момент вимкнення фрикційної муфти.
Шпиндель верстата 1м63н змонтований на трьох підшипниках:
Крізь отвір шпинделя 80 чи 105 мм.
Шпиндель отримує від коробки швидкостей 22 ступені (насправді 24 ступені, 2 з яких перекриваються) обертання в діапазоні від 10 до 1250 об/хв (знаменник прогресії 1,26) та 11 швидкостей зворотного обертання в діапазоні від 18 до 1800 об/хв.
Зміна чисел оборотів шпинделя проводиться за рахунок переміщення блоків шестерень по шліцьових валів за допомогою двох рукояток, виведених на передню стінку передньої бабки. Реверс шпинделя здійснюється фрикційною муфтою. Гальмування - електромагнітною муфтою.
Передній кінець шпинделя виконаний за ГОСТ 12593 (DIN 55027, ISO 702-3-75) під поворотну шайбу, з коротким конусом, що центрує 1:4 (7°7′30″). Номінальний діаметр конуса D = 196,869 мм, умовний розмір кінця шпинделя - 11. Внутрішній (інструментальний) конус шпинделя - Морзе 6. Стандартний діаметр токарного патрона 500, 630 мм, виконання - тип 2 (див. статтю Токарні патрони ).
Супорт верстата 1м63н хрестової конструкції має механічне переміщення верхньої частинини, що дозволяє робити точення довгих конусів. Точення коротких конусів також здійснюється рухом верхньої частинини супорта.
Каретка супорта переміщається по направляючих станини (поздовжнє переміщення), по направляючих каретки переміщаються поперечні санки супорта (поперечне переміщення); як те, так і інше може бути ручним, механічним, робочим та прискореним. Поворотна частинина супорта, розташована на поперечних санках, має напрямні для переміщення верхньої частинини супорта (різцеві санки) з різцевою головкою. Bepxня частинина супорта (різцеві санки) також може переміщатися вручну та механічно. Гайка поперечного ггвинта має проріз для регулювання усунення люфту. Осьові зусилля поперечного ггвинта і ггвинта верхніх санок сприймаються затятими шарикопідшипниками. Напрямні поздовжнього переміщення супорта мають текстолітові накладки.
У верстаті 1м63н механізовані основні операції: поздовжнє та поперечне переміщення супорта, переміщення різцевих санок. Є прискорені переміщення супорта в поздовжньому та поперечному напрямках, та різцевих санок яке здійснюється від індивідуального електродвигуна. Гальмування шпинделя також проводиться автоматично в момент вимкнення фрикційної муфти.
Зміна величин подач і налаштування на крок різьби, що нарізається, здійснюються перемиканням зубчастиних коліс коробки подач і налаштуванням гітари змінних шестерень.
Механічне переміщення верхньої частинини супорта дозволяє робити точення довгих конусів. Точення коротких конусів також здійснюється рухом верхньої частинини супорта.
Зміна величин подач і налаштування на крок різьби, що нарізається, здійснюються перемиканням зубчастиних коліс коробки подач і налаштуванням гітари змінних шестерень.
Супорт має швидке переміщення в поздовжньому та поперечному напрямках, яке здійснюється від індивідуального електродвигуна.
1М63Н (1М63Н-3) - верстат токарно-гвинторізний нормальної точності з РМЦ 3000 мм - остання модель 163 серії;
1М63Н-2 - токарно-гвинторізний верстат з РМЦ 2000 мм;
1М63Н-1 – верстат токарно-гвинторізний нормальної точності з укороченою станиною з РМЦ 1500 мм;
1М63Н-0 - токарно-гвинторізний верстат з РМЦ 750 мм;
1М63М – токарний верстат підвищеної потужності (18,5 кВт);
1М63НГ - токарно-гвинторізний верстат з виїмкою в станині;
1М63НП - токарно-гвинторізний верстат підвищеної точності;
1М63НФ1, 1М63НФ101 – верстат токарно-гвинторізний додатково оснащений 3-х координатною системою УЦІ фірми «Newall» на поздовжнє переміщення каретки з супортом (вісь Z), на поперечне переміщення супорта (вісь X), на переміщення різцевих санок з супортом ( .
1М63НФ10М – верстат токарно-гвинторізний нормальної точності з укороченою станиною, додатково оснащений пристроєм цифрової індикації (УЦІ);
1М63Ф3, 1М63РФ3 - токарно-гвинторізний верстат з ЧПУ.
У 1934 році на Московському верстатобудівному заводі "Червоний пролетар" освоюється випуск важких універсальних токарно-гвинторізних верстатів ДІП-300 , ДІП-400 , ДІП-500 . Як прототип був обраний токарно-гвинторізний верстат німецької фірми VDF.
У 1944 році виробництво цих верстатів було передано на Рязанський верстатобудівний завод РСЗ .
У 1956 році запущена у виробництво перша модель 163-ї серії – 163 – РМЦ 1400, 2800.
У 1968 році запущено у виробництво наступне покоління серії-модель 1м63 , 1м63Б .
З 1973 року початок серійного випуску токарних верстатів: 16К30 , 16К30Ф3 , 1М63Бф101 , 16М30Ф3 , 1П756ДФ3 .
Машини серії 163 також випускалися в Тбілісі - 1D63A , 1M63D, 1M63DF101.
У 1992 році початок серійного випуску останньої моделі 163 серії 1М63Н.

Креслення робочого простору токарного верстата 1м63н

Посадочні та приєднувальні розміри токарного верстата 1м63н

Фото токарно-гвинторізного верстата 1м63н
Фото токарно-гвинторізного верстата 1М63Н. Завантажити у збільшеному масштабі

Фото токарно-гвинторізного верстата 1м63н
Фото токарно-гвинторізного верстата 1М63Н. Завантажити у збільшеному масштабі

Фото токарно-гвинторізного верстата 1м63н
Фото токарно-гвинторізного верстата 1м63н. Завантажити у збільшеному масштабі

Передня бабка токарно-гвинторізного верстата 1м63н
Фото токарно-гвинторізного верстата 1М63Н. Завантажити у збільшеному масштабі

Суппорт токарно-гвинторізного верстата 1М63н

Коробка подач токарно-гвинторізного верстата 1м63н

Гітара токарно-гвинторізного верстата 1м63н

Розташування основних вузлів токарним верстатом 1М63Н

Розташування органів керування токарним верстатом 1М63Н
На станке установлены наступні електродвигатели:
Питание електроустаткування верстата осуществляется от сети переменного тока.
Питание ланцюгів керування переменного тока осуществляется напряжением 110В от понижающего трансформатора TV1.
Питание ланцюгів керування постоянного тока осуществляется напряжением 24В от понижающего трансформатора TV1 через выпрямитель VD1...VD4.
Вся аппаратура керування електроприводами смонтирована в електрошкафу, который установлен на передньої бабке верстата, з задньої стороны.
Керування електроприводами верстата дистанционное, кнопкове і осуществляется со следующих мест:
Подключение електроустаткування верстата к цеховой електросети осуществляется з помощью вводного выключателя QF1, установленного внутри шкафа на боковой стенке. Увімкнення і відключення вводного выключателя производится вручную з помощью рукоятки выключателя, выведенной на дверку електрошафи.
Захист електродвигателей і ланцюгів керування от токов короткого замыкания і перегрузок производится автоматическими выключателями і тепловыми реле.
Величины номинальных токов і значений уставок автоматических выключателей і тепловых реле даны в приложении 2 і таб. 1.
На станке предусмотрена нулевая защита, осуществляемая размыканием замыкающихся блокконтактов в ланцюги саможивлення магнитных пускачів, исключающая независимо от положения органів керування , самопроизвольное увімкнення верстата при восстановлении внезапно исчезнувшего напряжения.
На боковой стенке електрошафи снаружи предусмотрено специальное пристрій, з помощью которого вводный выключатель QF1 запирается в отключенном положении ключом от електрошафи при ремонтi електроустаткування верстата.
Электробезопасность електроустаткування согласно ГОСТ 12.1.019-79 і ГОСТ 12.3.019-80.
Степень защиты електрошафи і пультов керування IP54 по ГОСТ 14254-80.
При монтаже верстата в соответствии з ГОСТ 12.2.009-80 применена следующая расцветка проводов:
Проверяется надежность заземления верстата і електрошафи.
Проверяется правильность монтажа електроустаткування, особенно зовнішнього монтажа, і подключения електроустаткування верстата к цеховой сети.
Проверяется правильность уставок реле часу, тепловых реле, резисторов.
После проверки електромонтажа в електрошкафу отсоединяются провода всех електродвигателей.
Увімкненням вводного выключателя QF1 електрообладнання верстата подключается к цеховой сети.
Воздействием на органы керування на пультах і на конечные выключатели проверяется правильность і четкость срабатывания магнитных пускачів і апаратури керування електродвигунами і другими исполнительными пристроями, а также действие блокировок і сигнализации.
После етого отключается вводный выключатель QF1, а провода живлення електродвигателей присоединяются в електрошкафу к клеммникам.
Производится проверка аналогичная пункту 2.6. з включением електродвигателей, електромагнітних муфт.

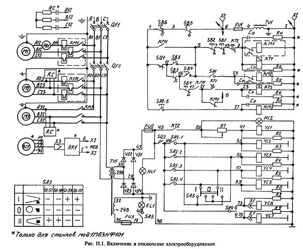
Схема електрична токарно-гвинторізного верстата 1М63н
Схема електрична токарно-гвинторізного верстата 1М63н. Скачать в увеличенном масштабе

Схема електрична вводного выключателя токарного верстата 1М63н
Схема електрична вводного выключателя токарного верстата 1М63н. Скачать в увеличенном масштабе
Перед включением електроустаткування верстата необходимо выполнить наступні операции:
Аварийное відключення електроприводов верстата производится нажатием на одну из кнопок SB5, SB6 красного цвета з грибовидным толкателем увеличенного размера, з принудительным возвратом, расположенных на пультах керування. При етом происходит відключення двигуна Ml з включением торможения муфтой YC1 і з выдержкой часу 5с (КТ1) включается катушка дистанционного расланцюгителя QF1, происходит снятие напряжения со верстата
Для снятия напряжения со верстата необходимо отключить вводный выключатель QF1 вручную.

Схема електрична живлення ланцюгів керування верстата 1М63н

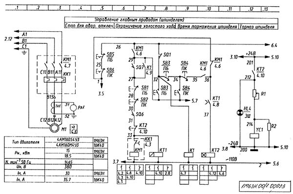
Схема електрична керування шпинделем верстата 1М63н
Схема електрична керування шпинделем верстата 1М63Н. Скачать в увеличенном масштабе
Электропривід обертання вироби осуществляется от асинхронного електродвигуна трехфазного тока M1 типа AИР160S4У3; 15 кВт.
Пуск електродвигуна M1 осуществляется нажатием на кнопки SB3 или SB4 (расположенные на пультах каретки і передньої бабки) при выключенном фрикционе. При етом размыкающий контакт конечного выключателя SQ1 замкнут. Пускатель КМ1 получает питание і подключает електродвигатель головного руху М1 к сети.
Одновременно з пускателем КМ1 получает питание реле часу КТ1, которое замыканием своего замыкающего контакта включает реле часу КТ2. Реле часу КТ2 в свою очередь замыканием своего замыкающего контакта включает тормозную муфту УС1.
Керування вращением шпинделя осуществляется з помощью фрікциону, включаемого рукояткой. При отключенном фрикционе размыкающий контакт SQ1 остается замкнутым, реле часу КТ1, КТ2 і тормозная муфта YC1 включены. При етом на шкафу загорается сигнальная лампочка HL4 синего цвета.
При работе двигуна M1 на холостом ходу, т.е. фрикцион отключен, реле часу КТ2 з выдержкой часу 150...180с размыкает свой размыкающий контакт і отключает магнитный пускатель КМ1 і соответственно двигатель М1 от сети.
Одновременно з пускателем КМ1 теряет питание реле часу КТ1, которое з выдержкой часу 5с размыкает свой замыкающий контакт і отключает реле часу КТ2, которое в свою очередь размыканием замыкающего контакта отключает тормозную муфту YC1.
При включении фрікциону размыкающий контакт SQ1 размыкается, отключает реле часу КТ2 і обеспечивает работу верстата
Останов електродвигуна М1 осуществляется нажатием на кнопки SB1 или SB2. Отключается магнитный пускатель КМ1, разрывая ланцюг живлення електродвигуна М1.
С отключением електродвигуна М1 магнитный пускатель КМ1 своим размыкающим контактом включает реле часу КТ2 і тормозную муфту YC1.
Контроль за нагрузкой електродвигуна М1 осуществляется по амперметру РА1.

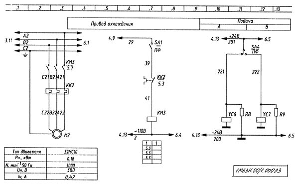
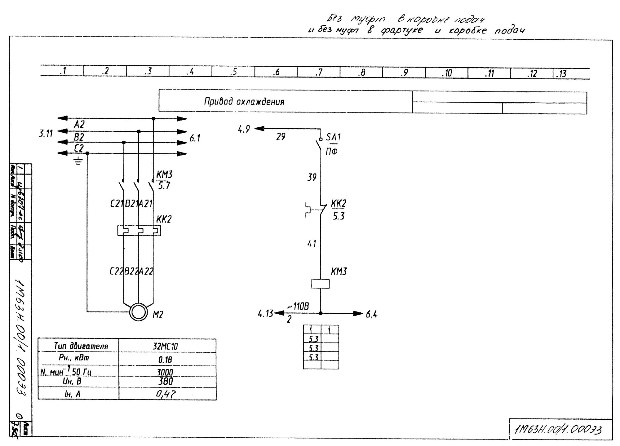
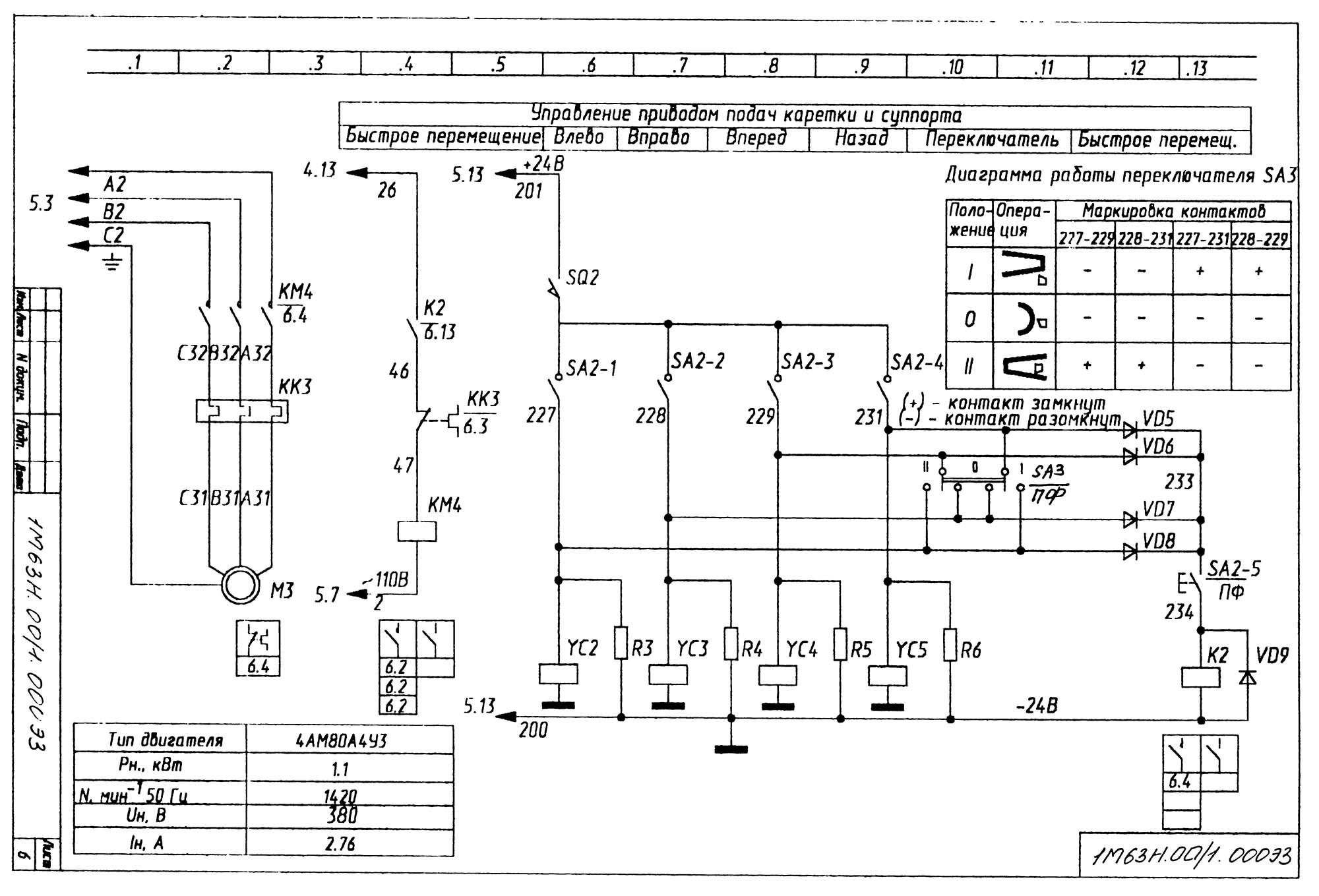
Схема приводу охлаждения і керування приводом подач верстата 1М63Н
Схема електрична принципова керування приводом подач верстата 1М63Н. Скачать в увеличенном масштабе
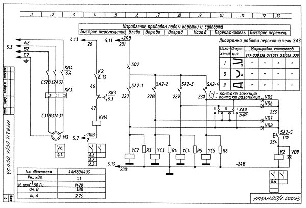
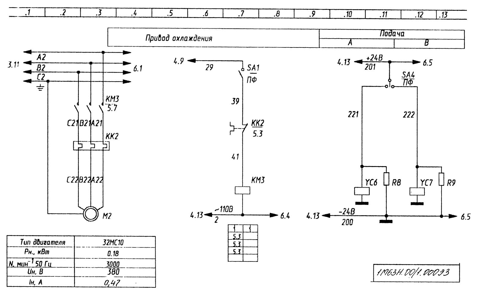
Привід подачі связан з головним приводом через кинематическую ланцюг коробки швидкостей з коробкой подач. Перемещение каретки влево или вправо, суппорта вперед или назад осуществляется з помощью електромагнітних муфт YC2...YC5: YC2 і YC3 -"влево-вправо"; YC4 і YC5 - "вперед-назад", расположенных в фартуке верстата.
Переключення скорости подач осуществляется з помощью муфт YC6 і YC7, керування которыми производится переключателем SA4.
Керування електромагнитными муфтами YC2...YC5 производится з помощью крестового переключателя SA2, установленного на пульті фартука і имеющего п'ять положений: одно вертикальное нейтральное і четыре наклонных, соответствующих направлению переміщення каретки і суппорта.
Для предотобертання пробоя електромагнітних муфт і уменьшения електрической дуги на контактах при отключении катушек предусмотрены разрядные резисторы R2...R6.

Схема електрична керування приводом подач верстата 1М63Н
Схема електрична токарно-гвинторізного верстата 1М63Н. Скачать в увеличенном масштабе

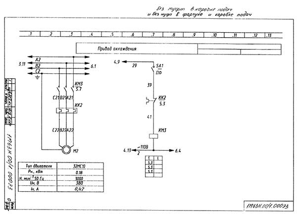
Схема керування приводом подач верстата 1М63Н без муфт
Электропривід быстрых перемещений каретки і суппорта осуществляется от електродвигуна трехфазного тока М3 типа АИР80А4; 1.1 кВт.
Пуск електродвигуна М3 осуществляется нажатием на кнопку "Прерывистое вращение", встроенную в головку рукоятки крестового переключателя SA2 (SA2-5).
Включается магнитный пускатель КМ4 і своими контактами подключает електродвигатель М3 к питающей сети.
При отпускании кнопки пускатель КМ4 отключается і отключит електродвигатель от сети.
Направление быстрых перемещений каретки или суппорта в соответствующую сторону производится з помощью електромагнітних муфт YC2...YC5, аналогично как в приводе подач.
На фартуке верстата имеется переключатель режимов роботи SA3 на три положения, который включает муфты соответственно на:

Схема приводу насоса охлаждения верстата 1М63Н без муфт
Электропривід насоса охлаждения осуществляется от електронасоса 32МС, 0,18кВт.
Пуск і зупинка електронасоса М2 производится переключателем SA1, установленным на фартуке верстата, при включенном електродвигателе М1.
Освещение зоны різання осуществляется аппаратом местного освещения EL1 з лампочкой на напряжение 24В; 60 Вт, которая питается от трансформатора TV1.
Блокировка, исключающая одновременное увімкнення маточной гайки і ускоренных перемещений каретки, осуществляется конечным выключателем SQ2, который обрывает ланцюг живлення пускателя КМ4 при включении маточной гайки.
В електрошкафу имеется блокировка, действующая на відключення вводного выключателя QF1 при открывании дверки електрошафи, осуществляемая замыканием размыкающего контакта SQS в ланцюги катушки дистанционного расланцюгителя QF1.
При осмотре електроапаратури, а также при наладке електроприводов имеется возможность снятия етой блокировки з помощью переключателя SA5. При переключении в положение "НАЛАДКА" блокировка исключается і вводный выключатель QF1 може быть включен при открытой дверке електрошафи. При етом над переключателем загорается сигнальная лампочка HL2, которая указывает на наличие напряжения в електрошкафу. После окончания наладочных работ переключатель SAS необходимо установить в положение "РАБОТА", в противном случае вводный выключатель QF1 невозможно будет включить при закрытой дверке.
Сигнальная лампочка молочного цвета HL1, расположенная на стенке електрошафи, сигнализирует о наличии напряжения на станке при включенном вводном выключателе QF1.
Сигнальная лампочка HL4 синего цвета сигнализирует о торможении шпинделя
Блокировка, запрещающая увімкнення електродвигуна М1 при открытом кожухе ограждения патрона осуществляется выключателем конечным SQ7.
Блокировка, запрещающая увімкнення електродвигуна М1 при открытом кожухе сменных шестерен осуществляется выключателем конечным SQ6.

Список елементів електрической схеми токарного верстата 1М63н
Список елементів електрической схеми токарного верстата 1М63Н. Скачать в увеличенном масштабе

Список елементів електрической схеми токарного верстата 1М63н
Список елементів електрической схеми токарного верстата 1М63Н. Скачать в увеличенном масштабе

Список елементів електрической схеми токарного верстата 1М63н
Список елементів електрической схеми токарного верстата 1М63Н. Скачать в увеличенном масштабе

Список елементів електрической схеми токарного верстата 1М63н
Список елементів електрической схеми токарного верстата 1М63Н. Скачать в увеличенном масштабе

Список елементів електрической схеми токарного верстата 1М63н
Список елементів електрической схеми токарного верстата 1М63Н. Скачать в увеличенном масштабе

Более ранний варіант електрической схеми токарно-гвинторізного верстата 1М63н
| Наименование параметра | 163 | 1М63 | 1М63Б | 1М63М | 1М63Н |
|---|---|---|---|---|---|
| Основні технические данные верстата | |||||
| Класс точності по ГОСТ 8-82 | Н | Н | Н | Н | Н/П |
| Наибольший диаметр заготовки обрабатываемой над станиной, мм | 630 | 630 | 630 | 630 | 630 |
| Наибольший диаметр заготовки обрабатываемой над суппортом, мм | 350 | 350 | 350 | 350 | 350 |
| Наибольший диаметр заготовки устанавливаемой над станиной, мм | 700 | 700 | 700 | 700 | 700 |
| Наибольший диаметр заготовки устанавливаемой над выемкой, мм | 900 | 900 | 900 | 900 | 900 |
| Высота центров, мм | 315 | 315 | 315 | 315 | 315 |
| Наибольший диаметр заготовки обрабатываемой в люнете, мм | 20...350 | ||||
| Наибольшая длина устанавливаемой детали РМЦ, мм | 1400 | 1400 | 1400 | 1500 | 1500 |
| Наибольшая масса обрабатываемого вироби, кг | 2000 | 3500 | |||
| Шпиндель | |||||
| Мощность приводу головного руху, кВт | 13 | 13 | 15 | 18,5 | 15 |
| Частота прямого/ обратного обертання шпинделя, об/мин | 10...1250 18...1800 |
10...1250 18...1800 |
10...1250 18...1800 |
12,5...1600 |
10...1250 18...1800 |
| Диаметр отверстия в шпинделе, мм | 70 | 70 | 70 | 80 | 80, 105 |
| Центр в шпинделе по ГОСТ 13214-79 | Морзе 6 | Морзе 6 | Морзе 6 | Морзе 6 | Морзе 6 |
| Кінець шпинделя по ГОСТ 12593-72 | 8 М | 8 М | 8 М | 8 М | 11 М |
| Размер внутреннего конуса шпинделя по ГОСТ 25557-82 | 100 | 100, 115 | |||
| Количество прямых/ обратных швидкостей шпинделя | 22/ 11 | 22/ 11 | 22/ 11 | 22/ 11 | 22/ 11 |
| Наибольший крутящий момент на шпинделе, кНм | 3,3 | 3 | |||
| Торможение шпинделя | есть | есть | есть | есть | есть |
| Подачи | |||||
| Наибольшее перемещение продольное/ поперечное, мм | 1260/ 400 | 1260/ 400 | 1260/ 400 | 1360/ 400 | 1350/ 400 |
| Наибольшее перемещение резцовых салазок, мм | 220 | 220 | 220 | 220 | 220 |
| Кількість подач поздовжніх/поперечних/різцевих санчат | 32/32/32 | 44/44/44 | 32/32/32 | 32/32/32 | 32/32/32 |
| Межі робочих подач поздовжніх/поперечних/різцевих санчат (1-й ряд) | 0,064...1,025 0,026...0,38 |
0,06...1,0 0,024...0,37 0,019...0,31 |
0,06...1,0 0,024...0,37 0,019...0,31 |
0,06...1,0 0,024...0,37 0,019...0,31 |
|
| Межі робочих подач поздовжніх/поперечних/різцевих санчат (2-й ряд) | 0,084...1,4 0,034...0,518 0,027...0,434 |
0,084...1,4 0,034...0,518 0,027...0,434 |
0,084...1,4 0,034...0,518 0,027...0,434 |
||
| Межі/кількість кроків метричних різьблень, мм | 1-192/ 56 | 1-192/ 56 | 1-224/ 47 | 1-224/ 46 | 1-224/ 47 |
| Межі/кількість кроків дюймових різьблень, ниток/дюйм | 24-0,25/ 33 | 24-0,25/ 33 | 28-0,25/ 31 | 28-0,25/ 31 | 28-0,25/ 31 |
| Межі/ кількість кроків модульних різьблень, модуль | 0,5-48/ 55 | 0,5-48/ 55 | 0,25-56/37 | 0,25-56/37 | 0,25-56/37 |
| Межі/ кількість кроків різьб, питч діаметральний | 96-7/8 /52 | 96-7/8 /52 | 112-0,5/ 30 | 112-0,5/ 30 | 112-0,5/ 30 |
| Швидкість швидких переміщень поздовжніх/поперечних, м/хв. | 3,6/ 1,3 | 4,5/ 1,6 | 4,5/ 1,6 | 4,5/ 1,6 | 5,2/ 2 |
| Найбільше зусилля різання при поздовжній/поперечній подачі, кН | 2,22 | 6,80/ 3,7 | |||
| Ціна поділу лімба при поздовжньому/поперечному на діаметр переміщенні, мм | 1/ 0,05 | 1/ 0,05 | 1/ 0,05 | 1/ 0,05 | 1/ 0,1 |
| Переміщення на оборот лімба при поздовжньому/поперечному переміщенні, мм | 300/ 5 | 300/ 5 | 300/ 5 | 300/ 5 | 200/5 |
| Ціна поділу лімба при переміщенні різцевих санчат, мм | 0,05 | 0,05 | 0,05 | 0,05 | 0,05 |
| Переміщення на оборот лімба при переміщенні різцевих санчат, мм | 5 | 5 | 5 | 5 | 5 |
| Задня бабка | |||||
| Найбільше переміщення пінолі, мм | 240 | 240 | 240 | 240 | 220 |
| Електроустаткування верстата | |||||
| Кількість електродвигунів на верстаті | 3 | 3 | 3 | 3 | 3 |
| Електродвигун головного руху, кВт/об/хв | 14/1450 | 13/ 1460 | 15/1460 | 18,5/ 1465 | 15/ 1465 |
| Електродвигун швидких переміщень, кВт/об/хв | 1,1/ 1400 | 1,1/ 1400 | 1,1/ 1400 | 1,1/ 1420 | |
| Електродвигун насоса СОЖ, кВт/об/хв | 0,12 | 0,12/ 2800 | 0,12/ 2800 | 0,18/ 3000 | |
| Сумарна потужність електродвигунів, кВт | 16,22 | ||||
| Габарити та маса верстата | |||||
| Габарити верстата (довжина, ширина, висота), мм | 3550 x 1740 x 1275 |
3530 x 1680 x 1290 |
1590 x 3655 x 1420 |
5240 x 1780 x 1550 |
|
| Маса верстата, кг | 3800 | 4300 | 4400 | 5750 |