Токарно-гвинторізний верстат 1М63Н призначений для обробки деталей середніх та великих розмірів діаметром до 630 мм, в умовах одиничного та дрібносерійного виробництва. На верстаті 1М63Н можна виробляти зовнішнє і внутрішнє точення, включаючи точення конусів, розточування, свердління та нарізування різьблень (метричної, модульної, дюймової та харчової).
Верстат 1М63Н (початок серійного виробництва – 1992 рік) замінює модель 1м63 . За всіма якісними показниками (продуктивності, точності, довговічності, надійності, зручності обслуговування, безпеки роботи тощо) перевершує верстат моделі 1м63.
Технічні характеристики та жорсткість конструкція станини, каретки, шпинделя верстата 1м63н дозволяють повністю використовувати можливості роботи на високих швидкостях різання із застосуванням різців із швидкорізальної сталі або оснащених пластинами із твердих сплавів при обробці деталей із чорних та кольорових металів.
Основні відмінності токарного верстата 1м63н від попередніх моделей серії:
У верстаті механізовані всі основні операції: поздовжнє та поперечне переміщення супорта, переміщення різцевих санок, прискорені переміщення супорта та різцевих санок. Гальмування шпинделя також проводиться автоматично в момент вимкнення фрикційної муфти.
Шпиндель верстата 1м63н змонтований на трьох підшипниках:
Крізь отвір шпинделя 80 чи 105 мм.
Шпиндель отримує від коробки швидкостей 22 ступені (насправді 24 ступені, 2 з яких перекриваються) обертання в діапазоні від 10 до 1250 об/хв (знаменник прогресії 1,26) та 11 швидкостей зворотного обертання в діапазоні від 18 до 1800 об/хв.
Зміна чисел оборотів шпинделя проводиться за рахунок переміщення блоків шестерень по шліцьових валів за допомогою двох рукояток, виведених на передню стінку передньої бабки. Реверс шпинделя здійснюється фрикційною муфтою. Гальмування - електромагнітною муфтою.
Передній кінець шпинделя виконаний за ГОСТ 12593 (DIN 55027, ISO 702-3-75) під поворотну шайбу, з коротким конусом, що центрує 1:4 (7°7′30″). Номінальний діаметр конуса D = 196,869 мм, умовний розмір кінця шпинделя - 11. Внутрішній (інструментальний) конус шпинделя - Морзе 6. Стандартний діаметр токарного патрона 500, 630 мм, виконання - тип 2 (див. статтю Токарні патрони ).
Суппорт верстата 1м63н крестовой конструкції имеет механическое перемещение верхней частини, позволяющее производить точение длинных конусов. Точение коротких конусов также осуществляется движением верхней частини суппорта.
Каретка суппорта перемещается по направляющим станины (продольное перемещение), по направляющим каретки перемещаются поперечные салазки суппорта (поперечное перемещение); как то, так і другое може быть ручным, механическим, рабочим і ускоренным. Поворотная часть суппорта, расположенная на поперечных салазках, имеет направляющие для переміщення верхней частини суппорта (резцовые салазки) з резцовой головкой. Bepxняя часть суппорта (резцовые салазки) также може перемещаться вручную і механически. Гайка поперечного гвинта имеет прорезь для регулировки устранения люфта. Осевые зусилля поперечного гвинта і гвинта верхних салазок воспринимаются упорными шарикопідшипниками. Направляющие продольного переміщення суппорта имеют текстолитовые накладки.
В станке 1м63н механизированы основні операции: продольное і поперечное перемещение суппорта, перемещение резцовых салазок. Имеются ускоренные переміщення суппорта в продольном і поперечном направлениях, і резцовых салазок которое осуществляется от индивидуального електродвигуна. Торможение шпинделя также производится автоматически в момент виключення фрикционной муфты.
Изменение величин подач і налаштування на шаг нарезаемой різьби осуществляются переключением зубчатых колес коробки подач і налаштуванням гітари сменных шестерен.
Механическое перемещение верхней частини суппорта позволяет производить точение длинных конусов. Точение коротких конусов также осуществляется движением верхней частини суппорта.
Изменение величин подач і налаштування на шаг нарезаемой різьби осуществляются переключением зубчатых колес коробки подач і налаштуванням гітари сменных шестерен.
Суппорт имеет быстрое перемещение в продольном і поперечном направлениях, которое осуществляется от индивидуального електродвигуна.
- Верстат заменил в производстве модель 1м63.
- Изготовитель - Рязанский станкостроительный завод РСЗ. Серийное производство з 1992 года.
Основні параметри верстата - в соответствии з ГОСТ 18097-93. Верстати токарно-винторезные і токарные. Основні розміри. Нормы точності.
В токарному станке 1м63 предусмотрена возможность нарізання особо точных резьб путем исключения кинематических ланцюгів коробки подач і применения специальных прецизионных сменных зубчатых колес.
1М63Н (1М63Н-3) – верстат токарно-гвинторізний нормальной точності з РМЦ 3000 мм - післядняя модель 163 серии;
1М63Н-2 - токарно-гвинторізний верстат з РМЦ 2000 мм;
1М63Н-1 – верстат токарно-гвинторізний нормальной точності з укороченной станиной з РМЦ 1500 мм;
1М63Н-0 - токарно-гвинторізний верстат з РМЦ 750 мм;
1М63М - токарний верстат підвищеної мощности (18,5 кВт);
1М63НГ – токарно-гвинторізний верстат з выемкой в станине;
1М63НП – токарно-гвинторізний верстат підвищеної точності;
1М63НФ1, 1М63НФ101 – верстат токарно-гвинторізний дополнительно оснащен 3-х координатной системой УЦИ фирмы «Newall» на продольное перемещение каретки з суппортом (ось Z), на поперечное перемещение суппорта (ось X), на перемещение резцовых салазок з суппортом (ось Y).
1М63НФ10М – верстат токарно-гвинторізний нормальной точності з укороченной станиной, дополнительно оснащен пристрійм цифровой индикации (УЦИ);
1М63Ф3, 1М63РФ3 - токарно-гвинторізний верстат з ЧПУ.
В 1934 году на Московском станкостроительном заводе "Красный пролетарий" осваивается выпуск тяжелых универсальных токарно-винторезных верстатів верстатів ДИП-300, ДИП-400, ДИП-500. В качестве прототипа был избран токарно-гвинторізний верстат немецкой фирмы VDF.
В 1944 году производство етих верстатів было передано на Рязанский станкостроительный завод РСЗ.
В 1956 году запущена в производство первая модель 163-й серии - 163 – РМЦ 1400, 2800.
В 1968 году запущено в производство следующее поколение серии - модель 1м63, 1м63Б.
С 1973 года начало серийного выпуска токарных верстатів: 16К30, 16К30Ф3, 1М63Бф101, 16М30Ф3, 1П756ДФ3.
Верстати 163 серии производились, также, в Тбилиси - 1Д63А, 1М63Д, 1М63ДФ101.
В 1992 году начало серийного выпуска післядней моделі 163 серии 1М63Н.

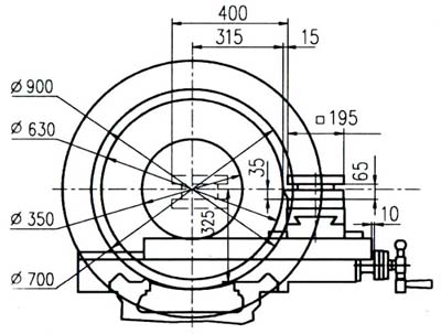
Креслення робочого простору токарного верстата 1м63н

Посадочные і присоединительные розміри токарного верстата 1м63н

Фото токарно-гвинторізного верстата 1м63н
Фото токарно-гвинторізного верстата 1М63Н. Скачать в увеличенном масштабе

Фото токарно-гвинторізного верстата 1м63н
Фото токарно-гвинторізного верстата 1М63Н. Скачать в увеличенном масштабе

Фото токарно-гвинторізного верстата 1м63н
Фото токарно-гвинторізного верстата 1м63н. Скачать в увеличенном масштабе

Передня бабка токарно-гвинторізного верстата 1м63н
Фото токарно-гвинторізного верстата 1М63Н. Скачать в увеличенном масштабе

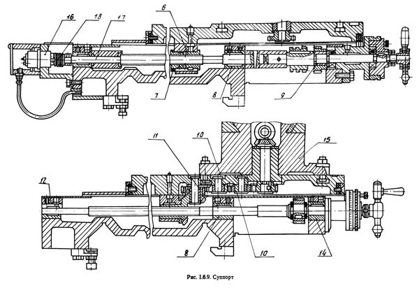
Суппорт токарно-гвинторізного верстата 1М63н

Коробка подач токарно-гвинторізного верстата 1м63н

Гітара токарно-гвинторізного верстата 1м63н

Розташування основних вузлів токарним верстатом 1М63Н
Розташування основних вузлів токарно-гвинторізного верстата 1М63Н. Скачать в увеличенном масштабе

Розташування органів керування токарним верстатом 1М63Н
Розташування органів керування токарно-гвинторізним верстатом 1М63Н. Скачать в увеличенном масштабе

Кінематична схема токарного верстата 1м63н
1. Схема кінематична токарно-гвинторізного верстата 1М63Н. Скачать в увеличенном масштабе
2. Схема кінематична токарно-гвинторізного верстата 1М63Н. Скачать в увеличенном масштабе
Привід головного руху осуществляется от електродвигуна через клиноременную передачу.
Частота обертання шпинделя изменяется переключением зубчатых блоков. График частот обертання шпинделя рис. 1.6.2.
Бабка передняя сообщает шпинделю 24 ступени прямого обертання і 11 ступеней обратного обертання через кинематические ланцюги согласно табл. 1.6.7.
Из полученных двадцати четырех ступеней две повторяются. Увімкнення шпинделя осуществляется механической фрикционной муфтой.
Станина является базовой сборочной единицей, на которой монтируются все остальные сборочные единицы.
Станина цельнолитая на тумбах.
Имеет две призматических направляючих для каретки і две для задньої бабки из которых одна плоская.
Внутри станины имеются наклонные люки (окна) для відведення стружки і охлаждающей жидкости.
В правовой тумбе помещаются бак з емульсией і електронасос.
На левой тумбе сзади крепится електродвигатель головного привода.

Коробка швидкостей токарного верстата 1м63н

Коробка швидкостей токарного верстата 1м63н
Коробка швидкостей токарного верстата 1М63Н. Дивитись у збільшеному масштабі
Бабка передняя рис. 1.6.4; 1.6.5 устанавливается на левой головной частини станины. Внутри передньої бабки смонтирован шпиндель і коробка швидкостей на 6-и валах.
Все зубчасті колеса кінематичної ланцюги смонтированы на валах і шпинделе, изготовлены из хромистой стали, закалены і прошлифованы.
Валы установлены на підшипниках качения.
Шпиндель со сквозным отверстием і внутренними конусами, имеет три опори. Передня і средняя опори — двухрядные підшипники з короткими цилиндрическими роликами.
Задня опора-радиальный подшипник, работающий в паре з упорными шарикопідшипниками.
Изменение частоти обертання шпинделя достигается переміщенням блоков шестерен по шлицевым валам при помощи двух рукояток, выведенных на переднюю стенку. Прямое і обратное вращение шпинделя осуществляется фрикционной механической муфтой, а торможение — електромагнитной муфтой 121 (см. рис. 1.6.2).

Супорт токарного верстата 1м63н
Супорт токарного верстата 1М63Н. Дивитись у збільшеному масштабі

Супорт токарного верстата 1м63нФ101
Супорт токарного верстата 1М63НФ101. Дивитись у збільшеному масштабі
Суппорт рис. 1.6.7; 1.6.8; 1.6.9 крестовой конструкції имеет продольное перемещение по призматическим направляющим станины і поперечное — по направляющим каретки. Перемещение можно осуществлять в ручную і механическим приводом. Имеется механізм для ускоренного переміщення суппорта.
Поворотная часть суппорта имеет направляющие для переміщення верхней частини суппорта з резцовой головкой. Верхня часть суппорта также може перемещаться вручную і механически.
Суппорт для верстата мод. 1М63НФ101 показан на рис. 1.6.9. Каретка дополнительно снабжена преобразователем линейных перемещений 16, который соединяется з винтом поперечных перемещений 17 з помощью сильфонной муфты 18.

Фартук токарного верстата 1М63Н
Фартук токарного верстата 1М63Н. Дивитись у збільшеному масштабі

Фартук токарного верстата 1М63Н
Фартук токарного верстата 1М63Н. Дивитись у збільшеному масштабі
Фартук рис. 1.6.10; 1.6.11 закрытого типа со съемной передньої стенкой (крышкой) поз. 5.
Рух суппорту передається через фартук от ходового вала или ходового гвинта. Механізм фартука снабжен четырьмя електромагнитными муфтами, что позволило сосредоточить керування на одной рукоятке, причем направления увімкнення рукоятки совпадают з направлениями руху подачі. В ету же рукоятку встроена кнопка, нажатием которой включается ускоренный ход суп орта.
Благодаря наличию в фартуке обгонной муфты увімкнення швидкого ходу возможно при включенной подаче. Електричнаблокировка исключает возможность одновременного увімкнення швидкого переміщення суппорта і подачі от ходового вала при сцепленной гайке ходового гвинта.

Коробка подач токарного верстата 1м63н
Коробка подач токарного верстата 1М63Н. Дивитись у збільшеному масштабі

Коробка подач токарного верстата 1м63н
Коробка подач токарного верстата 1М63Н. Дивитись у збільшеному масштабі
Коробка подач рис. 1.6.12; 1.6.13 обеспечивает налаштування на наступні виды работ:
Шестеренный механізм коробки подач состоит из наборного механізма, множительного механізма приводу ходового гвинта, ходового вала і механізма выбора вида роботи — нарезание різьби или точение.
Множительный механізм приводу ходового вала снабжен блоком зубчатых колес керування которыми осуществляется рукояткой рис 1.6.1.
При переключении блока зубчатых колес величина подачі увеличивается или уменьшается в два раза.
Выбор вида работ, величин подач і різьб осуществляется по таблицам 1.6.6; 1.13.3; 1.13.4.

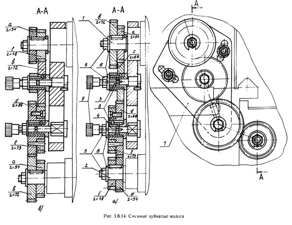
Шестерни сменные (Гітара) токарного верстата 1м63н
Шестерни сменные (Гітара) токарного верстата 1М63Н. Дивитись у збільшеному масштабі
Шестерни сменные токарного верстата 1М63Н рис. 1.6.14 служат для передачи обертання от выходного вала В8 бабки передньої на входной вал В14 коробки подач.
При помощи комбинаций сменных шестерен (в соответствии со схемами таблиц 1.6.6; 1.13.3; 1.13.4) верстат можно налаживать на нарезание различных резьб.
На рис. 1.6.14 виконання «а», показана налаштування сменных шестерен на нарезание метрической і дюймовой резьб, а виконання «б» показана налаштування для модульной і питчевой резьб.
Налаштування для метрической і дюймовой різьб используется также для получения основного ряда подач.
Шестерни сменные на валах поз. 1 і поз. 2 промежуточных осях поз. 3 і поз. 4 закрепляются гайкой поз. 5 через шайбу поз. 6.
На торцах сменных шестерен нанесено число зубьев і модуль.
При закреплении приклона поз. 7 і оси поз. 4 необходимо установить шестерни сменные з минимальным зазором.
Нельзя забывать о регулярной смазке шестерен сменных і втулок 8; післядние смазываются через колпачковую масленку 9.

Задня бабка токарного верстата 1м63н
Задня бабка токарного верстата 1М63Н. Дивитись у збільшеному масштабі
Бабка задня рис. 1.6.6 в отжатом состоянии перемещается по направляющим станины на четырех подпружиненных радиальных шарикопідшипниках 1, установленных на мостике 2.
На направляючих станины бабка закрепляется при помощи двух планок 3 і четырьмя болтами 4. Поперечное смещение корпуса бабки 5 относительно мостика производится з помощью двух винтов 6 і гайки 7, установленной в мостике.
Перемещение пиноли 8 производится маховиком 9.
От електронасоса, установленного в правой частини станины охлаждающая жидкость через трубопровод, шланг і регулируемый наконечник подается к инструменту, а затем стекает в два корыта, установленные спереди і сзади верстата, откуда возвращается в бак.
Очистку бака производить не реже одного раза в месяц.
Количество охлаждающей жидкости, заливаемой в бак — 35 л.
Для обробки нежестких деталей верстат оснащен подвижным і нерухомим люнетами (рис. 1.6.15). Люнеты снабжены сменными роликами і сухарями, устанавливаемыми в зависимости от условий роботи. Люнет нерухомий оснащен сменными пинолями, устанавливаемыми в зависимости от диаметра обрабатываемой детали.
Оправки роликов і пиноли должны устанавливаться в соответствии з маркировкой на оправке, пиноли і корпусе, а так же согласно сечений А—А і Б—Б на рис. 1.6.15.
Смазка верстата обеспечивается следующими системами:
1) циркуляционной системой змазки механізмов зубчатых колес і підшибниківых опор бабки передньої. Насос НП системы приводится в действие от вала В1 передньої бабки через зубчатую передачу.
Всасываемое масло из емкости Б1, проходя через фильтр Ф1, подается в підшибниківые опори шпинделя і електротормозную муфту ТС1; в емкость Б2, из которой — к другим смазываемым точкам. Пройдя через смазываемые частини, масло собирается в емкость Б1.
Кроме того, смазка деталей производится разбрызгиванием.

Шпиндель токарного верстата 1М63Н
Шпиндель токарного верстата 1М63Н. Дивитись у збільшеному масштабі
| Наименование параметра | 163 | 1М63 | 1М63Б | 1М63М | 1М63Н |
|---|---|---|---|---|---|
| Основні технические данные верстата | |||||
| Класс точності по ГОСТ 8-82 | Н | Н | Н | Н | Н/П |
| Наибольший диаметр заготовки обрабатываемой над станиной, мм | 630 | 630 | 630 | 630 | 630 |
| Наибольший диаметр заготовки обрабатываемой над суппортом, мм | 350 | 350 | 350 | 350 | 350 |
| Наибольший диаметр заготовки устанавливаемой над станиной, мм | 700 | 700 | 700 | 700 | 700 |
| Наибольший диаметр заготовки устанавливаемой над выемкой, мм | 900 | 900 | 900 | 900 | 900 |
| Высота центров, мм | 315 | 315 | 315 | 315 | 315 |
| Наибольший диаметр заготовки обрабатываемой в люнете, мм | 20...350 | ||||
| Наибольшая длина устанавливаемой детали РМЦ, мм | 1400 | 1400 | 1400 | 1500 | 1500 |
| Наибольшая масса обрабатываемого вироби, кг | 2000 | 3500 | |||
| Шпиндель | |||||
| Мощность приводу головного руху, кВт | 13 | 13 | 15 | 18,5 | 15 |
| Частота прямого/ обратного обертання шпинделя, об/мин | 10...1250 18...1800 |
10...1250 18...1800 |
10...1250 18...1800 |
12,5...1600 |
10...1250 18...1800 |
| Диаметр отверстия в шпинделе, мм | 70 | 70 | 70 | 80 | 80, 105 |
| Центр в шпинделе по ГОСТ 13214-79 | Морзе 6 | Морзе 6 | Морзе 6 | Морзе 6 | Морзе 6 |
| Кінець шпинделя по ГОСТ 12593-72 | 8 М | 8 М | 8 М | 8 М | 11 М |
| Размер внутреннего конуса шпинделя по ГОСТ 25557-82 | 100 | 100, 115 | |||
| Кількість прямих/зворотних швидкостей шпинделя | 22/11 | 22/11 | 22/11 | 22/11 | 22/11 |
| Найбільший крутний момент на шпинделі, кНм | 3,3 | 3 | |||
| Гальмування шпинделя | є | є | є | є | є |
| Подання | |||||
| Найбільше переміщення поздовжнє/поперечне, мм | 1260/400 | 1260/400 | 1260/400 | 1360/400 | 1350/400 |
| Найбільше переміщення різцевих санчат, мм | 220 | 220 | 220 | 220 | 220 |
| Кількість подач поздовжніх/поперечних/різцевих санчат | 32/32/32 | 44/44/44 | 32/32/32 | 32/32/32 | 32/32/32 |
| Межі робочих подач поздовжніх/поперечних/різцевих санчат (1-й ряд) | 0,064...1,025 0,026...0,38 |
0,06...1,0 0,024...0,37 0,019...0,31 |
0,06...1,0 0,024...0,37 0,019...0,31 |
0,06...1,0 0,024...0,37 0,019...0,31 |
|
| Межі робочих подач поздовжніх/поперечних/різцевих санчат (2-й ряд) | 0,084...1,4 0,034...0,518 0,027...0,434 |
0,084...1,4 0,034...0,518 0,027...0,434 |
0,084...1,4 0,034...0,518 0,027...0,434 |
||
| Межі/кількість кроків метричних різьблень, мм | 1-192/ 56 | 1-192/ 56 | 1-224/ 47 | 1-224/ 46 | 1-224/ 47 |
| Межі/кількість кроків дюймових різьблень, ниток/дюйм | 24-0,25/ 33 | 24-0,25/ 33 | 28-0,25/ 31 | 28-0,25/ 31 | 28-0,25/ 31 |
| Межі/ кількість кроків модульних різьблень, модуль | 0,5-48/ 55 | 0,5-48/ 55 | 0,25-56/37 | 0,25-56/37 | 0,25-56/37 |
| Межі/ кількість кроків різьб, питч діаметральний | 96-7/8 /52 | 96-7/8 /52 | 112-0,5/ 30 | 112-0,5/ 30 | 112-0,5/ 30 |
| Швидкість швидких переміщень поздовжніх/поперечних, м/хв. | 3,6/ 1,3 | 4,5/ 1,6 | 4,5/ 1,6 | 4,5/ 1,6 | 5,2/ 2 |
| Найбільше зусилля різання при поздовжній/поперечній подачі, кН | 2,22 | 6,80/ 3,7 | |||
| Ціна поділу лімба при поздовжньому/поперечному на діаметр переміщенні, мм | 1/ 0,05 | 1/ 0,05 | 1/ 0,05 | 1/ 0,05 | 1/ 0,1 |
| Переміщення на оборот лімба при поздовжньому/поперечному переміщенні, мм | 300/ 5 | 300/ 5 | 300/ 5 | 300/ 5 | 200/5 |
| Ціна поділу лімба при переміщенні різцевих санчат, мм | 0,05 | 0,05 | 0,05 | 0,05 | 0,05 |
| Переміщення на оборот лімба при переміщенні різцевих санчат, мм | 5 | 5 | 5 | 5 | 5 |
| Задня бабка | |||||
| Найбільше переміщення пінолі, мм | 240 | 240 | 240 | 240 | 220 |
| Електроустаткування верстата | |||||
| Кількість електродвигунів на верстаті | 3 | 3 | 3 | 3 | 3 |
| Електродвигун головного руху, кВт/об/хв | 14/1450 | 13/ 1460 | 15/1460 | 18,5/ 1465 | 15/ 1465 |
| Електродвигун швидких переміщень, кВт/об/хв | 1,1/ 1400 | 1,1/ 1400 | 1,1/ 1400 | 1,1/ 1420 | |
| Електродвигун насоса СОЖ, кВт/об/хв | 0,12 | 0,12/ 2800 | 0,12/ 2800 | 0,18/ 3000 | |
| Сумарна потужність електродвигунів, кВт | 16,22 | ||||
| Габарити та маса верстата | |||||
| Габарити верстата (довжина, ширина, висота), мм | 3550 x 1740 x 1275 |
3530 x 1680 x 1290 |
1590 x 3655 x 1420 |
5240 x 1780 x 1550 |
|
| Маса верстата, кг | 3800 | 4300 | 4400 | 5750 |