Виробник токарного верстата 1І611ПМФ3 - Іжевський верстатобудівний завод Іжмаш , заснований у 1807 році.
Історія верстатобудування на Іжевському машинобудівному заводі "Іжмаш" починається 28 липня 1930 р. після виходу наказу №181 про створення верстатобудівного відділу.
Найбільш масовими моделями універсальних токарних верстатів, випущеними в різний час, стали "Удмурт", "Удмурт-2" (161-АМ), ІЖ-250, 1І611П, 1ІС611В, 95ТС, 250ІТВМ, 250ІТВМ4 та токар.
1І611ПМФ3 - перший токарний верстат з ЧПУ, розроблений та запущений у серійне виробництво на заводі "Іжмаш" у 1977 році.
Токарний верстат з числовим програмним керуванням 1І611ПМФ3 призначений для токарної обробки деталей типу тіл обертання з прямолінійним, ступінчастиним та криволінійним профілем, у тому числі, для нарізування різьблень у напівавтоматичному режимі в патроні та центрах; використовується в дрібносерійному та серійному виробництві.
Керуючі програми з переміщення інструменту, керування головним приводом та допоміжними командами вводяться в пам'ять системи керування з клавіатури пульта оператора, а також з персонального комп'ютера через послідовний інтерфейс і можуть коригуватися з пульта оператора УЧПУ. Підтримується постійна швидкість. Для роботи в режимі налагодження можливе застосування електронних штурвалів.
Привід затискання деталі від пневмоциліндра, що обертається, в клиновому патроні, можливе виконання з порожнистим клиновим патроном для обробки відрізка прутка в автоматичному циклі із застосуванням пристрою захоплення прутка, встановленого на супорті.

Загальний вигляд токарного верстата 1І611ПМФ3

Фото токарного верстата 1И611ПМФ3

Фото токарного верстата 1И611ПМФ3

Розташування складових частинин токарного верстата 1І611ПМФ3
Розташування складових частинин токарного верстата 1І611ПМФ3. Завантажити у збільшеному масштабі
* Пристрій для налаштування інструменту - 1І611ПФ3.65.000
* Приладдя - 1І611ПФ3.88.000
* Патрон повідковий - 1І611.80.000
* Патрон 3-х кулачковий - 1І611.81.000
* Планшайба з пазами - 1І611.82.000

Розташування органів керування токарним верстатом 1І611ПМФ3
Производитель пристроя ЧПУ "Маяк-221" - ООО ИжПрЭСт
Електроустаткування верстата предназначено для роботи от трехфазного переменного тока 380 В, 50 Гц.
Питание елементів схеми осуществляется напряжениями:
Основная релейно-контактная аппаратура, предназначенная для керування циклами верстата, расположена в електрошкафу.
Двигатель головного руху (M1) совместно з редуктором, електронасос Х14-22М (М3) для системы охлаждения і двигатель змазки (М2) установлены внутри тумбы верстата (1И611ПМФ3.90.000 листы 1 і 2).
Гідростанція з електродвигуном (М4), входящим в комплект гідростанції, устанавливается возле верстата з правой стороны (1И611ПМФ3.90.000 лист 2).
Шаговый двигатель (М6) продольного переміщення совместно о гідравлическим усилителем і редуктором расположен на левой фронтальной стороне станины (1И611ПМФ3.90.000 лист 1).
Шаговый двигатель (М5) поперечного переміщення совместно з усилителем і редуктором расположен на правой задньої стороне станины (1И611ПМФ3.90.000 лист 2).
* См.1И611ПМФ3.00.000 РЭ (руководство по експлуатации) часть I листы 17,19,20,21.
Ввод питающих проводов выполнен через отверстие з резьбой труб 1/2" в угольнике. Ввод должен быть осуществлен проводом марки ПВ3 сечением не менее 2,5 мм Верстат подключается к сети посредством автоматичного выключателя АК-63-3М, установленного в шкафу керування. Рукоятка виключення выходит на правую боковую стенку шкафа (1И611ПМФ3.90.000 лист 2).
Для освещения робочого места на станке установлен кронштейн местного освещения НК00 1х100/П20-05 з лампой накаливания М024-40 (90.000 лист 2)
Органы керування по месту розположення делятся на три группы:
Пульт керування верстата расположен над передньої бабкой 1И611ПМФ3.90.000 лист 1) і крепится к задньої стенке електрошафи.
Пульт керування содержит:
Блок живлення (1И611ПМФ3.94.000) шаговых двигателей і системы "Маяк-221" закрепляется над гідростанцией (1И611ПМФ3.90.000 лист 1).
На нижней горизонтальной плоскости фартука расположены конечные выключатели ограничения переміщення (ВК11, ВК13) і датчик выхода в нуль "Грубо" (BK16) верстата по координате Z (1И611ПМФ3.90.000 лист 1).
Головка бесконтактного датчика типа БК4-А-0 координата Z, служащей для выхода в нуль "Точно" верстата находится в лимбе етой координаты. Корпус усилителя датчика установки нуля (BK18) находится в нише з правого торца станины (1И611ПМФ3.90.000 лист 1).
Выключатели конечные ограничения переміщення (ВК12, ВК14) і датчик выхода в нуль "Грубо" (ВК15) верстата по координате Х расположены в специальной коробке, прикрепленной на продольную каретку суппорта з правой стороны.
Головка бесконтактного датчика типа БК-A-0 координаты Х, служащей для выхода в нуль "Точно" верстата находится в лимбе координаты.
Корпус усилителя датчика установки нуля (ВК17) находится в нише фартука (1И611ПМФ3.90.000 лист 1).
Выключатели конечные (ВК1, ВК2, ВК19) контроля поворота і возобертання в исходное состояние инструментальной четырехпозиционной головки расположены в поперечної каретке суппорта (1И611ПМФ3.90.000 лист 1).
Вал датчика пристроя бесконтактного торможения соединен з валом редуктора, расположенного в тумбе под передньої бабкой (1И611ПМФ3.90.000 лист 1).
Для осуществления резьбонарізання верстат оснащается измерительной системой импульсной фотоелектрической "Дуп-1000М", устанавливаемой з торца передньої бабки і имеющей кинематическую связь з валом шпинделя (1И611ПМФ3.90.000 лист 2).
На вертикальной плоскости фартука расположена кнопка аварийного останова КН1.
Верстат оснащается контурной системой числового программного керування по двум координатным осям типа "Маяк-221". Основні параметри "Маяк-221" і опис органів керування приведены в документации на данную систему.
Верстат оснащается контурной системой числового программного керування по двум координатным осям типа "Маяк-221". Основні параметри "Маяк-221" і опис органів керування приведены в документации на данную систему.
ВНИМАНИЕ! Перед пуском верстата необходимо надежно заземлить верстат і при работе без датчика ДУП1000М в 93 корректор записать "1".
Список символів приведен в табл.2.
При первоначальном пуске верстата необходимо проверить внешний осмотром заземление і качество монтажа електроустаткування. На клеммных наборах в електрошкафу отключить провода живлення всех електродвигателей, соединить клеммы 46 і 46А. При помощи вводного автомата B1 Верстат подключить к сети.
Установить переключатель В6 на пульті керування верстата в положение "Наладка". Проверить дії блокирующих і сигнализирующих устройств (см.п.4).
При помощи кнопок і переключателей верстата проверить четкость срабатывания магнитных пускачів і реле. При достижении четкой роботи всех електроаппаратов подсоединить ранее отключенные прохода к клеммным наборам.
Кратковременным толчком произвести пуск електродвигуна (М4) гідросистемы і убедиться в правильности его обертання (по часовий стрелке, если смотреть со стороны вентилятора). При согласовании обертання включить гідросистему і проверить систему змазки (правильное увімкнення двигуна змазки (М2) определяется постоянной подачей масла в глазок передньої бабки).
Согласовать направление обертання шпинделя з символами етикетки пульта (ориентироваться по патрону з робочого места). Проверить нулевую защиту (шпиндель должен включаться только при переходе переключателя В4 через среднее положение).
Режим роботи верстата выбирается при помощи переключателя В6, установленного на пульті керування верстата.
Для увімкнення соответствующей скорости шпинделя сигналы подаются на кодовые реле (Р7..Р9). Соединение контактов кодовых реле, представляющее собой прямой і обратные двоичные коды запрограммированной скорости шпинделя, которые обеспечивают одну из восьми возможных комбинаций увімкнення електромагнитов редуктора (порядок роботи електромагнитов указан в табл.4)
Контроль отработки кода скорости осуществляется шестью конечными выключателями ВК5...ВК10 (по числу електромагнитов). Любому вновь вводимому коду скорости первоначально соответствует минимум один ненажатый конечный выключатель, который по окончании цикла отработки кода скорости нажимается, тем самым дается сигнал об окончании отработки.
Переключатель В8 представляет собой шифратор кода скорости шпинделя в наладочном режиме. В случае "утыкания" шестерен размыкающий контакт конечного выключателя, контролирующего отработку кода скорости, не разомкнётся, і по истечении выдержки часу мультивибратор А8 обеспечит работу шпинделя в качающем режиме, который будет происходить до тех пор, пока не будет нормального зацепления шестерен редуктора.
Торможение двигуна шпинделя електродинамическое. Служит для белее еффективного переключения швидкостей і в качестве аварийного. Включается з момента отключения шпинделя і заканчивается по сигналу от пристроя контроля обертання шпинделя.
Пристрій контроля обертання шпинделя обеспечивает цикл торможения і разрешает производить переключение електромагнитов редуктора при полном останове шпинделя.
Смена частоти обертання шпинделя происходит следующим образом: вновь поступившая на верстат технологическая команда первоначально исполняется включением роле Р7...Р9 в определенном сочетании, затем включается реле P17 при условии несовпадения вновь поступившего кода швидкостей і имеющегося кода. О включении реле Р17 сигнализирует лампочка Л2 (см.1И611ПМФ3.90.000 Э3 лист 2).
Реле P17 отключает двигатель шпинделя своим размыкающим контактом 50,53 і подготавливает к работе схему качающего режима асинхронного двигуна (замыкающий контакт P17, 67, 68), мультивибратор А8 (размыкающий контакт 43, 91) і реле контроля обертання шпинделя P19.
После отключения двигуна шпинделя (отпадание пускателя П2 ила П3) включается промежуточное реле P14 і происходит електродинамическое торможение двигуна (пускатель П4 включается по ланцюги 2-62-63-65) до оптимальных оборотів (до нуля). Контроль за торможением осуществляет пристрій контроля обертання шпинделя, работающее на реле Р19. При снижении скорости до нуля реле P19 отпадает, отпадает і реле P13.
Увімкнення реле P17 (несовпадение кодов швидкостей) і отпадание реле P13 (снижение скорости) разрешают по ланцюги 46-85-71 включиться соответствующему вводимому коду скорости сочетанию магнитов ЭМ1..ЭМ6. Далее возможно 2 варіанта: переключение без "утыкания" і з "утыканием".
В случае без "утыкания" сразу отпадает реле P17 і через промежуточное реле P14 (пауза) включается двигатель шпинделя (пускатели П2 или П3). В случае "утыкания" (реле P17 продолжает оставаться под напряжением) вступает в работу мультивибратор А8, управляющий пускателями П4 в П7. Поочередное увімкнення П4 і П7 з частотой 1,5...2 Гц обеспечивает качающий режим двигуна з углом качания 150. Как только произойдет нормальное зацепление, P17 обесточится і дальнейшее происходит аналогично первому случаю.
В исходном состоянии транзистор Т1 открыт положительным напряжением, поступающим на его базу через размыкающий контакт 43, 91 реле Р17, а реле Р20 выключено. При несовпадении кода на реле Р7....Р9 о кодом на выключателях ВК5....ВК10 включается реле Р17 і з момента отпадания реле Р13 (скорость шпинделя снижена) начинается разряд емкости C1 по ланцюги база - емиттер транзистора Т1. Через время, определяемое величиной R2С1 транзистор Т1 закроется, а транзистор Т2 откроется і включится реле Р20. Перекидной контакт Р20 включает пускатель П4 і выключает П7 і подключает положительное напряжение к базе транзистора Т1, который через задержку часу откроется і таким образом мультивибратор переходит в режим генерации з частотой 0,5...2 Гц. Генерация прекратится після отпадания реле P17 (произойдет правильное переключение шестерен). 3.3. Выбор позиции инструмента
Поворот четырехпозиционной инструментальной головки на одну позицию осуществляется по команде Т в автоматическом режиме или нажатием кнопки Кн5 в наладочном режиме. Включается електромагнит поворота головки ЭМ9. Происходит подъем, поворот на одну позицию і опускание головки. Конечный выключатель ВК1 контролирует конец поворота, конечный выключатель ВК2 - нормальную посадку головки. Он формирует сигнал об окончании смены инструмента, который служит разрешением дальнейшей отработки программы в автоматическом режиме. Конечный выключатель ВК19 разрешает пуск программы от кнопки
КН6 в автоматическом режиме при условии нахождения инструментальной головки на одной позиция.
В автоматическом режиме двигатель охлаждения работает при подача сигнала пристроя ЧПУ (команда М08) на промежуточное реле (Р5). которое включает магнитный пускатель (П5) електродвигуна охлаждения. Выключается охолодження по команде М09.
Електродвигун змазки включается при каждом первоначальном пуске верстата одновременно з двигателем гідравлической системы. Органы керування для агрегатов змазки і для гідравлической системы є общими.
Проверка производится при включенном устройстве ЧПУ "Маяк-221".
Переключатель режима работ поставить в положение "наладка", а тумблер В5 в среднее положение. Керування безразмерными переміщеннями производится з пульта оператора УЧПУ.
Пристрій ЧПУ "Маяк-221" обеспечивает выход суппорта і каретки в "0" верстата в режиме "наладка" і "автомат". При выходе в "0" по координате "Z"супорт отводится в правое крайнее положение, по координате "Х" каретка отводится в крайнее заднее положение (к оператору).
Для выхода в "0" верстата в наладочном режиме необходимо переключатель режима работ поставить в положение "наладка", а тумблер В5 в положение Δ или -О— . Выход в "0" возможен по переміщенням "+Х", "+ Z". Для устранения самопроизвольного выхода в "0" при переходе з режима "автомат" в режим "наладка" при включенном переключателе В5 используется реле Р11.
При наезде на конечные выключатели ВК15 (для координат X) или ВК16 (для координаты Z ) происходит переключение на медленный ход, дальнейшее перемещение происходит до совпадения сигнала з конечных выключателей ВК17 (для координаты X) і ВК18 (для координаты Z ) з сигналом увімкнення 1-й і 2-й фаз шагового двигуна з коммутатора.
В момент совпадения дается сигнал на прекращение переміщення і загораются лампочки соответственно "0" X верстата или "0" Z верстата на пульті керування пристроя ЧПУ "Маяк-221". Выход в "0" верстата в автоматическом режиме осуществляется по командам G20 или G21.
Конечный выключатель ВК17 (или ВК18) представляет собой датчик бесконтактный типа БК-0. Принципиальная схема датчика состоит из генератора і усилителя. При введении в щель между катушками базовой к коллекторной обмоток генератора металлической пластины происходит уменьшение коеффициента обратной связи, вызывающее срыв генерации. Выходной транзистор ПП3 открывается і сигнал поступает в пристрій ЧПУ "Маяк-221".
Подготовка производится в положении "наладка" переключателя режима работ (В6). Последовательно по каждой координате переместить супорт і каретку в исходное положение "0" верстата. Нажатием кнопки Кн5 установить инструментальную головку на первую исходную позицию.
Переключатели режима работ на станке поставить в положение "Автомат", а тумблер В5 в среднее положение. Заправить перфоленту в фотосчитывающее пристрій (началом программы против фотодиодов).
Нажать клавишу ВВОД ПЛ на ПО пристроя. Нажать клавишу ПУСК. Перфолента будет вводиться до слова М30 включительно. Во время ввода на цифровом табло высвечиваются номера вводимых кадров. После завершения ввода высвечивается индикатор ВЫП. Ввод перфоленты можно приостановить нажатием клавиши СТОП і продолжить нажатием клавши ПУСК.
Нажать клавишу "Автомат". Нажать клавиши СБРОС ЧПУ і СБРОС ПРИВОДА. Нажать клавишу ПУСК (или кнопку Кн6 на станке).
Отработка программы прекращается в следующих случаях:
Для дальнейшего выполнения программы після останова по п.п. 1,2.4 нажмите клавишу ПУСК (или Кн6) Проверка работоспособности комплекса верстат - УЧПУ производится по контрольной тест - программе (приложение 2) і программе обробки детали (приложение 3 і приложение 4).
Датчиком скорости является бесконтактный выключатель "ВК20" типа БВК202-24 (БВК-24М) з вращающимся металлическим лепестком (екраном), закрепленным на валу редуктора.
С пуском електродвигуна "М1" пускатель "П2" или "П3" включит реле "P19", замыкающий контакт (87-235) которого подключит реле "Р13" к выключателю "ВК20" при введении лепестка в щель датчика. При выходе лепестка из щели датчика реле "P13" удерживается во включенном состоянии з помощью конденсатора "С67". Замыкающий контакт (235-236) реле "P13" подключит базу транзистора "Т" к датчику. Транзистор откроется высоким потенциалом в точке "235". При отключении пускателя "П2" или "П3" реле "P19" остается включенным через открытый транзистор, а при нахождении лепестка в щели з помощью конденсатора "С66". Торможение електродвигуна произошло. Лепесток остановился в щели датчика, потенциал в точке "235" будет низкий, транзистор "Т" выключен, після разряда конденсатора "С66" реле "P19" отключится і своим контактом (84-235) отключит реле "P13".
При останове лепестка вне щели датчика після разряда конденсатоpa "C67" отключается реле "P13", которое своим контактом (235-236) отключит базу транзистора і реле "P19" отключится.
В електросхеме верстата осуществлены блокировки:
Захист електродвигателей і блока живлення шаговых двигателей от токов коротких замыканий осуществляется автоматическим выключателем АК63-3М.
Захист електродвигателей от длительных перегрузок осуществляется тепловыми реле типа ТРН-25 і ТРН-10.
Захист трансформатора з низкой стороны от токов коротких замыканий осуществлена предохранителями типа ПРС-6У3-П а ПРС-20У3-П. Данные по плавким вставкам приведены в принципиальной схеме.
В електросхеме верстата предусмотрена нулевая защита, обеспечивающая невозможность произвольного самоувімкнення при подаче електроенергии після внезапного її исчезновения. Это осуществляется пускателем П1, который при понижении напряжения ниже 80 % номинального значения автоматически отключает двигатели і релейную схему верстата.
Для исключения различных електрических помех контакты магнитных пускачів зашунтованы конденсаторами, а катушки реле постоянного тока - диодами.

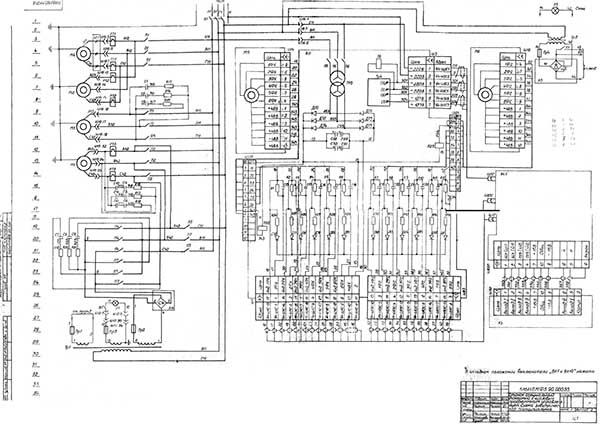
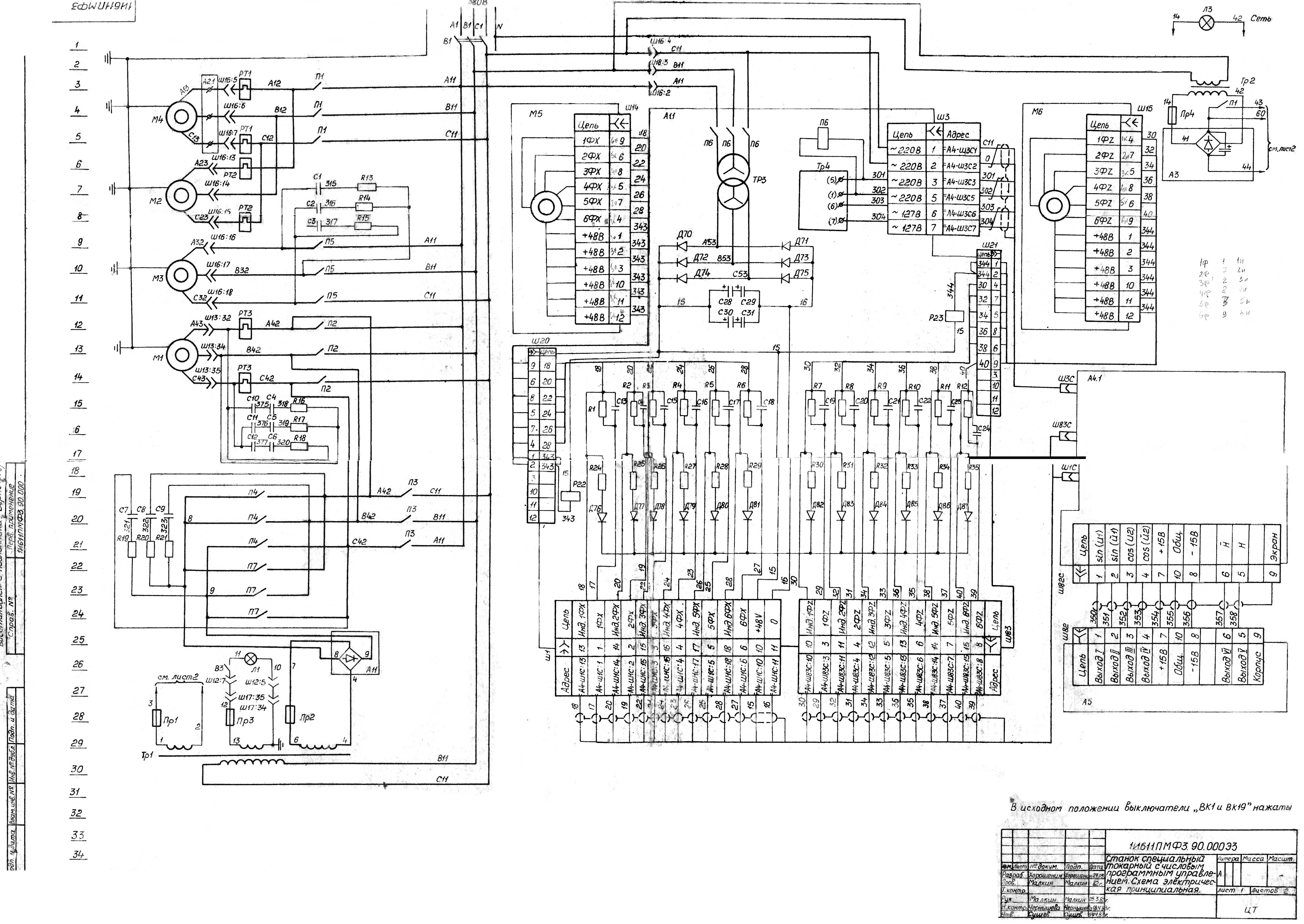
Електрична схема токарного верстата 1И611ПМФ3
Електрична схема токарного верстата 1И611ПМФ3. Дивитись у збільшеному масштабі

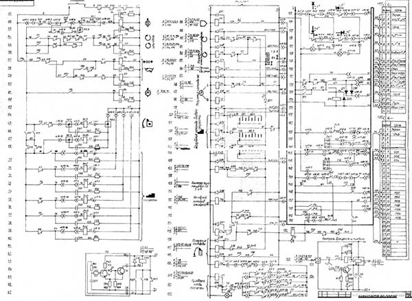
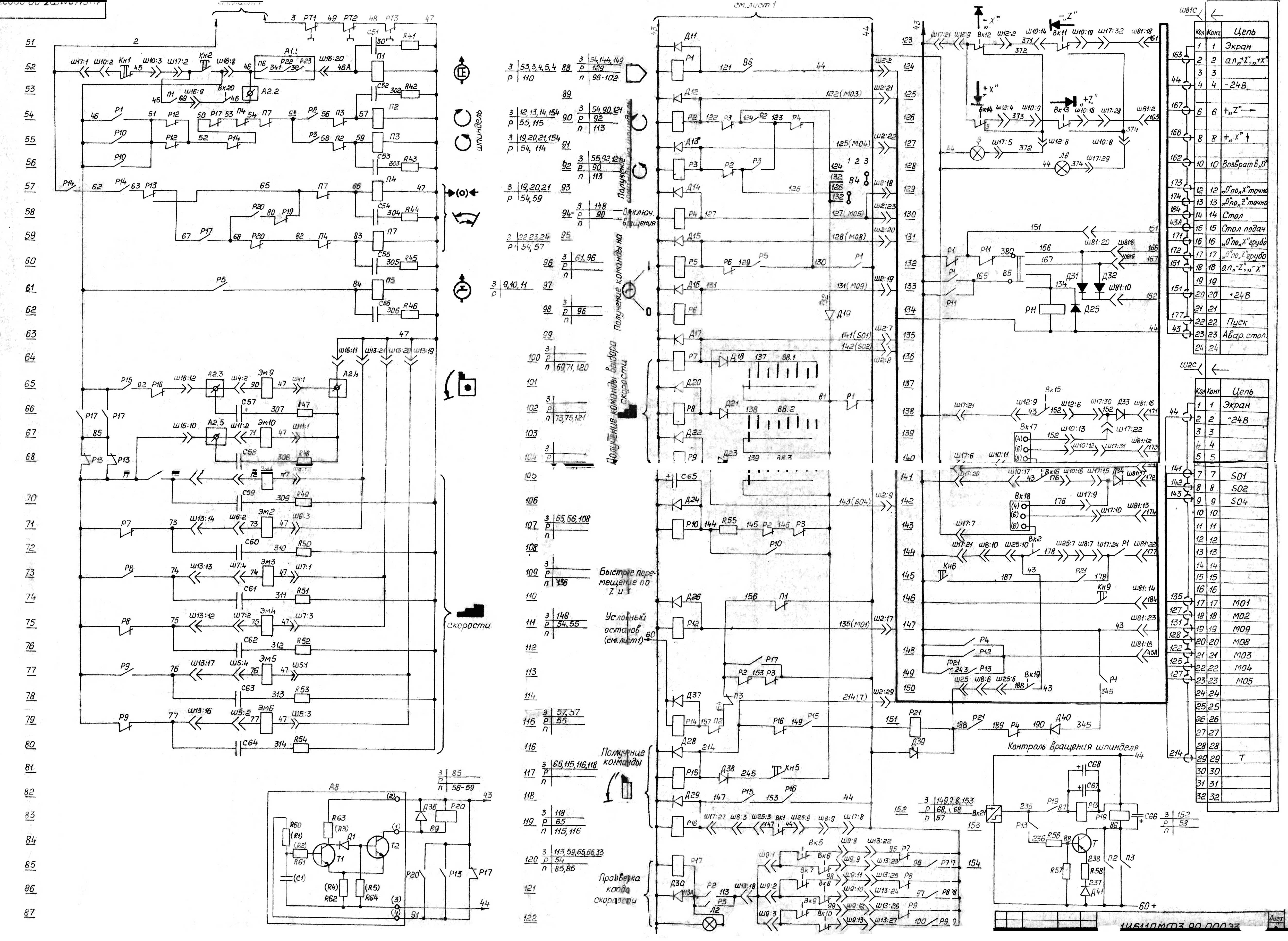
Електрична схема токарного верстата 1И611ПМФ3
Електрична схема токарного верстата 1И611ПМФ3. Дивитись у збільшеному масштабі

Список елементів токарного верстата 1И611ПМФ3
Список елементів токарного верстата 1И611ПМФ3. Дивитись у збільшеному масштабі

Список елементів токарного верстата 1И611ПМФ3
Список елементів токарного верстата 1И611ПМФ3. Дивитись у збільшеному масштабі

Список елементів токарного верстата 1И611ПМФ3
Список елементів токарного верстата 1И611ПМФ3. Дивитись у збільшеному масштабі

Список елементів токарного верстата 1И611ПМФ3
Список елементів токарного верстата 1И611ПМФ3. Дивитись у збільшеному масштабі

Список елементів токарного верстата 1И611ПМФ3
Список елементів токарного верстата 1И611ПМФ3. Дивитись у збільшеному масштабі
Електроустаткування верстата предназначено для роботи от трехфазного переменного тока 330 В, 50 Гц.
Питание елементів схеми осуществляется напряжениями:
Основная релейно-контактная аппаратура, предназначенная для керування циклами верстата, расположена в електрошкафу (1И611ПМФ3.91.000).
Двигатель головного руху (М4) совместно з редуктором, електронасос ПА-22 (МЗ) для системы охлаждения і двигатель змазки (М2) устанавливаются внутри станины (1И611ПМФ3.90.000 листы 1 і 3 )
Гідростанція з електродвигуном (М1), входящим в комплект гідростанції, устанавливается возле верстата з правой стороны 1И611ПМФ3.90.000 лист 3)
Шаговый двигатель (М6) продольного переміщення совместно з гідравлическим усилителем і редуктором расположен на левой фронтальной стороне станины (1И611ПМФ3.90.000 лист 1), шаговый двигатель (М5) поперечного переміщення совместно з усилителем і редуктором расположен на правой: задньої стороне станины (1И611ПМФЗ.90.000 лист 3).
Блок живлення (1И611ПМФ3.92.000) шаговых двигателей і системы СПФ-2ТМШ закрепляется над гідростанцией (1И611ПМФ3.90.000 лист 3) На нижней горизонтальной плоскости фартука расположены конечные выключатели ограничения переміщення (ВК11, ВК13) і датчик выхода в нуль "Грубо" (ВК16) верстата по координате Z (1И611ПМФ3.90.000 листы 1 і 4 ). Головка бесконтактного датчика типа БК-0 координаты Z, служащая для выхода в нуль "Точно" верстата, находится в лимбе етой координаты (1И611ПМФ3.90.000 лист 1). Корпус усилителя датчика установки нуля (ВК18) находится в нише з правого торца направляючих станины (1И611ПМФ3.90.000 лист 1).
Выключатели конечные ограничения переміщення (ВК12, ВК14) і датчик выхода в нуль "Грубо" (ВК15) верстата по координате X расположены в специальной коробке, прикрепленной к поздовжньої каретке суппорта з задньої стороны. Головка бесконтактного датчика типа БК-0 координаты X, служащая для выхода в нуль "Точно" верстата находится в лимбе координат . Корпус усилителя датчика установки нуля (ВК17) находится в нише фартука (1И611ШФ3.90.000 лист 4).
Выключатели конечные (ВК1, ВК2, ВК19) контроля поворота і возобертання в исходное состояние инструментальной 4-х позиционной головки расположены в поперечної каретке суппорта (1И611ПМФ3.90.000 листа 1 і 4).
Вал датчика пристроя бесконтактного торможения (УБТ-1) соединен з валом редуктора, расположенного в станине под передньої бабкой.(1И611ПМФ3.90.000 лист 2).
Для осуществления резьбонарізання верстат оснащается измерительной системой импульсной, фотоелектрической "ДУП-1000", устанавливаемой з торца передньої бабки і имеющей кинематическую связь з валом шпинделя (90.000 лист 2).
Сзади верстата на передньої бабке расположен конечный выключатель контроля диапазона швидкостей шпинделя (1И611ПМФ3.90.000 лист 2).
Ввод питающих проводов в коробку УЭ-06-2 осуществляется знизу через вводное отверстие (1И611ПМФ3.90.000 лист 3).
Верстат подключается к сети посредством автоматичного выключателя АК-63-3М, установленного в шкафу керування.
Рукоятка виключення выходит на правую боковую стенку шкафа (90.000 лист 2).
Для освещения робочого места на станке установлен кронштейн местного освещения НКСО 1х1000/П00-07 з лампой накаливания (90.000 лист 2).
Органы керування по месту розположення делятся на три группы:
Пульт керування верстата расположен над передньої бабкой (90.000 лист 1) і крепится к задньої стенке електрошафи.
Пульт керування содержит:
На вертикальной плоскости фартука расположена кнопка аварийного останова KH1 (1И611ПМФ3.90.000 лист 1).
Для обеспечения безразмерных перемещений і для выхода в "Ноль верстата" в наладочном режиме используется крестовый переключатель (ПК), расположенный на горизонтальной плоскости фартука(1И611ПМФ3.90.000 лист 1)
В рукоятке крестового переключателя имеется кнопка (КН7) быстрых перемещений.
Верстат оснащается контурной системой числового программного керування по двум координатным осям типа СПФ-2ТМШ.
Основні параметри "СПФ-2ТМШ" і опис органів керування приведены в документации на данную систему.
ВНИМАНИЕ! Перед пуском верстата необходимо надежно заземлить верстат і пристрій ЧПУ.
При первоначальном пуске верстата необходимо проверить внешним осмотром заземление і качество монтажа електроустаткування. На клеммных наборах в електрошкафу отключить провода живлення всех електродвигателей, соединить клеммы 46 і 46А. При помощи вводного автомата BI верстат подключить к сети.
Установить переключатель В6 на пульті керування верстата в положение "Наладка". Проверить дії блокирующих і сигнализирующих устройств (см. п.4).
При помощи кнопок і переключателей верстата проверить четкость срабатывания магнитных пускачів і реле. При достижении четкой роботи всех електроаппаратов подсоединить ранее отключенные провода к клеммным наборам.
Кратковременным толчком произвести пуск електродвигуна (Ml) гідросистемы і убедиться в правильности его обертання (по часовий стрелке, если смотреть со стороны вентилятора). При согласовании обертання включить гідросистему і проверить систему сказки (правильное увімкнення двигуна змазки (М2) определяется постоянной подачей масла в глазок передньої бабки.)
Согласовать направление обертання шпинделя з символами етикетки пульта(ориентироваться, по патрону з робочого места). Проверить нулевую защиту (шпиндель должен включаться только ври переходе переключателя В4 через среднее положение).
Режим роботи верстата выбирается при помощи переключателя В6, установленного на пульті керування верстата.
Для увімкнення соответствующей скорости шпинделя сигналы подаются на кодовые реле (Р14…Р16). Соединение контактов кодовых реле, представляющие собой прямые і обратные двоичные коды запрограммированной скорости шпинделя, которые обеспечивают одну из восьми возможных комбинаций увімкнення електромагнитов редуктора.
Контроль обробки кода скорости осуществляется шестью конечными выключателями ВК5…ВК10 (по числу електромагнитов). Любому вновь вводимому коду скорости первоначально соответствует минимум один не нажатый конечный выключатель, который по окончанию цикла обробки кода скорости нажимается, тем самым дается сигнал об окончании отработки.
Переключатель В8 і диоды Д9..Д20 представляет собой шифратор кода скорости шпинделя в наладочном режиме.
В случае "утыкания" шестерен размыкающий контакт конечного выключателя, контролирующего обработку кода скорости, не разомкнется і по истечению выдержки часу, електронного реле часу (ЭРВ) обеспечит работу шпинделя в качающем режиме (режиме "толчка"), который будет происходить до тех пор, пока не будет нормального зацепления шестерен редуктора.
Торможение двигуна шпинделя - динамическое. Служит для более еффективного переключения швидкостей і в качестве аварийного. Включается з момента отключения шпинделя і заканчивается по сигналу от пристроя бесконтактного торможения УБТ-1.
Пристрій бесконтактного торможения обеспечивает цикл торможения і разрешает з определенного уровня частоти обертання шпинделя производить переключение електромагнитов редуктора.
Контроль диапазона частот обертання шпинделя, при котором осуществляется динамическое торможение, осуществляется конечным выключателем ВК4.
В исходном состоянии транзистор Т1 открыт положительным напряжением, поступающим на его базу через размыкающий контакт 44, 193 реле Р23.
Триод Т2 закрыт, а реле Р22 выключено.
При несовпадении кодов на реле Р10…Р12 з кодом на выключателях ВК5…ВК10 включается реле Р23 і з момента отпадания реле (скорость шпинделя снижена) начинается разряд емкости С по ланцюги база - емиттер транзистора Т1.
Через время, определяемое величиной RC транзистор Т1 закроется, а транзистор Т2 откроется і включится реле Р22.
Замыкающий контакт Р22 включает пускатель П2, выключает П7 і подключает отрицательное напряжение к базе транзистора Т1, который через выдержку часу откроется і таким образом мультивибратор переходит в режим генерации з частотой 1,5…2 Гц.
Генерация прекращается після отпадания реле Р22 (произойдет правильное переключение шестерен) і вимкнення реле 23.
Поворот 4-х позиционной инструментальной головки на одну позицию осуществляется по команде Т в автоматическом режиме или нажатием кнопки Кн5 в наладочном режиме.
Включается електромагнит поворота головки ЭМ9.
Происходит подъем, поворот на одну позицию і отпускание головки.
Конечный выключатель ВК1 контролирует конец поворота, а ВК2 - нормальную посадку головки.
Он формирует сигнал об окончании смены инструмента, служащий разрешением дальнейшей отработки программы в автоматическом режиме.
Конечный выключатель ВК19 разрешает пуск программы от кнопки КН6 в автоматическом режиме при условии нахождения инструментальной головки на 1-ой позиции.
В автоматическом режиме двигатель охлаждения работает при подаче сигнала пристроя ЧПУ (команда М08) на промежуточное реле Р5, которое включает магнитный пускатель П5 електродвигуна охлаждения. Выключается охолодження по команде М04.
Проверка производится при включенном устройстве ЧПУ" "СПФ-2ТМШ". Переключатель режима работ поставить в положение "Наладка", а тумблер "0" в нижнее положение. Перемещения рукоятки крестового переключателя должны мати мнемоническую связь з направлением руху исполнительных органів. При нажатии кнопки (Кн7), расположенной в торце рукоятки крестового переключателя, скорость переміщення возрастает, происходит так называемое перемещение "ускоренно".
Пристрій ЧПУ "СПФ-2ТШ" обеспечивает выход суппорта і каретки в "О" верстата в режиме "наладка". При выходе в "0" по координате "Z" супорт отводится в правое крайнее положение, по координате "Х" каретка отводится в крайнее заднее положение (к оператору).
Для выхода в "0" верстата необходимо переключатель режима работ поставить Б положение "наладка", а тумблер "0" в положение "0". Перемещением рукоятки крестового переключателя задается направление переміщення для выхода в "0". Выход в "0" возможен по переміщенням " +Х", + Z".
При наезде на конечные выключатели ВК15 (для координат X) или ВК16 (для координаты Z ) происходит переключение на медленный ход, дальнейшее перемещение происходит до совпадения сигнала з конечных выключателей ВК17 (для координаты X) і ВК18 (для координаты Z ) з сигналом увімкнення 1-ой і 2-ой фаз шагового двигуна з коммутатора.
В момент совпадения дается сигнал на прекращение переміщення і загораются лампочки соответственно "0" X верстата или "0" Z верстата на пульті керування пристроя ЧПУ "СПФ-2ТМШ".
Конечный выключатель ВК17 (или ВК18) представляет собой датчик бесконтактного типа БК-0. Принципиальная схема датчика состоит из генератора і усилителя. При введении в щель между катушками базовой і коллекторной обмоток генератора металлической пластины происходит уменьшение коеффициента обратной связи, вызывающее срыв генерации.
Выходной транзистор ПП3 открывается і сигнал поступает в пристрій ЧПУ "СПФ-2ТМШ".
Подготовка производится в положении "наладка" переключателя режима работ (В6). Последовательно по каждой координате переместить супорт і каретку в исходное положение "0" верстата. Нажатием кнопки Кн5 установить инструментальную головку На первую исходную позицию. Переключатели режима работ на станке і устройстве ЧПУ поставить в положение "Автомат", а тумблер "0" в нижнее положение. Заправить перфоленту в фотосчитывающее пристрій (началом программы против фотодиодов). Нажать кнопку "ПУ" на пульті керування пристроя ЧПУ "СПФ-2ТМШ". Затем нажать кнопку "Пуск" на пульті керування верстата. При етом начнется считывание а отработка информации.
При необходимости прервать отработку программы, необходимо нажать кнопку "Стоп" на пульті керування верстата. При етом _пристрій прекращает отработку без потери информации.
Чтобы возобновить отработку, необходимо нажать кнопку "пуск" на устройстве ЧПУ. Пристрій ЧПУ передбачає покадровую отработку информации, для чего необходимо переключатель режимов роботи пристроя поставить в положение "Полуавтомат". Для считывания каждого следующего кадра, нужно нажимать кнопку "пуск" на устройстве ЧПУ.
В електросхеме верстата осуществлены блокировки:
- Запрещающено увімкнення електродвигуна головного приводу одновременно в прямом і обратном направлениях. Для етого использованы размыкающие контакты пускачів П2 і П3 в цепях катушек етих пускачів;
- Запрещающено одновременное увімкнення обертання і торможения електродвигуна головного привода. Для етого использованы размыкающие контакты пускачів П2, П3, П4, П7;
- Ограничение переміщення каретки і суппорта в крайних предельных положениях. Для схода з аварийного положения необходимо перейти на наладочный режим, перевести тумблер "0" (В5) в нижнее положение, нажать кнопку "ПУ" на пульті керування пристроя ЧПУ "СПФ-2ТМШ" і задать крестовым переключателем противоположное направление переміщення;
- Запрещающена робота верстата при снижении давления гідросистемы ниже номинального. При снижении давления происходит полный останов верстата і обеспечивается сигнал "Стоп аварийный", идущий на пристрій ЧПУ "СПФ-2ТМШ". В качестве блокирующего елемента используется електрический контакт реле давления;
- Запрещающена отработка программы в автоматическом режиме при неправильной посадке инструментальной головки. В качестве исполнительного елемента используется конечный выключатель ВК2;
- Запрещающена отработка кадра программы з переміщеннями при не вращающемся шпинделе. Для етого использованы замыкающие контакты реле Р4, Р12, Р13;
- Запрещающен пуск программы з пульта керування (кнопкой Кн6) в автоматическом режиме при нахождении инструментальной головки не на 1-й позиции. Исполнительный елемент - конечный выключатель ВК19.
- Захист електродвигателей і блока живлення шаговых двигателей от токов короткого замыкания осуществляется автоматическим выключателем АК63-3М.
- Захист електродвигателей от длительных перегрузок осуществляется тепловым реле типа ТРН-25 і ТРН-10.
- Захист трансформатора з низкой стороны от токов коротких замыканий осуществляется предохранителями типа ПРС-6У3-П і ПРС-2СУ3-П.
- В електросхеме верстата предусмотрена нулевая защита, обеспечивающая невозможность произвольного самовиключення при подаче електроенергии після внезапного її исчезновения. Это осуществляется катушкой пускателя П1, которая при понижении напряжения ниже 80% номинального значения автоматически отключает двигатели і релейную схему верстата.
| Наименование параметра | ит42 | 1И611ПМФ3 |
|---|---|---|
| Основні параметри верстата | ||
| Класс точності по ГОСТ 8-82 | П | П |
| Наибольший диаметр обрабатываемого вироби над станиной, мм | 320 | 320 |
| Наибольший диаметр обрабатываемого вироби над суппортом, мм | 125 | 125 |
| Наибольшая длина обрабатываемого вироби в центрах, мм | 400 | 500 |
| Наибольшая длина обрабатываемого вироби в патроне, мм | 125 | |
| Наибольшее сечение резца, устанавливаемого в пазах инструментальной головки, мм | 20 х 20 | 20 х 20 |
| Количество сменяемого по программе инструмента | 8 | 4 |
| Шпиндель | ||
| Диапазон швидкостей шпинделя, переключаемых по программе, об/мин | 0..3000 | 50..2000 |
| Количество швидкостей шпинделя, устанавливаемый вручную, об/мин | 16 | |
| Количество рабочих швидкостей шпинделя, переключаемых по программе | 8 | |
| Диаметр отверстия в шпинделе, мм | 32 | 25 |
| Размер внутреннего конуса шпинделя передньої бабки по ГОСТ 25557-82 | Морзе 5 | - |
| Центр в шпинделе передньої бабки по ГОСТ 13214-79 (7032-0029) | - | Морзе 4 |
| Кінець шпинделя по ГОСТ 12593-72 | 4К | 4К |
| Наибольший крутящий момент на шпинделе, Нм | 89,96 | |
| Предельный диаметр сверления по стали/ чугуну, мм | ||
| Торможение шпинделя | имеется | |
| Реверсирование шпинделя по программе | имеется | |
| Диаметр стандартного патрона, мм | 160 | 160 (СТ 160В-Ф4) |
| Суппорт. Подачи | ||
| Наибольшее перемещение поздовжньої каретки суппорта, мм | 470 | |
| Наибольшее перемещение поперечної каретки суппорта, мм | 173 | |
| Диапазон швидкостей продольных подач при работе по одной координате, мм/мин | 3..2000 | 3..3600 |
| Диапазон швидкостей поперечных подач при работе по одной координате, мм/мин | 1,5..1000 | 1,5..1800 |
| Диапазон швидкостей продольных подач при работе по двум координатам, мм/мин | 3..1800 | |
| Диапазон швидкостей поперечных подач при работе по двум координатам, мм/мин | 1,5..900 | |
| Скорость быстрых (установочных) продольных перемещений суппорта, м/мин | 8 | |
| Скорость быстрых (установочных) поперечных перемещений суппорта, м/мин | 4 | |
| Предельные значения шагов нарезаемых цилиндрических резьб, мм | 0,2..40 | 0,2..60 |
| Точность позиционирования по диаметру (оси X), мм | 0,05 | |
| Точность позиционирования по длине (оси Z), мм | 0,1 | |
| Количество позиций на поворотной резцедержке (число инструментов в револьверній головці) | 8 | 4 |
| Задня бабка | ||
| Наибольшее перемещение пиноли задньої бабки, мм | 90 | 85 |
| Размер внутреннего конуса в пиноли задньої бабки по ГОСТ 25557-82 | Морзе 3 | - |
| Центр в шпинделе передньої бабки по ГОСТ 13214-79 (7032-0029) | - | Морзе 3 |
| Цена деления лимба, мм | 0,05 | |
| Параметри системы ЧПУ | ||
| Обозначение системы ЧПУ | Маяк 223МП | Маяк 221 |
| Число координат | 2 | |
| Количество одновременно управляемых координат | 2 | |
| Дискретность задания переміщення в продольном направлении (дискретность задания по оси Z), мм | 0,002 | |
| Дискретность задания переміщення в поперечном направлении (на радиус) (дискретность задания по оси X), мм | 0,001 | |
| Тип датчика обратной связи в приводе подач | ВЕ-178А | |
| Тип резьбонарезного датчика | ВЕ-178А | |
| Електроустаткування. Привод | ||
| Количество електродвигателей на станке | 9 | 6 |
| Електродвигун приводу головного руху, кВт | 7,5 (М6) | 3,0 (М1) |
| Електродвигун приводу продольных подач, кВт | 0,55 (М8) | 0,48 (М5) |
| Електродвигун приводу поперечных подач, кВт | 0,55 (М7) | 0,48 (М6) |
| Електродвигун револьверної головки, кВт | 0,12 (М5) | - |
| Електродвигун приводу пиноли задньої бабки, кВт | 0,25 (М4) | - |
| Електродвигун гідростанції, кВт | - | 3,0 (М4) |
| Електродвигун станції змазки шпинделя, кВт | 0,09 (М1) | |
| Електродвигун станції змазки вузлів верстата, кВт | 0,55 (М9) | |
| Електродвигун обдува приводу головного руху, кВт | 0,09 (М2) | |
| Електродвигун насоса охлаждения, кВт | 0,18 (М3) | 0,12 (М3) |
| Габарити і масса верстата | 2950 х 1800 х 1900 | 2900 х 1700 х 1700 |
| Масса верстата з ЧПУ, кг | 2160 | 1400 |