Виробник та розробник токарного верстата моделі 1І611П - Іжевський верстатобудівний завод Іжмаш , заснований у 1807 році.
Токарно-гвинторізний верстат 1І611П випускався заводом з 1964 по 1983 рік (майже 20 років) і вважався одним із найкращих верстатів, що випускаються в нашій країні.
Універсальний токарно-гвинторізний верстат 1І611П замінив у виробництві застарілу модель ІЖ-250 і був замінений на більш досконалу модель 250ІТВМ , 250ІТВМ.01, 250ІТВМ.03, 250ІТВМФ1 .
Токарно-гвинторізний верстат 1І611П підвищеної точності інструментальної групи призначений для виконання найрізноманітніших робіт у центрах, цангових або кулачкових патронах по чорних та кольорових металах, включаючи точення конусів, а також для нарізування метричних, модульних, дюймових різьблень.
Токарний верстат 1І611П застосовується для чистових та напівчистових робіт у одиничному та дрібносерійному виробництві. Верстати призначені для експлуатації переважно у багатоповерхових будинках, а також у рухомих ремонтних майстернях та судах.
Токарно-гвинторізний верстат 1І611П забезпечує:

Габаритні розміри робочого простору верстата 1і611п

Фото токарно-гвинторізного верстата 1и611п
Фото токарно-гвинторізного верстата 1І611П. Дивитись у збільшеному масштабі

Фото токарно-гвинторізного верстата 1и611п в музее завода ИжМаш
Фото токарно-гвинторізного верстата 1І611П. Дивитись у збільшеному масштабі

Фото токарно-гвинторізного верстата 1и611п
Фото токарно-гвинторізного верстата 1І611П. Дивитись у збільшеному масштабі

Фото токарно-гвинторізного верстата 1и611п

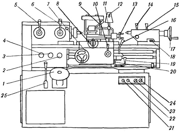
Розташування органів керування токарно-гвинторізним верстатом 1і611п
Електродвигуни та апаратура розраховані на включення до мережі напругою 380 В та з частотою 50 Гц. Напруга місцевого освітлення 36 В та ланцюги керування 110 В. Для динамічного гальмування напруга 60 В постійного струму.
На верстаті встановлені три трифазні асинхронні електродвигуни:

Електрична схема токарного верстата 1и611п (1968 год)
Электрические схеми ранних і поздних модификаций верстатів имеют незначительные отличия, которые обусловлены применением более современных комплектующих: см. схему 1968 года і схему 1975 года.

Електрична схема токарного верстата 1и611п (1975 год)
Схема електрична токарно-гвинторізного верстата 1И611П. Дивитись у збільшеному масштабі

Розташування електроустаткування на токарному станке 1и611п

Список елементів електросхеми токарно-гвинторізного верстата 1и611п
Список елементів електросхеми верстата 1И611П. Дивитись у збільшеному масштабі
Подключение електрической частини верстата (Фиг. 15—16) к сети осуществляется выключателем ВС. При нажатии кнопки Кн2 происходит увімкнення магнитного пускателя КМ, которым включается електродвигатель змазки М2.
Затем переводом в верхнее положение рукоятки валика керування нажимается выключатель ВК1, включая пускатель KB (вперед). Последний включит електродвигатель M1 головного привода. При переводе рукоятки валика в нижнее положение нажимается выключатель ВК2, который включит пускатель КН (назад), при етом електродвигателю Ml будет обеспечено обратное вращение.
При установці валика керування из верхнего или нижнего положения в нейтральное через нормально закрытые контакты 3—21, 21—23, 23—25, 25—27 включится реле часу РВ. Реле часу своим нормально открытым контактом включит пускатель тормоза КТ, а другой закрытый контакт РВ з выдержкой часу разомкнет ланцюг етого пускателя. Величина выдержки настраивается на время, необходимое для полного останова електродвигуна головного приводу Ml, но не более 2,5 сек., так как налаштування на более длительное время може привести к выходу из строя селенового выпрямителя і трансформатора. Электродинамическое торможение происходит путем подачі постоянного тока от селенового выпрямителя СВ в обмотку статора електродвигуна. Конечный выключатель ВК3 служит для притормаживания електродвигуна M1 в момент переключения шестерен редуктора на ходу. Увімкнення електронасоса охлаждения производится выключателем ВН при работающем електродвигателе змазки М2. Увімкнення освещения осуществляется выключателем ВО.
При установці верстат должен быть надежно заземлен, т. е. подключен к общей системе заземления цеха. Болт заземления і ввод для електроживлення находятся позади верстата в нижней частини тумбы.
Перед пуском в ход електродвигателей следует:
Для обеспечения нормальной роботи електродвигуна частота увімкнення не должна превышать четырех в минуту, частота реверсирования не более двух в минуту.
При експлуатации електродвигателей необходимо обращать внимание на их смазку. Не реже двух раз в год проверять шарикопідшипники і заменять старую смазку новой. Промывать підшипники следует бензином, употребление керосина не допускается. В случае сильного износа шарикопідшипники должны быть заменены новыми.
Электродвигатели і аппаратуру необходимо регулярно очищать от пыли і грязи сухой тряпкой. Во избежание разъедания слоя изоляции не допускается промывать обмотки електродвигателей бензином или керосином.
Не реже одного раза в декаду следует проверять состояние контактных з'єднань і проводов, подводящих ток к електродвигунам.
Необходимо также проверять плотность контакта болта заземления. Следить за исправностью магнитных пускачів, своевременно подчищать подгоревшие контакты наждачным полотном или бархатным напильником. Смазывать контакты нельзя. Износившиеся контакты должны быть своевременно заменены новыми.
Коррозия на магнитопроводах електроаппаратов вызывает усиленное гудение, поетому их рабочие поверхности периодически должны смазываться машинным маслом і затем протираться насухо.
Не рекомендуется выключать верстат пакетным выключателем ВС во время его роботи.
В случае отключения електродвигуна тепловым реле необходимо выявить причину і після 15-мннутного перерыва кнопкой возврата включить тепловое реле. Только після етого можно продолжать работу.
Тепловые реле имеют регулировку в пределах 25% от номинального тока.
При осмотре или ремонтi електроапаратури выключатель ВС должен быть выключен.
Примечание. При работе верстата з частыми пусками или реверсами необходимо регулятор тока уставки теплового реле РТ1 поставить в плюс до максимума или зашунтировать нагревательные елементы.
| Наименование параметра | ИЖ-250П | 1И611П | 250-ИТВ | 250ИТВМ.01 |
|---|---|---|---|---|
| Основні параметри | ||||
| Класс точності по ГОСТ 8-82 | Н,П | П | В | В |
| Наибольший диаметр заготовки устанавливаемой над станиной, мм | 250 | 260 | 300 | 300 |
| Наибольший диаметр заготовки обрабатываемой над станиной, мм | 250 | 250 | 240 | 240 |
| Наибольший диаметр заготовки над суппортом, мм | 125 | 125 | 168 | 168 |
| Наибольшая длина заготовки (РМЦ), мм | 500 | 500 | 500 | 500 |
| Наибольшая длина обточки, мм | 500 | |||
| Высота центров, мм | 150 | 135 | 150 | 150 |
| Высота резца, мм | 20 х 20 | 16 х 16 | 16 х 16 | 16 х 16 |
| Шпидель | ||||
| Диаметр сквозного отверстия в шпинделе, мм | 33 | 25 | 25 | 25 |
| Наибольший диаметр прутка, мм | 30 | 24 | 24 | 24 |
| Число ступеней частот прямого обертання шпинделя | 22 | 21 | 18 | 21 |
| Частота прямого обертання шпинделя, об/мин (число ступеней) | 16..2000 (22) | 20..2000 (21) | 63..3150 (18) | 25..2500 (21) |
| Размер внутреннего конуса в шпинделе (ГОСТ 13214) | Морзе 5 | Морзе 4 | Морзе 4 | Морзе 4 |
| Торможение шпинделя | есть | есть | есть | есть |
| Кінець шпинделя по ГОСТ 12593-72 | М68х6 | 4 | 4К | 4 |
| Подачи | ||||
| Наибольшая длина ходу каретки, мм | 500 | 500 | 500 | 500 |
| Наибольшее поперечное перемещение суппорта, мм | 150 | 180 | 170 | 165 |
| Продольное перемещение суппорта за один оборот лимба, мм | 23,5 | 20 | 20 | |
| Цена деления лимба продольного переміщення суппорта, мм | 0,1 | 0,1 | 0,1 | 0,1 |
| Цена деления лимба поперечного переміщення суппорта, мм | 0,05 | 0,02 | 0,02 | 0,05 |
| Поперечное перемещение суппорта за один оборот лимба, мм | 3 | 3 | 2 | 3 |
| Число ступеней продольных подач | 25 | 24 | 21 | |
| Пределы рабочих подач продольных, мм/об | 0,02..2,17 | 0,01..3 (25) | 0,01..1,5 | 0,01..1,8 |
| Число ступеней поперечных подач | 25 | 24 | 21 | |
| Пределы рабочих подач поперечных, мм/об | 0,01..1,08 | 0,005..1,5 | 0,005..0,75 | 0,005..0,9 |
| Скорость быстрых перемещений суппорта, продольных, м/мин | нет | нет | нет | нет |
| Наибольшее допустимое тяговое усилие, Н (кг) | 5000 (500) | |||
| Количество нарезаемых різьб метрических | 33 | 30 | 33 | |
| Пределы шагов нарезаемых різьб метрических, мм | 0,2..6 | 0,2..48 (33) | 0,2..24 (30) | 0,2..48 (33) |
| Количество нарезаемых різьб дюймовых | 26 | 21 | 26 | |
| Пределы шагов нарезаемых різьб дюймовых, ниток на дюйм | 24..3,5 | 24..0,5 (26) | 24..1 (21) | 24..0,5 (26) |
| Количество нарезаемых різьб модульных | 35 | 21 | 25 | |
| Пределы шагов нарезаемых різьб модульных, модули | 0,2..6 | 0,2..30 (35) | 0,2..6 (21) | 0,2..12 (25) |
| Пределы шагов нарезаемых різьб питчевых | нет | нет | нет | нет |
| Верхние салазки суппорта (Резцовые салазки) | ||||
| Наибольшее перемещение салазок, мм | 120 | 120 | 120 | |
| Цена деления лимба переміщення салазок, мм | 0,1 | 0,05 | 0,02 | |
| Перемещение салазок за один оборот лимба, мм | 3 | |||
| Різьбопокажчик | нет | нет | нет | нет |
| Блокировка | есть | есть | есть | есть |
| Предохранение от перегрузок | есть | есть | есть | есть |
| Выключающие упоры продольные / поперечные | есть/ нет | есть | есть | есть |
| Быстрый ход | нет | нет | нет | нет |
| Задня бабка | ||||
| Центр в пиноли задньої бабки | Морзе 3 | Морзе 3 | Морзе 3 | Морзе 3 |
| Наибольшее перемещение пиноли задньої бабки, мм | 90 | 85 | 85 | |
| Цена деления линейки/ лимба переміщення пиноли задньої бабки, мм | 1/ 0,05 | 1/ 0,05 | ||
| Поперечное смещение задньої бабки, мм | ±10 | ±10 | ±10 | ±10 |
| Електроустаткування | ||||
| Количество електродвигателей на станке | 3 | 3 | 3 | 3 |
| Мощность електродвигуна головного привода, кВт (об/мин) | 2,6/ 3 (1420/ 2800) | 3 (1420) | 3 (1430) | 3 (1410) |
| Тип електродвигуна головного привода | ФТ-42-4/2 | АОЛ2-32-4 | АИР100S4ПУ3 | |
| Мощность електродвигуна станції змазки, кВт (об/мин) | 0,18 (1400) | 0,08 (1390) | 0,09 (2700) | 0,09 (1350) |
| Тип електродвигуна гідростанції | АОЛ-012-4 | АОЛ-012-4 | ||
| Тип станції змазки | С48-12М | |||
| Мощность електродвигуна насоса охлаждения, кВт (об/мин) | 0,125 (2800) | 0,15 (2800) | 0,12 (2800) | 0,18 (3000) |
| Насос охлаждения (помпа) | ПА-22 | ПА-22 | ПА-25МС | |
| Габарити і масса верстата | ||||
| Габарити верстата (длина ширина высота), мм | 2030 х 875 х 1220 | 1770_970_1300 | 1790_810_1400 | |
| Масса верстата, кг | 1570 | 1120 | 1180 |
1И611П верстат токарно-гвинторізний: - паспорт, (djvu), 1968 г., 1,1 Мб, Скачать