Виробник токарно-гвинторізного верстата 16К20 – Московський верстатобудівний завод "Червоний пролетар" ім. А.І. Єфремова , заснований у 1857 році.
Перші універсальні токарно-гвинторізні верстати з коробкою швидкостей уперше в СРСР почали випускатися на Московському верстатобудівному заводі "Червоний пролетар" ім. А.І. Єфремова в 1932 році і отримали найменування ДІП-200, ДІП-300, ДІП-400, ДІП-500 ( ДІП - Наздогнати І Перегнати), де 200, 300, 400, 500 - висота центрів над станиною.
Технічні характеристики, креслення та опис вузлів наведено на сторінці 16К20 .
Токарно-гвинторізний верстат 16К20 замінив у 1972 році легендарний, але застарілий верстат 1К62 . Верстат 16к20 перевершує верстат моделі 1К62 за всіма якісними показниками (продуктивності, точності, довговічності, надійності тощо).
У 1988 році токарний верстат 16к20 був замінений на більш сучасний МК6056, МК6057, МК6758 .
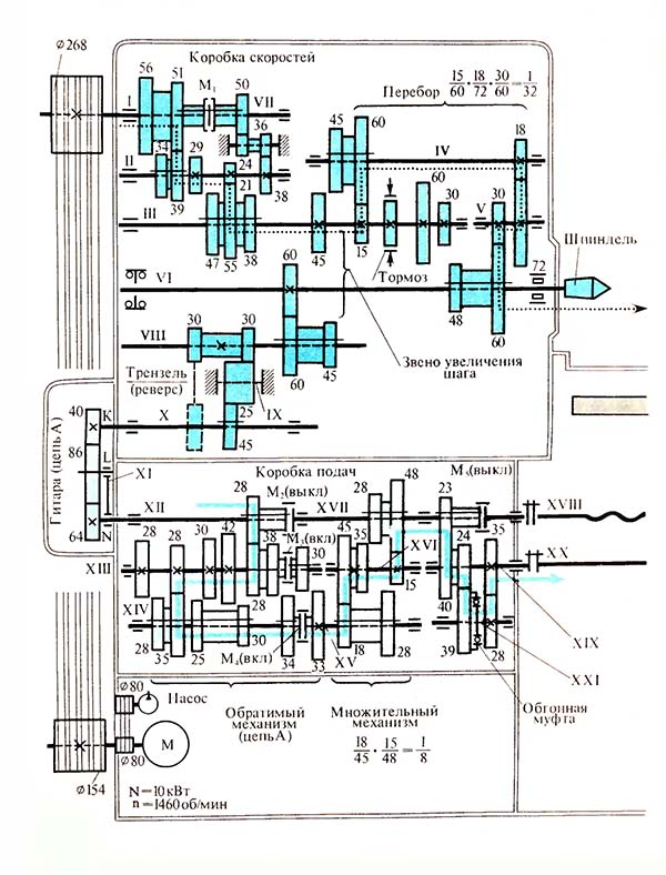
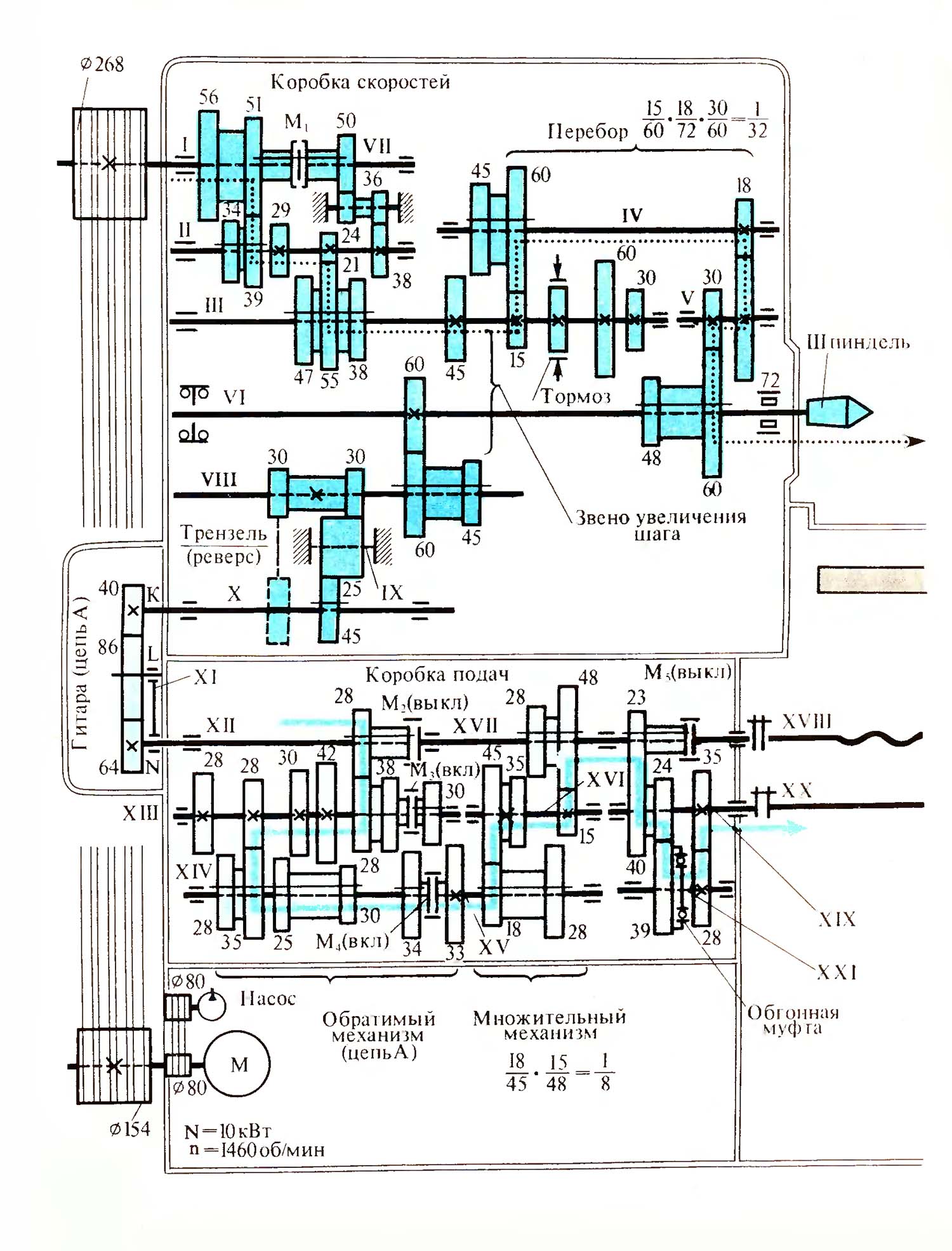
Кінематична схема верстата 16к20 наведена для розуміння зв'язків та взаємодії основних елементів верстата. На виносках проставлені числа зубів (z) шестерень (зірочкою позначено кількість заходів черв'яка).

Кінематична схема токарно-гвинторізного верстата 16К20
Схема кінематична токарно-гвинторізного верстата 16К20. Дивитись у збільшеному масштабі

Кінематична схема шпиндельной бабки токарно-гвинторізного верстата 16К20
Схема кінематична токарно-гвинторізного верстата 16К20. Дивитись у збільшеному масштабі

Структурна схема коробки швидкостей токарно-гвинторізного верстата 16К20
Привід головного руху складається з одношвидкісного асинхронного електродвигуна трифазного струму та ступінчастої механічної коробки швидкостей. Від електродвигуна Ml з n дв = 1460 об/хв (рис. 4.3) через клинопасову передачу з діаметром шківів Ø 140 і Ø 268 мм обертається вал I коробки швидкостей, на якому встановлені зубчасті колеса, що вільно обертаються, з числом зубів z = 56 і z = 51 для прямого обертання шпинделя (за годинниковою стрілкою) та z = 50 для зворотного обертання (проти годинникової стрілки).
Увімкнення прямого або зворотного обертання шпинделя здійснюється за допомогою подвійної фрикційної муфти МФ1.
Вал III отримує дві швидкості обертання через колеса z=34 або z=39.
Далі за допомогою зубчастиних коліс z = 29, z = 21 або z = 38 і зчепляються з одним з відповідних вінців z = 47, z = 55 або z = 38 і утворюють потрійний блок, що приводиться в обертання вал IV.
З валу IV обертання може передаватися безпосередньо на шпиндель: через зубчасті колеса z = 60 або z = 30 на блок з z = 48, z = 60 або через вали V і VI, що утворюють разом із зубчастиними колесами перебірну групу. В цьому випадку обертання передається зубчастиними колесами z = 45 або z = 15 (на валу IV), що зчеплюються з одним з вінців блоку z = 45, z = 60 (на валу V), та парами коліс 18/72 та 30/60.
В шпиндельной бабке помимо коробки швидкостей смонтирован перебор. Под перебором понимается дополнительная зубчатая передача, при помощи которой достигается увеличение количества швидкостей шпинделя. Кроме того, наличие перебора позволяет получать низкие числа оборотів і соответственно высокие значения крутящих моментов на выходном валу коробки.
Минимальная і максимальная частоти прямого обертання шпинделя определяются:

где:
η — коеффициент проскальзывания ременной передачи, в расчетах принимают η = 0,985
nдв - скорость обертання електродвигуна nдв = 1460 об/мин
140/268 - отношение диаметра передающего шкива к диаметру принимающего. Диаметр ведущего шкива Ø 140, Диаметр ведомого шкива Ø 268 мм
Следует отметить, что при расчете частоти обертання шпинделя по уравнениям кинематических ланцюгів коробки швидкостей, результат може не совпадать з частотами обертання шпинделя, указанными в технических характеристиках верстата, расчитанных теоретически по законам геометрического ряда (гост 8032-84).

Кинематические ланцюги прямого і обратного обертання шпинделя

График оборотів шпинделя токарно-гвинторізного верстата 16к20
В зависимости от варіантівувімкнення зубчатых колес в коробке швидкостей можно получить 22 различных значения частот обертання шпинделя.
Привід подач включает в себя наступні ланцюги і вузли (см.кинематическую схему):

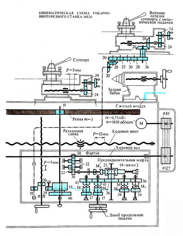
Кінематична схема суппорта і фартука верстата 16К20

Структурна схема подач і резьбонарізання токарно-гвинторізного верстата 16к20
Рух подач заимствуется в шпиндельной бабке от шпинделя при работающей паре z = 60/60.
При необходимости увеличения шага рух заимствуется от вала III при включенной передаче z = 45/45. В етом случае подача і шаг різьби увеличиваются в зависимости от положения блоков в 2; 8 і 32 раза.
Механізм реверса обеспечивает правое вращение ходового гвинта через пару z = 30/45, левое — через передачу z = 30/25·25/45.
В гітарі сменных колес K/L, M/N при отправке верстата з завода устанавливают шестерни з числом зубъев z = 40/86, z = 86/64. Такая комбинация обеспечивает подачі, нарезание метрических і дюймовых різьб з шагами, величины которых указаны в талице закрепленной на станке.
Кинематическая ланцюг подачі согласовывает вращение шпинделя з переміщенням суппорта в продольном или поперечном направлениях: за 1 оборот шпинделя супорт должен переместиться на величину S.
Рівняння кинематического баланса ланцюги поздовжньої подачі имеет вид:
S = 1об.шп. · z1/z2 · π · m · z мм/об,
где:
Універсальная коробка подач 16Б20П.070 обеспечивает продольные подачі (22 шт), мм/об:
Рівняння кінематичної ланцюги для получения минимальной поздовжньої подачі можно записать в следующем виде:

Рівняння кинематического баланса ланцюги поперечної подачі имеет вид:
S = 1об.шп. · z1/z2 · р мм/об,
где:
Полное рівняння кинематического баланса для ланцюги минимальной поперечної подачі:
Соответственно кінематична ланцюг поперечної подачі согласовывает вращение шпинделя і поперечного ходового гвинта; величина поперечної подачі при одной і той же наладке верстата составляет 1/2 поздовжньої.
Рівняння кінематичної ланцюги для получения максимально поперечної подачі можно записать в следующем виде:

В коробке подач токарно-гвинторізного верстата 16к20 подачі расположены не по геометрическому ряду, поетому налаштування верстата на необходимую подачу производят по таблицам, расположенным на панелі передньої бабки.
В случае нарізання точных різьб вращение може быть передано от гітари сменных колес непосредственно на ходовой винт з шагом t = 12 мм через валы XII, XVII, XXIII при включенных зубчатых муфтах М2 і М5, минуя механізм коробки подач.
и подачі поперечные (24 шт), мм/об:
При нарезании різьби за один оборот шпинделя супорт (різець) должен переместиться на шаг різьби Рр.
Рівняння кинематического баланса ланцюги нарізання метрической різьби имеет вид:
S = Рм = 1об.шп. · z1/z2 · Рх мм/об,
где:
Рівняння кинематического баланса для нарізання метрической різьби з минимальным шагом:

При нарезании дюймовых різьб шаг задается числом ниток на дюйм, все параметри різьби выражены в дюймах, (дюйм = 25,4 мм).
Для трубной дюймовой різьби размер в дюймах характеризует условно просвет в трубе, а наружный диаметр, на самом деле, существенно больше.
Шаг дюймовой різьби в милиметрах:
Pд = 25,4/k мм/об,
где:
Рівняння кинематического баланса для нарізання дюймовой різьби з минимальным шагом:

Модульные різьби используют, обычно, при нарезании червяков.
Шаг модульной різьби выражается через модуль - число кратное пи (3,14).
Шаг модульной різьби в милиметрах:
Pм = 3,14 · m мм,
где:
Модульна і питчевая резьба применяется при нарезании червяка червячной передачи. Профиль витка модульного червяка архимедовой спирали, евольвенты окружности, удлинённой или укороченной евольвенты і трапеции.
Питчевая резьба задается диаметральным питчем П.
Формула для определения шага нарезаемой питчевой різьби имеет вид:
Pп = (25,4 · π) / П мм,
где:

Таблиця подач і шагов нарезаемой різьби верстата 16к20

Коробка швидкостей токарно-гвинторізного верстата 16к20
2. Таблиця різьб і швидкостей токарно-гвинторізного верстата 16К20. Скачать в увеличенном масштабе

Шпиндельная бабка токарно-гвинторізного верстата 16к20
1. Шпиндельная бабка токарного верстата 16К20. Развертка. Скачать в увеличенном масштабе
2. Шпиндельная бабка токарно-гвинторізного верстата 16К20. Разрез Б-Б, В-В, Г-Г, Д-Д
3. Шпиндельная бабка токарно-гвинторізного верстата 16К20. Разрез Е-Е, Ж-Ж, З-З, И-И
Все валы коробки швидкостей і шпиндель вращаются на опорах качения, которые смазываются как разбрызгиванием (коробка залита маслом), так і принудительно, з помощью насоса. Рух подачі от шпинделя передається валу трензеля і далее — на механізм подач.
Числа оборотів шпинделя в минуту - прямое вращение (22 шт): 12,5-16-20-25-31,5-40-50-63-80-100-125-160-200-250-315-400-500-630-800-1000-1250-1600.
Числа оборотів шпинделя в минуту - обратное вращение (11 шт): 19-30-48-75-120-190-300-476-753-1200-1900.
Шпиндель і все валы установлены на опорах качения. В передньої опоре шпинделя находится радиальный двухрядный роликовый подшипник, в котором предварительный натяг создается благодаря посадке внутреннего кольца на коническую шейку шпинделя. Если надвигать гайкой кольцо на конус, то оно расширяется і давит на ролики.
В задньої опоре шпинделя установлены два радиально-упорных шарикопідшипника, воспринимающих радиальные і осевые нагрузки; предварительный натяг регулируют гайкой, стягивающей внутренние кольца.
Валы II...V коробки швидкостей смонтированы на конических роликопідшипниках, что удобно для сборки і разборки; предварительный натяг регулируют нажимными гвинтами 3. Так как валы III і IV — длинные, для них предусмотрена средняя опора.
В левой частини фрикционной муфты 13, реверсирующей рух шпинделя, находится большое число дисков, так как при прямом направлении обертання требуются большие крутящие моменты. Особенностью блоков зубчатых колес є клеевые соединения венцов со ступицами.
Ступица колеса Z= 60 на валу III является диском ленточного тормоза; тяга механізма керування, устанавливая муфту в нейтральное положение, включает тормоз (нажимом на ролик 1).
Коробка подач верстата - унифицированный узел 16Б20П.070 і является типовой конструкцией закрытой коробки з передвижными блоками.
Связь шпинделя і суппорта верстата для обеспечения оптимального режима різання осуществляется з помощью механізма подач, состоящего из реверсирующего пристроя (трензеля) і гітари, которые осуществляют изменение направления і скорости переміщення суппорта.
Коробка подач закреплена на станине ниже шпиндельной (передньої) бабки і имеет несколько валов, на которых установлены подвижные блоки зубчатых колес і переключаемые зубчасті муфты. В правом положении муфты получает вращение ходовой винт, а в левом її положении (как показано на рисунке) через муфту обгона вращается ходовой вал.

Креслення коробки подач токарного верстата 16к20
1. Коробка подач токарно-гвинторізного верстата 16К20. Скачать в увеличенном масштабе
2. Коробка подач токарно-гвинторізного верстата 16К20. Разрез Б-Б
3. Коробка подач токарно-гвинторізного верстата 16К20. Разрез Г-Г

Схема коробки подач токарного верстата 16к20
Схема коробки подач токарного верстата 16к20. Скачать в увеличенном масштабе
При ремонтi верстата особое внимание следует обратить на правильность монтажа механізма переключения зубчатых колес, смонтированного на плите 38, которая крепится к корпусу 3, коробки подач. Во избежание нарушения порядка сцепления зубчатых колес коробки подач при сборке нужно совместить риски, нанесенные на шестернях 51 і 52.
Коробка передач служит для передачи обертання от выходного вала (ось I) шпиндельной бабки на выходной вал (ось II) коробки подач з помощью установки комбинаций сменных шестерен в соответствии со схемами таблицы (рис. 10). Верстат можно налаживать на нарезание различных резьб.
Сменные шестерни К і N монтируются на шлицевых валах і закрепляются болтами 9 через шайбы 8.
Промежуточные шестерни L і М устанавливаются на шлицевой втулке 10 оси 13, закрепляемой при помощи ключа в требуемом месте паза кронштейна 3, который фиксируется гайкой 6.
На торцах сменных шестерен К, L, М, N нанесены (см. упаковочный лист), число зубьев z і модуль т.
При закреплении кронштейна 3 і оси 13 нужно установить сменные шестерни з минимальным радиальным зазором.
Нельзя забывать о регулярной смазке (см. п. 6.2. «Карта змазки») сменных шестерен і втулки 10, которая смазывается через колпачковую масленку 12.
Натяжение ремня приводу быстрых перемещений суппорта осуществляется регулировочным винтом 3, который контрится гайкой 2.
При чистке ходового гвинта 13 і ходового вала 14 необходимо снять щитки 9 і 10. Для етого нужно отпустить винты 19 і вынуть щитки со стороны заднего кронштейна 18.
| Наименование параметра | 16К20 | 16К20П |
|---|---|---|
| Основні параметри верстата | ||
| Класс точності по ГОСТ 8-82 | Н | П |
| Наибольший диаметр заготовки устанавливаемой над станиной, мм | 400 | 400 |
| Высота оси центров над плоскими направляющими станины, мм | 215 | 215 |
| Наибольший диаметр заготовки обрабатываемой над суппортом, мм | 220 | 220 |
| Наибольшая длина заготовки, устанавливаемой в центрах (РМЦ), мм | 710, 1000, 1400, 2000 |
710, 1000 |
| Наибольшее расстояние от оси центров до кромки резцедержателя, мм | 225 | 225 |
| Наибольший диаметр сверла при сверлении стальных деталей, мм | 25 | 25 |
| Наибольшая масса заготовки, обрабатываемой в центрах, кг | 460..1300 | 460..1300 |
| Наибольшая масса заготовки, обрабатываемой в патроне, кг | 200 | 200 |
| Шпиндель | ||
| Диаметр отверстия в шпинделе, мм | 52 | 52 |
| Наибольший диаметр прутка, проходящий через отверстие в шпинделе, мм | 50 | 50 |
| Частота обертання шпинделя в прямом направлении, об/мин | 12,5..1600 | 12,5..1600 |
| Частота обертання шпинделя в обратном направлении, об/мин | 19..1900 | 19..1900 |
| Количество прямых швидкостей шпинделя | 22 | 22 |
| Количество обратных швидкостей шпинделя | 11 | 11 |
| Кінець шпинделя по ГОСТ 12593-72 | 6К | 6К |
| Коническое отверстие шпинделя по ГОСТ 2847-67 | Морзе 6 | Морзе 6 |
| Диаметр фланца шпинделя, мм | 170 | 170 |
| Наибольший крутящий момент на шпинделе, Нм | 1000 | 1000 |
| Суппорт. Подачи | ||
| Наибольшая длина продольного переміщення, мм | 645, 935, 1335, 1935 | 645, 935 |
| Наибольшая длина поперечного переміщення, мм | 300 | 300 |
| Скорость быстрых продольных перемещений, мм/мин | 3800 | 3800 |
| Скорость быстрых поперечных перемещений, мм/мин | 1900 | 1900 |
| Максимально допустимая скорость перемещений при работе по упорам, мм/мин | 250 | 250 |
| Минимально допустимая скорость переміщення каретки (суппорта), мм/мин | 10 | 10 |
| Цена деления лимба продольного переміщення, мм | 1 | 1 |
| Цена деления лимба поперечного переміщення, мм | 0,05 | 0,05 |
| Диапазон продольных подач, мм/об | 0,05..2,8 | 0,05..2,8 |
| Диапазон поперечных подач, мм/об | 0,025..1,4 | 0,025..1,4 |
| Количество подач продольных | 42 | 42 |
| Количество подач поперечных | 42 | 42 |
| Количество нарезаемых різьб - метрических | ||
| Количество нарезаемых різьб - модульных | ||
| Количество нарезаемых різьб - дюймовых | ||
| Количество нарезаемых різьб - питчевых | ||
| Пределы шагов метрических резьб, мм | 0,5..112 | 0,5..112 |
| Пределы шагов дюймовых резьб, ниток/дюйм | 56..0,5 | 56..0,5 |
| Пределы шагов модульных резьб, модуль | 0,5..112 | 0,5..112 |
| Пределы шагов питчевых резьб, питч диаметральный | 56..0,5 | 56..0,5 |
| Наибольшее усилие, допускаемое механізмом подач на резце - продольное, Н | 5884 | 5884 |
| Наибольшее усилие, допускаемое механізмом подач на резце - поперечное, Н | 3530 | 3530 |
| Резцовые салазки | ||
| Наибольшее перемещение резцовых салазок, мм | 150 | 150 |
| Перемещение резцовых салазок на одно деление лимба, мм | 0,05 | 0,05 |
| Наибольший угол поворота резцовых салазок, град | ±90° | ±90° |
| Цена деления шкалы поворота резцовых салазок, град | 1° | 1° |
| Наибольшее сечение державки резца, мм | 25 × 25 | 25 × 25 |
| Высота от опорной поверхности резца до оси центров (высота резца), мм | 25 | 25 |
| Число резцов в резцовой головке | 4 | 4 |
| Задня бабка | ||
| Диаметр пиноли задньої бабки, мм | ||
| Конус отверстия в пиноли задньої бабки по ГОСТ 2847-67 | Морзе 5 | Морзе 5 |
| Наибольшее перемещение пиноли, мм | 150 | 150 |
| Перемещение пиноли на одно деление лимба, мм | 0,1 | 0,1 |
| Величина поперечного смещения корпуса бабки, мм | ±15 | ±15 |
| Електроустаткування | ||
| Електродвигун головного привода, кВт | 11 | 11 |
| Електродвигун приводу быстрых перемещений, кВт | 0,12 | 0,12 |
| Електродвигун насоса СОЖ, кВт | 0,125 | 0,125 |
| Габарити і масса верстата | ||
| Габарити верстата (длина ширина высота) РМЦ=1000, мм | 2795 × 1190 × 1500 | 2795 × 1190 × 1500 |
| Масса верстата, кг | 3010 | 3010 |
Полезные ссылки по теме. Дополнительная информация
16К20, 16К20Г Паспорт токарно-гвинторізного верстата, (pdf) 3,6 Мб, Скачать
16К20 Ремонт токарно-гвинторізного верстата 16К20. Часть 1. Общее опис і чертежи вузлів
16К20 Ремонт токарно-гвинторізного верстата 16К20. Частина 2. Технологічний процес ремонту верстата
16К20 Ремонт токарно-гвинторізного верстата 16К20. Часть 3. Сменяемые детали
Верстати металорізальні Ілюстрований каталог на cd
100 найбільших фірм світу Ілюстрований каталог на cd
Верстати Німецькі Ілюстрований каталог на cd
Верстати Болгарські Ілюстрований каталог на cd
Верстати Тайванські Ілюстрований каталог на cd
Верстати Китайські Ілюстрований каталог на cd
Верстати стрічковопильні Ілюстрований каталог на cd
Машини ковальсько-пресові Ілюстрований каталог на CD
Деревообробне обладнання Ілюстрований каталог на cd
Продавці, пропозиції, ціни База даних
Іноземні виробники металообробного обладнання
Вузли, комплектуючі, оснастка Ілюстрований каталог на cd
Електронна бібліотека - верстатобудування, металообробка
Замовити
Хто володіє інформацією – той володіє світом.
Натан Ротшильд