Виробник токарного верстата ІТ-42 - Іжевський верстатобудівний завод Іжмаш , заснований у 1807 році.
Історія верстатобудування на Іжевському машинобудівному заводі "Іжмаш" починається 28 липня 1930 р. після виходу наказу №181 про створення верстатобудівного відділу.
Найбільш масовими моделями універсальних токарних верстатів, випущеними в різний час, стали "Удмурт", "Удмурт-2" (161-АМ), ІЖ-250, 1І611П, 1ІС611В, 95ТС, 250ІТВМ, 250ІТВМ4 та токар.
Токарний верстат з числовим програмним керуванням ІТ-42 призначений для токарної обробки деталей типу тіл обертання з прямолінійним, ступінчастиним та криволінійним профілем, у тому числі, для нарізування різьблень у напівавтоматичному режимі в патроні та центрах; використовується в дрібносерійному та серійному виробництві.
Головний рух - обертання шпинделя верстата ІТ-42 здійснюється від електродвигуна постійного струму через двоступінчастиний механізований редуктор та поліклінову ремінну передачу.
Частота обертання електродвигуна постійного струму регулюється тиристорним блоком регулювання.
Перемикання шестерень редуктора (перебору) провадиться за допомогою пневмоциліндра.
Датчик різьблення обертається шпинделем через ремінну передачу з плоскими зубами.
Поздовжнє та поперечне переміщення супортів верстата ІТ-42 здійснюється від індивідуальних високомоментних електродвигунів постійного струму через плоскозубчасту пасову передачу та передачу ВГК («Вінт - гайка кочення»).
Частота обертання електродвигунів приводів подач регулюється за допомогою блоку регулювання тиристора. Приводи подач забезпечені датчиками зворотного зв'язку.
Керуючі програми з переміщення інструменту, керування головним приводом та допоміжними командами вводяться в пам'ять системи керування з клавіатури пульта оператора, а також з персонального комп'ютера через послідовний інтерфейс і можуть коригуватися з пульта оператора УЧПУ. Підтримується постійна швидкість. Для роботи в режимі налагодження можливе застосування електронних штурвалів.
Привід затискання деталі від пневмоциліндра, що обертається, в клиновому патроні, можливе виконання з порожнистим клиновим патроном для обробки відрізка прутка в автоматичному циклі із застосуванням пристрою захоплення прутка, встановленого на супорті.
Токарний верстат ІТ-42 (базова модель) з комплектною системою електрообладнання, з влаштуванням ЧПУ "Маяк-223", "Маяк-400", "Маяк-500". Компонування з окремою електрошафою.
Токарний верстат ІТ-42C з одноблочним компонуванням з пристроєм ЧПУ "Sinumerik 802S", приводи та двигуни подач - крокові фірми "Siemens" (Німеччина), привід головного руху - "Hitachi" (Японія), двигун асинхронний потужністю 5,5 кВт з редуктором 1/4.
Токарний верстат ІТ-42М з одноблочним компонуванням з пристроєм ЧПУ "Маяк-500", приводи та двигуни подач - крокові фірми "Siemens" (Німеччина), привід головного руху - "Hitachi" (Японія), двигун асинхронний потужністю 5,5 кВт з редуктор 1/4.

Шпиндель токарного верстата ІТ-42
Шпиндель токарного верстата ІТ-42. Завантажити у збільшеному масштабі

Фото токарного верстата ІТ-42

Фото токарного верстата ІТ-42

Фото токарного верстата ІТ-42
Фото токарного верстата ІТ-42. Завантажити у збільшеному масштабі

Фото датчика для нарізування різьблення токарного верстата ІТ-42
Фото датчика для нарізування різьблення токарного верстата ІТ-42. Завантажити у збільшеному масштабі

Фото токарного верстата ІТ-42
Фото токарного верстата ІТ-42. Завантажити у збільшеному масштабі

Розташування складових частин токарного верстата ИТ-42
Розташування складових частин токарного верстата ИТ-42. Скачать в увеличенном масштабе
Цанговый зажим - ИТ42.25.000*
Приспособление для налаштування инструмента - ИТ42.68.000*
Комплект инструмента і приладдя - ИТ42.88.000*
Електроустаткування - ИТ42.90.000*

Розташування органів керування токарним верстатом ИТ-42
Електроустаткування токарного верстата ИТ-42 оснащено следующими блокировками:
1. Блокировка, запрещающая увімкнення робочого цикла верстата при незакрытой зоне обробки передними і задними екранами.
2. Блокировка, запрещающая одновременное увімкнення обертання і торможения електродвигуна головного привода.
3. Блокировка, запрещающая дальнейшее перемещени каретки і суппорта після того как они были остановлены путевыми выключателями.
4. Блокировка, запрещающая работу верстата при снижении давления в пневмосети ниже 0,4 МПа.
5. Блокировка, запрещающая работу верстата при отсутствии подачі масла в переднюю бабку или при закупорке маслоканала дозированной системы змазки.
6. Блокировка, запрещающая отработку кадра программы з переміщеннями при невращающемся шпинделе.
7. Блокировка, исключающая самопроизвольное увімкнення верстата при восстановлении внезапно исчезнувшего питающего напряжения.
8. Блокировка, запрещающая разжим детали при вращении шпинделя.

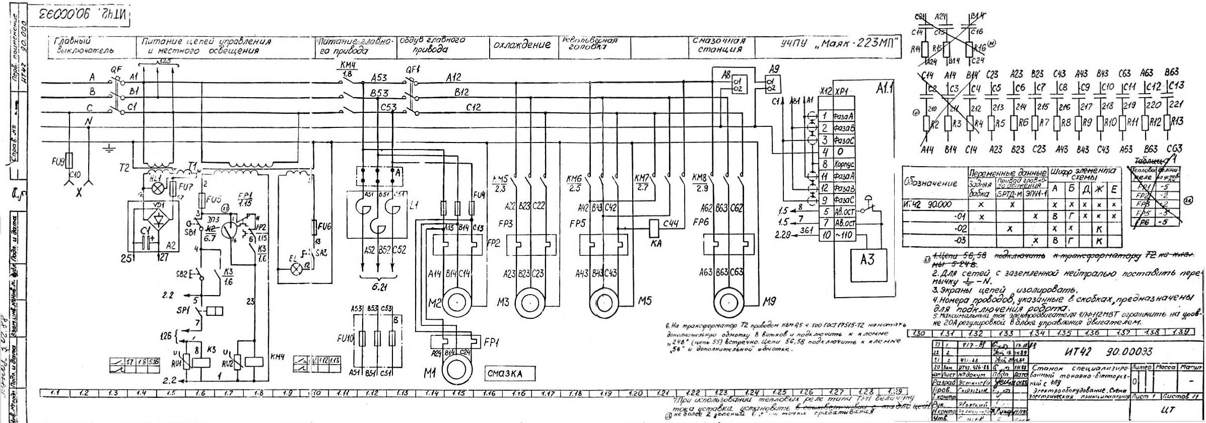
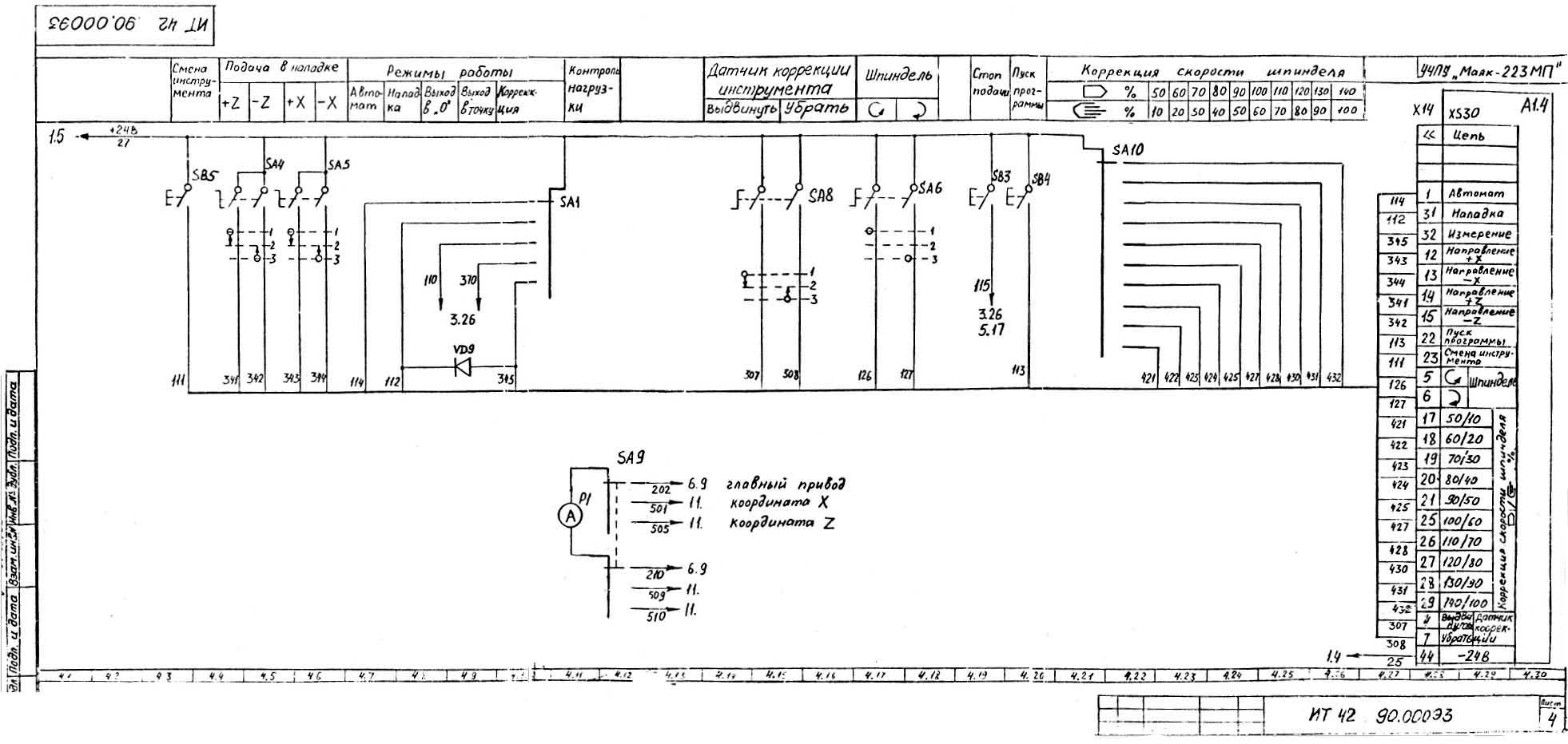
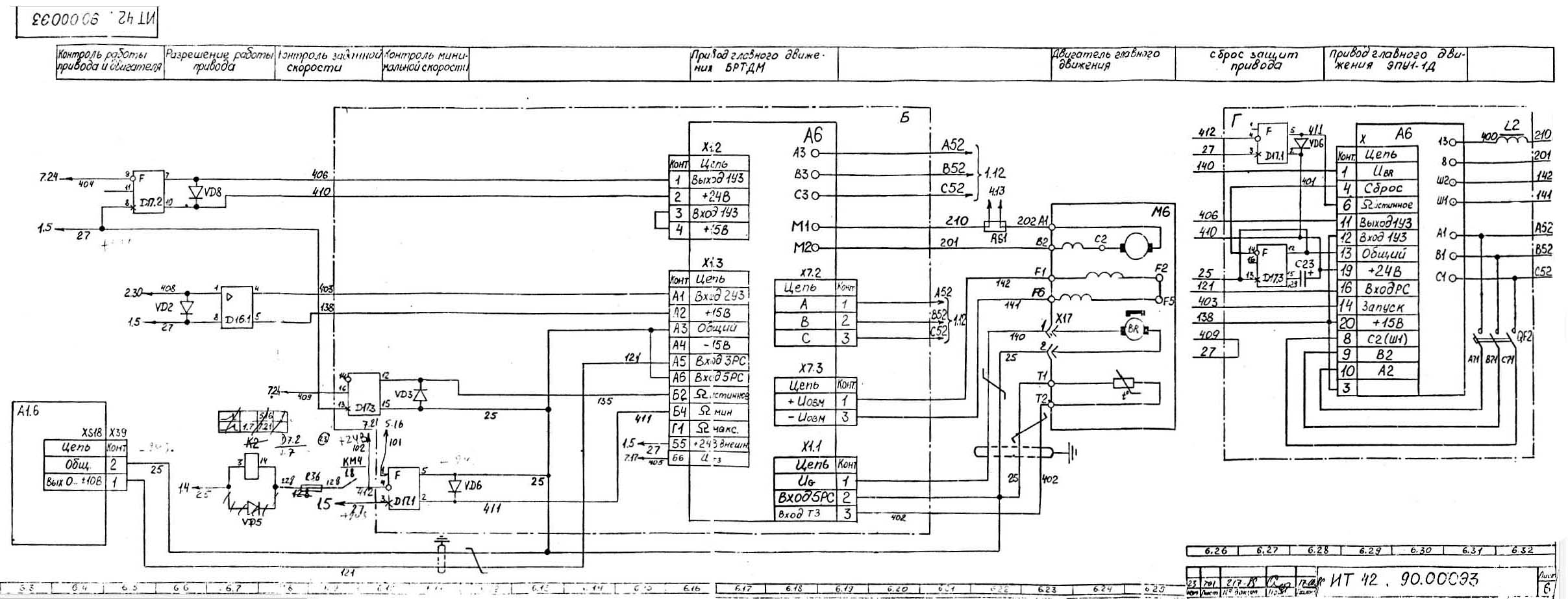
Електрична схема токарного верстата ИТ-42
Електрична схема токарного верстата ИТ-42. Скачать в увеличенном масштабе

Електрична схема токарного верстата ИТ-42
Електрична схема токарного верстата ИТ-42. Скачать в увеличенном масштабе

Електрична схема токарного верстата ИТ-42
Електрична схема токарного верстата ИТ-42. Скачать в увеличенном масштабе

Електрична схема токарного верстата ИТ-42
Електрична схема токарного верстата ИТ-42. Скачать в увеличенном масштабе

Електрична схема токарного верстата ИТ-42
Електрична схема токарного верстата ИТ-42. Скачать в увеличенном масштабе

Електрична схема токарного верстата ИТ-42
Електрична схема токарного верстата ИТ-42. Скачать в увеличенном масштабе

Електрична схема токарного верстата ИТ-42
Електрична схема токарного верстата ИТ-42. Скачать в увеличенном масштабе

Електрична схема токарного верстата ИТ-42
Електрична схема токарного верстата ИТ-42. Скачать в увеличенном масштабе

Електрична схема токарного верстата ИТ-42
Електрична схема токарного верстата ИТ-42. Скачать в увеличенном масштабе

Електрична схема токарного верстата ИТ-42
Електрична схема токарного верстата ИТ-42. Скачать в увеличенном масштабе

Електрична схема токарного верстата ИТ-42
Електрична схема токарного верстата ИТ-42. Скачать в увеличенном масштабе

Список елементів токарного верстата ИТ-42
Список елементів токарного верстата ИТ-42. Скачать в увеличенном масштабе

Список елементів токарного верстата ИТ-42
Список елементів токарного верстата ИТ-42. Скачать в увеличенном масштабе

Список елементів токарного верстата ИТ-42
Список елементів токарного верстата ИТ-42. Скачать в увеличенном масштабе

Список елементів токарного верстата ИТ-42
Список елементів токарного верстата ИТ-42. Скачать в увеличенном масштабе

Список елементів токарного верстата ИТ-42
Список елементів токарного верстата ИТ-42. Скачать в увеличенном масштабе

Список елементів токарного верстата ИТ-42
Список елементів токарного верстата ИТ-42. Скачать в увеличенном масштабе

Список елементів токарного верстата ИТ-42
Список елементів токарного верстата ИТ-42. Скачать в увеличенном масштабе

Список елементів токарного верстата ИТ-42
Список елементів токарного верстата ИТ-42. Скачать в увеличенном масштабе

Список елементів токарного верстата ИТ-42
Список елементів токарного верстата ИТ-42. Скачать в увеличенном масштабе

Список елементів токарного верстата ИТ-42
Список елементів токарного верстата ИТ-42. Скачать в увеличенном масштабе

Список елементів токарного верстата ИТ-42
Список елементів токарного верстата ИТ-42. Скачать в увеличенном масштабе

Список елементів токарного верстата ИТ-42
Список елементів токарного верстата ИТ-42. Скачать в увеличенном масштабе

Список елементів токарного верстата ИТ-42
Список елементів токарного верстата ИТ-42. Скачать в увеличенном масштабе

Список елементів токарного верстата ИТ-42
Список елементів токарного верстата ИТ-42. Скачать в увеличенном масштабе

Список елементів токарного верстата ИТ-42
Список елементів токарного верстата ИТ-42. Скачать в увеличенном масштабе

Список елементів токарного верстата ИТ-42
Список елементів токарного верстата ИТ-42. Скачать в увеличенном масштабе
| Наименование параметра | ит42 | 1и611пмф3 |
|---|---|---|
| Основні параметри верстата | ||
| Класс точності по ГОСТ 8-82 | П | П |
| Наибольший диаметр обрабатываемого вироби над станиной, мм | 320 | 320 |
| Наибольший диаметр обрабатываемого вироби над суппортом, мм | 125 | 125 |
| Наибольшая длина обрабатываемого вироби в центрах, мм | 400 | 500 |
| Наибольшая длина обрабатываемого вироби в патроне, мм | 125 | |
| Наибольшее сечение резца, устанавливаемого в пазах инструментальной головки, мм | 20 х 20 | 20 х 20 |
| Количество сменяемого по программе инструмента | 8 | 4 |
| Шпиндель | ||
| Диапазон швидкостей шпинделя, переключаемых по программе, об/мин | 0..3000 | 50..2000 |
| Количество швидкостей шпинделя, устанавливаемый вручную, об/мин | 16 | |
| Количество рабочих швидкостей шпинделя, переключаемых по программе | 8 | |
| Диаметр отверстия в шпинделе, мм | 32 | 25 |
| Размер внутреннего конуса шпинделя передньої бабки по ГОСТ 25557-82 | Морзе 5 | - |
| Центр в шпинделе передньої бабки по ГОСТ 13214-79 (7032-0029) | - | Морзе 4 |
| Кінець шпинделя по ГОСТ 12593-72 | 4К | 4К |
| Наибольший крутящий момент на шпинделе, Нм | 89,96 | |
| Предельный диаметр сверления по стали/ чугуну, мм | ||
| Торможение шпинделя | имеется | |
| Реверсирование шпинделя по программе | имеется | |
| Диаметр стандартного патрона, мм | 160 | 160 (СТ 160В-Ф4) |
| Суппорт. Подачи | ||
| Наибольшее перемещение поздовжньої каретки суппорта, мм | 470 | |
| Наибольшее перемещение поперечної каретки суппорта, мм | 173 | |
| Диапазон швидкостей продольных подач при работе по одной координате, мм/мин | 3..2000 | 3..3600 |
| Диапазон швидкостей поперечных подач при работе по одной координате, мм/мин | 1,5..1000 | 1,5..1800 |
| Диапазон швидкостей продольных подач при работе по двум координатам, мм/мин | 3..1800 | |
| Диапазон швидкостей поперечных подач при работе по двум координатам, мм/мин | 1,5..900 | |
| Скорость быстрых (установочных) продольных перемещений суппорта, м/мин | 8 | |
| Скорость быстрых (установочных) поперечных перемещений суппорта, м/мин | 4 | |
| Предельные значения шагов нарезаемых цилиндрических резьб, мм | 0,2..40 | 0,2..60 |
| Точность позиционирования по диаметру (оси X), мм | 0,05 | |
| Точность позиционирования по длине (оси Z), мм | 0,1 | |
| Количество позиций на поворотной резцедержке (число инструментов в револьверній головці) | 8 | 4 |
| Задня бабка | ||
| Наибольшее перемещение пиноли задньої бабки, мм | 90 | 85 |
| Размер внутреннего конуса в пиноли задньої бабки по ГОСТ 25557-82 | Морзе 3 | - |
| Центр в шпинделе передньої бабки по ГОСТ 13214-79 (7032-0029) | - | Морзе 3 |
| Цена деления лимба, мм | 0,05 | |
| Параметри системы ЧПУ | ||
| Обозначение системы ЧПУ | Маяк 223МП | Маяк 221 |
| Число координат | 2 | |
| Количество одновременно управляемых координат | 2 | |
| Дискретность задания переміщення в продольном направлении (дискретность задания по оси Z), мм | 0,002 | |
| Дискретность задания переміщення в поперечном направлении (на радиус) (дискретность задания по оси X), мм | 0,001 | |
| Тип датчика обратной связи в приводе подач | ВЕ-178А | |
| Тип резьбонарезного датчика | ВЕ-178А | |
| Електроустаткування. Привод | ||
| Количество електродвигателей на станке | 9 | 6 |
| Електродвигун приводу головного руху, кВт | 7,5 (М6) | 3,0 (М1) |
| Електродвигун приводу продольных подач, кВт | 0,55 (М8) | 0,48 (М5) |
| Електродвигун приводу поперечных подач, кВт | 0,55 (М7) | 0,48 (M6) |
| Електродвигун револьверної головки, кВт | 0,12 (М5) | - |
| Електродвигун приводу пінолі задньої бабки, кВт | 0,25 (M4) | - |
| Електродвигун гідростанції, кВт | - | 3.0 (M4) |
| Електродвигун станції мастила шпинделя, кВт | 0,09 (M1) | |
| Електродвигун станції мастила вузлів верстата, кВт | 0,55 (M9) | |
| Електродвигун обдування приводу головного руху, кВт | 0,09 (М2) | |
| Електродвигун насоса охолодження, кВт | 0,18 (М3) | 0,12 (М3) |
| Габарити та маса верстата | 2950 х 1800 х 1900 | 2900 х 1700 х 1700 |
| Маса верстата з ЧПУ, кг | 2160 | 1400 |