metalinstryment.com
Довідник по металорізальних верстатів та пресовому обладнанні

ГД200 Верстат долбежный з механическим приводом малогабаритный
опис, характеристики, схеми

Фото долбежного верстата ГД200







Відомості про виробника долбежного верстата ГД200, ГД200-1

Разработчиком і изготовителем долбежного верстата ГД200, ГД200-1 является Гомельский станкостроительный завод им. С. М. Кирова СтанкоГомель, основанный в 1885 году.





Верстати, выпускаемые предприятием Гомельский станкостроительный завод им. С. М. Кирова, СтанкоГомель


ГД200 (ГД-200) долбежный верстат з механическим приводом малогабаритный. Назначение і область применения

Долбёжный верстат ГД200 (ГД-200) предназначен для изготовления шпоночных пазов, шлицев, поднутрений і канавок на фасонных і плоских поверхностях в единичном і мелкосерийном производстве. Верстат оснащен поворотной резцевой головкой для долбления под углом 90° в обе стороны, пристрійм наклона салазок долбяка на угол до 5° к вертикальной плоскости для изготовления шпоночных пазов в конических отверстиях, а также вертикально переустанавливаемым долбяком в диапазоне до 265 мм, что позволяет значительно расширить номенклатуру обрабатываемых на станке изделий.

Верстат ГД200 укомплектован поворотной резцовой головкой для долбления под углом до 90 градусов в обе стороны. Конструкцией верстата ГД 200 (ГД200-01) предусмотрено пристрій наклона салазок долбяка на угол до 5 градусов к вертикальной плоскости, которое применяется для изготовления шпоночных пазов в конических отверстиях. Так же на станке имеется механізм, позволяющий настраивать величину ходу долбяка на определенную глубину обробки детали з функцией автоматичного отключения верстата в кінці обробки.


Кмплект поставки верстата ГД200-01





Габаритные розміри робочого простору верстата долбежного верстата ГД200

Габаритные розміри робочого простору верстата долбежного верстата ГД200

Габаритные розміри робочого простору верстата долбежного верстата гд200


ГД200 Посадочные і присоединительные базы долбежного верстата

Рабочий стол долбежного верстата ГД200

Рабочий стол долбежного верстата гд200


Резцовая головка долбежного верстата ГД200

Резцовая головка долбежного верстата гд200


Різцетримка долбежного верстата ГД200

Різцетримка долбежного верстата гд200



ГД200 Загальний вигляд долбежного верстата

Фото долбежного верстата гд200

Фото долбежного верстата гд200

Фото долбежного верстата гд200. Дивитись у збільшеному масштабі



Фото долбежного верстата гд200

Фото долбежного верстата гд200

Фото долбежного верстата гд200. Дивитись у збільшеному масштабі



Фото долбежного верстата гд200

Фото долбежного верстата гд200

Фото долбежного верстата гд200. Дивитись у збільшеному масштабі



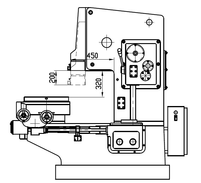
ГД200 Розташування складових частин долбежного верстата

ГД200 Розташування складових частин долбежного верстата

Розташування складових частин долбежного верстата ГД200

Розташування складових частин верстата ГД200. Дивитись у збільшеному масштабі



Специфікація основних вузлів долбежного верстата ГД200

  1. Станина - ГД200.10.00.000
  2. Стол - ГД200.20.00.000
  3. Коробка швидкостей - ГД200.30.00.000
  4. Коробка подач - ГД200.40.00.000
  5. Привід - ГД200.50.00. 000
  6. Долбяк - ГД200.60.00.000
  7. Механізм кулисный - ГД200.61.00.000
  8. Смазка - ГД200.71.00.000
  9. Електроустаткування - ГД200-01.80.00.000
  10. Электрошкаф - ГД200-01.81.00. 000

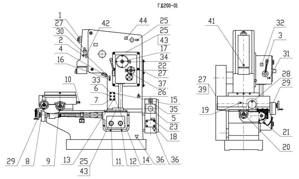
ГД200 Розташування органів керування долбежным верстатом

Розташування органів керування долбежным верстатом ГД200

Розташування органів керування долбежным верстатом ГД200

Розташування складових частин верстата ГД200. Дивитись у збільшеному масштабі



Список органів керування долбежным верстатом ГД200

  1. Гайка зажиму долбяка при перестановке
  2. Квадрат для изменения положения долбяка
  3. Рукоятка установки числа двойных ходов долбяка
  4. Гайка регулировки угла наклона рамы долбяка
  5. Рукоятка керування вводного автомата
  6. Кнопка пуска долбяка
  7. Кнопка ускоренного переміщення стола
  8. Маховик ручной круговой подачі стола
  9. Маховик ручной поперечної подачі стола
  10. Рукоятка увімкнення круговой подачі стола
  11. Лимб коробки подачі стола
  12. Ступица отключения подачі стола
  13. Кнопка "Загальний стоп"
  14. Кнопка "Стоп долбяка"
  15. Кнопка "Пуск головного двигуна"
  16. Кнопка ускоренной подачі масла к направляющим рамы долбяка
  17. Квадрат для установки длины ходу долбяка
  18. Выключатель освещения
  19. Рукоятка фиксации стола
  20. Маховик ручной поздовжньої подачі стола
  21. Рукоятка реверсирования подачі стола
  22. Квадрат ручного переміщення долбяка




ГД200 Долбежный верстат з механическим приводом. Відеоролик.





Технічні характеристики долбежного верстата ГД200

Наименование параметра 7А420 ГД200
Основні параметри верстата
Класс точності верстата Н Н
Наибольшая высота обрабатываемого вироби, мм, при обработке наружной поверхности, мм 300
Наибольшая высота обрабатываемого вироби, мм, при обработке внутренней поверхности, мм 100
Наибольшая масса устанавливаемой заготовки, кг 300
Наибольший ход долбяка, мм 20..200 20..200
Пределы двойных ходов в минуту (число швидкостей) 40..163 (4) 66, 101
Диаметр стола, мм 500 500
Рабочее пространство верстата
Расстояние от плоскости стола до направляючих долбяка, мм 320 320
Расстояние от долбяка до станины (вылет), мм 480 450
Установочное регулювання ходу долбяка, мм 264 265
Наибольшее усилие різання, кН (кгс) 15,0 (1500) 15,0 (1500)
Наибольшие переміщення стола продольные, мм 500 500
Наибольшие переміщення стола поперечные, мм 400 400
Наибольшие переміщення стола круговые, град 360° 360°
Цена деления лимба продольного переміщення, мм 0,05 0,05
Цена деления лимба поперечного переміщення, мм 0,05 0,05
Цена деления лимба кругового переміщення, мин 2'
Продольное перемещение за один оборот маховика, мм 6
Поперечное перемещение за один оборот маховика, мм 6
Круговое перемещение за один оборот маховика, град
Пределы подач за один двойной ход продольные, мм (число ступеней) 0,1..1,2 (12) 0,1..1,2 (12)
Пределы подач за один двойной ход поперечные, (число ступеней) мм 0,1..1,2 (12) 0,1..1,2 (12)
Пределы подач за один двойной ход круговые, (число ступеней) град 0,064..0,81 (12) 0,07..0,8
Скорость швидкого переміщення стола продольная, мм/мин 1,8
Скорость швидкого переміщення стола поперечная, мм/мин 1,8
Скорость швидкого переміщення стола круговая, град/сек 3,4
Наибольший угол наклона долбяка, град 5° от станины 5° от станины
Наибольший угол поворота головки резцедержателя, град ±90°
Наибольшее сечение резца (высота х ширина), мм 32 х 20 32 х 20
Електроустаткування. Привод
Количество електродвигателей на станке 2 2
Електродвигун приводу головного руху, кВт (об/мин) 2,8 1,4; 2,36 (750, 1500)
Електродвигун переміщення стола, кВт (об/мин) 1,1 (1400) 1,1 (1000)
Суммарная мощность всех електродвигателей, кВт
Габарити і масса верстата
Габарити верстата (длина ширина высота), мм 2300 х 1270 х 2175 1900 х 1270 х 2175
Масса верстата, кг 2000 2150


    Список литературы:

  1. Петруха П.Г. Резание конструкционных материалов, режущие инструменты і верстати, 1974, стр.438
  2. Яковцев А.Д. Работа на строгальных і долбёжных верстатах, 1966
  3. Копылов Р.Б. Работа на строгальных і долбежных верстатах, 1975








Подумай о своём будущем: положи сто рублей в карман зимней куртки.