metalinstryment.com
Довідник по металорізальних верстатів та пресовому обладнанні

7Д430 Електроустаткування верстата
Електросхема верстата

7Д430 долбежный верстат з гідравлическим приводом







Відомості про виробника долбежного верстата 7Д430

Разработчиком і изготовителем долбежного верстата 7Д430 является Гомельский станкостроительный завод им. С. М. Кирова СтанкоГомель, основанный в 1885 году.





Верстати, выпускаемые предприятием Гомельский станкостроительный завод им. С. М. Кирова, СтанкоГомель


7Д430 Долбежный верстат з гідравлическим приводом. Назначение і область применения

Гідрофицированный долбежный верстат моделі 7Д430 і 7Д450 предназначен для изготовления шпоночных пазов, шлицев і канавок на фасонных і плоских поверхностях, для долбления плоских і фасонных поверхностей, вырезов, канавок в цилиндрических і конических отверстиях і долбления з поднутрением до 10°.

Долбежный верстат 7Д430 предназначен для обробки долблением плоских і фасонных наружных поверхностей поверхностей изделий по высоте до 500 мм і обробки внутренних поверхностен изделий по высоте до 250 мм. Верстат пригоден для роботи в индивидуальном і мелкосерийном производстве, а также в ремонтных мастерских.

Верстат предназначен для обробки, пазов і канавок в разнообразных деталях, а также различных видов штампов, устанавливаемых непосредственно на столе или в приспособлениях. Возможность поворота рамы з долбяком позволяет обрабатывать наклонные плоскости, не меняя позиции детали.

Опис конструкції верстата і принцип роботи верстата 7Д430

Наличие трёх видов подач стола (поздовжньої, поперечної і круговой) даёт возможность обробки на данном станке нескольких поверхностей з одной установки. Наличие механических подач стола, механізма автоматичного останова, дистанционного керування позволяет многостаночное обслуговування.

Стол перемещается как вручную, так і механически. Круговая подача стола дает возможность обрабатывать на станке круглые детали і зубчасті колеса.

Привід переміщення долбяка і привід подач стола на каждый двойной ход долбяка гідравлические.

Верстат 7Д430 имеет ступенчато-дроссельное регулювання швидкостей.

Регулювання скорости долбяка осуществляется двумя рукоятками, помещенными на крышке панелі керування. Одной из них устанавливаются четыре ступени, другой производится плавное регулювання скорости в пределах каждой ступени.

Изменение направления руху долбяка происходит за счет переключения золотника керування двумя упорами, расположенными на крышке панелі керування. Этими же упорами регулируются длина і относительное положение ходу долбяка. Скорость руху долбяка на всей длине ходу постоянная.

Салазки долбяка закреплены шарнирно в щеках верхней станины і могут быть повернуты вместе з долбяком в вертикальной плоскости до 10° в продольном направлении станины.

Стол верстата 7Д430 имеет три вида подач:

Быстрое перемещение стола в указанных направлениях осуществляется от отдельного електродвигуна.

Стол може также перемещаться вручную в трех направлениях.

В коробке подач имеется делительный механізм поворота стола, позволяющий точно делить заготовку на нужное число частин.

В станке имеется механізм, позволяющий настраивать верстат на определенную длину обробки детали і автоматически выключающий верстат в кінці обробки; при етом долбяк останавливается в верхнем положении. Конструкція верстата обеспечивает автоматический отвод резца от вироби при обратном ходе долбяка.

Подвесная кнопочная станція обеспечивает дистанционное керування — пуск і зупинка електродвигуна головного руху, електродвигуна быстрых перемещений, електронасоса охлаждения, а также пуск і зупинка долбяка і налаштування на наладочный режим.

Смазка направляючих долбяка і возврат масла в ванну осуществляются сдвоенным плунжерным насосом. Привід насоса ексцентриковый. Кроме того, имеется насос з ручным приводом для змазки направляючих. Смазка направляючих стола централизованная от лубрикаторов з ручным приводом.


Налаштування, наладка і режим роботи долбежного верстата 7д430

Выбор режима різання

Для выбора режима обробки на станке того или иного металла рекомендуется пользоваться справочниками по режимам різання.

Установка і наладка ходу долбяка

Налаштування величины ходу долбяка производится упорами. При заданной длине обробки упоры надо устанавливать так, чтобы разность на шкале между одним упором і другим определяла полную длину обробки з учетом перебегов резца на каждую длину.

Развод упоров обеспечивает обработку деталей по всей высоте.

Подвод резца к обрабатываемой детали производится кнопкой «Пуск долбяка», работающей в толчковом режиме, при етом переключатель цикла «Работа - наладка» должен находиться в положении «Наладка».

Установка подачі стола

Установка выбранной подачі стола осуществляется поворотом маховичка до момента, пока против риски указателя не установится необходимая цифра, соответствующая нужной подаче.

Регулювання верстата

В процессе експлуатации верстата возникает необходимость в регулировании окремих вузлів і елементів з целью восстановления их нормальной роботи.

Ниже указаны требующие регулювання, вузли і способы регулировки:

  1. Регулювання клина долбяка
  2. Регулювання клиньєв продольных і поперечных салазок стола
  3. Регулювання откидки резцовой головки осуществляется гайкой тормозного пристроя, а также гайками, непосредственно устанавливающими регулируемый зазор между откидной доской і долбяком;
  4. По истечении некоторого часу може оказаться необходимым регулювання підшибників качения, для чего требуется немного подтянуть круглые гайки или фланцы, создающие натяг в етих підшипниках;
  5. Регулювання предохранительной шариковой муфты осуществляется гайкой і контргайкой.
  6. Регулювання механізмов гідроприводу была рассмотрена в разделе «Гідропривід верстата»
  7. Тормозное пристрій коробки подач, служащее для предотобертання проворота вала в обратную сторону, регулируется тремя гайками.

Шероховатость обработанной поверхности не менее V 5 по ГОСТ 2789—59.

Класс точності верстата Н.


Технічні характеристики долбежного верстата з гідравлическим приводом 7Д430 (7Д450)

Изготовитель Гомельский станкостроительный завод, СтанкоГомель.

Основні параметри верстата в соответствии з ГОСТ 1141-74.





7Д430 Посадочные і присоединительные базы долбежного верстата

Посадочные і присоединительные базы долбежного верстата 7Д430. Рабочий стол

Посадочные і присоединительные базы долбежного верстата 7д430

Розміри робочого стола долбежного верстата з гідравлическим приводом 7Д430

Розміри робочого стола долбежного верстата з гідравлическим приводом 7Д450

Посадочные і присоединительные базы долбежного верстата 7Д430. Откидная доска з резцедержателем

Откидная доска з резцедержателем верстата 7д430


7Д430 Загальний вигляд долбежного верстата з гідравлическим приводом

Загальний вигляд  і органы керування долбежного верстата 7Д430 з гідроприводом

Фото долбежного верстата 7д430

Фото долбежного верстата 7д430. Дивитись у збільшеному масштабі



Загальний вигляд  і органы керування долбежного верстата 7Д430 з гідроприводом

Фото долбежного верстата 7д430


Загальний вигляд  і органы керування долбежного верстата 7Д430 з гідроприводом

Фото долбежного верстата 7д430

Фото долбежного верстата 7д430. Дивитись у збільшеному масштабі



7Д430 Розташування складових частин долбежного верстата

7Д430 Розташування складових частин долбежного верстата з гідроприводом

Розташування основних вузлів долбежного верстата 7д430


7Д430 Розташування складових частин долбежного верстата з гідроприводом

Розташування основних вузлів долбежного верстата 7д430


Специфікація складових частин долбежного верстата 7Д430

  1. Станина - 7Д430-10
  2. Долбяк - 7Д430-20
  3. Коробка подач - 7Д430-30А
  4. Гідроцилиндр - 142100х70х630
  5. Стол - 7Д430-40
  6. Коробка передач - 7Д430-41
  7. Охлаждение - 7Д430-50
  8. Електроустаткування - 7Д430-60
  9. Підвісний пульт керування - 7Д430-61
  10. Керування - 7Д430-70
  11. Трубопровод - 7Д430-80А
  12. Торможение долбяка - 7Д430-71

Специфікація складових частин долбежного верстата 7Д450

  1. Станина - 7Д450-10
  2. Долбяк - 7Д450-20
  3. Коробка подач - 7Д450-30А
  4. Гідроцилиндр - 142100х70х800
  5. Стол - 7Д450-40
  6. Коробка передач - 7Д450-41
  7. Охлаждение - 7Д450-50
  8. Електроустаткування - 7Д450-60
  9. Підвісний пульт керування - 7Д450-61
  10. Керування - 7Д450-70
  11. Трубопровод - 7Д450-80А
  12. Торможение долбяка - 7Д430-71





Електроустаткування долбежного верстата з гідравлическим приводом 7Д430.

Питание ланцюгів електроустаткування осуществляется следующими напряжениями:

Електроустаткування верстата предназначено для подключения к трехфазной сети переменного тока з глухозаземленным или изолированным нейтральным проводом.

На станке установлены четыре трехфазных короткозамкнутых асинхронных електродвигуна:


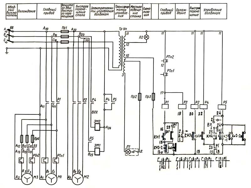
7Д430 Електрична схема долбежного верстата

7Д430 Схема Електричнадолбежного верстата з гідроприводом

Електрична схема долбежного верстата 7д430

Схема електрична долбежного верстата 7Д430. Дивитись у збільшеному масштабі



В коробке передач установлен микропереключатель механізма отсчета перемещений стола ВК1.

Освещение робочого стола производится светильником.

Шкаф керування установлен в задньої нише станины.

Ввод електроенергии должен быть осуществлен проводом марки ПГВ сечением 4 мм², черного цвета.

Разводка електросети внутри верстата должна осуществляться: силових линий черным проводом і желто-зеленого цвета для заземления.


Первоначальный пуск долбежного верстата з гідравлическим приводом 7Д430

При первоначальном пуске верстата необходимо прежде всего проверить надежность заземления і качество монтажа електроустаткування внешним осмотром.

После осмотра на клеммных наборах в шкафу керування необходимо отключить провода живлення всех електродвигателей.

При помощи вводного автомата ВВ Верстат подключить к цеховой сети.

Проверить действие блокирующих і сигнализирующих устройств шкафа.

При помощи кнопок і переключателей верстата проверить четкость срабатывания магнитных пускачів і реле.


Опис роботи електроустаткування долбежного верстата 7Д430 і 7Д450

Перед началом роботи необходимо убедиться, что автомат не включен і механическая блокировка дверки електрошафи находится в исходном положении.

Пуск електродвигуна головного приводу М1 осуществляется нажатием кнопки на кнопочной станції КН1(15-16), которая замыкает ланцюг катушки магнитного пускателя Р1(13-11), переводя его на самопитание.

Останов електродвигуна головного приводу М1 осуществляется нажатием кнопки на кнопочной станції КН2(13,15).

Керування електродвигуном быстрых перемещений М2 осуществляется нажатием толчковой кнопки КН3, расположенной на подвесной кнопочной станції.

Пуск і зупинка електронасоса М3 осуществляется при помощи переключателя ВО(16-19).

Работа електронасоса М3 сблокирована з електродвигуном головного приводу М1 і увімкнення его возможно только після замыкания контактов пускателя Р1.

Ограничение холостого ходу головного приводу в схеме осуществляется кнопкой КН2, которая имеет Н.З. контакт в ланцюги керування (13-15) і Н.О. контакт в ланцюги реле Р5(13-24), которое включает електромагнит ЭМ1 останова долбяка.

Таким образом, при останове долбяка произойдет также останов головного двигуна.

Захист електродвигателей головного приводу М1, быстрых перемещений М2, електронасоса М3 і ланцюги живлення в ланцюги живлення трансформатора от токов коротких замыканий осуществляется автоматическим выключателем АК63-3МГ, і предохранителями Пр1 Пр2 Пр3Пр4. Захист електродвигателей

Главного приводу і охолодження от перегрузок осуществляется тепловыми реле РТп1 і РТп2.

Срабатывание теплового реле РТп1 равносильно нажатию кнопки «Стоп» КН2 13-15.

Налаштування теплого реле в зависимости от робочого напряжения приведена в табл.7.

Список елементів долбежного верстата 7Д430 з гідроприводом

Список елементів долбежного верстата 7Д430 з гідроприводом

Список елементів долбежного верстата 7Д430 з гідроприводом. Дивитись у збільшеному масштабі



Список елементів долбежного верстата 7Д430 з гідроприводом

Список елементів долбежного верстата 7Д430 з гідроприводом

Список елементів долбежного верстата 7Д430 з гідроприводом. Дивитись у збільшеному масштабі



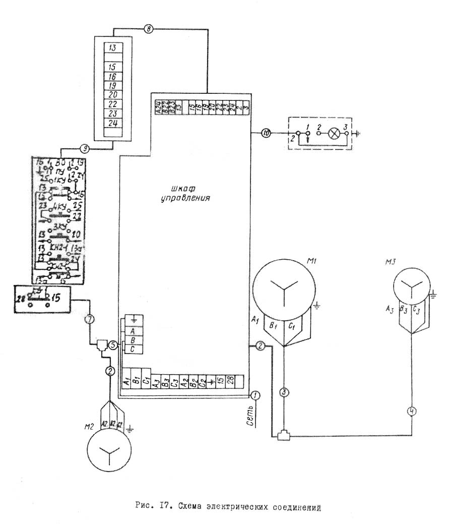
Схема з'єднань долбежного верстата 7Д430 з гідроприводом

Схема з'єднань долбежного верстата 7Д430 з гідроприводом

Схема з'єднань долбежного верстата 7Д430 з гідроприводом. Дивитись у збільшеному масштабі







7Д430 Долбежный верстат з гідравлическим приводом. Відеоролик.




Технічні характеристики долбежного верстата 7Д430

Наименование параметра 7М430 7Д430 7Д450
Основні параметри верстата
Класс точності верстата Н Н Н
Наибольший ход долбяка, мм 120..320 120..320 120..500
Диаметр стола, мм 630 630 800
Расстояние от плоскости стола до направляючих долбяка, мм 500 500 700
Расстояние от долбяка до станины (вылет), мм 590 615 710
Наибольшая высота обрабатываемого вироби при обработке наружной поверхности, мм 320 500 650
Наибольшая высота обрабатываемого вироби при обработке внутренней поверхности, мм 250 250 325
Долбежная головка верстата (долбяк)
Наибольшее перемещение долбяка, мм 570 500 700
Наибольший угол поворота долбяка в направлении поздовжньої подачі, град 10 10 10
Наибольшее сечение резца, мм 40 х 25 32 х 20 40 х 25
Скорость долбяка под нагрузкой, м/мин 3..38 3..38
Установочное регулювання ходу долбяка, мм
Наибольшее усилие різання, кг
Рабочий стол верстата
Наибольшие переміщення стола продольные (по направляющим станины), мм 650 650 800
Наибольшие переміщення стола поперечные (по направляющим салазок), мм 500 510 650
Наибольшие переміщення стола круговые, град 360 360 360
Цена деления лимба при продольном і поперечном перемещении стола, мм 0,2 0,1 0,1
Цена деления лимба при круговом перемещении стола, град 1 1 1
Пределы подач за один двойной ход продольные, мм 0,2..2,4 0,1..2,5 0,1..2,5
Пределы подач за один двойной ход поперечные, мм 0,2..2,4 0,1..2,5 0,1..2,5
Пределы подач за один двойной ход круговые, град 0,1..1,4 0,1..1,4 0,1..1,4
Скорость швидкого переміщення стола продольная, мм/мин 2,5 2,8 2,8
Скорость швидкого переміщення стола поперечная, мм/мин 2,5 2,8 2,8
Скорость швидкого переміщення стола круговая, об/мин 4,07 4,5 4,5
Електроустаткування. Привод
Количество електродвигателей на станке 3 3 3
Електродвигун гідроприводу (головного руху), кВт 7 10 10
Електродвигун ускоренного переміщення стола, кВт 1,7 2,2 3,0
Електродвигун електронасоса СОЖ, кВт 0,12 0,12 0,12
Суммарная мощность електродвигателей, кВт 8,82 12,32 13,12
Габарити і масса верстата
Габарити верстата (длина ширина высота), мм 2650 х 1810 х 2890 3030 х 2175 х 3010 3540 х 2890 х 3465
Масса верстата, кг 5200 5700 8200


    Список литературы:

  1. Верстати долбежные з гідравлическим приводом 7Д430. Руководство по експлуатации 7Д430.00.000 РЭ, 1978

  2. Копылов Р.Б. Работа на строгальных і долбежных верстатах, 1975
  3. Петруха П.Г. Резание конструкционных материалов, режущие инструменты і верстати, 1974
  4. Яковцев А.Д. Работа на строгальных і долбёжных верстатах, 1966








Даже если Вы находитесь на правильном пути, то никуда не доберетесь, если будете просто стоять на одном месте.

Уилл Роджерс