metalinstryment.com
Довідник по металорізальних верстатів та пресовому обладнанні

500V (СТЦ Ф55) Центр фрезерный вертикальний
Схеми, опис, характеристики

500V (СТЦ Ф55) Центр фрезерный вертикальний







Відомості про виробника фрезерного центра 500V

Изготовитель фрезерного центра 500V - Стерлитамакский станкостроительный завод, основанный в 1941 году.

История Стерлитамакского станкостроительного завода начинается 3 июля 1941 года, когда началась евакуация Одесского станкостроительного завода в город Стерлитамак.

Уже 11 октября 1941 г. Стерлитамакский станкостроительный завод начал выпускать специальные агрегатные верстати для оборонной промышленности.

В настоящее время завод выпускает металообробне обладнання, среди которого - токарные і фрезерные верстати з ЧПУ, многофункциональные обрабатывающие центры.





Продукция Стерлитамакского станкостроительного завода


500V (СТЦ Ф55) Центр фрезерный вертикальний. Назначение, область применения

Центр фрезерный вертикальний з нерухомим столом з числовым программным керуванням (ЧПУ) і пристрійм автоматичною смены инструмента (АСИ) моделі СТЦ Ф55 (500V) предназначен для многооперационной обробки разнообразных деталей сложной конфигурации из стали, чугуна, цветных і легких сплавов.

Верстат фрезерно-расточный 500V з ЧПУ і АСИ може производить фрезерование, точное сверление, зенкерование, развертывание і чистовое растачивание отверстий, связанных координатами. Верстат може быть применен в области производства прессформ і штампов, изготовления моделей і для решения других универсальных задач. Фрезерование по литейной корке не допускается.

Верстат 500V може быть использован в мелкосерийном і серийном производствах различных отраслей промышленности.

Особливості конструкції верстата 500V (СТЦ Ф55)

Принцип роботи і особливості конструкції верстата

На станке 500V (СТЦ Ф55) программируются координатные переміщення:

Климатические условия експлуатации

Требования к стойкости к внешним воздействиям і живучести должны соответствовать ГОСТ 15150:

Избыточная температура на наружной поверхности корпуса шпинделя в зоне розположення підшибників в шпинделе не должна превышать 55°С по ГОСТ 7599


Модифікації вертикального фрезерного центра 500V





Габаритные розміри робочого простору фрезерного верстата 500V

500V Габаритные розміри робочого простору верстата

Габаритные розміри робочого простору фрезерного верстата 500V


500V Загальний вигляд вертикального фрезерного верстата

Фото фрезерного верстата СТЦ Ф55 (500V)

Фото фрезерного верстата СТЦ Ф55 (500V)

Фото фрезерного верстата СТЦ Ф55 (500V). Скачать в увеличенном масштабе



Фото фрезерного верстата 500V

Фото фрезерного верстата 500V


Загальний вигляд вертикального фрезерного верстата з двойным столом 500V/2

Фото фрезерного верстата з двойным столом 500V/2

Фото фрезерного верстата з двойным столом 500V/2

Фото фрезерного верстата з двойным столом 500V/2. Скачать в увеличенном масштабе



Фото фрезерного верстата з двойным столом 500V/2

Фото фрезерного верстата з двойным столом 500V/2

Фото фрезерного верстата з двойным столом 500V/2. Скачать в увеличенном масштабе



Фото фрезерного верстата з двойным столом 500V/2

Фото фрезерного верстата з двойным столом 500V/2







Система координат і компоновка верстата. Оси координат верстата 500V

Перемещение по осям фрезерного верстата столом 500V/5

Перемещение по осям фрезерного верстата столом 500V/5


Перемещение по осям фрезерного верстата столом 500V/5

На станке 500V/5 программируются координатные переміщення:

Перемещение по осям фрезерного верстата столом 500V

Перемещение по осям фрезерного верстата столом 500V





Пристрій смены инструмента верстата 500V

Креслення пристроя смены инструмента вертикального сверлильно-фрезерно-расточного верстата 500V

Пристрій смены инструмента верстата 500V


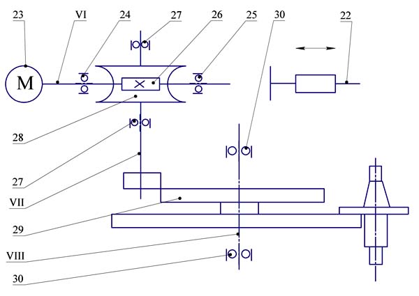
500V Кінематична схема пристроя смены инструмента

Кінематична схема пристроя смены инструмента вертикального сверлильно-фрезерно-расточного верстата 500V

Кінематична схема пристроя смены инструмента 500V





Инструментальный магазин (линейный, 20 инструментов; время смены инструмента – 7 сек.)

Магазин в соответствии з рисунком 6.8 крепится к плите кронштейна поз. 7. Он состоит из диска поз. 1, на котором расположены равномерно 20 механізмов захвата инструмента поз. 2. Диск подвешен на оси поз. 11 і усилием пружины поз. 12 прижат к ступице поз. 23, которая вращается вместе з диском в підшипниках поз. 21. На ступице закреплен мальтийский крест поз. 8.узел обертання диска собран в корпусе поз. 3, который крепится на несущей плите поз. 4. На етой же плите установлен блок поз. 5 з направляющей качения поз. 6, которая в свою очередь закреплена на кронштейне поз. 7. Привід диска осуществляется от електродвигуна, установленного на корпусе редуктора поз. 9.

Привід диска линейного магазина в соответствии з рисунком 6.9 представляет собой червячный редуктор з передаточным отношением 1:40, на выходном валу поз. 11 которого установлены лепесток поз. 13 керування бесконтактным датчиком счета позиций і поводок мальтийского механізма поз. 12.

Мальтийский крест имеет 20 (по количеству гнезд в инструментальном магазине) прямых пазов і двадцать полуокружностей. В исходном состоянии поводок находится в фиксирующей полуокружности і диск зафиксирован от проворота, а лепесток поз. 13 находится над датчиком. При повороте поводка на один оборот его ролик входит в прямой паз мальтийского креста, поворачивает крест на 1/20 часть оборота (18°), далее выходит из паза і входит в фиксирующую полуокружность мальтийского креста. Лепесток доходит до датчика, електродвигатель приводу диска отключается, і цикл поворота заканчивается.

Точность і надежность фиксации обеспечивается точностью изготовления мальтийского креста і выставлением поводка относительно него.

В соответствии з рисунком 6.8 при повороте мальтийского креста поз. 8 вместе со ступицей поз. 23 через палец поз. 14 вращение передається на диск магазина. На диске магазина располагают инструментальные оправки поз. 17 массой до 10 кг по возможности равномерно.

Оправки базируются в инструментальных гнездах по V-образной канавке і ориентируются по прямоугольному пазу пластинчатой шпонкой. Угловые вырезы на диаметре 64 должны быть направлены к оси магазина.

Пружина, являясь противовесом массе магазина, должна быть отрегулирована гайками поз. 13 так, чтобы диск магазина был надежно прижат к ступице поз. 23. На кронштейне установлены конечный выключатель поз. 19 контроля аварийного наезда на магазин і бесконтактный конечный выключатель позиции первого инструмента поз. 20, положение которого определяется установленной на диске бобышкой поз. 18.

Для обеспечения смены инструмента магазин имеет возможность подвода диска под шпиндель і відведення в исходное положение. Это перемещение осуществляется з помощью пневмоцилиндра поз. 15 в соответствии з рисунком 6.8 через поводок поз 16. Для подвода диска под шпиндель воздух подается в левую полость пневмоцилиндра і узел перемещается по направляющей поз. 6 до регулируемого упора. Торможение в кінці ходу при подводе і отводе магазина осуществляется демпферами, встроенными в пневмоцилиндр. Контроль положения магазина осуществляется бесконтактными датчиками.

Для еффективного торможения диска магазина служит тормоз поз. 24, который постоянно прижат к поверхности мальтийского креста поз. 8. Т. к. рабочая поверхность тормоза изнашивается, необходимо по мере износа производить его поджим к поверхности мальтийского креста, освободив фиксирующий винт і произведя прижатие тормоза з некоторым усилием, після чего вновь затянув фиксирующий винт. Проверку рекомендуется проводить не реже двух раз в месяц. При полном износе тормоз необходимо заменить на другой из комплекта ЗИП (деталь 500V.34.086 «упор»).

Работа магазина инструмента

Весь цикл смены инструмента производится переміщенням магазина і шпиндельной бабки. Смена инструмента може производиться как в наладочном режиме, так і по команде от ЧПУ. Для проведения смены инструмента необходимо, чтобы магазин находился в исходном положении, а шпиндельна бабка на 150 мм выше плоскости захвата і в координатах, соответствующих положению смены. По команде магазин перемещается в положение смены инструмента, шпиндельна бабка перемещается вниз і наезжает конусом шпинделя на конус инструмента, производится зажим инструмента, магазин перемещается в исходное положение. Шпиндельная бабка вступает в работу. По окончании роботи шпиндельна бабка выходит в координаты смены инструмента, магазин перемещается в положение смены і лапой захватывает инструмент. Происходит отжим инструмента, після чего шпиндельна бабка отходит вверх, а магазин перемещается в исходное положение. Весь цикл смены инструмента контролируется конечными выключателями.





500V Верстат сверлильно-фрезерно-расточной з ЧПУ і АСИ. Відеоролик.




Основні технические данные і характеристики верстата 500V

Наименование параметра 400V 500V
Основні параметри
Класс точності по ГОСТ 8-82 П П
Модель пристроя ЧПУ Sinumerik 802D sl Sinumerik 802D
Количество управляемых координат 3 3
Количество одновременно управляемых координат при линейной/ круговой интерполяции 3/3 3/3
Наибольший диаметр сверления в стали 45, мм 25 25
Наибольший диаметр растачивания, мм 80 80
Пределы диаметров нарезаемой різьби, мм М6..М16 М3..М24
Наибольший диаметр торцевой фрезы, мм 125
Наибольшая длина инструмента, устанавливаемого на станке, мм 250
Наименьшее і наибольшее расстояние от торца шпинделя до стола, мм 110..560 590
Расстояние от оси шпинделя до вертикальних направляючих станины (вылет), мм
Рабочий стол
Розміри рабочей поверхности стола (ширина х длина), мм 400 х 900 630 х 1200
Предельные розміри обрабатываемых поверхности (длина х ширина х высота), мм 540 х 400 х 450
Максимальная нагрузка на стол (по центру), кг 400 500
Число Т-образных пазов Розміри Т-образных пазов 3 5
Наибольшее продольное перемещение стола (X), мм 550 1000
Наибольшее поперечное перемещение стола (Y), мм 400 500
Наибольшее вертикальное перемещение ползуна (Z), мм 450 450
Поворот стола (А), град 130°
Вращение стола (С), град 360°
Предел рабочих подач стола і ползуна, мм/мин 1..15000 1..15000
Скорость швидкого переміщення по координатам X, Y, м/мин 25 15..30
Скорость швидкого переміщення по координате Z, м/мин 22 15..30
Допустимое усилие подачі по координате X, Y, Z, Н 5000 3000
Точность позиционирования по координате X, Y, Z, мм ± 0,010 ± 0,005
Шпиндель
Частота обертання шпинделя, об/мин 0..8000 0..8000
Количество швидкостей шпинделя Б/с Б/с
Номинальный крутящий момент на шпинделе, Нм 44,6 44,6
Конус шпинделя по DIN 69871 SK 40 SK 40
Степень точності конуса шпинделя АТ5
Магазин инструмента
Емкость инструментального магазина, шт. 20 20
Время смены инструмента, с 12 8,5
Наибольший диаметр инструмента, устанавливаемого в магазине при длине 200 мм, мм (без пропуска гнезд) 125 (80) 125 (80)
Наибольшая длина инструмента, устанавливаемого в шпинделе верстата при Ø 60 мм, мм 250 250
Максимальный диаметр сверла, мм 30
Наибольшая масса оправки, устанавливаемой в магазине, кг 10 10
Електроустаткування і привод
Електродвигун приводу головного руху, кВт 7,0 7/ 11
Электродвигатели приводу подач (X, Y, Z), кВт 5
Электронасос охлаждающей жидкости, кВт 0,15
Електродвигун обертання магазина, кВт 0,18
Електродвигун гідростанції, кВт 2,2
Електродвигун насоса змазки, кВт 0,25
Суммарная мощность установленных на станке електродвигателей, кВт 23 19/ 23
Габарити і масса верстата
Габарити верстата (длина ширина высота), мм 2300 х 2450 х 2620 2350 x 3165 x 3000
Масса верстата, кг 5000 7000


    Список литературы:

  1. Аврутин С.В. Основы фрезерного дела, 1962
  2. Аврутин С.В. Фрезерне дело, 1963
  3. Ачеркан Н.С. Металлорежущие верстати, Том 1, 1965
  4. Барбашов Ф.А. Фрезерне дело 1973, с.141
  5. Барбашов Ф.А. Фрезерные роботи (Профтехобразование), 1986
  6. Блюмберг В.А. Справочник фрезеровщика, 1984
  7. Григорьев С.П. Практика координатно-расточных і фрезерных работ, 1980
  8. Копылов Р.Б. Работа на фрезерных верстатах,1971
  9. Косовский В.Л. Справочник молодого фрезеровщика, 1992, с.180
  10. Кувшинский В.В. Фрезерование,1977
  11. Ничков А.Г. Фрезерные верстати (Библиотека станочника), 1977
  12. Пикус М.Ю. Справочник слесаря по ремонту металлорежущих верстатів, 1987
  13. Плотицын В.Г. Расчёты настроек і наладок фрезерных верстатів, 1969
  14. Плотицын В.Г. Наладка фрезерных верстатів,1975
  15. Рябов С.А. Современные фрезерные верстати і их оснастка, 2006
  16. Схиртладзе А.Г., Новиков В.Ю. Технологическое обладнання машиностроительных производств, 1980
  17. Тепинкичиев В.К. Металлорежущие верстати, 1973
  18. Чернов Н.Н. Металлорежущие верстати, 1988
  19. Френкель С.Ш. Справочник молодого фрезеровщика (3-е изд.) (Профтехобразование), 1978