metalinstryment.com
Довідник по металорізальних верстатів та пресовому обладнанні

400V Верстат сверлильно-фрезерно-расточной з ЧПУ і АСИ
Схеми, опис, характеристики

Верстат сверлильно-фрезерно-расточной 400V з ЧПУ і АСИ







Відомості про виробника вертикально-сверлильного верстата 400V

Изготовитель сверлильно-фрезерно-расточного верстата моделі 400V - Стерлитамакский станкостроительный завод, основанный в 1941 году.

История Стерлитамакского станкостроительного завода начинается 3 июля 1941 года, когда началась евакуация Одесского станкостроительного завода в город Стерлитамак.

Уже 11 октября 1941 г. Стерлитамакский станкостроительный завод начал выпускать специальные агрегатные верстати для оборонной промышленности.

В настоящее время завод выпускает металообробне обладнання, среди которого - токарные і фрезерные верстати з ЧПУ, многофункциональные обрабатывающие центры.





Продукция Стерлитамакского станкостроительного завода


400V верстат фрезерный вертикальний з ЧПУ. Назначение, область применения

Верстат фрезерный з нерухомою консолью вертикальний з числовым программным керуванням (ЧПУ) і пристрійм автоматичною смены инструмента (АСИ) моделі 400v предназначен для многооперационной обробки разнообразных деталей сложной конфигурации из стали, чугуна, цветных і легких сплавов.

Верстат сверлильно-фрезерно-расточный з числовым программным керуванням (ЧПУ) і автоматичною сменой инструмента (АСИ) класса точності П по ГОСТ 8 моделі 400V предназначен для комплексной обробки деталей сложной формы.

Наряду з фрезерными операциями на станке 400V можно производить точное сверление, зенкерование, развертывание і растачивание отверстий, связанных координатами.

На станке 400V може производиться сверление, зенкерование, развертывание отверстий, нарезание різьби метчиками і фрезами, а также получистовое і чистовое прямолинейное і контурное фрезерование деталей, чистовое растачивание отверстий. Верстат може быть применен в области производства прессформ і штампов, изготовления моделей і для решения других универсальных задач. Фрезерование по литейной корке не допускается.

Фрезерный вертикальний верстат 400V имеет широкие диапазоны величин подач і частот обертання шпинделя, которые полностью обеспечивают выбор нормативных режимов різання для обробки заготовок из различных конструкционных материалов. На станке программируются координатные переміщення сверлильной головки (ось Z), стола (ось Х), колонны (ось Y), скорость их перемещений, частота обертання шпинделя і робота пристроя АСИ.

Верстат 400V може быть использован в мелкосерийном і серийном производствах различных отраслей промышленности.

Климатические условия експлуатации

Требования к стойкости к внешним воздействиям і живучести должны соответствовать ГОСТ 15150:

Избыточная температура на наружной поверхности корпуса шпинделя в зоне розположення підшибників в шпинделе не должна превышать 55°С по ГОСТ 7599





Габаритные розміри вертикального фрезерного верстата 400V

400V Габаритные розміри робочого простору фрезерного верстата

Габаритные розміри робочого простору фрезерного верстата 400V


400V Габаритные розміри робочого простору верстата

Габаритные розміри робочого простору фрезерного верстата 400V


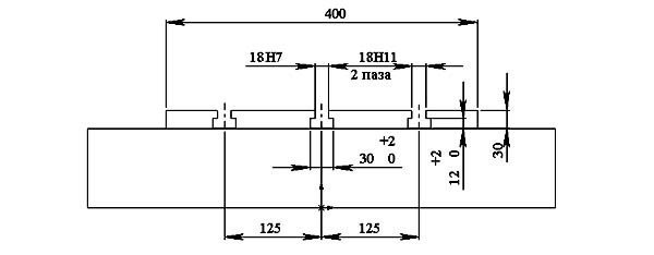
Посадочные і присоединительные розміри верстата 400V. Рабочий стол

400V Посадочные і присоединительные розміри верстата. Рабочий стол

Посадочные і присоединительные розміри верстата 400V. Рабочий стол


Посадочные і присоединительные розміри кінця шпинделя верстата 400V

400V Посадочные і присоединительные розміри кінця шпинделя

Посадочные і присоединительные розміри верстата 400V. Кінець шпинделя


Система координат і компоновка верстата. Оси координат верстата 400V

400V Система координат верстата. Оси координат верстата 400V

Компоновка фрезерного верстата 400V


400V Загальний вигляд вертикального фрезерного верстата

400V Загальний вигляд  консольно-фрезерного верстата

Фото фрезерного верстата 500V





Розташування складових частин фрезерного верстата 400V

400V Розташування складових частин консольно-фрезерного верстата з ЧПУ і АСИ

Розташування основних вузлів фрезерного верстата 400V

Специфікація складових частин фрезерного верстата 400V

  1. Основание - 400V.10.000
  2. Захист рулонная направляючих рулонная - 400V.15.000
  3. Захист гармоникообразная 400V.17.000
  4. Пристрій подвода СОЖ і уборки стружки 400V.26.000
  5. Ограждение 400V.29.000-01
  6. Магазин инструментов 400V.31.000-02
  7. Шпиндель 500V.38.000
  8. Головка сверлильная 400V.42.000-03
  9. Смазка верстата 400V.47.000
  10. Пневморазводка 400V.54.000-02
  11. Привід продольного переміщення 400V.75.000
  12. Привід поперечного переміщення 400V.76.000
  13. Привід вертикального переміщення 400V.77.000-03
  14. Електроустаткування верстата 400V.9
  15. Стол поворотный CNC200R По заказу 16
  16. Бабка задня TS70R По заказу




400V Кінематична схема фрезерного верстата

Кінематична схема вертикального фрезерного верстата 400V

Кінематична схема вертикального фрезерно верстата 400V

Кінематична схема вертикального фрезерного верстата 400V. Дивитись у збільшеному масштабі



Опис складових частин верстата 400V

Основание верстата

Основание - база верстата, узел, в состав которого входят: станина, стол, колонна.

Станина (1) представляет собой литую жесткую конструкцию в форме коробки. По направляющим, закрепленным на станине, перемещается колонна (4), по ней вертикально перемещается головка сверлильная (3). По другим направляющим станины перемещается стол (2). Перемещение стола, колонны і головки сверлильной осуществляется индивидуальными приводами з высокомоментными електродвигунами постоянного тока посредством винтовых пар качения. Винтовые пары крепятся в опорах і соединяются з двигунами через муфты, компенсирующие несоосность гвинта і вала двигуна. Смазка направляючих осей X і Y осуществляется системой централизованной змазки, направлящих оси Z – вручную через пресс-маслѐнку.

Стол предназначен для установки і переміщення обрабатываемой детали. Привід стола обеспечивает быстрое перемещение, позиционирование в заданной координате, а также рабочую подачу обрабатываемого вироби. Стол также имеет отводы для удаления поступающей из зоны різання стружки і отработанной СОЖ.

Колонна перемещается по направляющим, закреплѐнным на станине. Колонна состоит из верней і нижней частин, соединѐнных между собой.

Привід линейного переміщення – оси X, Y, Z

Привода продольного, поперечного переміщення в соответствии з рисунком 6.4, вертикального переміщення в соответствии з рисунком 6.4а предназначены для переміщення рабочих органів верстата.

Перемещение осуществляется высокомоментными синхронными електродвигунами поз. 1, соединенных з шариковой винтовой передачей поз. 2 при помощи разрезной муфты поз. 3. Винтовые пары крепятся в опорах поз. 4 і 5, установленных на станине (привід Х, Y). Подвижный орган (стол – привід Х, колонна нижняя – привід Y,) соединен з гайкой поз. 6 шарико-винтовой передачей.

Специфікація приводов в соответствии з таблицами 6.4, 6.5.

Шпиндельная бабка

Шпиндельная бабка в соответствии з рисунком 6.5.

Корпус шпиндельной бабки поз. 1 представляет собой литую деталь, в которой монтируются шпиндельный узел поз. 2, механізм отжима і обдува инструмента поз. 3, електродвигатель головного руху поз. 4. На задньої частини корпуса монтируются направляющие качения переміщення по оси Z.

Вращение от електродвигуна к шпинделю передається через шкивы поз. 5, 6 і зубчатый ремень поз. 7 з передаточным отношением 1:1.




Шпиндельный узел

Шпиндельный узел в соответствии з рисунком 6.6.

Шпиндельный узел крепится в корпусе шпиндельной бабки з помощью винтов поз. 12. В корпусе шпиндельного вузла – стакане поз. 2 в высокоточных радиально-упорных підшипниках поз. 13 вращается шпиндель поз. 1. Оптимальная степень натяга підшибників достигается точной подгонкой распорных втулок поз. 14 і кольца поз. 11. В процессе експлуатации никаких додаткових регулировок не требуется.

На нижнем торце шпинделя расположены две шпонки поз. 5, которые служат для передачи крутящего момента на инструмент.

Внутри шпинделя расположен механізм зажиму инструмента, который состоит из штока поз. 8 з набранным на нем пакетом тарельчатых пружин поз. 7, настроенным на усилие 5900±10% Н.

На нижнем кінці штока поз. 8 в отверстиях расположены 6 стальных шариков поз. 9, которые осуществляют захват инструмента поз. 6 при перемещении штока. Перемещение штока по вертикали осуществляется узлом отжима і обдува инструмента. Обдув конуса производится через сквозное отверстие в штоке. Для предохранения підшибників шпинделя при експлуатации на верхнем і нижнем фланцах предусмотрены лабиринтные уплотнения поз. 10, 11, 16. Выставление шпинделя на перпендикулярность к столу производится подгонкой компенсаторов поз. 15.

Механізм отжима инструмента і обдува инструментального конуса

Механізм отжима і обдува инструмента в соответствии з рисунком 6.7 расположен внутри шпиндельной бабки за двигателем приводу головного руху. Он состоит из пневмоцилиндра поз. 1, на штоке которого навернута вилка поз. 2, связанная шарнирно з рычагом поз. 4, сидящем свободно на оси поз. 7. На рычаге имеется регулируемый упор поз. 5.

При отжиме инструмента воздух подается в верхнюю полость пневмоцилиндра, шток через вилку поз. 2 поворачивает рычаг поз. 4 на оси поз. 7. Упор поз. 5 давит при етом на толкатель поз. 6, который преодолев свободный ход «а» начинает перемещать гайку поз. 8 вузла зажиму до упора. При етом происходит перемещение штока, шарики из замковой частини перемещаются в кольцевую расточку і освобождают хвостовик инструмента.

Система змазки верстата 400V

Смазка верстата обеспечивается централизованной импульсной системой і набивкой.

Импульсная система обеспечивает смазку направляючих станины (ось Х) і Х-салазок (ось Y), гаек винтовых пар в приводах продольного переміщення салазок (ось Х) і поперечного переміщення Y-салазок (ось Y), опор винтовых пар осей Х, Y.

Смазка опор шпинделя, опор, гайки і направляючих оси Z, диска і направляючих і підшибників магазина осуществляется набивкой.

Централизованная импульсная система змазки состоит из смазочной станції, трех- і пятиточечных импульсных смазочных питателей, реле давления, манометра, трубопроводов і соответствующих з'єднань.





Пристрій смены инструмента верстата 400V

Креслення пристроя смены инструмента вертикального сверлильно-фрезерно-расточного верстата 400V

Пристрій смены инструмента верстата 400V


400V Кінематична схема пристроя смены инструмента

Кінематична схема пристроя смены инструмента вертикального сверлильно-фрезерно-расточного верстата 400V

Кінематична схема пристроя смены инструмента 400V


Инструментальный магазин (линейный, 20 инструментов; время смены инструмента – 7 сек.)

Магазин в соответствии з рисунком 6.8 крепится к плите кронштейна поз. 7. Он состоит из диска поз. 1, на котором расположены равномерно 20 механізмов захвата инструмента поз. 2. Диск подвешен на оси поз. 11 і усилием пружины поз. 12 прижат к ступице поз. 23, которая вращается вместе з диском в підшипниках поз. 21. На ступице закреплен мальтийский крест поз. 8.узел обертання диска собран в корпусе поз. 3, который крепится на несущей плите поз. 4. На етой же плите установлен блок поз. 5 з направляющей качения поз. 6, которая в свою очередь закреплена на кронштейне поз. 7. Привід диска осуществляется от електродвигуна, установленного на корпусе редуктора поз. 9.

Привід диска линейного магазина в соответствии з рисунком 6.9 представляет собой червячный редуктор з передаточным отношением 1:40, на выходном валу поз. 11 которого установлены лепесток поз. 13 керування бесконтактным датчиком счета позиций і поводок мальтийского механізма поз. 12.

Мальтийский крест имеет 20 (по количеству гнезд в инструментальном магазине) прямых пазов і двадцать полуокружностей. В исходном состоянии поводок находится в фиксирующей полуокружности і диск зафиксирован от проворота, а лепесток поз. 13 находится над датчиком. При повороте поводка на один оборот его ролик входит в прямой паз мальтийского креста, поворачивает крест на 1/20 часть оборота (18°), далее выходит из паза і входит в фиксирующую полуокружность мальтийского креста. Лепесток доходит до датчика, електродвигатель приводу диска отключается, і цикл поворота заканчивается.

Точность і надежность фиксации обеспечивается точностью изготовления мальтийского креста і выставлением поводка относительно него.

В соответствии з рисунком 6.8 при повороте мальтийского креста поз. 8 вместе со ступицей поз. 23 через палец поз. 14 вращение передається на диск магазина. На диске магазина располагают инструментальные оправки поз. 17 массой до 10 кг по возможности равномерно.

Оправки базируются в инструментальных гнездах по V-образной канавке і ориентируются по прямоугольному пазу пластинчатой шпонкой. Угловые вырезы на диаметре 64 должны быть направлены к оси магазина.

Пружина, являясь противовесом массе магазина, должна быть отрегулирована гайками поз. 13 так, чтобы диск магазина был надежно прижат к ступице поз. 23. На кронштейне установлены конечный выключатель поз. 19 контроля аварийного наезда на магазин і бесконтактный конечный выключатель позиции первого инструмента поз. 20, положение которого определяется установленной на диске бобышкой поз. 18.

Для обеспечения смены инструмента магазин имеет возможность подвода диска под шпиндель і відведення в исходное положение. Это перемещение осуществляется з помощью пневмоцилиндра поз. 15 в соответствии з рисунком 6.8 через поводок поз 16. Для подвода диска под шпиндель воздух подается в левую полость пневмоцилиндра і узел перемещается по направляющей поз. 6 до регулируемого упора. Торможение в кінці ходу при подводе і отводе магазина осуществляется демпферами, встроенными в пневмоцилиндр. Контроль положения магазина осуществляется бесконтактными датчиками.

Для еффективного торможения диска магазина служит тормоз поз. 24, который постоянно прижат к поверхности мальтийского креста поз. 8. Т. к. рабочая поверхность тормоза изнашивается, необходимо по мере износа производить его поджим к поверхности мальтийского креста, освободив фиксирующий винт і произведя прижатие тормоза з некоторым усилием, після чего вновь затянув фиксирующий винт. Проверку рекомендуется проводить не реже двух раз в месяц. При полном износе тормоз необходимо заменить на другой из комплекта ЗИП (деталь 400V.34.086 «упор»).

Работа магазина инструмента

Весь цикл смены инструмента производится переміщенням магазина і шпиндельной бабки. Смена инструмента може производиться как в наладочном режиме, так і по команде от ЧПУ. Для проведения смены инструмента необходимо, чтобы магазин находился в исходном положении, а шпиндельна бабка на 150 мм выше плоскости захвата і в координатах, соответствующих положению смены. По команде магазин перемещается в положение смены инструмента, шпиндельна бабка перемещается вниз і наезжает конусом шпинделя на конус инструмента, производится зажим инструмента, магазин перемещается в исходное положение. Шпиндельная бабка вступает в работу. По окончании роботи шпиндельна бабка выходит в координаты смены инструмента, магазин перемещается в положение смены і лапой захватывает инструмент. Происходит отжим инструмента, після чего шпиндельна бабка отходит вверх, а магазин перемещается в исходное положение. Весь цикл смены инструмента контролируется конечными выключателями.





400V Верстат сверлильно-фрезерно-расточной з ЧПУ і АСИ. Відеоролик.




Основні технические данные і характеристики верстата 400V

Наименование параметра 400V 500V
Основні параметри
Класс точності по ГОСТ 8-82 П П
Модель пристроя ЧПУ Sinumerik 802D sl Sinumerik 802D
Количество управляемых координат 3 3
Количество одновременно управляемых координат при линейной/ круговой интерполяции 3/3 3/3
Наибольший диаметр сверления в стали 45, мм 25
Наибольший диаметр растачивания, мм 80
Пределы диаметров нарезаемой різьби, мм М6..М16
Наибольший диаметр торцевой фрезы, мм 125
Наибольшая длина инструмента, устанавливаемого на станке, мм 250
Наименьшее і наибольшее расстояние от торца шпинделя до стола, мм 110..560
Расстояние от оси шпинделя до вертикальних направляючих станины (вылет), мм
Рабочий стол
Розміри рабочей поверхности стола (длина х ширина), мм 900 х 400 1200 х 630
Предельные розміри обрабатываемых поверхности (длина х ширина х высота), мм 540 х 400 х 450
Максимальная нагрузка на стол (по центру), кг 400 500
Число Т-образных пазов Розміри Т-образных пазов 3 5
Наибольшее продольное перемещение стола (X), мм 550 1000
Наибольшее поперечное перемещение стола (Y), мм 400 500
Наибольшее вертикальное перемещение ползуна (Z), мм 450 450
Поворот стола (А), град 130°
Вращение стола (С), град 360°
Предел рабочих подач стола і ползуна, мм/мин 1..15000 1..15000
Скорость швидкого переміщення по координатам X, Y, м/мин 25 15..30
Скорость швидкого переміщення по координате Z, м/мин 22 15..30
Допустимое усилие подачі по координате X, Y, Z, Н 5000
Точность позиционирования по координате X, Y, Z, мм ± 0,010 ± 0,010
Шпиндель
Частота обертання шпинделя, об/мин 0..8000 0..8000
Количество швидкостей шпинделя Б/с
Номинальный крутящий момент на шпинделе, Нм 44,6 44,6
Конус шпинделя по DIN 69871 SK 40 SK 40
Степень точності конуса шпинделя АТ5
Магазин инструмента
Емкость инструментального магазина, шт. 20 20
Время смены инструмента, с 12 8,5
Наибольший диаметр инструмента, устанавливаемого в магазине, мм (без пропуска гнезд) 125 (80) 125 (80)
Наибольшая длина инструмента, устанавливаемого в шпинделе верстата, мм 250 250
Максимальный диаметр сверла, мм 30
Наибольшая масса оправки, устанавливаемой в магазине, кг 10 10
Електроустаткування і привод
Електродвигун приводу головного руху, кВт 7,0 7/ 11
Электродвигатели приводу подач (X, Y, Z), кВт 5
Электронасос охлаждающей жидкости, кВт 0,15
Електродвигун обертання магазина, кВт 0,18
Електродвигун гідростанції, кВт 2,2
Електродвигун насоса змазки, кВт 0,25
Суммарная мощность установленных на станке електродвигателей, кВт 23 19,5
Габарити і масса верстата
Габарити верстата (длина ширина высота), мм 2300 х 2450 х 2620 2350 x 3165 x 3000
Масса верстата, кг 5000 7000


    Список литературы:

  1. Верстат сверлильно-фрезерно-расточный з ЧПУ 400V. Руководство по експлуатации часть 1 400V.00.000 РЭ,

  2. Аврутин С.В. Основы фрезерного дела, 1962
  3. Аврутин С.В. Фрезерне дело, 1963
  4. Ачеркан Н.С. Металлорежущие верстати, Том 1, 1965
  5. Барбашов Ф.А. Фрезерне дело 1973, с.141
  6. Барбашов Ф.А. Фрезерные роботи (Профтехобразование), 1986
  7. Блюмберг В.А. Справочник фрезеровщика, 1984
  8. Григорьев С.П. Практика координатно-расточных і фрезерных работ, 1980
  9. Копылов Р.Б. Работа на фрезерных верстатах,1971
  10. Косовский В.Л. Справочник молодого фрезеровщика, 1992, с.180
  11. Кувшинский В.В. Фрезерование,1977
  12. Ничков А.Г. Фрезерные верстати (Библиотека станочника), 1977
  13. Пикус М.Ю. Справочник слесаря по ремонту металлорежущих верстатів, 1987
  14. Плотицын В.Г. Расчёты настроек і наладок фрезерных верстатів, 1969
  15. Плотицын В.Г. Наладка фрезерных верстатів,1975
  16. Рябов С.А. Современные фрезерные верстати і их оснастка, 2006
  17. Схиртладзе А.Г., Новиков В.Ю. Технологическое обладнання машиностроительных производств, 1980
  18. Тепинкичиев В.К. Металлорежущие верстати, 1973
  19. Чернов Н.Н. Металлорежущие верстати, 1988
  20. Френкель С.Ш. Справочник молодого фрезеровщика (3-е изд.) (Профтехобразование), 1978






400v Паспорт сверлильно-фрезерно-расточного верстата, (pdf) 2.07 Мб, Скачать


Разработка управляющих программ для верстата 400V в системе ЧПУ Siemens Sinumerik 802D SL, (pdf) 3,13 Мб, Скачать