Виробник свердлильних верстатів моделей 2С132 , 2С132К, 2С132Ц, 2С132ПФ2І - Стерлітамацький верстатобудівний завод , заснований в 1941 році.
Вертикально-свердлильний верстат 2С132 призначений для виконання наступних видів робіт: свердління, розсвердлювання, зенкерування, зенкування, розгортання та розточування отворів.
Розточування отворів, у тому числі розташованих на відстанях з допусками по 11 квалітету, проводиться на верстатах мод. 2С132К, 2С132ПФ2І, верстат мод. 2С132ПФ2І призначений для легкого фрезерування.
Промисловий вертикальний свердлильний верстат 2С132 здатний свердлити отвори від 3 до 32 мм у сталі 45. Вага верстата 1400 кг.
Шпиндель отримує 12 швидкостей обертання (31,5...1400 об/хв) через коробку швидкостей електродвигуна потужністю 4 кВт.
Найбільша глибина свердління за один установ - 250 мм, найбільша висота заготовки - 800 мм.
Кінець шпинделя верстата 2С132 виконаний за ГОСТ 25557 (конуси інструментальні), конус Морзе 4, ступінь точності АТ8.
Коробка подач забезпечує 9 ступенів робочих подач шпинделя (0,1...1,6 мм/об). Нарізання різьблення можливе лише на ручній подачі.
Обробка проводиться швидкорізальним та твердосплавним інструментами в деталях з різних конструкційних матеріалів.
Верстати 2С132 використовуються для роботи в умовах одиничного, дрібносерійного та серійного виробництва у ремонтних та складальних цехах.
Реверсування електродвигуна головного руху дозволяє проводити на верстатах нарізування різьблення машинними мітчиками.
Вид кліматичного виконання - УХЛ4 або ТЗ за ГОСТ 15150-69.
Клас точності:
Категорія розміщення 4 за ГОСТ 15150-69.
Для обробки отворів різних діаметрів застосовуються базові вертикально-свердлувальні верстати моделей: 2С132 . Останні дві цифри номера кожної моделі вказують найбільший діаметр отвору мм, який можна свердлити на цьому верстаті в заготовках зі сталі 45.
На основі зазначених вище базових моделей верстатів створено такі модифіковані моделі:

Габарит робочого простору верстата 2С132

Посадочні та приєднувальні бази верстата 2С132

Фото свердлильного верстата 2С132
Фото свердлильного верстата 2С132. Завантажити у збільшеному масштабі

Фото свердлильного верстата 2С132

Фото свердлильного верстата 2с132к з накладним столом

Розташування складових частинин свердлувального верстата 2С132

Пульт керування сверлильного верстата 2С132
Пульт керування сверлильного верстата 2С132. Скачать в увеличенном масштабе

Список символів на пульті керування сверлильного верстата 2С132
Список символів на пульті керування сверлильного верстата 2С132. Скачать в увеличенном масштабе
Наладка верстата на работу заключается в установці стола і сверлильной головки в необходимые для роботи положения, в зажиме их на колонне, в установці необходимых частот обертання і подач шпинделя.
На станке 2С132ПФ2И предусмотрены наступні режими керування:
Для установления наладочного режима необходимо переключатель «Выбор режима» на пульті керування верстата установить в положение «Наладка».
Работа на станке в режиме «Наладка» осуществляется нажатием соответствующих кнопок на пульті керування.
Для выбора оси переміщення служит переключатель «Выбор осей X і Y». Для переміщення стола в положительном і отрицательном направлениях служат соответственно кнопки «Положительное направление переміщення». Для керування направлением обертання шпинделя служат кнопки «Вращение шпинделя влево» на пульті керування.
Для проворота зубчатых колес в коробке швидкостей во время переключения швидкостей обертання шпинделя служит кнопка «Проворот шпинделя».
На станке 2С132Ц предусмотрены наступні режими керування:
При ручном режиме, переключатель «Выбор режима» установить а среднее положение «Ручной режим». Керування верстатом осуществляется нажатием соответствующих кнопок на пульті верстата «Вращение шпинделя влево», «Останов». Рабочая подача осуществляется как от штурвала, так і з помощью механической передачи от електродвигуна головного руху.
При автоматическом режиме, переключатель «Выбор режима» установить в крайнее левое положение «Сверление». Установить кулачки в зависимости от глубины обробки. С помощью штурвала перевести шпиндель в верхнее исходное положение. Нажать кнопку «Пуск цикла».
ВНИМАНИЕ! Нарезание різьби з автоматическим циклом подачі шпинделя, возможно только для верстатів 2С132ПФИ і 2С132Ц. Диапазоны подач указаны в табл. 10.
При автоматическом цикле нарезание різьби переключатель «Выбор режима» установить в крайнее правое положение «Нарезание різьби». Установить кулачки в зависимости от глубины обробки. Нажать кнопку «Пуск цикла». Окончание нарізання різьби на станке 2С132Ц контролируется соответствующими кулачками на лимбе, а на станке 2С132ПФ2И по заданной программе.
На верстатах 2С132К і 2С132 предусмотрены наступні режими:
Установить кулачки в зависимости от глубины обробки.
После увімкнення обертання і подачі шпинделя начинается обработка детали. По достижении нужной глубины обробки подача шпинделя прекратится, а шпиндель будет продолжать вращаться. Для его остановки нужно нажать кнопку «Останов».
Нарезание різьби на станке з реверсом шпинделя на определенной глубине, лимб на сверлильной головке установить так, чтобы против указателя находилась цифра, соответствующая глубине обробки. Совместить риску кулачка «Р» з соответствующей риской на лимбе і закрепить кулачок. Выключить механическую подачу. После увімкнення обертання шпинделя метчик вручную ввести в отверстие. Через 2-3 оборота шпинделя надобность в ручной подаче отпадает. По достижении заданной глубины нарізання шпиндель автоматически реверсируется і метчик выходит из отверстия. Чтобы шпиндель принял правое вращение, нужно нажать на соответствующую кнопку.
Верстат соответствует условиям ТУ2.0240223152.1008-88
Питание ланцюгів електроустаткування осуществляется следующими напряжениями:
Електроустаткування верстата предназначено для подключения к трехфазной сети переменного тока з глухозаземленным или изолированным нейтральным проводом.
На станке установлены два трехфазных короткозамкнутых асинхронных електродвигуна:
Електроустаткування верстата включает в себя трехфазный короткозамкнутый асинхронный електродвигатель, который вращает шпиндель і осуществляет его подачі.
Насос СОЖ і електроаппаратуру шкафа керування, пульт керування і светильник.
Торможение шпинделя осуществляется включением постоянного тока в обмотки головного двигуна.

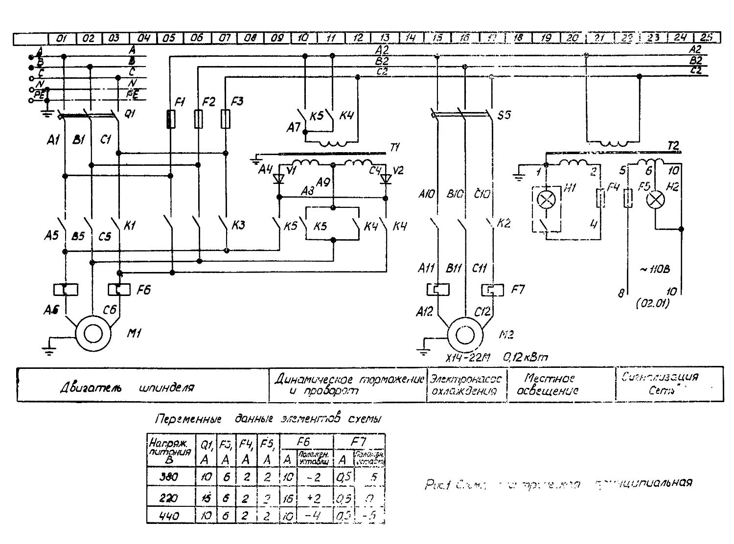
Електрична схема сверлильного верстата 2С132, 2С132К
Схема електрична вертикально-сверлильного верстата 2С132. Скачать в увеличенном масштабе

Електрична схема сверлильного верстата 2С132, 2С132К
Схема електрична вертикально-сверлильного верстата 2С132. Скачать в увеличенном масштабе
Увімкненням вводного автомата Q1 подается напряжение на главные і вспомогательные ланцюги, на пульті керування загорается сигнальная лампа Н2.
Если необходимы подача СОЖ или освещение, то соответствующие выключатели ставятся в положение ВКЛЮЧЕНО.
Нажатием кнопки S2 ВПРАВО катушка пускателя K1 получает питание, главные контакты включают електродвигатель М1 на правое вращение шпинделя.
Через блок-контакты К1 включается пускатель К2, включающий електродвигатель М2 і реле задержки К7.
При нажатии кнопки S3 ВЛЕВО происходит відключення пускателя К1, електродвигуна М1, реле К7.
После разряда конденсатора С3 контакты реле К7 замыкаются, і происходит увімкнення пускателя КЗ і електродвигуна М1 на левое вращение шпинделя. Реле К7 включается снова.
При автоматическом реверсе ети переключения происходят при срабатывании микропереключателя S6 от кулачка, установленного на лимбе.
Останов осуществляется нажатием на кнопку S1 СТОП. При етом отключаются пускатели К1 или КЗ, К2, отключающие електродвигатели M1, М2. Через контакты реле К7 (47—50) включается реле К6 з післядующим включением пускачів К4 і К5. Обмотки електродвигуна М1 подключаются к источнику постоянного тока 56 В.
Происходит електродинамическое торможение шпинделя.
После разряда конденсаторов С1 і С2 отключается реле К6, отключающее пускатели К4 і К5.
При переключении швидкостей применяют качательное рух ротора двигуна М1 Нажатием кнопки S4 КАЧАТЕЛЬНОЕ ДВИЖЕНИЕ включается пускатель К4, подающий по фазам В5—С6 напряжение постоянного тока на двигатель М1.
Через сопротивление R2 з задержкой включается реле К6, отключающее пускатель К4 і включающее пускатель К5. При етом постоянный ток протекает по фазам А6-В5. і ротор двигуна проворачивается. Процесс повторяется, что обеспечивает качание ротора.
Вводной выключатель запирается в выключенном положении ключом.
При включенном вводном выключателе на пульті горит лампа з белой линзой. Защиту ланцюгів от токов короткого замыкания обеспечивают автоматический выключатель і предохранители.
Защиту от перегрузки двигателей M1 і М2 обеспечивают тепловые реле. Нулевую защиту обеспечивают катушки і контакты електромагнітних пускачів.
Верстат должен быть надежно подключен к цеховому заземляющему устройству.
С клемм заземления електрошафи защитные ланцюги проложены к корпусам двигателей і панелі керування.

Список елементів к схеме електрической сверлильного верстата 2С132
Список елементів к схеме електрической сверлильного верстата 2С132. Скачать в увеличенном масштабе

Схема електрична з'єднань сверлильного верстата 2С132
Схема електрична з'єднань сверлильного верстата 2С132. Скачать в увеличенном масштабе

Схема електрична з'єднань сверлильного верстата 2С132
Схема електрична з'єднань сверлильного верстата 2С132. Скачать в увеличенном масштабе

Шкаф електрический сверлильного верстата 2С132
Шкаф електрический сверлильного верстата 2С132. Скачать в увеличенном масштабе
| Наименование параметра | 2С132 | 2С132К | |
|---|---|---|---|
| Основні параметри верстата | |||
| Наибольший диаметр сверления в стали 45 по ГОСТ 1050-88, мм | 32 | 32 | |
| Диаметр нарізання різьби в стали 45 по ГОСТ 1050-88, мм | М3...М33 | М3...М33 | |
| Наибольшая высота заготовки, мм | 800 | 600 | |
| Рабочий стол | |||
| Максимальная нагрузка на стол (по центру), кг | 600 | 250 | |
| Розміри рабочей поверхности подъемного стола, мм | 500 х 500 | 500 х 500 | |
| Наибольший ход подъемного стола (ось Z), мм | 300 | 300 | |
| Розміри рабочей поверхности крестового стола, мм | - | 320 х 630 | |
| Наибольший ход крестового стола (X, Y), мм | - | 500 х 250 | |
| Число Т-образных пазов Розміри Т-образных пазов | 3 | 3 | |
| Наименьшее і наибольшее расстояние от торца шпинделя до стола, мм | 500...750 | 500...750 | |
| Расстояние от оси шпинделя до направляючих стойки, мм | 300 | 300 | |
| Перемещение стола на один оборот рукоятки, мм | |||
| Шпиндель | |||
| Наибольшее перемещение (установочное) шпиндельной головки, мм | 420 | 420 | |
| Наибольшее перемещение (ход) шпинделя, мм | 250 | 250 | |
| Перемещение шпинделя на одно деление лимба, мм | 1 | 1 | |
| Перемещение шпинделя на один оборот маховичка-рукоятки, мм | |||
| Частота обертання шпинделя, об/мин | 31,5...1400 45...2000 31.5...4000 |
31,5...1400 45...2000 31.5...4000 |
|
| Количество швидкостей шпинделя | 12 | 12 | |
| Наибольший допустимый крутящий момент, Нм | 400 | 400 | |
| Размер внутреннего конуса шпинделя по ГОСТ 25557-82 | Морзе 4 | Морзе 4 | |
| Механіка верстата | |||
| Число ступеней рабочих подач | 9 | 9 | |
| Пределы вертикальних рабочих подач на один оборот шпинделя, мм | 0,1...1,6 | 0,1...1,6 | |
| Керування циклами роботи | Ручное | Полуавт. | |
| Наибольшая допустимая сила подачі (осевое усилие на шпинделе)), Н | 1500 | 1500 | |
| Динамическое торможение шпинделя | Есть | Есть | |
| Привод | |||
| Количество електродвигателей на станке | 2 | 3 | |
| Електродвигун приводу головного руху, кВт | 4 | 4 | |
| Електродвигун автоматичного цикла шпинделя, кВт | - | 0,75 | |
| Електродвигун насоса охлаждающей жидкости, кВт | 0,12 | 0,12 | |
| Суммарная мощность електродвигателей, установленных на станке кВт | 4,12 | 4,87 | |
| Габарити і масса верстата | |||
| Габарити верстата (длина ширина высота), мм | 1050 х 850 х 3000 | 1050 х 1400 х 3000 | |
| Масса верстата, кг | 1400 | 1750 |