Виробником токарного верстата з ЧПУ 1П756ДФ3 є Рязанський верстатобудівний завод РСЗ , заснований у 1949 році.
Свій перший верстат Рязанський верстатобудівний завод випустив 21 лютого 1949 - це був токарно-гвинторізний верстат 164 серії. Протягом короткого часу заводом було запущено в виробництво ще три серії токарних верстатів - 166, 165 у 1953 році, 163 у 1956 році.
У міру вдосконалення конструкції верстатів завод випускав все більш сучасні моделі - 1М63 , 1М63Б , 1М63БФ101 , 1М63Н , 16К30 , 1А64 , 16К40 , 1М65 , 1Н65 .
На основі універсальних токарних верстатів Рязанським верстатобудівним заводом був освоєний випуск токарних верстатів з ЧПУ - 16К30Ф3 , 16М30Ф3 , 16К40РФ3, 16Р50Ф3 та ін.
Також заводом освоєно випуск сучасних токарних обробних центрів з числом координат від 4 до 8, токарних верстатів з ЧПУ похилої 1П756ДФ3 і горизонтальної компоновок, трубообробних верстатів 1А983 , 1Н983 - для обробки кінців труб діаметром до 460 мм, колесотокарних, колесотокарних та ін.
Напівавтомат токарний патронний з ЧПУ 1П756ДФ3 призначений для токарної обробки за програмою циліндричних, торцевих, конічних, ступінчастиних та криволінійних поверхонь деталей з чорних та кольорових металів та сплавів, а також для свердління та розточування центральних отворів, нарізування зовнішніх та внутрішніх.
Верстат 1П756ДФ3 призначений для обробки деталей у патроні зі ступінчастиним та криволінійним профілями в умовах дрібносерійного та серійного виробництва.
На верстаті 1П756ДФ3 можна проводити зовнішнє точення, розточування, свердління, нарізування різьблення за програмою.
Токарний напівавтомат 1П756ДФ3 оснащений системою програмного керування – Bosch CNC System 5.
Напівавтомат 1П756ДФ3 високомеханізований, зручний в управлінні, має достатню жорсткість, вібростійкість і високу точність.
Для отримання високої точності обробки у шпиндельній опорі застосовується дуплексований кульковий підшипник.
Кількість зубчастиних коліс у шпиндельній бабці зменшено та підвищено їх точність, збільшено точність направляючих станини та супорта.
Привід головного руху здійснюється від електродвигуна постійного струму.
Переміщення супорта – від високомоментного електродвигуна постійного струму із вбудованим датчиком зворотного зв'язку.
Підвищення точності зубчастиних коліс та скорочення їхньої кількості зменшило вібрації та теплові деформації шпинделя.
Введення замість зубчастиних передач ремінних на швидкісному діапазоні 1:1 та на датчику нарізки різьблення дозволило зменшити шум від роботи напівавтомата.
На напівавтоматі встановлено дві револьверні голівки. Обидві головки встановлені на одній повзушці і знаходяться одна від одної на відстані, достатній для обробки деталей відповідно до керівництва напівавтомата:
Головка восьмипозиційна призначена для закріплення різального інструменту при зовнішній обточці.
Чотиригранна головка призначена для закріплення ріжучого інструменту при внутрішній обробці (розточування, свердління та ін) і дозволяє встановлювати на кожну грань один або два блоки з інструментом.
Розташування дзеркала направляючих станини в похилій площині забезпечує вільний сход і видалення стружки із зони обробки та вільний доступ до оброблюваної деталі.
Накладні сталеві загартовані напрямні поздовжнього та поперечного переміщень у поєднанні з опорами кочення та антифрикційними накладками гарантують тривале збереження точності напівавтомата.
Регулювання частоти обертання шпинделя та подачі дозволяє проводити обробку виробів як із звичайних чорних та кольорових металів, так і із легованих сталей.
У напівавтомат можна вбудовувати вітчизняні та іноземні комплектуючі вироби - систему ЧПУ, головний привід, привід подач, револьверну головку, транспортер стружки та ін.
Передбачена можливість стикування напівавтомата із роботами різних виконань.
Напівавтомат може застосовуватись у комплексі з роботами, у складі автоматичних ділянок та ліній.
Компонування напівавтомата, розміщення на ньому електрошаф та електрообладнання, включаючи пристрій ЧПУ, зосередження всіх органів керування на одному рухомому пульті керування забезпечують значне скорочення виробничої площі, що займає напівавтомат, а також зручність керування ним.
Компонування верстата з розташуванням дзеркала направляючих станини в похилій площині забезпечує вільний схід та видалення стружки із зони обробки та вільний доступ до оброблюваної деталі. Застосування накладних сталевих загартованих направляючих поздовжнього та поперечного ходів у поєднанні з опорами кочення та антифрикційними накладками гарантує тривале збереження точності напівавтомата.
Привід головного руху складається з шпиндельної бабки та двигуна постійного струму. Шпиндельний вузол має жорстку конструкцію та високу вібростійкість.
Приводи поздовжньої та поперечної подач виконані із застосуванням високомоментних електродвигунів, що дозволяє обробляти деталі на інтенсивних режимах різання.
Зміна інструменту на напівавтомат здійснюється автоматично за допомогою двох револьверних головок.
Підведення охолодження до зони різання проводиться через інструментальні блоки.
Стружка видаляється транспортером, що висувається на задній бік напівавтомата.
Клас точності напівавтомата П згідно з ГОСТ 8-77.
Шорсткість поверхонь R а 2,5 мкм за ГОСТ 2789-73.
Розробник - Рязанське спеціальне конструкторське бюро верстатобудування.

Креслення робочого простору токарного верстата 1п756дф3

Креслення робочого простору токарного верстата 1П756ДФ321

Шпиндель токарного верстата 1п756дф3
Шпиндель токарного верстата з ЧПУ 1П756ДФ3. Дивитись у збільшеному масштабі

Револьверні головки токарного верстата 1п756дф3
Револьверні головки токарного верстата з ЧПУ 1П756ДФ3. Дивитись у збільшеному масштабі

Фото токарного верстата 1п756дф3

Фото токарного верстата 1п756дф3
Фото токарного верстата 1п756дф3. Дивитись у збільшеному масштабі

Фото токарного верстата 1п756дф3
Фото токарного верстата 1п756дф3. Дивитись у збільшеному масштабі

Фото токарного верстата 1п756дф3
Фото токарного верстата 1п756дф3. Дивитись у збільшеному масштабі

Фото токарного верстата 1п756дф3
Фото токарного верстата 1п756дф3. Дивитись у збільшеному масштабі
Електросхема з УЧПУ Електроніка НЦ-31 та Болгарськими приводами

Фото електроустаткування токарного верстата 1п756дф3
Фото електроустаткування токарного верстата 1п756дф33. Дивитись у збільшеному масштабі

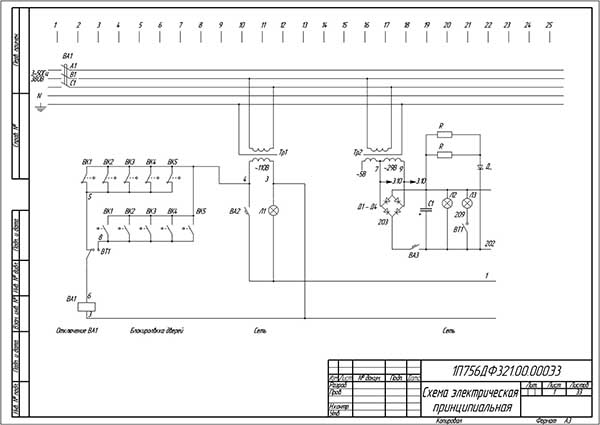
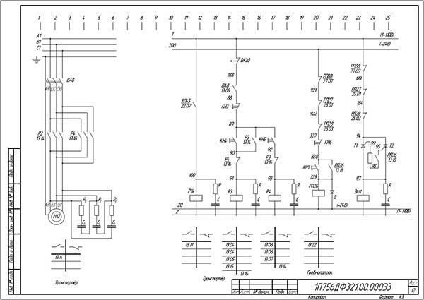
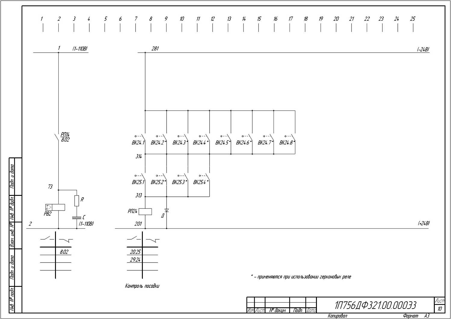
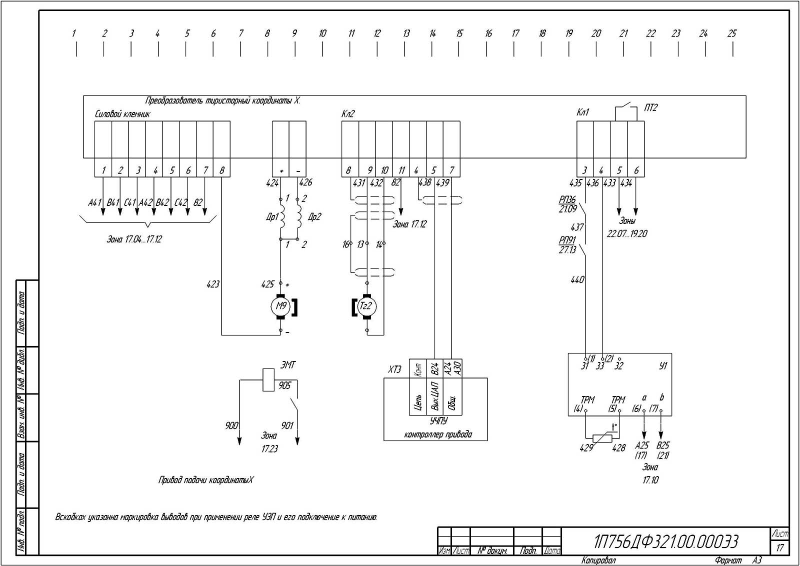
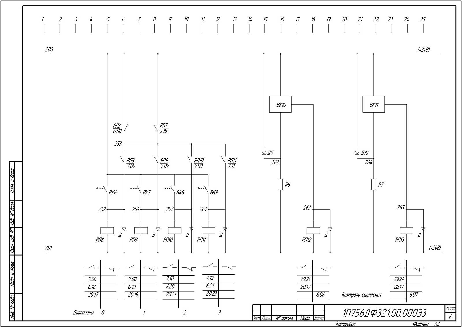
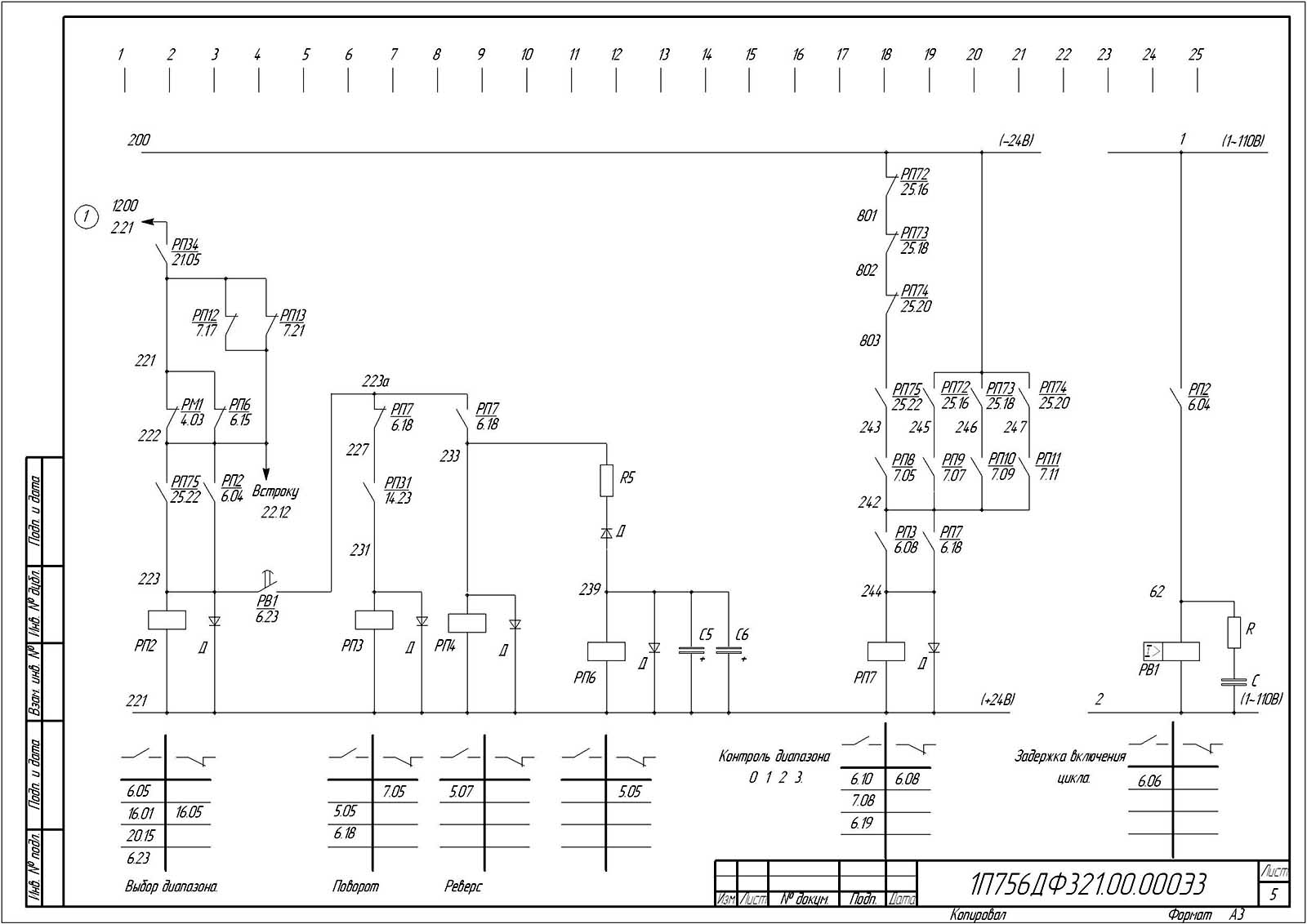
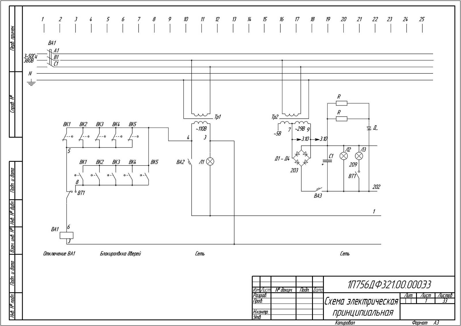
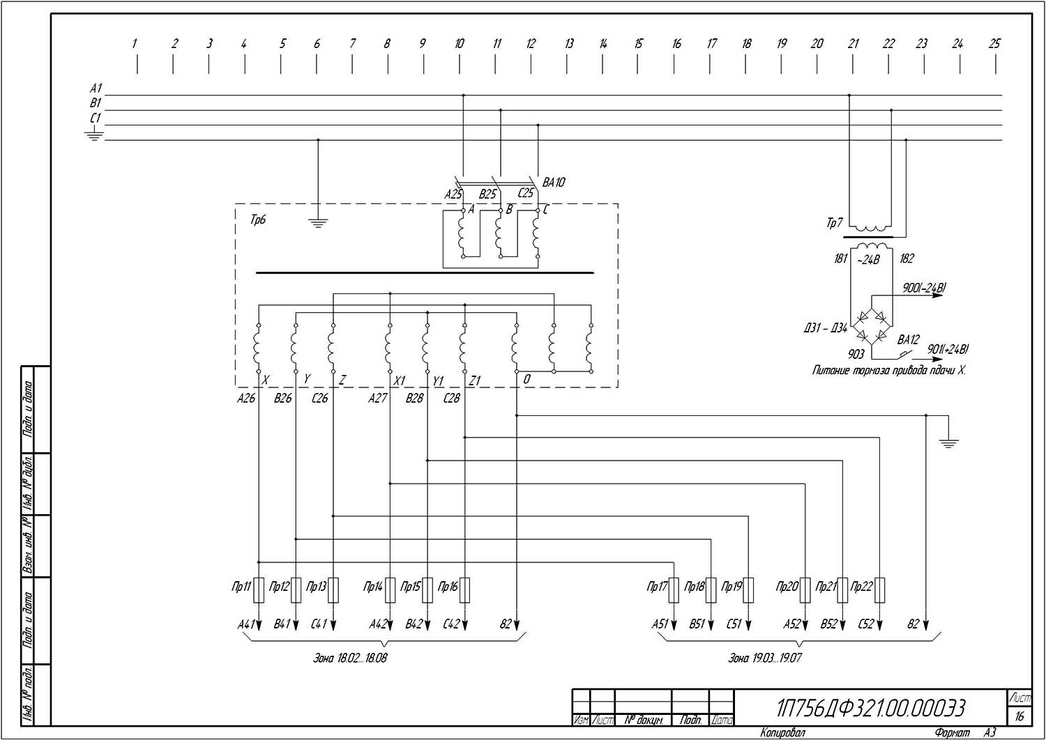
Електрична схема токарного верстата 1П756ДФ3
Електрична схема токарного верстата 1П756ДФ3. Дивитись у збільшеному масштабі

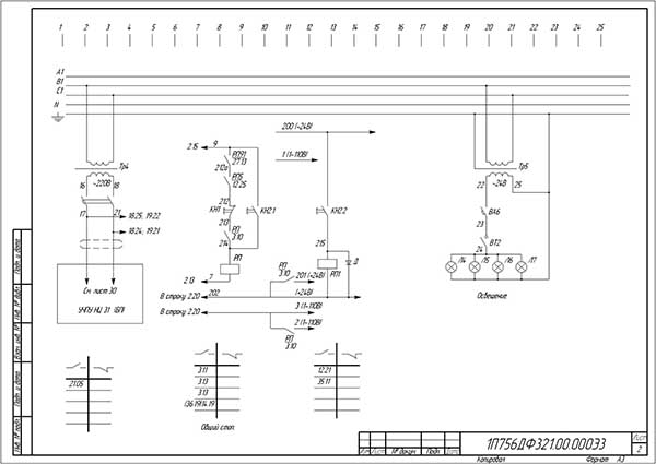
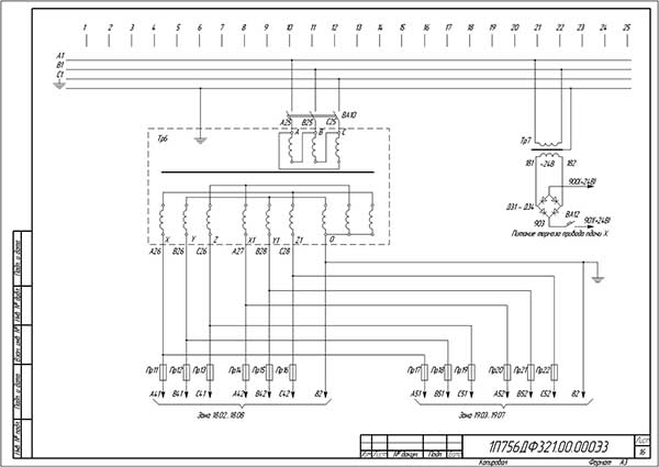
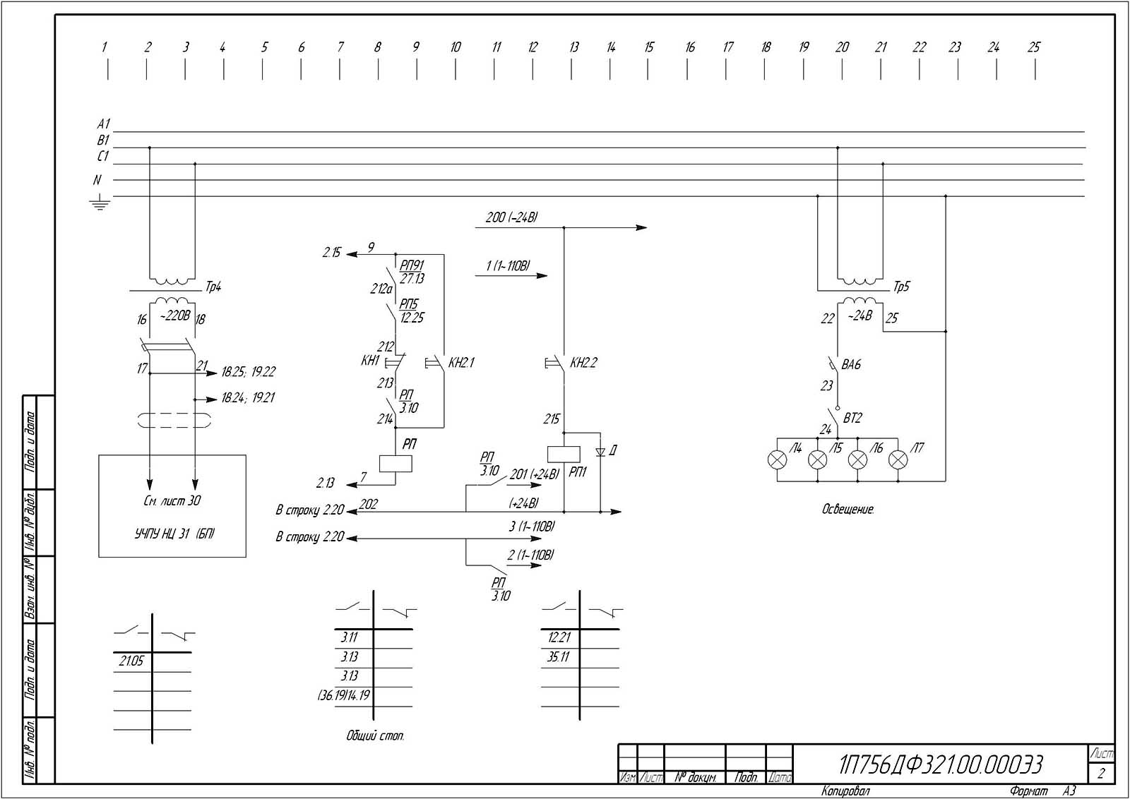
Електрична схема токарного верстата 1П756ДФ3
Електрична схема токарного верстата 1П756ДФ3. Дивитись у збільшеному масштабі

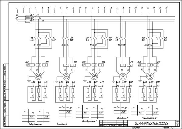
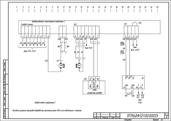
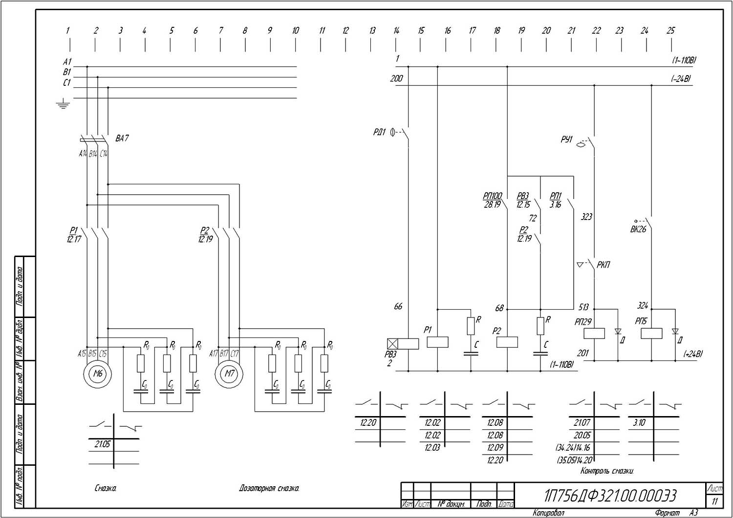
Електрична схема токарного верстата 1П756ДФ3
Електрична схема токарного верстата 1П756ДФ3. Дивитись у збільшеному масштабі

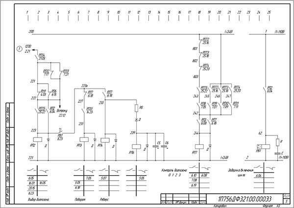
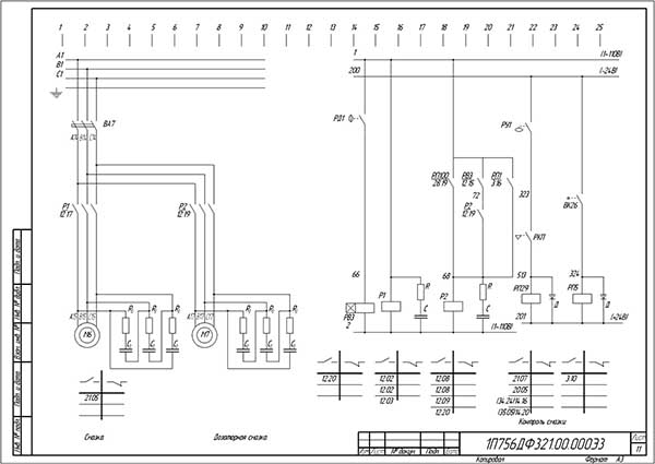
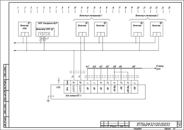
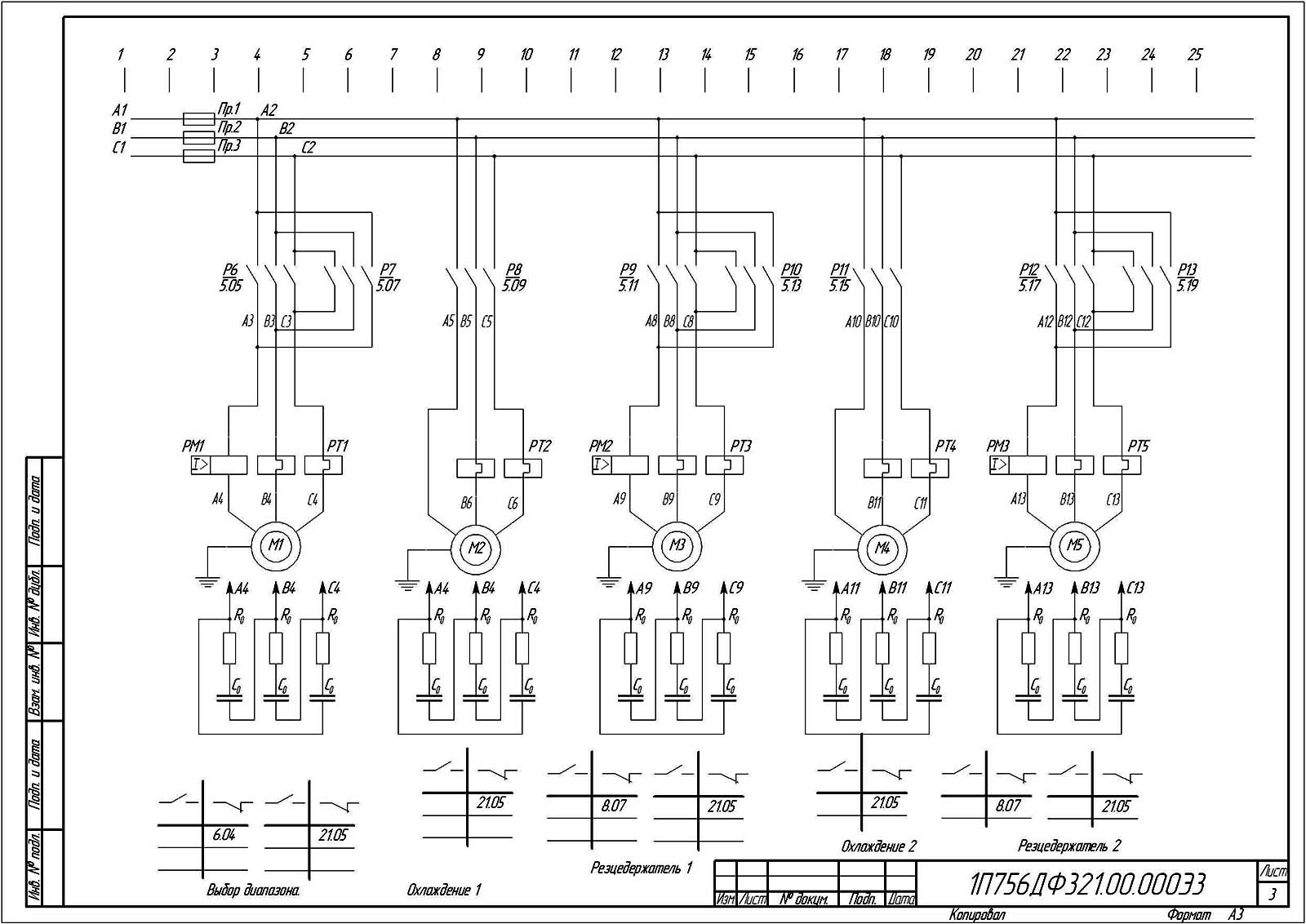
Електрична схема токарного верстата 1П756ДФ3
Електрична схема токарного верстата 1П756ДФ3. Дивитись у збільшеному масштабі

Електрична схема токарного верстата 1П756ДФ3
Електрична схема токарного верстата 1П756ДФ3. Дивитись у збільшеному масштабі

Електрична схема токарного верстата 1П756ДФ3
Електрична схема токарного верстата 1П756ДФ3. Дивитись у збільшеному масштабі

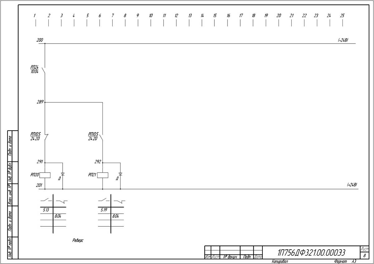
Електрична схема токарного верстата 1П756ДФ3
Електрична схема токарного верстата 1П756ДФ3. Дивитись у збільшеному масштабі

Електрична схема токарного верстата 1П756ДФ3
Електрична схема токарного верстата 1П756ДФ3. Дивитись у збільшеному масштабі

Електрична схема токарного верстата 1П756ДФ3
Електрична схема токарного верстата 1П756ДФ3. Дивитись у збільшеному масштабі

Електрична схема токарного верстата 1П756ДФ3
Електрична схема токарного верстата 1П756ДФ3. Дивитись у збільшеному масштабі

Електрична схема токарного верстата 1П756ДФ3
Електрична схема токарного верстата 1П756ДФ3. Дивитись у збільшеному масштабі

Електрична схема токарного верстата 1П756ДФ3
Електрична схема токарного верстата 1П756ДФ3. Дивитись у збільшеному масштабі

Електрична схема токарного верстата 1П756ДФ3
Електрична схема токарного верстата 1П756ДФ3. Дивитись у збільшеному масштабі

Електрична схема токарного верстата 1П756ДФ3
Електрична схема токарного верстата 1П756ДФ3. Дивитись у збільшеному масштабі

Електрична схема токарного верстата 1П756ДФ3
Електрична схема токарного верстата 1П756ДФ3. Дивитись у збільшеному масштабі

Електрична схема токарного верстата 1П756ДФ3
Електрична схема токарного верстата 1П756ДФ3. Дивитись у збільшеному масштабі

Електрична схема токарного верстата 1П756ДФ3
Електрична схема токарного верстата 1П756ДФ3. Дивитись у збільшеному масштабі

Електрична схема токарного верстата 1П756ДФ3
Електрична схема токарного верстата 1П756ДФ3. Дивитись у збільшеному масштабі

Електрична схема токарного верстата 1П756ДФ3
Електрична схема токарного верстата 1П756ДФ3. Дивитись у збільшеному масштабі

Електрична схема токарного верстата 1П756ДФ3
Електрична схема токарного верстата 1П756ДФ3. Дивитись у збільшеному масштабі

Електрична схема токарного верстата 1П756ДФ3
Електрична схема токарного верстата 1П756ДФ3. Дивитись у збільшеному масштабі

Електрична схема токарного верстата 1П756ДФ3
Електрична схема токарного верстата 1П756ДФ3. Дивитись у збільшеному масштабі

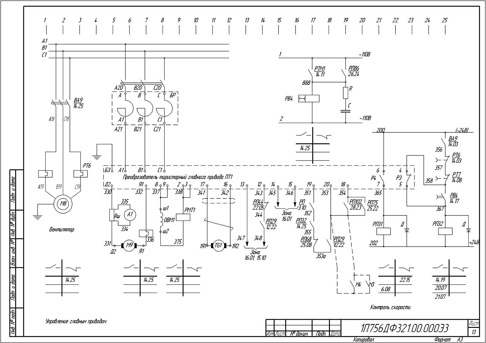
Електрична схема токарного верстата 1П756ДФ3
Електрична схема токарного верстата 1П756ДФ3. Дивитись у збільшеному масштабі

Електрична схема токарного верстата 1П756ДФ3
Електрична схема токарного верстата 1П756ДФ3. Дивитись у збільшеному масштабі

Електрична схема токарного верстата 1П756ДФ3
Електрична схема токарного верстата 1П756ДФ3. Дивитись у збільшеному масштабі

Електрична схема токарного верстата 1П756ДФ3
Електрична схема токарного верстата 1П756ДФ3. Дивитись у збільшеному масштабі

Електрична схема токарного верстата 1П756ДФ3
Електрична схема токарного верстата 1П756ДФ3. Дивитись у збільшеному масштабі

Електрична схема токарного верстата 1П756ДФ3
Електрична схема токарного верстата 1П756ДФ3. Дивитись у збільшеному масштабі

Електрична схема токарного верстата 1П756ДФ3
Електрична схема токарного верстата 1П756ДФ3. Дивитись у збільшеному масштабі

Електрична схема токарного верстата 1П756ДФ3
Електрична схема токарного верстата 1П756ДФ3. Дивитись у збільшеному масштабі

Електрична схема токарного верстата 1П756ДФ3
Електрична схема токарного верстата 1П756ДФ3. Дивитись у збільшеному масштабі

Електрична схема токарного верстата 1П756ДФ3
Електрична схема токарного верстата 1П756ДФ3. Дивитись у збільшеному масштабі
| Найменування параметру | 1P756DF3 | |
|---|---|---|
| Основні параметри верстата | ||
| Клас точності згідно з ГОСТ 8-82 | П | |
| Найбільший діаметр заготовки, що встановлюється над станиною, мм | 630 | |
| Найбільший діаметр оброблюваної в патроні заготовки над станиною, мм | 500 | |
| Найбільший діаметр прутка, що проходить через отвір у шпинделі, мм | 80 | |
| Найбільша довжина виробу встановлюваного в патроні, мм | 320 | |
| Висота різця, що встановлюється в різцетримачі, мм | 32; 25 | |
| Кількість одночасно керованих координат | 2/2 | |
| Висота осі центрів від підошви верстата, мм | 1100 | |
| Допустима маса заготовки зі сталі, кг | ||
| Шпиндель | ||
| Кількість робочих швидкостей шпинделя | Три щаблі - 1:16, 1:4, 1:1 | |
| Межі чисел оборотів шпинделя (безступінчасте регулювання усередині щаблів), об/хв | 8..100; 31,5..400; 125..1600 | |
| Центр шпинделя передньої бабки за ГОСТ 25557-82 | М100 | |
| Кінець шпинделя | 11 М | |
| Найбільший допустимий момент, що крутить, на шпинделі, кН*м | 3,15 | |
| Подання | ||
| Дискретність завдання переміщення поздовжнього (Z)/поперечного (X), мм | 0,01/ 0,005 | |
| Найбільше переміщення супорта: поздовжнє (Z)/поперечне (X), мм | 720/480 | |
| Діапазон швидкостей поздовжніх подач (Z), мм/хв (мм/об) | 1..2000 | |
| Діапазон швидкостей поперечних подач (X), мм/хв (мм/об) | 1..2000 | |
| Швидкість швидких поздовжніх/поперечних ходів, м/хв. | 10 | |
| Кількість позицій на поворотній резцетримці (кількість інструментів у револьверній головці) | 12..16 | |
| Найбільший крок різьби, що нарізається, мм | 39 999 | |
| Допустиме зусилля різання супорта Рz, Py, Pz кН | 10.02.6 | |
| Електроустаткування та привід верстата | ||
| Мережа живлення | ~380 В 50 Гц | |
| Кількість електродвигунів на верстаті | 10 | |
| Електродвигун головного приводу, кВт | 30 | |
| Електродвигун подач по осі X, кВт | 1.7 | |
| Електродвигун подач по осі Z, кВт | 1.7 | |
| Електродвигун насоса охолодження, кВт | 0,15 | |
| Електродвигун восьмипозиційної інструментальної головки, кВт | 0,75 | |
| Електродвигун чотирипозиційної інструментальної головки, кВт | 0,75 | |
| Електродвигун транспортера стружки, кВт | 0,75 | |
| Електродвигун насоса мастила супорта, кВт | 0,08 | |
| Електродвигун насоса змащення передньої бабки, кВт | 0,18 | |
| Сумарна потужність електродвигунів, кВт | ||
| Сумарна потужність верстата, кВт | ||
| Габарити та маса верстата | ||
| Габаритні розміри верстата з ЧПУ (довжина, ширина, висота), мм | 3200 х 2740 х 2600 | |
| Маса верстата з ЧПУ, кг | 9000 |