Виробник токарно-гвинторізного верстата підвищеної точності 16Р25П - Рязанський верстатобудівний завод РСЗ , заснований у 1949 році.
Свій перший верстат Рязанський верстатобудівний завод випустив 21 лютого 1949 - це був токарно-гвинторізний верстат 164 серії. Протягом короткого часу заводом було запущено в виробництво ще три серії токарних верстатів - 166, 165 у 1953 році, 163 у 1956 році.
У міру вдосконалення конструкції верстатів завод випускав все більш сучасні моделі - 1М63 , 1М63Б , 1М63БФ101 , 1М63Н , 16К30 , 1А64 , 16К40 , 1М65 , 1Н65 .
На основі універсальних токарних верстатів Рязанським верстатобудівним заводом був освоєний випуск токарних верстатів з ЧПУ - 16К30Ф3 , 16М30Ф3 , 16К40РФ3, 16Р50Ф3 та ін.
Також заводом освоєно випуск сучасних токарних обробних центрів з числом координат від 4 до 8, токарних верстатів з ЧПУ похилої 1П756ДФ3 і горизонтальної компоновок, трубообробних верстатів 1А983 , 1Н983 - для обробки кінців труб діаметром до 460 мм, колесотокарних, колесотокарних та ін.
Верстат токарно-гвинторізний 16Р25П прямий аналог верстата 16К25 , МК6056 заводу "Червоний пролетар" ім. А.І. Єфремова та верстата СА500 Сасовського верстатобудівного заводу, Саста .
Токарний верстат 16Р25П призначений для виконання різних токарних робіт і нарізування метричної, модульної, дюймової та різьб. Оброблювані деталі встановлюються у центрах чи патроні.
Верстат 16Р25П замінює модель 16К25. За всіма якісними показниками (продуктивності, точності, довговічності, надійності, зручності обслуговування, безпеки роботи тощо) перевершує верстат моделі 1К625. Жорстка коробчата форми станина з гартованими шліфованими напрямними встановлена на монолітній основі.
Верстат 16Р25П призначений для виконання різноманітних чистових токарних робіт із забезпеченням високої точності геометричної форми і шорсткості обробленої поверхні деталі, а також нарізування метричної, дюймової, модульної та різьб.
Область застосування верстата 16Р25П — одиничне, дрібносерійне та серійне виробництво з дрібними партіями деталей, що повторюються.
Гідростатичні опори шпинделя забезпечують стабільність точності параметрів обробленого виробу і тривалу стійкість різального інструменту. Плавність переміщення каретки за мінімальної подачі забезпечується за допомогою піддуву стисненого повітря під напрямні каретки.
Механізоване переміщення верхньої частинини супорта підвищує продуктивність праці, точність та чистоту обробки. На верстаті з використанням пристрою цифрової індикації покращено умови налаштування на діаметральний розмір.
Шпиндель змонтований на прецизійних підшипниках кочення. На супорті є масштабні лінійки з візирами для зручності визначення величини переміщення різцевих та поперечних санок у процесі роботи. Нова конструкція різцетримача покращує стабільність фіксації. Фартух верстата забезпечений оригінальним механізмом вимикання подачі супорта, що забезпечує високу точність зупинки на жорсткому упорі. Комплекс огороджувальних та блокувальних пристроїв гарантує безпеку роботи на верстаті.
Найбільш доцільно використовувати верстат в інструментальних та ремонтних службах в умовах дрібносерійного та одиничного виробництва на чистових та напівчистових роботах.
Верстат 16Р25П має порожнистий шпиндель, що при спец. замовлення дозволяє встановлювати другий патрон і використовувати його для обробки кінців труб газового та нафтового сортаменту діаметром до 90 мм, незалежно від їхньої довжини.
Середній рівень звуку А не перевищує 80 дБа.
Коригований рівень звукової потужності рА не перевищує 96 дБа.
Пристрій цифрової індикації контролює переміщення поперечного супорта і цифровому табло показує його положення щодо довільно вибраного верстатником початку координат.
Основні переваги пристрою цифрової індикації:
Конструкція верстата не передбачає можливості оснащення електронним пристроєм керування (ЧПУ) по контуру, по двох і більше осях.
Літери наприкінці позначення моделі:

Габарити робочого простору токарного верстата 16р25п

Креслення шпинделя токарно-гвинторізного верстата 16р25п

Креслення станины токарно-гвинторізного верстата 16р25п

Фото токарно-гвинторізного верстата 16р25п
Фото токарно-гвинторізного верстата 16Р25П. Завантажити у збільшеному масштабі

Фото токарно-гвинторізного верстата 16р25п
Фото токарно-гвинторізного верстата 16Р25П. Завантажити у збільшеному масштабі

Фото токарно-гвинторізного верстата 16р25п
Фото токарно-гвинторізного верстата 16Р25П. Завантажити у збільшеному масштабі

Фото токарно-гвинторізного верстата 16р25п
Фото токарно-гвинторізного верстата 16Р25П. Завантажити у збільшеному масштабі

Розташування органів керування токарно-гвинторізним верстатом 16р25п

Табличка на шпиндельной бабке верстата 16р25п
Табличка на шпиндельной бабке верстата 16р25п. Скачать в увеличенном масштабе

Табличка на коробке подач верстата 16р25п
Табличка на коробке подач верстата 16р25п. Скачать в увеличенном масштабе

Список графических символів верстата 16р25п
Список графических символів верстата 16р25п. Скачать в увеличенном масштабе
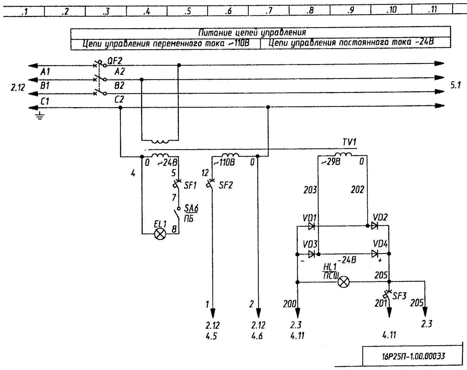
Питание електроустаткування верстата осуществляется от четырехпроводной линии ~380 В, 50 Гц.
Питание ланцюгів керування переменного тока осуществляется напряжением 110В от понижающего трансформатора TV1.
Питание ланцюгів керування постоянного тока осуществляется напряжением 24В от понижающего трансформатора TV1 через выпрямитель VD1...VD4.
Вся аппаратура керування електроприводами смонтирована в електрошкафу, который установлен на передньої бабке верстата, з задньої стороны.
Керування електроприводами верстата дистанционное, кнопкове і осуществляется со следующих мест:
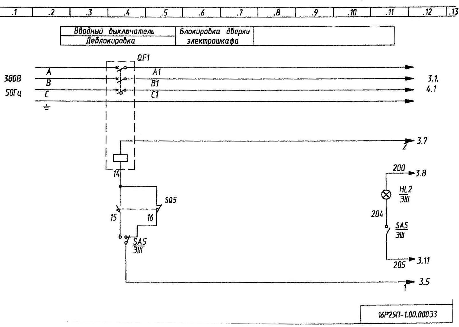
Подключение електроустаткування верстата к цеховой електросети осуществляется з помощью вводного выключателя QF1, установленного внутри шкафа на боковой стенке.
Увімкнення і відключення вводного выключателя производится вручную з помощью рукоятки выключателя, выведенной наружу електрошафи.
Захист електродвигателей і ланцюгів керування от токов короткого замыкания і перегрузок производится автоматическими выключателями і тепловыми реле.
Величины номинальных токов і значений уставок автоматических выключателей і тепловых реле даны в перечне елементів 16Р25П-1.00.000 ПЭ3 і в таблице 1
На станке предусмотрена нулевая защита, осуществляемая размыканием замыкающихся блокконтактов в ланцюги саможивлення магнитных пускачів, исключающая независимо от положения органів керування , самопроизвольное увімкнення верстата при восстановлении внезапно исчезнувшего напряжения.
(см. 16Р25П.00.000Э3 )
Увімкнення і відключення електроустаткування. Перед включением електроустаткування верстата необходимо выполнить наступні операции:
Аварийное відключення електроприводов верстата производится нажатием на одну из кнопок SB5, SB6 красного цвета з грибовидным толкателем увеличенного размера, з принудительным возвратом, расположенных на пультах керування. При етом происходит відключення двигуна Ml з включением торможения муфтой YC1 і з выдержкой часу КТ1 5 сек.
Для снятия напряжения со верстата необходимо отключить вводный выключатель QF1.
Электропривід обертання вироби осуществляется от асинхронного електродвигуна трехфазного тока Ml типа АИР132М4ПУЗ; 11 кВт.
Пуск електродвигуна Ml осуществляется нажатием на кнопки SB3 или SB4 (расположенные на пультах каретки і бабки ) при выключенной фрикционе. При етом размыкающий контакт конечного выключателя SQ1 замкнут. Пускатель КМ1 получает питание і подключает електродвигатель головного руху Ml к сети.
Одновременно з пускачів КМ1 получает питание реле часу КТ1, которое замыканием своего замыкающего контакта включает реле часу КТ2. Реле часу КТ2 в свою очередь замыканием своего замыкающего контакта включает тормозную муфту YC1.
Керування вращением шпинделя осуществляется з помощью фрікциону, включаемого рукояткой. При отключенном фрикционе размыкающий контакт SQ1 остается замкнутым, реле часу КТ1, КТ2 і тормозная муфта YC1 включены. При етом на шкафу загорается сигнальная лампочка HL4 синего цвета.
При работе двигуна M1 на холостой ходу, т.е. фрикцион отключен, реле часу КТ2 з выдержкой часу 150...180с размыкает свой размыкающий контакт і отключает магнитный пускатель КМ1 і соответственно двигатель Ml от сети.
Одновременно з пускателем КМ1 теряет питание реле часу КТ1, которое з выдержкой часу 5с размыкает свой замыкающий контакт і отключает реле часу КТ2, которое в свою очередь размыканием замыкающего контакта отключает тормозную муфту YC1.
При включении фрікциону размыкающий контакт SQ1 размыкается, отключает реле часу КТ2 і обеспечивает работу верстата.
Останов електродвигуна Ml осуществляется нажатием на кнопки SB1 или SB2. Отключается магнитный пускатель КМ1, разрывая ланцюг живлення електродвигуна M1.
С отключением електродвигуна Ml магнитный пускатель КМ1 своим размыкающим контактом включает реле часу КТ2 і тормозную муфту YC1.
Контроль за нагрузкой електродвигуна Ml осуществляется по амперметру РА1.
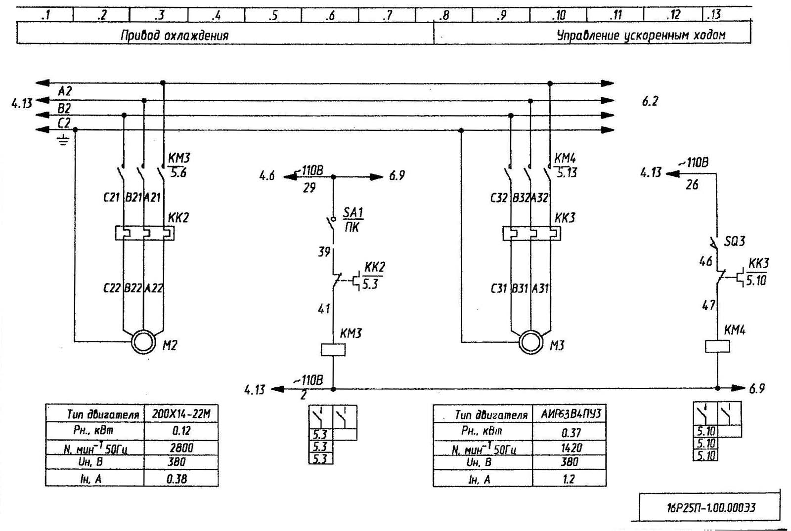
Электропривід быстрых перемещений каретки і суппорта осуществляется от електродвигуна трехфазного тока М3 типа АИР63В4ПУ3; 0,37 кВт.
Пуск електродвигуна М3 осуществляется нажатием на кнопку "Прерывистое вращение", встроенную в головку механической рукоятки.
Включается магнитный пускатель КМ4 і своими контактами подключает електродвигатель М3 к питающей сети.
Направление быстрых перемещений каретки в соответствующую сторону производится з помощью механических муфт.
Электропривід насоса охлаждения осуществляется от електронасоса Х14-22М; 0,12 кВт.
Пуск і зупинка електронасоса М2 производится переключателем SA1, установленным на пульті електрошафи, при включенной електродвигателе M1.
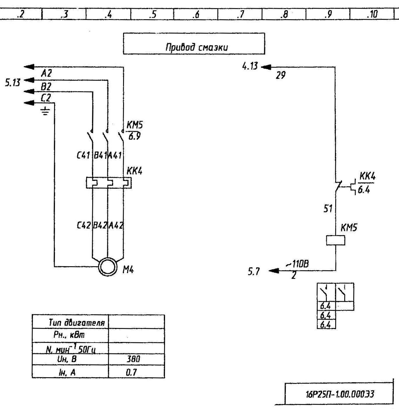
Электропривід змазки верстата осуществляется от встроенного електродвигуна М4
Пуск і зупинка електродвигуна происходит одновременно з пуском головного двигуна Ml.
Освещение зоны різання осуществляется аппаратом местного освещения EL1 з лампочкой на напряжение 24В; 60 Вт, которая питается от трансформатора TV1.
В електрошкафу имеется блокировка, действующая на відключення вводного выключателя QF1 при открывании дверки електрошафи, осуществляемая замыканием размыкающего контакта SQ5 в ланцюги катушки дистанционного расланцюгителя QF1.
При осмотре електроапаратури, а также при наладке електроприводов имеется возможность снятия етой блокировки з помощью переключателя SA5. При переключении в положение "Наладка" блокировка исключается і вводный выключатель QF1 може быть включен при открытой дверке електрошафи. При етом над переключателем загорается сигнальная лампочка HL2, которая указывает на наличие напряжения в електрошкафу. После окончания наладочных работ переключатель SA5 необходимо установить в положение "Работа", в противном случае вводный выключатель QF1 невозможно будет включить при закрытой дверке.
Сигнальная лампочка молочного цвета HL1, расположенной на пульті сигнализации (ПСШ), сигнализирует о наличии напряжения на станке при включенном вводном выключателе QF1.
Сигнальная лампочка HL4 синего цвета сигнализирует о торможении шпинделя.
Блокировка, запрещающая увімкнення електродвигуна Ml при открытом кожухе сменных шестерен осуществляется выключателем SQ6.
Блокировка, запрещающая увімкнення електродвигуна Ml при открытом кожухе ограждения патрона осуществляется выключателем конечным SQ7.
Размыкающие контакты выключателя конечного SQ5 разомкнуты при закрытой дверке електрошафи.
Замыкающий контакт выключателя конечного SQ6 замкнут при закрытом кожухе сменных шестерен.
Замыкающий контакт выключателя конечного SQ7 замкнут при закрытом кожухе ограждения патрона.
Принятые обозначения:

Електрична схема токарно-гвинторізного верстата 16Р25П
Електрична схема токарно-гвинторізного верстата 16Р25П. Дивитись у збільшеному масштабі

Електрична схема токарно-гвинторізного верстата 16Р25П
Електрична схема токарно-гвинторізного верстата 16Р25П. Дивитись у збільшеному масштабі

Електрична схема токарно-гвинторізного верстата 16Р25П
Електрична схема токарно-гвинторізного верстата 16Р25П. Дивитись у збільшеному масштабі

Електрична схема токарно-гвинторізного верстата 16Р25П
Електрична схема токарно-гвинторізного верстата 16Р25П. Дивитись у збільшеному масштабі

Електрична схема токарно-гвинторізного верстата 16Р25П
Електрична схема токарно-гвинторізного верстата 16Р25П. Дивитись у збільшеному масштабі

Список елементів токарно-гвинторізного верстата 16Р25П
Список елементів токарно-гвинторізного верстата 16Р25П. Дивитись у збільшеному масштабі

Список елементів токарно-гвинторізного верстата 16Р25П
Список елементів токарно-гвинторізного верстата 16Р25П. Дивитись у збільшеному масштабі

Список елементів токарно-гвинторізного верстата 16Р25П
Список елементів токарно-гвинторізного верстата 16Р25П. Дивитись у збільшеному масштабі

Список елементів токарно-гвинторізного верстата 16Р25П
Список елементів токарно-гвинторізного верстата 16Р25П. Дивитись у збільшеному масштабі

Список елементів токарно-гвинторізного верстата 16Р25П
Список елементів токарно-гвинторізного верстата 16Р25П. Дивитись у збільшеному масштабі
| Наименование параметра | 16К20 | 16К25 | 16Р25п |
|---|---|---|---|
| Основні параметри верстата | |||
| Класс точності по ГОСТ 8-82 | Н | Н | П |
| Наибольший диаметр заготовки обрабатываемой над станиной, мм | 400 | 500 | 500 |
| Наибольший диаметр заготовки обрабатываемой над суппортом, мм | 220 | 290 | 250 |
| Наибольшая длина устанавливаемой детали РМЦ, мм | 710, 1000, 1400, 2000 | 710, 1000, 1400, 2000 | 750, 1000, 1500, 2000, 3000 |
| Наибольшая длина обтачивания, мм | 645, 935, 1335, 1935 | 645, 935, 1335, 1935 | 685, 935, 1435, 1935, 2935 |
| Наибольшая масса обрабатываемого вироби в центрах, кг | 460..1300 | 650..1800 | 650..1800 |
| Наибольшая масса обрабатываемого вироби в патроне, кг | 200 | 300 | 300 |
| Высота центров над плоскими направляющими станины, мм | 215 | 250 | 250 |
| Наибольшее расстояние от оси центров до кромки резцедержателя, мм | 225 | 275 | 275 |
| Шпиндель | |||
| Диаметр отверстия в шпинделе, мм | 52 | 52 | 95 |
| Наибольший диаметр прутка, проходящий через отверстие в шпинделе, мм | 50 | 50 | |
| Частота обертання шпинделя в прямом направлении, об/мин | 12,5..1600 | 12,5..1600 | 16..2000 |
| Частота обертання шпинделя в обратном направлении, об/мин | 19..1900 | 19..1900 | 16..2000 |
| Количество прямых швидкостей шпинделя | 22 | 22 | 22 |
| Количество обратных швидкостей шпинделя | 11 | 11 | 11 |
| Кінець шпинделя по ГОСТ 12593-72 | 6К | 6К | 11М |
| Коническое отверстие шпинделя по ГОСТ 2847-67 | Морзе 6 | Морзе 6 | Метрический 100 |
| Диаметр фланца шпинделя, мм | 170 | ||
| Наибольший крутящий момент на шпинделе, кНм | 1,0 | ||
| Суппорт. Подачи | |||
| Наибольшее поперечное перемещение суппорта, мм | 300 | 300 | 300 |
| Наибольшая длина продольного переміщення суппорта (обтачивания), мм | 645, 935, 1335, 1935 | 645, 935, 1335, 1935 | 685, 935, 1435, 1935, 2935 |
| Диапазон продольных подач, мм/об (число ступеней) | 0,05..2,8 (22) | 0,05..2,8 (22) | 0,05..2,8 (22) |
| Диапазон поперечных подач, мм/об | 0,025..1,4 | 0,025..1,4 | 0,025..1,4 |
| Количество подач продольных/ поперечных | 22/ 24 | 22/ 24 | 22/ 24 |
| Скорость быстрых перемещений продольных/ поперечных, м/мин | 3,8/ 1,9 | 3,8/ 1,9 | 2/ 1,5 |
| Пределы шагов метрических резьб, мм | 0,5..112 | 0,5..112 | 0,5..112 |
| Пределы шагов дюймовых резьб, ниток/дюйм | 56..0,5 | 56..0,5 | 56..0,5 |
| Пределы шагов модульных резьб, модуль | 0,5..112 | 0,5..112 | 0,5..112 |
| Пределы шагов питчевых резьб, питч диаметральный | 56..0,5 | 56..0,5 | 56..0,5 |
| Цена одного деления лимба продольного/ поперечного переміщення, мм/об | 1/ 0,05 | 1/ 0,05 | 1/ 0,05 |
| Наибольшее усилие, допускаемое механізмом подач продольное на резце/ на упоре, Н | 5884/ 7845 | 5884/ 7845 | 5884/ 7845 |
| Наибольшее усилие, допускаемое механізмом подач поперечное на резце/ на упоре, Н | 3530/ 4510 | 3530/ 4510 | 18500 |
| Резцовые салазки | |||
| Наибольшая длина переміщення, мм | 150 | 150 | 150 |
| Цена одного деления лимба, мм | 0,05 | 0,05 | 0,05 |
| Наибольшее сечение державки резца, мм | 25 х 25 | 25 х 25 | 25 х 25 |
| Задня бабка | |||
| Наибольшее перемещение пиноли, мм | 150 | 150 | 150 |
| Цена одного деления лимба переміщення пиноли, мм | 0,1 | 0,1 | 0,1 |
| Коническое отверстие шпинделя по ГОСТ 2847-67 | Морзе 5 | Морзе 5 | Морзе 5 |
| Величина поперечного смещения корпуса, мм | ±15 | ±15 | ±15 |
| Привід і електрообладнання верстата | |||
| Количество електродвигателей на станке | 4 | 4 | 4 |
| Електродвигун головного привода, кВт (об/мин) | 11 (1460) | 11 (1460) | 11 (1460) |
| Електродвигун приводу швидкого переміщення каретки і суппорта М2, кВт (об/мин) | 0,75 (1370) | 0,75 (1370) | 0,37 |
| Електродвигун насоса охлаждения, кВт (об/мин) | 0,12 (2800) | 0,12 (2800) | 0,12 (2800) |
| Електродвигун гідростанції М4, кВт (об/мин) | 1,1 (1400) | 1,1 (1400) | |
| Електродвигун станції ВГ11, кВт (об/мин) | 0,14 | ||
| Суммарная мощность установленных електродвигателей, кВт | 11,69 | ||
| Габарити і масса верстата | |||
| Габарити верстата (длина ширина высота) РМЦ=1000, мм | 2795 х 1190 х 1500 | 2795 х 1240 х 1500 | 2825 х 1345 х 1600 |
| Масса верстата РМЦ=1000, кг | 3005 | 3095 | 2700 |
Замовити
Хто володіє інформацією – той володіє світом.
Натан Ротшильд