Виробник токарного верстата 16К30Ф3 - Рязанський верстатобудівний завод РСЗ , заснований у 1949 році.
Свій перший верстат Рязанський верстатобудівний завод випустив 21 лютого 1949 - це був токарно-гвинторізний верстат 164 серії. Протягом короткого часу заводом було запущено в виробництво ще три серії токарних верстатів - 166, 165 у 1953 році, 163 у 1956 році.
У міру вдосконалення конструкції верстатів завод випускав все більш сучасні моделі - 1М63 , 1М63Б , 1М63БФ101 , 1М63Н , 16К30 , 1А64 , 16К40 , 1М65 , 1Н65 .
На основі універсальних токарних верстатів Рязанським верстатобудівним заводом був освоєний випуск токарних верстатів з ЧПУ - 16К30Ф3 , 16М30Ф3 , 16К40РФ3, 16Р50Ф3 та ін.
Також заводом освоєно випуск сучасних токарних обробних центрів з числом координат від 4 до 8, токарних верстатів з ЧПУ похилої 1П756ДФ3 і горизонтальної компоновок, трубообробних верстатів 1А983 , 1Н983 - для обробки кінців труб діаметром до 460 мм, колесотокарних, колесотокарних та ін.
Токарний верстат з ЧПУ 16К30Ф3 призначений для токарної обробки поверхонь деталей типу тіл обертання зі ступінчастиним та простим криволінійним профілями та для нарізування різьблення; застосовується в умовах одиничного та дрібносерійного виробництва у цехах машинобудівних заводів та інших галузях промисловості.
Верстат моделі 16К30Ф3 оснащений системою програмного керування Н22-1М.
Основні конструктивні особливості верстата 16К30Ф3 :
З верстатом 16К30Ф3 поставляються транспортер для збирання стружки та пневмопатрон.
Шорсткість оброблених на верстаті поверхонь:
Клас точності верстата П згідно з ГОСТ 8-77.
Верстат призначений для внутрішніх та експортних поставок.
Розробник - Рязанське спеціальне конструкторське бюро верстатобудування.
16К30Ф3 – Верстат токарний з ЧПУ Н22-1М, клас точності Н
16К30Ф30 – Верстат токарний з ЧПУ Електроніка НЦ-31, клас точності Н
16К30Ф302 – Верстат токарний 1975, з ЧПУ ЕМ-907 та АКС-412, клас точності Н
16К30Ф305 – Верстат токарний 1975, з ЧПУ Н22-1М клас точності Н
16К30Ф325 – Верстат токарний 1975, з ЧПУ Н22-1М та АКС-412 та механізованим патроном, клас точності Н
16К30Ф323 – Верстат токарний 1983, з ЧПУ Електроніка НЦ-31, клас точності П
16К30Ф333 – Верстат токарний 1981, з ОСУ Електроніка НЦ-31 та АКС-412, клас точності П
16К30Ф353 – Верстат токарний 1982, з ОСУ Електроніка НЦ-31, тиристорні перетворювачі 8АЕВ16, клас точності П

Габарит робочого простору токарного верстата з ЧПУ 16К30Ф3

Фото токарного верстата з ЧПУ 16К30Ф3
Фото токарного верстата з ЧПУ 16К30Ф3. Дивитись у збільшеному масштабі

Фото токарного верстата з ЧПУ 16К30Ф3
Фото токарного верстата з ЧПУ 16К30Ф3. Дивитись у збільшеному масштабі

Фото токарного верстата з ЧПУ 16К30Ф3

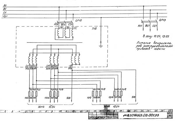
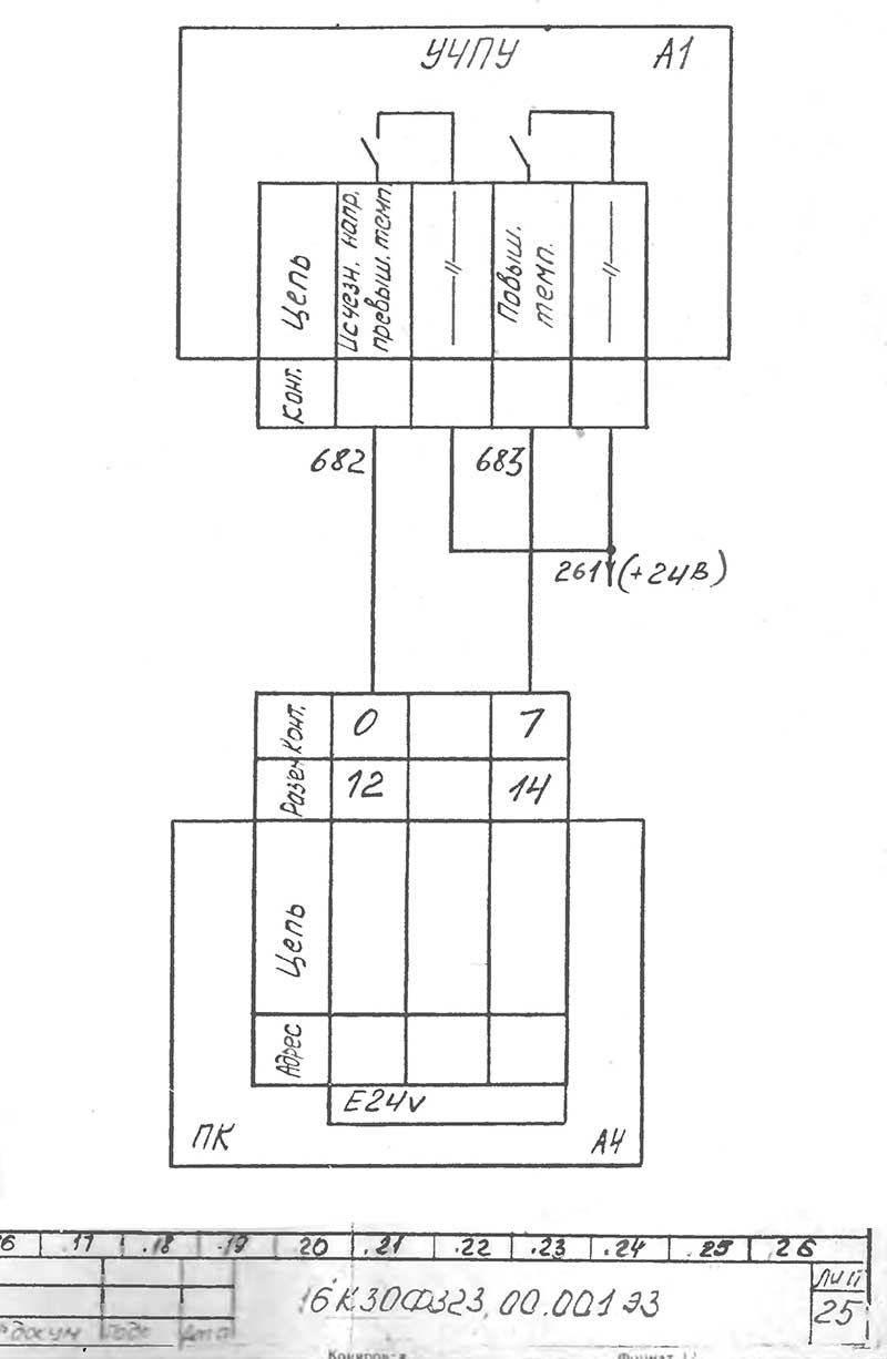
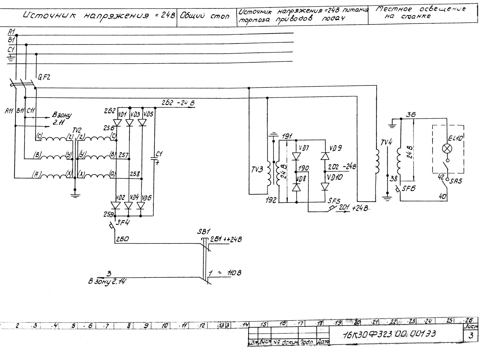
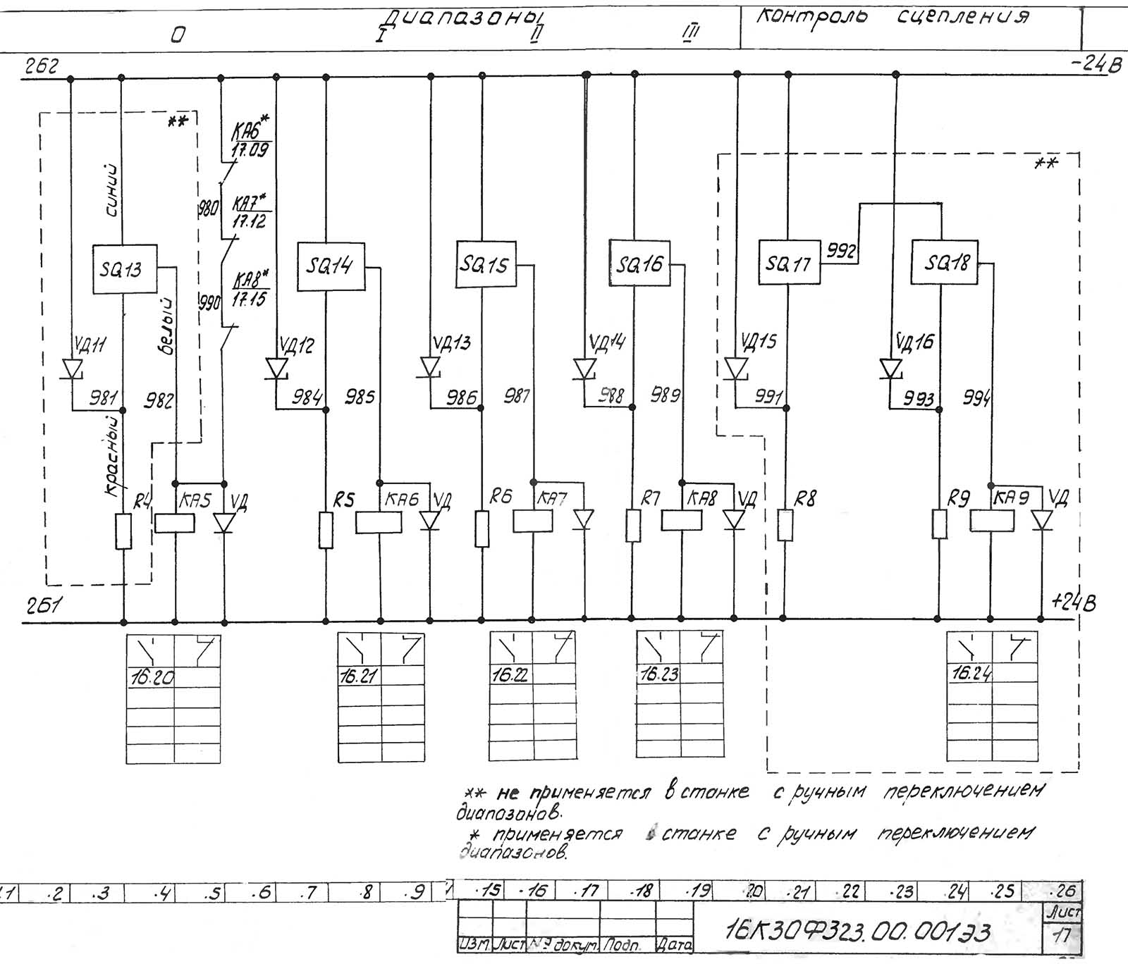
Схема електрична токарного верстата з ЧПУ 16К30Ф3
Схема електрична токарного верстата з ЧПУ 16К30Ф3. Дивитись у збільшеному масштабі

Схема електрична токарного верстата з ЧПУ 16К30Ф3
Схема електрична токарного верстата з ЧПУ 16К30Ф3. Дивитись у збільшеному масштабі

Схема електрична токарного верстата з ЧПУ 16К30Ф3
Схема електрична токарного верстата з ЧПУ 16К30Ф3. Дивитись у збільшеному масштабі

Схема електрична токарного верстата з ЧПУ 16К30Ф3
Схема електрична токарного верстата з ЧПУ 16К30Ф3. Дивитись у збільшеному масштабі

Схема електрична токарного верстата з ЧПУ 16К30Ф3
Схема електрична токарного верстата з ЧПУ 16К30Ф3. Дивитись у збільшеному масштабі

Схема електрична токарного верстата з ЧПУ 16К30Ф3
Схема електрична токарного верстата з ЧПУ 16К30Ф3. Дивитись у збільшеному масштабі

Схема електрична токарного верстата з ЧПУ 16К30Ф3
Схема електрична токарного верстата з ЧПУ 16К30Ф3. Дивитись у збільшеному масштабі

Схема електрична токарного верстата з ЧПУ 16К30Ф3
Схема електрична токарного верстата з ЧПУ 16К30Ф3. Дивитись у збільшеному масштабі

Схема електрична токарного верстата з ЧПУ 16К30Ф3
Схема електрична токарного верстата з ЧПУ 16К30Ф3. Дивитись у збільшеному масштабі

Схема електрична токарного верстата з ЧПУ 16К30Ф3
Схема електрична токарного верстата з ЧПУ 16К30Ф3. Дивитись у збільшеному масштабі

Схема електрична токарного верстата з ЧПУ 16К30Ф3
Схема електрична токарного верстата з ЧПУ 16К30Ф3. Дивитись у збільшеному масштабі

Схема електрична токарного верстата з ЧПУ 16К30Ф3
Схема електрична токарного верстата з ЧПУ 16К30Ф3. Дивитись у збільшеному масштабі

Схема електрична токарного верстата з ЧПУ 16К30Ф3
Схема електрична токарного верстата з ЧПУ 16К30Ф3. Дивитись у збільшеному масштабі

Схема електрична токарного верстата з ЧПУ 16К30Ф3
Схема електрична токарного верстата з ЧПУ 16К30Ф3. Дивитись у збільшеному масштабі

Схема електрична токарного верстата з ЧПУ 16К30Ф3
Схема електрична токарного верстата з ЧПУ 16К30Ф3. Дивитись у збільшеному масштабі

Схема електрична токарного верстата з ЧПУ 16К30Ф3
Схема електрична токарного верстата з ЧПУ 16К30Ф3. Дивитись у збільшеному масштабі

Схема електрична токарного верстата з ЧПУ 16К30Ф3
Схема електрична токарного верстата з ЧПУ 16К30Ф3. Дивитись у збільшеному масштабі

Схема електрична токарного верстата з ЧПУ 16К30Ф3
Схема електрична токарного верстата з ЧПУ 16К30Ф3. Дивитись у збільшеному масштабі

Схема електрична токарного верстата з ЧПУ 16К30Ф3
Схема електрична токарного верстата з ЧПУ 16К30Ф3. Дивитись у збільшеному масштабі

Схема електрична токарного верстата з ЧПУ 16К30Ф3
Схема електрична токарного верстата з ЧПУ 16К30Ф3. Дивитись у збільшеному масштабі

Схема електрична токарного верстата з ЧПУ 16К30Ф3
Схема електрична токарного верстата з ЧПУ 16К30Ф3. Дивитись у збільшеному масштабі

Схема електрична токарного верстата з ЧПУ 16К30Ф3
Схема електрична токарного верстата з ЧПУ 16К30Ф3. Дивитись у збільшеному масштабі

Схема електрична токарного верстата з ЧПУ 16К30Ф3
Схема електрична токарного верстата з ЧПУ 16К30Ф3. Дивитись у збільшеному масштабі

Схема електрична токарного верстата з ЧПУ 16К30Ф3
Схема електрична токарного верстата з ЧПУ 16К30Ф3. Дивитись у збільшеному масштабі

Схема електрична токарного верстата з ЧПУ 16К30Ф3
Схема електрична токарного верстата з ЧПУ 16К30Ф3. Дивитись у збільшеному масштабі

Схема електрична токарного верстата з ЧПУ 16К30Ф3
Схема електрична токарного верстата з ЧПУ 16К30Ф3. Дивитись у збільшеному масштабі

Схема електрична токарного верстата з ЧПУ 16К30Ф3
Схема електрична токарного верстата з ЧПУ 16К30Ф3. Дивитись у збільшеному масштабі

Схема електрична токарного верстата з ЧПУ 16К30Ф3
Схема електрична токарного верстата з ЧПУ 16К30Ф3. Дивитись у збільшеному масштабі
| Найменування параметру | 16K30FS353 | 16K30FS333 |
|---|---|---|
| Основні параметри верстата | ||
| Клас точності верстата П за ГОСТ 8-77 | П | П |
| Позначення системи ЧПУ | NC-31 | NC-31 |
| Найбільший діаметр виробу, що обробляється над станиною, мм | 630 | 630 |
| Найбільший діаметр виробу, що обробляється над супортом, мм. | 320 | 320 |
| Найбільша довжина виробу, що обробляється, мм | 1400 | 1400 |
| Шпиндель | ||
| Діаметр отвору в шпинделі, мм | 71 | 71 |
| Найбільший діаметр прутка, що проходить через отвір у шпинделі, мм | 70 | 70 |
| Кількість швидкостей шпинделя (загальне/ за програмою) | 24/12 | 24/12 |
| Межі оборотів шпинделя, об/хв | 6,3..1600 | 6,3..1250 |
| Центр шпинделя за ГОСТ 13214-67 | ||
| Кінець шпинделя за ГОСТ 12593-72 | 11 М | 11 М |
| Найбільший момент, що крутить, на шпинделі, кгс*м | 340 | |
| Супорт | ||
| Найбільше переміщення супорта: поздовжнє/поперечне, мм | 1200/300 | 1200/300 |
| Висота різця, що встановлюється в різцетримачі, мм | 32 | 32 |
| Кількість інструментів, що встановлюються в різцетримач, мм | 4, 8 | 4, 8 |
| Максимальна швидкість поздовжньої подачі при нарізуванні різьблення, мм/хв. | 2400 | 2400 |
| Найбільша величина подачі в режимі автоматичного керування, мм/хв. | 2400 | 2400 |
| Розміри нарізуваних метричних різьблень, мм | 0,01...20,47 | 0,01...20,47 |
| Діапазон швидкостей подач (поздовжніх та поперечних), мм/хв. | 0,01...20,47 | 0,01...20,47 |
| Швидкість швидких ходів (поздовжніх/поперечних), мм/хв. | 6000/5000 | 6000/5000 |
| Дискретність переміщення (подовжнього/поперечного, мм | 0,05/ 0,01 | |
| Максимальна швидкість в режимі ручного керування, мм/об | 1,5 | 1,5 |
| Найбільше зусилля подачі (поздовжнє/поперечне), кН | 15/5 | 15/5 |
| Задня бабка | ||
| Центр шпинделя задньої бабки за ГОСТ 13214-67 | Морзе 6 | |
| Найбільше переміщення пінолі, мм | 240 | |
| Найбільше переміщення пінолі від гідроциліндра, мм | 100 | |
| Параметри систем ЧПУ | ||
| Позначення системи ЧПУ | NC-31 | |
| Кількість керованих координат (всього/ одночасно | 2/ 2 | |
| Тип датчика нульового положення | ||
| Тип датчика зворотного зв'язку | Фотоімпульсні | |
| Електроустаткування та приводи верстата | ||
| Електромережа | 380/220 В,50 Гц | |
| Кількість електродвигунів на верстаті | 6 | |
| Електродвигун головного приводу, кВт (об/хв) | 22 (1460) | 22 (1460) |
| Електродвигун приводів подач, кВт (об/хв) | 2,8 (500) | 2,8/ 500 |
| Електродвигун різцетримки, кВт (об/хв) | 0,5 (1415) | 0,5 (1415) |
| Електродвигун станції мастила, кВт (об/хв) | 1,5 (1440) | 1,5 (1440) |
| Електродвигун насоса охолодження, кВт (об/хв) | 0,12 (2800) | 0,12 (2800) |
| Сумарна потужність електродвигунів, кВт | ||
| Сумарна потужність верстата, кВт | ||
| Габарити та маса верстата | ||
| Габарити верстата (довжина x ширина x висота), мм | 5290 х 3470 х 2105 | 5290 х 3470 х 2105 |
| Маса верстата з ЧПУ, кг | 7800 | 7800 |