Виробник токарного верстата з ЧПУ ТС1625Ф3 - СтанкоМашКомплекс, АТ .
Токарний верстат ТС1625Ф3 призначений для токарної обробки зовнішніх та внутрішніх поверхонь деталей зі ступінчастиним та криволінійним профілем в осьовому перерізі у замкнутому напівавтоматичному циклі.
Верстат може оснащуватися різними системами ЧПУ: які одночасно керують двома координатами, здійснюють зміну значень подач, перемикання частот обертання шпинделя, індексацію різцевої головки та нарізування різьблення за програмою.
Верстати ТС1625Ф3 можуть комплектуватися знімними інструментальними головками з 8, 6, 12 – позиційними різцетримачами з горизонтальною віссю повороту.
Особливості конструкції:
Область застосування: Дрібносерійне, серійне виробництво.
Клас точності Н згідно з ГОСТ 8-82.
Вид кліматичного виконання за ГОСТ15150-69: УХЛ4.

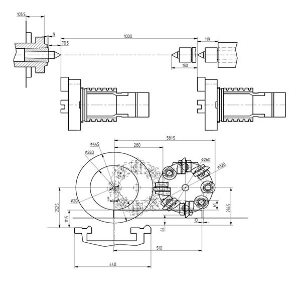
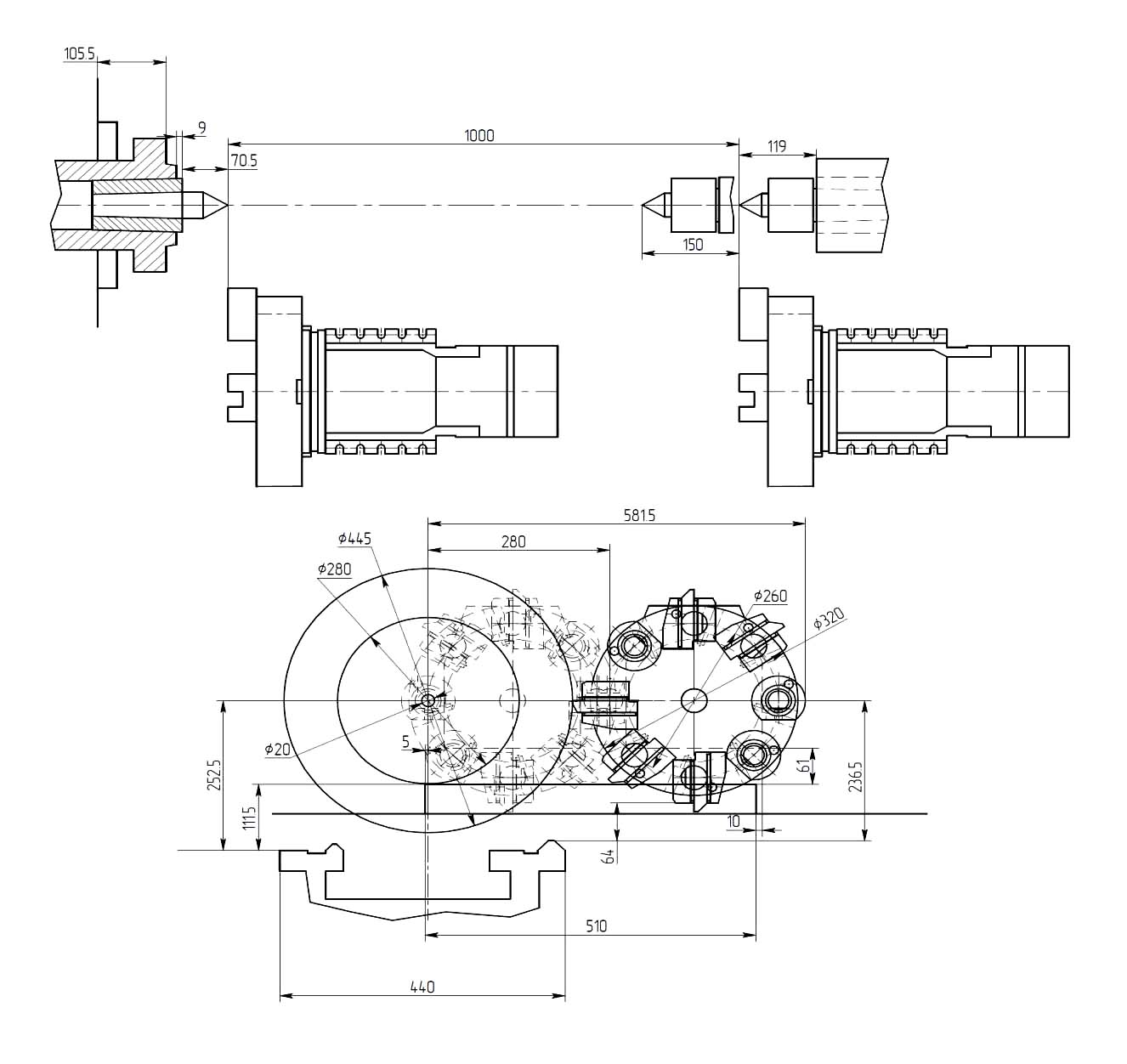
Карта можливостей верстата ТС1625Ф3 з ТС80x8 VDI40

Карта можливостей верстата ТС1625Ф3 з УГ9326-06

Фото токарного верстата з ЧПУ ТС1625Ф3
Фото токарного верстата з ЧПУ ТС1625Ф3. Дивитись у збільшеному масштабі

Фото токарного верстата з ЧПУ ТС1625Ф3
Фото токарного верстата з ЧПУ ТС1625Ф3. Дивитись у збільшеному масштабі

Фото токарного верстата з ЧПУ ТС1625Ф3
Фото токарного верстата з ЧПУ ТС1625Ф3. Дивитись у збільшеному масштабі

Фото токарного верстата з ЧПУ ТС1625Ф3
Фото токарного верстата з ЧПУ ТС1625Ф3. Дивитись у збільшеному масштабі

Розташування основних вузлів верстата ТС1625Ф3
Розташування основних вузлів верстата ТС1625Ф3. Дивитись у збільшеному масштабі
Верстат ТС1625Ф3 сконструйований на базі токарно-гвинторізного верстата 16а20ф3 , але завдяки сучасним технологіям конструкція верстата значно вдосконалена.
Збільшено кількість ребер жорсткості верстата ТС1625Ф3. Завдяки сучасним способам виготовлення ливарного оснащення вдалося зменшити габарити основи верстата і при цьому збільшити його жорсткість. Маса основи збільшена до 1400 кг. У передню частину тумби вдалося вмістити не лише масляний бак шпиндельної бабки, а й двигун головного руху. Змінено конфігурацію для покращення зливу СОЖ та зручності прибирання стружки. На задній стінці з'явився відлив для виключення патьоків СОЖ при збиранні стружки в кагат.
Загальна ширина напрямних збільшена з 410 мм до 440 мм. Істотно збільшено відстань від призми до задньої стінки з 385 мм до 440 мм.
Діаметр заготівлі, що провертається над станиною, доведений до 580 мм.
Потовщено стінку корпусу шпиндельної бабки, збільшено габарити корпусу. Збільшилася опорна площина передніх та задніх шпиндельних підшибників.
При виборі тієї чи іншої конструктивної схеми шпиндельного вузла ґрунтувалися головним чином на жорсткості конструкції та її швидкохідності, що характеризується коефіцієнтом швидкохідності d х n (де d – діаметр отвору підшипника, у передній опорі шпинделя, мм; n – максимальна частота обертання, об/х; ). Збільшення швидкохідності завжди спричиняє зменшення жорсткості шпиндельного вузла і навпаки. При цьому до передньої опори шпиндельного вузла пред'являються вищі вимоги, ніж до задньої, і, в першу чергу, по точності і жорсткості. Передня опора в більшості випадків сприймає не тільки радіальне, а й осьове навантаження, монтується на більш точних і жорстких підшипниках, має більший діаметр шийки шпинделя під підшипники, ніж у задній опорі.
Кінематична схема шпиндельного вузла верстата ТС1625Ф3 з обозначениями підшибників
У конструкціях шпиндельних вузлів металорізальних верстатів вітчизняного виробництва широкого поширення набув дворядний роликовий підшипник типу 3182100, так званий «трьохмільйонник». Шпиндельні вузли з дворядним роликовим підшипником типу 3182100 і завзято-радіальним кульковим підшипником типу 178800 застосовують у середніх та важких токарних станках. У передній опорі перший підшипник призначений для сприйняття радіального навантаження, другий – для осьової. Це рішення застосовувалося раніше на станках 16К30 У виробництва «Рязанський верстатобудівний завод».
Діаметр шпинделя у передній опорі d = 120 мм. Вузол характеризується відносно високою швидкохідністю d х n = 2 * 10 ^ 5 мм х об / хв.
Збільшилося граничне динамічне навантаження та довговічність шпиндельного вузла. Збільшено межу номінального навантаження.
Діаметр прохідного отвору в шпинделі збільшився з 55 мм до 77 мм;
Збільшено габарити корпусу задньої бабки. Внаслідок цього жорсткість задньої бабки збільшилася на 14.8%. При опусканні затискної рукояті під корпус задньої бабки висуваються ролики для полегшення її переміщення по напрямних станка. Це рішення позбавляє споживача від підключення стисненого повітря до станка, як це було на 16А20Ф3.
Збільшилася загальна продуктивність станка при силовому точенні. Випробування на граничне зусилля різання показало, що стійке точення можливе при товщині стружки, що знімається, 8 мм і вище. Ріжуча здатність збільшилася щонайменше на 25%. (Матеріал заготовки: пруток сталь 45, матеріал ріжучого інструменту: сталь швидкорізальна).
Ступінь шорсткості обробленої поверхні покращилася з Ra1.6 до Rа 0.8.
Верстат ТС1625Ф3 може комплектуватися наступними револьверними головками:
Револьверні головки мають інструментальні диски під статичні блоки VDI-40 згідно з DIN 69880. У складі інструментального налагодження можуть застосовуватися такі форми оснастки: /C1, B2/C2, B3/C3, B4/C4, А1, А2 та багато інших.
Застосування сучасної револьверної головки ТС80×8 дає можливість проводити зміну інструменту в обидві сторони, по найкоротшій відстані. Зміна інструменту в сусідніх позиціях займає лише 0,8 секунди. Забезпечено високу точність позиціонування револьверного диска: 0.008 мм.

Револьверна головка TC80×8
Револьверна головка TC80×8. Дивитись у збільшеному масштабі
Для розширення можливості контролю геометрії інструменту та деталей, що виготовляються в автоматичному режимі на верстаті ТС1625Ф3, конструкторським відділом реалізовано проекти з використання датчиків фірми Renishaw:
Датчик фірми Renishaw для налаштування на технологічну операцію, контролю в процесі обробки та моніторингу результатів обробки OLP40 дозволяє при різанні металу враховувати зміни параметрів процесу обробки, таких як деформацію деталі, прогин інструменту та теплове розширення; дозволяє оновлювати системи координат, параметри, значення корекції та алгоритм виконання програми з урахуванням фактичного стану металу.
Для автоматичного виявлення несправного інструменту та налагодження інструменту використовується датчик Renishaw HPMA.
На сьогоднішній момент на замовлення споживачів розроблено та реалізовано проекти щодо встановлення наступних систем ЧПУ:

Sinumerik 828D Basic CNC система
Система ЧПУ Sinumerik 828D Basic входить до базової комплектації станка.
Переваги системи ЧПУ Sinumerik 828D Basic:

Привідна система SINAMICS S120 Combi
Привідна система SINAMICS S120 Combi завдяки безлічі технічних інновацій задає нові масштаби цього класу приводів.
SINAMICS S120 Combi поєднує мережне УП з підтримкою рекуперації, а також 3 або 4 модулі двигуна для шпинделя та двигунів подачі, в одному силовому модулі. При цьому потужність шпинделя досягає 16 кВт, а сила струму для двигунів подачі 12 A. SINAMICS S120 Combi відповідає типовим технічним вимогам стандартних компактних токарних станків, при цьому вона є ідеальним приводом для роботи в комбінації з компактними СЧПУ SINUMERIK 828D BAS.
Переваги приводної системи SINAMICS S120 Combi:

Шпиндельний двигун 1PH8
Двигуни шпинделів 1PH8 – максимум потужності для шпинделя.
Мінімальний час розгону та широкий діапазон частот обертання з високою потужністю забезпечать максимальну продуктивність станка.
Двигуни 1PH8 це компактні асинхронні двигуни з короткозамкненим ротором і ступенем захисту IP55. Залежно від завдань регулювання, пропонуються різні датчики для аналізу частоти обертання двигуна та непрямого становища.

Двигатели подачі 1FK7
Двигуни подачі 1FK7 – максимальна точність у верстаті.
Робочі характеристики та точність системи ЧПУ та приводу повною мірою розкриваються при передачі на осі станка. Саме тут потрібні двигуни подачі 1FK7 зі своїми ідеальними динамікою і точністю. Двигуни 1FK7 це компактні синхронні двигуни з збудженням від постійних магнітів. У комбінації з приводною системою SINAMICS S120 двигуни 1FK7 утворюють потужну систему з широкою функціональністю. Двигуни розраховані на роботу без зовнішньої вентиляції і відводять втрати тепла, що виникають через корпус. Двигуни 1FK7 мають високе допустиме навантаження.
Чудова основа для безпечної роботи на верстаті – система безпеки Drive Based Safety Integrated у складі ЧПУ SINUMERIK 828D BASIC.
Safety Integrated – платформа для реалізації сучасних функцій безпеки обладнання. Safety Integrated пропонує інтегровані функції безпеки для високоефективного захисту персоналу та обладнання. Функції безпеки відповідають вимогам категорії 3, а також Performance Level PL d DIN EN ISO 13849-1 та safety integrity level SIL 2 DIN EN 61508. У об'єм функцій включені, наприклад: функції для безпечного контролю стану спокою швидкості.
| Найменування параметру | 16k20F3 | 16a20F3 | ts1625f3 |
|---|---|---|---|
| Основні параметри верстата | |||
| Позначення системи ЧПУ | 2P22 | 2P22 | Siemens 828D |
| Найбільший діаметр оброблюваного виробу типу диск над станиною, мм. | 400 | 320 | 520 |
| Найбільший діаметр оброблюваного виробу над супортом, мм | 220 | 200 | 280 |
| Найбільший діаметр встановлюваного виробу над станиною, мм | 500 | 500 | 580 |
| Діаметр отвору в шпинделі, мм | 53 | 55 | 77 |
| Найбільша довжина виробу, що встановлюється в центрах (РМЦ), мм. | 1000 | 1000 | 1000, 1500 |
| Найбільша довжина виробу, що обробляється при числі позицій інструментальної головки (6, 8, 12), мм | 870 | 900,750,850 | 900,750,850 |
| Найбільша вага заготівлі, кг | 500 | ||
| Точність позиціонування по осях X/Z, мм | ±0,005 | ||
| Повторюваність позиціонування осей X/Z, мм | ±0,003 | ||
| Ширина направляючих, мм | 440 | ||
| Шпиндель | |||
| Потужність двигуна головного руху, кВт | 11 | 11 | |
| Кількість робочих швидкостей шпинделя | 22 | ||
| Межі оборотів шпинделя, об/мин | 12,5..2000 | 20..2500 | 10..1650 |
| Діапазон швидкостей шпинделя, що встановлюється вручну, об/хв | Ряд I - 12.5..200 Ряд II - 50..800 Ряд III - 125..2000 |
Ряд I - 20...345 Ряд II - 60...1000 Ряд III - 145...2500 |
I 10-214; II 64-672; III 160-1650 |
| Кількість швидкостей, що автоматично перемикаються | 9 | ||
| Діапазон автоматичного перемикання | 16 | ||
| Центр шпинделя передньої бабки по ГОСТ 13214-67 | Морзе №6 | Морзе №6 | метричний 90 (1:20) |
| Центр пиноли задньої бабки по ГОСТ 13214-67 | Морзе №5 | Морзе №5 | |
| Кінець шпинделя по ГОСТ 12593-72 | 6К | 6К | Д8 по ГОСТ 26651-85 |
| Найбільший тривалий момент, що крутить, на шпинделі не менше, Нм (кгс*м) | 800 (80) | 966 | |
| Найбільший короткочасний (до 30 хвилин) момент, що крутить, на шпинделі не менше, Нм (кгс*м) | 2288 | ||
| Діаметр кулачкового патрона 3x, мм | 250 | ||
| Осі. Подання | |||
| Найбільше поздовжнє переміщення супорта (Z), мм | 900 | 905 | 1000, 1500 |
| Найбільше поперечне переміщення супорта (X), мм | 250 | 210 | 290 |
| Межі кроків різьб, що нарізаються, мм | 0,1..39,999 | 0,25...40 | |
| Діапазон швидкостей поздовжніх подач, мм/хв (мм/об) | 3..2000 | 10..2000 (2,8) | 0,01..6000 |
| Діапазон швидкостей поперечних подач, мм/хв (мм/об) | 3..2000 | 5..1000 (1,4) | |
| Швидкість швидких поздовжніх/поперечних ходів, м/хв. | 7,0/ 4,0 | 15/ 7,5 | 12/ 8 |
| Різцетримка. Револьверна головка | |||
| Висота різця, мм | 25 | 25 | |
| Кількість позицій на поворотній різцетримці (кількість інструментів у револьверній головці) | 6 | 8 (6,12) | 8, 12 |
| Розмір хвостовика ріжучого інструменту, мм | VDI40, (VDI30 додатково) | ||
| Задня бабка | |||
| Перемещение задньої бабки, мм | до картриджа | ||
| Висування пиноли задньої бабки, мм | 150 | ||
| Діаметр пінолі, мм | 75 | ||
| Конус пиноли механической задньої бабки, № | Морзе 5 | ||
| Параметри системи ЧПУ | |||
| Позначення системи ЧПУ | 2P22 | 2P22 | Siemens 828D |
| Число координат | 2 | 2 | 2 |
| Кількість одночасно керованих координат | 2 | 2 | 2 |
| Дискретність завдання координат у поздовжньому/поперечному напрямку (дискретність завдання по осі Z, X) | 0,001 | 0,001 | |
| Межі програмованих подач поздовжніх/поперечних, мм/про | 0,01...20/ 0,01..10 | ||
| Тип датчика зворотного зв'язку за положенням та різьбонарізуванням | РОД-620 | ВЕ178А5 | |
| Електроустаткування верстата | |||
| Електродвигун головного приводу - длительно/ до 30 минут, кВт (об/мин) | 11 (1460) | 11 (1500) | 10/ 25 |
| Електродвигун поздовжніх подач - номінальний момент, що крутить, Нм (кгс*м) | 23 (2,3) | 1,9 | |
| Електродвигун поперечних подач - номінальний момент, що крутить, Нм (кгс*м) | 17 (1,7) | 1,9 | |
| Електродвигун станції змазки каретки, кВт/ об/мин | 0,18/ 1400 | ||
| Електродвигун станції змазки шпиндельной бабки, кВт/ об/мин | 0,27/ 1450 | ||
| Електродвигун насоса охолодження, кВт/об/хв. | 0,12/ 2800 | ||
| Електродвигун інструментальної головки, кВт/об/хв | 0,37/ 1365 | ||
| Сумарна потужність електродвигунів, кВт | 20 | 21,4 | |
| Сумарна потужність верстата, кВт | 22 | 24 | 35,5 |
| Габарити і масса верстата | |||
| Габаритні розміри станку з ЧПУ (довжина, ширина, висота), мм | 3700 х 1700 х 2145 | 3700 х 3000 х 2100 | 2775, 3475 х 1585 х 1670 |
| Масса верстата з ЧПУ, кг | 4050 | 4150 | 3380, 3680 |