metalinstryment.com
Довідник по металорізальних верстатів та пресовому обладнанні

TOS FN-40 Верстат фрезерный універсальний
схеми, опис, характеристики

TOS FN-40 Верстат фрезерный універсальний







Відомості про виробника універсального фрезерного верстата TOS FN40

Верстат універсальний фрезерный моделі TOS FN40 выпускал TOS Čelákovice, завод Zebrák, Чехословакия.





Верстати, выпускаемые в Чехословакии


FN-40 Назначение і область применения універсального фрезерного верстата

Инструментальный универсально-фрезерньй верстат FN-40 является самым тяжелым типом серийного ряда инструментальных универсально-фрезерных верстатів FN-20, FN-32, FN-40.

Данный серийный ряд является продолжением испытанных верстатів FN-22А і FN-25.

Особливості конструкції і принцип роботи верстата

При разработке конструкції фрезерного верстата FN-40 принимались во внимание как опыт, приобретенный при производстве предшествующих типов, так і пожелания і замечания заказчиков.

Верстат традиционно компонован в виде системы 3 взаимно переставляемых блоков, причем приводной механізм находится в станине і основании верстата. Подвижная шпиндельна бабка, шпиндель которой вращается в підшипниках качения, производит рух поперечної подачі. Продольная і вертикальная подачі осуществляются з помощью консоли з вертикальным столом.


Стандартные принадлежности верстата





Фото універсального фрезерного верстата FN-40

Фото універсального фрезерного верстата FN-40

Фото універсального фрезерного верстата TOS FN-40

Фото універсального фрезерного верстата FN-40. Увеличенный чертеж



Фото універсального фрезерного верстата FN-40

Фото універсального фрезерного верстата TOS FN-40

Фото універсального фрезерного верстата FN-40. Увеличенный чертеж



Фото універсального фрезерного верстата FN-40

Фото універсального фрезерного верстата TOS FN-40

Фото універсального фрезерного верстата FN-40. Увеличенный чертеж



Фото універсального фрезерного верстата FN-40

Фото універсального фрезерного верстата TOS FN-40

Фото універсального фрезерного верстата FN-40. Увеличенный чертеж



Фото універсального фрезерного верстата FN-40

Фото універсального фрезерного верстата TOS FN-40

Фото універсального фрезерного верстата FN-40. Увеличенный чертеж



Фото універсального фрезерного верстата FN-40

Фото універсального фрезерного верстата TOS FN-40

Фото універсального фрезерного верстата FN-40. Увеличенный чертеж



Фото універсального фрезерного верстата FN-40

Фото універсального фрезерного верстата TOS FN-40

Фото універсального фрезерного верстата FN-40. Увеличенный чертеж




Розташування органів керування консольно-фрезерным верстатом TOS FN-40

Розташування органів керування фрезерным верстатом TOS FN-40

Розташування органів керування фрезерным верстатом TOS FN-40

Розташування органів керування фрезерным верстатом TOS FN-40. Увеличенный чертеж



Розташування органів керування фрезерным верстатом TOS FN-40

Розташування органів керування фрезерным верстатом TOS FN-40

Розташування органів керування фрезерным верстатом TOS FN-40. Увеличенный чертеж





Пульт керування фрезерным верстатом TOS FN-40

Пульт керування фрезерным верстатом TOS FN-40

Пульт керування фрезерным верстатом TOS FN-40. Увеличенный чертеж






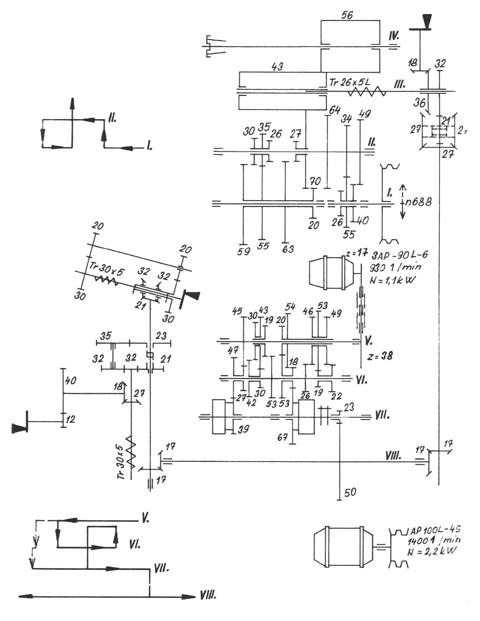
Схема кінематична універсального фрезерного верстата TOS FN-40

Кінематична схема універсального фрезерного верстата TOS FN-40

Кінематична схема універсального фрезерного верстата TOS FN-40

Кінематична схема універсального фрезерного верстата TOS FN-40. Увеличенный чертеж



Опис конструкції основних вузлів фрезерного верстата FN-40

а) Коробка швидкостей

Коробка швидкостей в верхней частини станины. Получает привід от електродвигуна через клиноременную передачу з двумя клиновыми ремнями.

Механізм редуктора обеспечивает 18 ступеней скорости, а его структура имеет значение 3х3х2 (рис. 2). Закаленные і шлифованные зубчасті колеса, включая валы, изготовлены из высококачественных никельхромистых сталей. Последним елементом редуктора является цилиндрическое зубчатое колесо, обеспечивающее плавное зацепление з зубчатым колесом бабки фрезерного шпинделя. Переключення на любую ступень скорости производится перестановкой соответствующих сменных колес, во-первых, посредством криволинейного диска і управляемых им рычагов переключения и, во-вторых, посредством переключателя выбора режима для роботи на высоких или низких скоростях.

б) Коробка подач

Коробка подач расположена в нижней частини стойки і приводится в рух от индивидуального електродвигуна двухрядной втулочно-роликовой ланцюгю.

Коробка подач имеет 18 передаточных ступеней рабочих подач і одну передаточную ступень быстрой подачі X (рис. 2).

Переключення ступеней подач основано на таком же принципе, как переключение швидкостей (см. раздел 2а). Выбор варіанта рабочих подач или ускоренной подачі производится нажатием соответствующей кнопки на пульті керування, управляющей двумя електромагнитными муфтами. Электромагнитные муфты получают питание от двух пар щіток, расположенных в задньої крышке коробки.

Для защиты верстата от перегрузки в коробке подач имеется предохранительная шариковая муфта, настроенная на максимально допустимый крутящий момент. Какое-либо неквалифицированная или ошибочная манипуляция з регулировочными гвинтами етой муфты влечет за собой опасность аварии верстата.

в) Бабка фрезерного горизонтального шпинделя

Бабка фрезерного шпинделя подвижно посажена в верхней призматической направляющей станції. Горизонтальный шпиндель, имеющий посадку качения, связан з коробкой швидкостей зубчатой передачей.

Верхня призматическая направляющая бабки фрезерного шпинделя служит для посадки держателя обрабатывающих головок.

г) Консоль

На передньої направляющей станції в вертикальном направлении подвижно посажена консоль з вертикальным столом, перемещающимся в горизонтальном направлении. Рух подачі в обоих указанных направлениях производится от коробки подач через зубчатую передачу. Переключення на выбранную подачу производится одним рычагом з крестовым движением, который управляет зубчатой муфтой.


Электрическое оснащение і присоединение верстата к електрической сети (рис. 4, 5, 6, 7)

Завод-изготовитель оснащает верстат електрической аппаратурой на систему тока, указанную заказчиком в заказе. Электрическое оснащение выполняется в соответствии со стандартом ЧСН 34 1630 — „Электрическое оснащение обрабатывающих верстатів".

На заводе-изготовителе выполняются все соединения і испытания електропроводки, следовательно, на месте установки верстата у заказчика производится только соединение приборного шкафа со верстатом і присоединение верстата к електрической сети.

Приборный шкаф подается краном непосредственно к верстату (рис. 1). Снимается задня крышка стойки і пучок проводов, укрепленный одним своим концом к сборке зажимов верстата, протягивается через бронированное колено, которое з помощью гайки укрепляется своим одним концом к станине, а вторым концом — к приборному шкафу.

Присоединение верстата к контакторной системе производится присоединением пронумерованных проводов в контакторном шкафу к соответствующим пронумерованным зажимам в станке. Для присоединения верстата к сети служат подводящие зажимы, обозначенные буквами RSTNF і расположенные внизу в левой частини контакторного шкафа. Эта коробка зажимов закрыта кожухом, на который нанесен предостерегающий знак. Присоединение производится медным проводом сечением 1,5 мм2 (алюминиевый провод должен мати сечение 2,5 мм2).

Очень важно правильное заземление верстата, которое должно отвечать требованиям соответствующих правил для окремих сетей. После соединения верстата з приборным шкафом і присоединения его к електрической сети производится увімкнення головного выключателя на приборном шкафу. На кнопочном щите при етом загорится белый сигнальный свет. При нажатии кнопки А2 или A3 шпиндель должен вращаться в направлении, указываемом стрелкой на соответствующей кнопке. Если шпиндель будет вращаться в противоположном направлении, то производится перемена местами двух подводящих фазных проводов. Какие-либо иные манипуляции в електропроводке не рекомендуются. Не исключена


Уход за фрезерным верстатом FN-40

а) Регулювання зазору горизонтального шпинделя (рис. 13) (Эта робота должна быть поручена действительно опытному і надежному работнику.)

Підшипники качения шпинделя гораздо дольше сохраняют свой малый зазор посадки, чем підшипники ковзання. Поетому они редко нуждаются в регулировке. Так что необходимо сначала перемерить зазор в посадке.

Радиальный зазор в переднем подшипнике NHK: 0,001 — 0,003 мм. Осевой зазор шпинделя: 0,003 — 0,005 мм.

Перемеривание радиального зазору в подшипнике шпинделя производится в цеховых условиях наиболее точно следующим способом, который пренебрегает величиной расстояния между радиальным подшипником і цилиндрическим концом шпинделя.

На верхней направляющей шпиндельной головки подготовить держатель индикатора тысячных долей так, чтобы наконечник индикатора соприкасался з верхним краем цилиндрической поверхности шпинделя. В шпинделе закрепляется вспомогательный штифт Т з хвостовиком ISO 40. Штифт нагружается в вертикальном направлении силой приблизительно 200 Н. Против силы 200 Н развивается другая сила Р (реализуемая обычно динамометром) по ступеням приблизительно по 25 Н минимально до величины 300 Н. Измерение выносится на график, где по одной оси отмечается величина силы Р, а по другой оси величины, отсчитываемые по индикатору. На нанесенном графике появляется скачок Z, который показывает зазор шпинделя в радиальном направлении. Принцип измерения і график показаны на рис. 13а. Такое же измерение повторяется при необходимости в горизонтальном направлении. Обе величины (обычно меньшем чем 0,01 мм) бывают почти одинаковы, для дальнейших расчетов берется арифметическое среднее обоих величин. С помощью величины конусности підшипника 1:12 вычисляется величина, на которую необходимо сошлифовать кольцо поз. 43 (параллельность 0,004).

Пример: Измеренные величины — ето 0,008 мм вертикальний, 0,010 мм горизонтальный радиальный зазоры. Арифметическое среднее равно 0,009 мм. Величину укорочения кольца вычисляем з учетом предписанного радиального зазору: (0,009 - 0,002) X 12 = 0,084 мм

Ослабить обе ексцентриковые затяжные цапфы, крышку выдвинуть наружу, отжать конічний штифт (125), вывинтить гайку (53) і зажимную штангу (34) выдавить из шпинделя (20) по направлению вперед наружу. Затем снять стопорное кольцо (137), кольцо (44) і пружину (133). Теперь разблокировать гайку (49 і 50) выгибанием металлического предохранителя (145 і 146) на выемки гайки, которая полностью вывинчивается. После етого подходящим плоским прутком снять внутреннее кольцо підшипника (150) по направлению назад і вывинтить винты (101) передньої крышки шпинделя. Алюминиевым или деревянным молотком выбить шпиндель вперед, чтобы гайка могла быть полностью ослаблена (49) і колесо (17) осторожно выколотить назад; втулку повернуть пазом поперек.

Регулювання осьового зазору производится аналогично. Сначала нагружается шпиндель по оси силой приблизительно 200 Н і затем развивается противодействующая сила, которая постепенно повышается приблизительно по 25 Н, минимально до величины 300 Н. Наконечник индикатора установлен на торце штифта, вставленного в шпиндель. Результаты измерения наносятся на график, по которому производится оценка зазору. Оценка осуществляется в двух плоскостях і берется арифметическое среднее. Собственно регулировка производится гайкой (48) після разблокировки предохранительного щита (143).

Теперь шпиндель полностью оттолкнем назад. При етом следует поступать очень осторожно, чтобы не повредить колесо 17 і расположенное под ним длинное цилиндрическое колесо.

Буртик (21) отожмем вперед і снижем со шпинделя в направлении вниз сначала переднюю крышку (42), а затем трубкой вытолкнем кольцо (43) з внутренним кольцом підшипника (150) і з підшипниками.

Кольцо (43) обточить на полученную величину (как было указано в примере, т.е. на 0,084 мм) так, чтобы поверхности кольца были снова строго параллельны.

б) Налаштування зазору в направляющей бабки фрезерного шпинделя (рис. 12)

Зазор в направляющей можно определить подобным способом, как было описано выше, но индикатор в етом случае укрепляется на одной из вертикальних планок з контактом против корпуса бабки фрезерного шпинделя.

В случае выявления увеличения зазору, налаштування производится следующим способом:

Отстегнуть от станины крайние складни раздвижного складчатого кожуха сзади под бабкой фрезерного шпинделя, отодвинуть і отвинтить съемник масла.

Призматическая направляющая оснащена на левой стороне (если смотреть сзади) клинообразной планкой. Эту планку установить осторожным притягиванием установочного гвинта (1473). При вращении гвинта вправо зазор уменьшается, при вращении влево увеличивается.

Поскольку скос клиновидной планки имеет отношение 1:100, а шаг різьби гвинта М10 имеет величину 1,5, зазор уменьшится за один оборот гвинта на величине 1,5 : 100 = 0,015 мм.

При налаштуванні необходимо контролировать тугость ходу направляющей путем ручной подачі бабки фрезерного шпинделя, вращением маховичка (215) при выключенном рычаге (276).

Подача не должна быть слишком тугой, поетому налаштування следует выполнять з большой тщательностью. После налаштування очистить раздвижной складчатый кожух і снова укрепить его на своем месте.

в) Регулювання зазору вертикального стола (рис. 12)

Для регулировки зазору служат две планки; одна из них клиновидной формы, вторая плоская і дополнительно пришлифовывается. Перед началом регулировки устанавливается в нейтральное положение крестовой рычаг виключення і снимаются з нижней стороны вертикального стола обе защитные гармошки. В результате открывается доступ к обоим регулировочным болтам (поз. 1960) клина вертикального стола. Регулювання производится так, что на более тонкой стороне клина освобождается болт, після чего болтом на утолщенной стороне клина ограничивается зазор так, чтобы при вращении ручным маховичком легко осуществилось рух стола і одновременно была сохранена требуемая жесткость направляючих. После чего на утонченной стороне клина затягивается болт. Если необходимо ограничить зазор і на горизонтальной планке поз. 1780, то следует снять крайний подшипник гвинта поз. 1894 і 1895, освободить клин, винт і буксирную тягу вынуть из консоли, а стол выдвинуть из горизонтальных направляючих. Отвинтить от стола горизонтальную планку і її опорные поверхности сошлифовать на величину измеренного зазору.

г) Налаштування вертикальной направляющей консоли (рис. 9 і 10)

Здесь применяются два способа налаштування, а именно:


1. Налаштування вертикального клина

Налаштування производится двумя противолежащими гвинтами (2095). Доступ к нижнему винту открывается після отстегивания раздвижного складчатого нижнего кожуха, к верхнему винту після отстегивания верхнего раздвижного складчатого кожуха і після отвинчивания листового съемника для масла вертикальной направляющей консоли.

Верхний раздвижной складчатый кожух можно снять только при установці стола в правое крайнее положение.


2. Налаштування зазору в двух вертикальних планках

Производится контроль опорных поверхностей планок (2073). Поскольку ети роботи можно выполнять только при снятой консоли з направляющей станины, рекомендуется присутствие специалиста завода-изготовителя.

д) Натяжение клиновых ремней (рис. 12)

Внимание! Натяжение клиновых ремней необходимо производить при выключенном главном выключателе!

Клиновидные ремни і ланцюг доступны після устранения задньої крышки. Наладка приводу коробки передач производится ослаблением двух гаек М16 (1688) на винте (1631) і собственной массой двигуна, за счет чего електродвигатель отклоняется вокруг цапф (1639). После натяжения клиновидных ремней гайки опять подтянуть.

Натяжение ланцюги приводу коробки подач осуществляется поворотом вокруг пальца (поз. 1087) плиты електродвигуна (поз. 1057), причем нужно предварительно освободить палец (поз. 1087) і болт (поз. 1075); ланцюг натягивается отжатием плиты (поз. 1057) по направлению вверх.

е) Налаштування електромагнітних муфт (рис. 11)

Износ пластинок електромагнітних муфт проявится проскальзыванием рабочей подачі (левая муфта) или скоростной подачі (правая муфта). Эта неполадка устраняется путем налаштування воздушного зазору между анкерной плитой і магнитным корпусом во включенном положении.

Доступ к муфтам открывается після снятия крышек муфт (1059).

Налаштування производится в следующей післядовательности:

Оставить включенным главный выключатель і выключенным выключатель електродвигуна коробки подач.

Вывинтить левую щетку ДК4 і подключенную к сети приложить її токоведущей частью к контактному кольцу измеряемой муфты. Муфту ввести в состояние сцепления.

На регулировочной гайке отсчитать величину зазору, измеренного в вырезе гайки между гайкой і корпусом магнита і проверить величину зазору з помощью щупа. Если величина зазору окажется большей, то следует освободить установочный винт гайки і путем її обертання установить правильную величину зазору і снова притянуть гайку. После налаштування обеих муфт установить щетки на место і укрепить крышку.

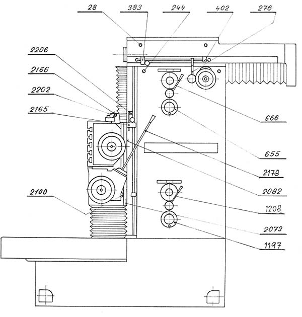
Шпиндель універсального фрезерного верстата TOS FN-40

Шпиндель універсального фрезерного верстата TOS FN-40

Шпиндель універсального фрезерного верстата TOS FN-40. Увеличенный чертеж




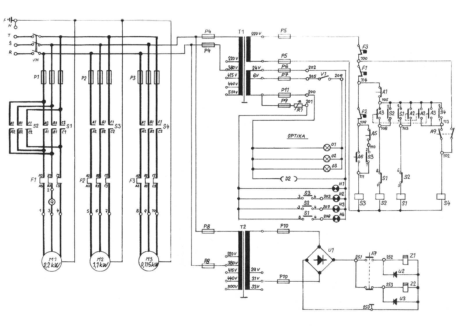
Схема електрична фрезерного верстата TOS FN-40

Електрична схема універсального фрезерного верстата TOS FN-40

Електрична схема універсального фрезерного верстата TOS FN-40

Електрична схема універсального фрезерного верстата TOS FN-40. Увеличенный чертеж






TOS FN-40 Верстат фрезерный універсальний. Відеоролик.




Технічні характеристики фрезерного верстата TOS FN-40

Наименование параметра СФ676 ОФ-55 TOS FN-20 TOS FN-32 TOS FN-40
Основні параметри верстата
Класс точності по ГОСТ 8-82 Н П
Розміри вертикального стола, мм 250 х 630 195 х 550 216 х 680 275 х 860 260 х 1160
Розміри горизонтального (углового) стола, мм 250 х 800 260 х 630 240 х 600 300 х 700 400 х 1160
Максимальная масса обрабатываемой детали, кг 100 120 125
Наибольшее расстояние от рабочей поверхности вертикального стола до вертикальних направляючих, мм 128
Расстояние от оси горизонтального шпинделя до рабочей поверхности горизонтального (углового) стола, мм 80..460 70..360
Наибольший продольный ход стола (механическиое перемещение), мм 450 250 300 (290) 500 710 (700)
Наибольший вертикальний ход стола (механическиое перемещение), мм 380 290 350 (340) 400 410 (400)
Наибольший поперечний ход шпиндельной бабки (механическиое перемещение), мм 300 150 200 (190) 250 310 (300)
Горизонтальный шпиндель верстата
Частота обертання горизонтального шпинделя, об/мин 50..1630 42..2150
50..2500 40..2000 40..2000
Количество швидкостей шпинделей 16 12 18 18 18
Перемещение шпинделя на одно деление лимба, мм 0,025
Наибольший допустимый крутящий момент на горизонтальном шпинделе, Нм 148
Конус горизонтального і вертикального шпинделей 40АТ5 Морзе 4 ISA 40 40 7:24 40 7:24
Подачи стола
Пределы продольных і вертикальних подач стола (X, Z), мм/мин 13..395 10..380 8..400 8..400 8..400
Ускоренный ход стола, мм/мин 935 935 1340 1240 1240
Перемещение стола продольное на одно деление лимба, мм 0,025
Перемещение суппорта стола вертикальное на одно деление лимба, мм 0,025
Количество подач стола 16 12 18 18 18
Наибольшее усилие подач стола, Н 5000
Вертикальная шпиндельна головка
Расстояние от торца вертикального шпинделя до рабочей поверхности горизонтального стола, мм 0..380 22..312
Частота обертання вертикального шпинделя, об/мин (Ступеней) 63..2040 55..2450
50..2500 (18) 40..2000 (18) 40..2000 (18)
Наибольший допустимый крутящий момент на вертикальном шпинделе, Нм 120
Наибольшее осевое перемещение вертикального шпинделя (ход пиноли), мм 80 60 75 90 100
Наибольший угол поворота вертикальной головки в вертикальной плоскости, градус ±90° ±45° ±120° ±120° ±120°
Конус вертикального шпинделя 40АТ5 Морзе 4 ISA 40 7:24 40 7:24 40 7:24
Масса головки, кг 30 50
Електроустаткування і привід верстата
Електродвигун головного привода, кВт (об/мин) 3 1,6/ 2,3 (1000/1500) 1,5 (1430) 2,2 (1400) 2,2 (1400)
Електродвигун подач, кВт (об/мин) 1,1 (910) 1,1 (910) 1,1 (910)
Електродвигун приводу насоса охлаждения, кВт 0,12 0,12 (1800) 0,125 (2880) 0,125 (2880) 0,125 (2880)
Суммарная мощность електродвигателей, кВА 3,12 1,12 2,7 4 4
Габарит і масса верстата
Габарити верстата (длина х ширина х высота), мм 1200 х 1240 х 1780 1150 х 1100 х 1600 1160 х 1600 х 1150 1882 х 2200 х 1600
Масса верстата, кг 1050 900 750 1460 1750

    Список литературы:

  1. Технический паспорт инструментального универсально-фрезерного верстата FN-40, 1982

  2. Аврутин С.В. Основы фрезерного дела, 1962
  3. Аврутин С.В. Фрезерне дело, 1963
  4. Ачеркан Н.С. Металлорежущие верстати, Том 1, 1965
  5. Барбашов Ф.А. Фрезерне дело 1973, с.141
  6. Барбашов Ф.А. Фрезерные роботи (Профтехобразование), 1986
  7. Блюмберг В.А. Справочник фрезеровщика, 1984
  8. Григорьев С.П. Практика координатно-расточных і фрезерных работ, 1980
  9. Копылов Р.Б. Работа на фрезерных верстатах,1971
  10. Косовский В.Л. Справочник молодого фрезеровщика, 1992, с.180
  11. Кувшинский В.В. Фрезерование,1977
  12. Ничков А.Г. Фрезерные верстати (Библиотека станочника), 1977
  13. Пикус М.Ю. Справочник слесаря по ремонту металлорежущих верстатів, 1987
  14. Плотицын В.Г. Расчёты настроек і наладок фрезерных верстатів, 1969
  15. Плотицын В.Г. Наладка фрезерных верстатів,1975
  16. Рябов С.А. Современные фрезерные верстати і их оснастка, 2006
  17. Схиртладзе А.Г., Новиков В.Ю. Технологическое обладнання машиностроительных производств, 1980
  18. Тепинкичиев В.К. Металлорежущие верстати, 1973
  19. Чернов Н.Н. Металлорежущие верстати, 1988
  20. Френкель С.Ш. Справочник молодого фрезеровщика (3-е изд.) (Профтехобразование), 1978









Заказать