Виробник токарно-гвинторізного верстата SV18RA - TOS Trencin Словаччина.
Засновано підприємство у 1937 році фірмою Walter, у 1998 підприємство отримало найменування АТ «TRENS», з 2011 року TRENS SK, as
АТ «ТРЕНС CK» (TRENS SK) є найбільшим виробником металорізальних верстатів у Словаччині.
Самостійним випуском металообробних верстатів підприємство займається з 1951 року.
Виробнича лінійка Trens складається з універсальних токарно-гвинторізних верстатів, токарних верстатів з ЧПУ, токарно-фрезерних обробних центрів із похилою станиною.
Універсальний токарний верстат TOS SV18RA призначений для виконання найрізноманітніших токарних, різьбонарізних та свердлильних робіт. Верстат дозволяє нарізати метричні, дюймові, модульні та різьби.
Базова модель універсального токарно-гвинторізного SV18RA з'явилася 1957 року.
У 60-х роках були представлені досконаліші моделі верстатів: SV-18RA, SV-18RB і SV-18RD. Верстати мали однакову передню бабку і супорт, відрізнялися вони більш незграбним зовнішнім виглядом, новим приводом, модифікованим різьбонарізанням і мали вибір РМЦ 500, 1000, 1250 мм (розмір РМЦ 750мм був доданий пізніше).
Перша модель серії SV18RA – оригінальна 12-швидкісна коробка передач, модифікована коробка подач з механізмом Нортона, вдосконалена електросхема контролю. Верстат мав успіх і продавався по всьому світу до середини 80-х.
Верстат інструментальний TOS SV18RA , дуже якісний, точний, довговічний та зручний у роботі. Дуже цінувалися та цінуються працюючими на них. Добре комплектувалися. Обов'язково на кожен комплект цанг від 3мм до 25мм + перехідний стакан. Люнети, два патрони (трикулачковий самоцентрований, чотирикулачковий з роздільною зведенням + планшайба з пазами.....). Гітара дозволяє нарізати всі види різьблення. Запасні шестерні висять у відсіку гітари на гачках. Шпиндельні опори – бронзові. Маслостанція працює від окремого мотора і включається разом із верстатом. Електромеханічне включення. Привід від коробки швидкостей на шпиндель – шкіряним, широким (близько 100мм) ременем. Це дозволяє швидко гальмувати шпиндель реверсом, чим користуються практично всі токарі (шкіра злегка прослизає при реверсуванні).
Оберти перемикаються обертанням штурвала лише на рівні коліна. За склом, у віконці штурвала видно два ряди цифр синє поле та червоне – з перебором і без.
Конус шпинделя КМ6. Конус задньої бабки КМ4. Патрони на різьбленні.
Зустрічаються два основних види різцетримачів - "лапка" та "чотирьохсторонній".
Блок різцетримача має ексцентриковий, швидкий відвід, що зручно при нарізанні різьбленням різцем.
Незважаючи на розміри та вагу близькі до 1К62, верстат "тонкий", інструментальний, "дерти" на ньому не можна. З тієї ж причини не можна перевантажити (шкіряний ремінь не дозволить).

Фото токарно-гвинторізного верстата sv18ra
Фото токарно-гвинторізного верстата SV18RA. Дивитись у збільшеному масштабі

Фото токарно-гвинторізного верстата sv18ra
Фото токарно-гвинторізного верстата SV18RA. Дивитись у збільшеному масштабі

Розташування органів керування токарно-гвинторізним верстатом sv18ra

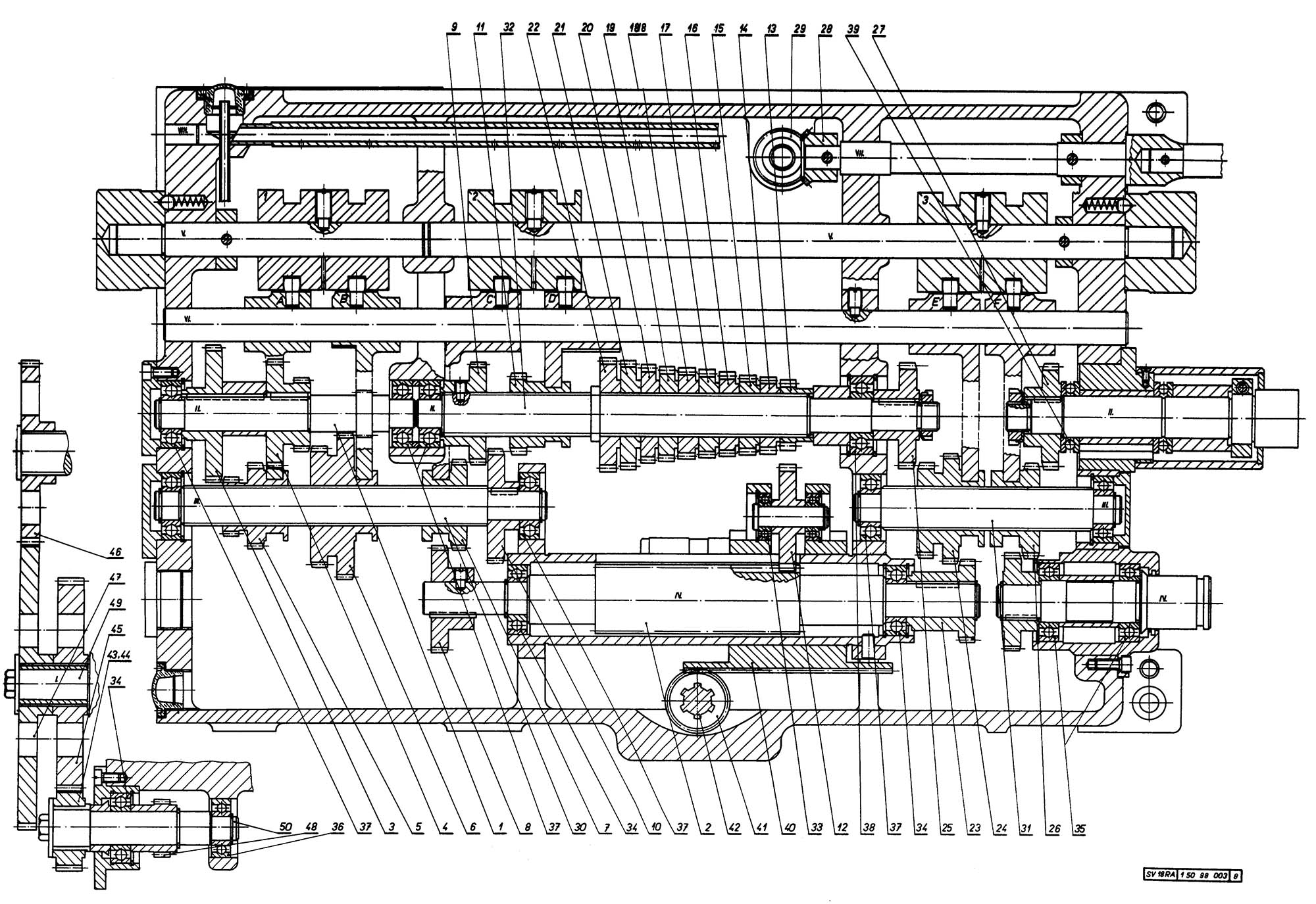
Кінематична схема токарно-гвинторізного верстата sv18ra
Схема кінематична токарно-гвинторізного верстата SV18RA. Дивитись у збільшеному масштабі

Привід токарно-гвинторізного верстата sv18ra
Привід верстата sv18ra. Дивитись у збільшеному масштабі
При включенні головного вимикача 29 запалюється біла контрольна лампа 33. При натисканні кнопки 30 запалюється синя контрольна лампа 31. Після цього можна включити головний електродвигун Ml рукояткою, що запобігає мимовільному запуску верстата 21. Крутний момент електродвигуна передач плоскочасної передачі безпосередньо на шпиндель з передавальним ставленням 1:1 або через контрпривід з передавальним ставленням 1:8, що приводиться в дію рукояткою 5.

Коробка швидкостей токарно-гвинторізного верстата sv18ra
Коробка швидкостей токарно-гвинторізного верстата sv18ra. Дивитись у збільшеному масштабі
Коробка швидкостей укладена в лівій стійці верстата з можливістю хитання на пальцях, що дозволяє легко проводити натяг плоского ременя, що служить для приводу шпинделя. Задана швидкість шпинделя включається за допомогою маховичка 7 (рис. 4).
Шкала показує встановлену кількість обертів.

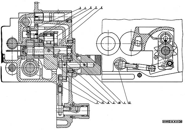
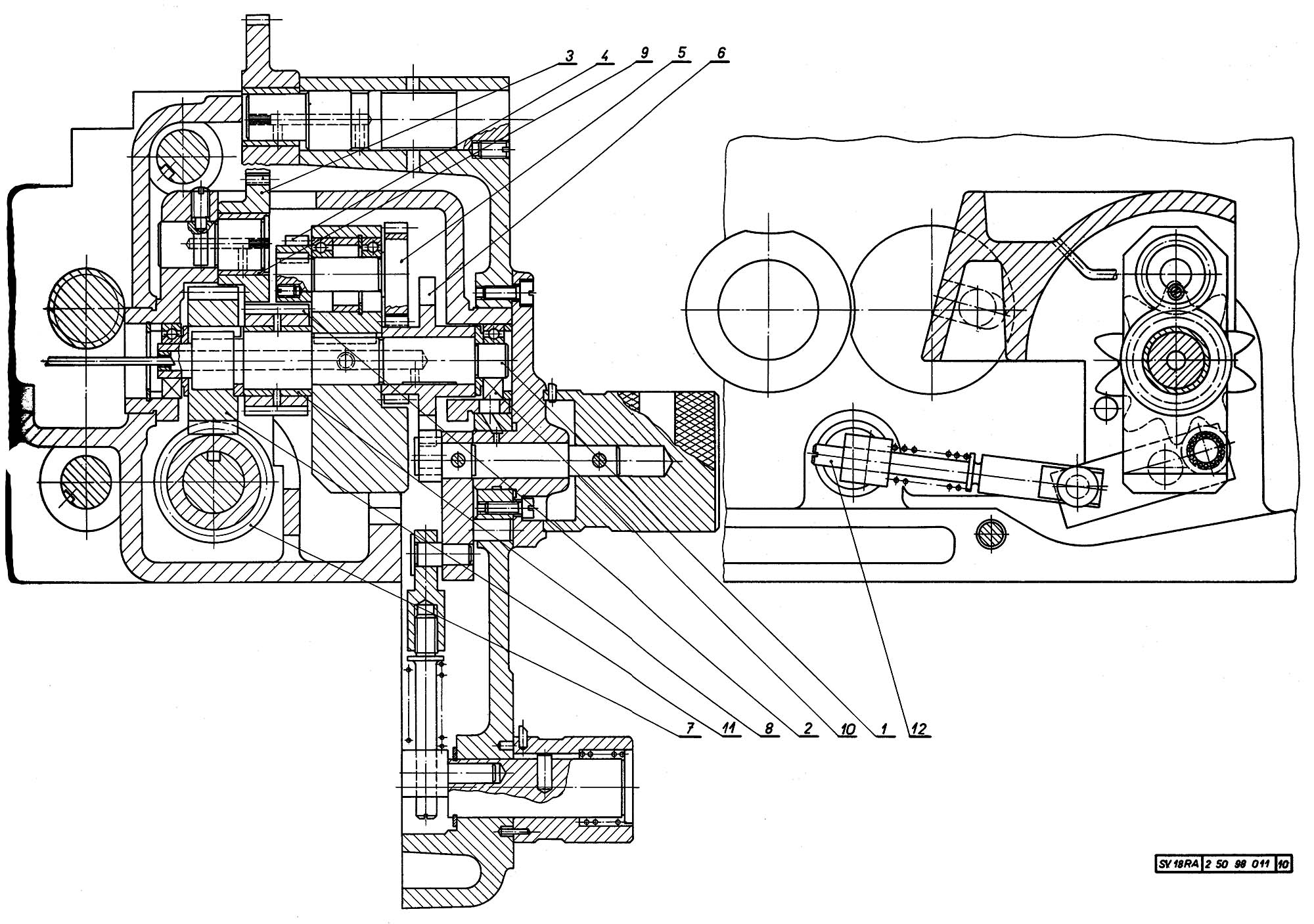
Шпиндельная бабка токарно-гвинторізного верстата sv18ra
Шпиндельная бабка токарно-гвинторізного верстата sv18ra. Дивитись у збільшеному масштабі
Шпиндельна бабка по всій своїй довжині укладена на призматичній направляючій станини, яка визначає точність положення шпиндельної бабки. Шпиндельна бабка закріплена за допомогою чотирьох болтів. Привід здійснюється за допомогою широкого плоского ремінного шківа, встановленого у двох шарикопідшипниках незалежно від шпинделя, причому шпиндель тягою ременя не піддається напрузі на вигин, і таким чином не передається на нього вібрація. Шляхом перестановки зубчастої муфти 18 (рис.7) до проміжних зубчастиних коліс 5 і 6 (рис. 7) здійснюється включення передачі з передавальним відношенням 1:1 рукояткою 5 - вліво, або через контрпривід з передавальним відношенням 1:8, рукояткою 5 - вправо .
Передача на коробку Нортона здійснюється пересуванням зубчастого колеса 22 (рис. 7), рукояткою 4 (рис. 4) з передавальним ставленням 1:1 вправо, або рукояткою 4 - вліво з передавальним ставленням 1:8 при нарізанні крутого різьблення.
При нарізанні деяких видів різьблення бувають випадки, коли для реверсування напрямку подачі не можна застосовувати однозубу муфту в шпиндельній бабці, а саме: при установці правої рукоятки 5 (рис. 4) в положенні 1:8 при одночасному встановленні лівої рукоятки 4 в положенні 1 :8. У цих випадках необхідно проводити реверсування електродвигуном. Увімкнення контрприводу, передачі 1:1 або 1:8, повинно проводитися у всіх випадках при вимкненому електродвигуні. Зміну напрямку подачі санок можна проводити при швидкості шпинделя до 280 об/хв.
Біла контрольна лампа сигналізує, знаходиться верстат під напругою чи ні. Кнопкою 32 включається насос охолоджувальної рідини. Його вимкнення здійснюється кнопкою 34 із синьою контрольною лампою.

Коробка подач (Коробка Нортона) токарно-гвинторізного верстата sv18ra
Для приводу коробки подач (коробки Нортона служать змінні колеса, насаджені на вивідному валу шпиндельної бабки, на пальці гітари змінних коліс і на валу коробки Нортона. Змінні колеса завжди встановлені на передатне відношення 1:1 і їх заміна проводиться тільки при нарізанні питної у разі, коли потрібно нарізання різьби з кроком не зазначеному на щитку дня нормального перемикання коліс а:Ь:с - 24:60:24. та всіх видів подач досягається шляхом зміни положення рукояток керування шпиндельної бабки та коробки подач - пункт 5.
Механізм Нортона відрізняється великою компактністю та дозволяє отримати арифметичний ряд подач, необхідний при нарізуванні стандартних різьблень; тому його широко застосовують у коробках подач токарно-гвинторізних верстатів. Його перевагами є малі розміри вздовж осі та можливість вільного вибору передавальних відносин незалежно від міжцентрової відстані. Він дозволяє отримати при невеликих розмірах велику кількість передавальних відносин, необхідних нарізування різних різьблень з різним кроком.
Перемикання механізму Нортона здійснюється переміщенням він внутрішнього циліндра і поворотом їх у одне з 7 можливих положень, причому покажчик на циліндрі показує, які подачі і кроки різьблень включені. Після перемикання механізму Нортона циліндр переміщається від себе у внутрішню частинину барабана.
Основний недолік механізму Нортона - мала жорсткість кріплення накидного колеса в каретці, у зв'язку з чим передача великих моментів, що крутять, неможлива. Він застосовується тільки в коробках подач токарно-гвинторізних верстатів.

Фартук токарно-гвинторізного верстата sv18ra
Фартук токарно-гвинторізного верстата sv18ra. Дивитись у збільшеному масштабі

Фартук токарно-гвинторізного верстата sv18ra
Фартук токарно-гвинторізного верстата sv18ra. Дивитись у збільшеному масштабі
Призначення окремих рукояток керування Фартуха зазначено у переліку органів керування верстатом, що міститься у цьому посібнику. Ручна поздовжня подача санок проводиться маховичком 10 (рис. 4). Для відліку величини поздовжньої подачі на маховичку є лімб зі шкалою, один розподіл якої відповідає 0,1 мм подачі санок. Фіксування лімба проводиться ексцентриком 18 (рис. 9).
Для ручного включення та вимкнення автоматичної поздовжньої та поперечної подачі, для вимкнення при набіганні на нерухомий упор або при перевантаженнях служить муфта, конструкція якої зображена на рис. 10.
Увімкнення або вимкнення цієї муфти здійснюється рукояткою 26 (рис. 4). Регулювання тягового зусилля здійснюється шляхом відтягування та повороту регулювальної рукоятки 28. Мінімальну силу розвиває рукоятка в положенні 1 і найбільшу силу в положенні 10. Рекомендується тягове зусилля муфти встановлювати на найменше значення, оскільки найменше зусилля достатньо для подолання опору. В іншому випадку механізм фартуха піддається значно більшому навантаженню, ніж потрібно для подолання опору різання, особливо при набіганні санок на упор. Одночасно цим досягається точніше виключення. Якщо муфта зробить вимкнення під час роботи або до набігання на упор, це означає, що було встановлено занадто мале тягове зусилля і необхідно повернути регулювальну рукоятку 28 ще на один поділ. При перевищенні цієї сили муфта автоматично вимкнеться. Таким чином, механізм подачі захищається автоматично від пошкоджень при перевантаженні.

Суппорт токарно-гвинторізного верстата sv18ra
Суппорт токарно-гвинторізного верстата sv18ra. Дивитись у збільшеному масштабі

Суппорт і резцовые салазки токарно-гвинторізного верстата sv18ra
Суппорт і резцовые салазки токарно-гвинторізного верстата sv18ra. Дивитись у збільшеному масштабі
Санки супорта переміщаються вздовж по направляючих станини, до яких санки притискаються (спереду і ззаду) обмежувальними накладками. Для закріплення санок на станині служить болт 19 (рис. 4). На упор набігає поздовжній упор 9. Переміщення супортів у поперечному напрямку здійснюється шляхом обертання рукоятки 16 (рис. 4). Величина подачі відраховується на ділильному кільці (рис. 11), ціна одного поділу на шкалі якого дорівнює подачі 0,05 мм на діаметр.
Для швидкого відведення супорта при нарізанні різьблення, поздовжній супорт оснащений спеціальним поперечним супортом, швидке відведення якого при нарізуванні різьблення проводиться ексцентриком, керованим рукояткою 14 (рис. 4), і який відсуває різець на 10 мм від виробу»
Різцева головка затискається на різцевих санках болтом 15 .
Задня бабка закріплюється на станині токарного верстата ексцентриком 24. Для обточування конусів задня бабка може переміщатися на підкладці болтами 25. Піноль затискається рукояткою 23.
Діапазон можливостей нарізування різьблення та величин подач вказано у посібнику на рис. 13, 14, 15, 16, 17. Для нормальної установки змінних коліс а:Ь:с - 24:60:24, над зірочкою на коробці Нортона укріплений щиток звичайних видів різьблення та подач. Види різьблення, що досягаються при решті установок змінних коліс а:Ь:з вказані на двох щитках на коробці Нортона. При одній установці змінних коліс можна проводити нарізання різьблення з кроком в мм, в дюймах та модульне різьблення та включати подачі для обточування. При нарізанні ж питчевой діаметральної різьби змінні колеса необхідно встановити по щитку, розташованому на внутрішній стороні кожуха змінних коліс (таб. 18).
Примітка: При нарізанні різьблення не можна наштовхуватися санчатами на нерухомий упор, або інструментом на виріб, що обробляється; це може призвести до пошкодження зубчастиних коліс та гітари або пошкодження передавальних коліс у коробці Нортона.

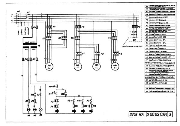
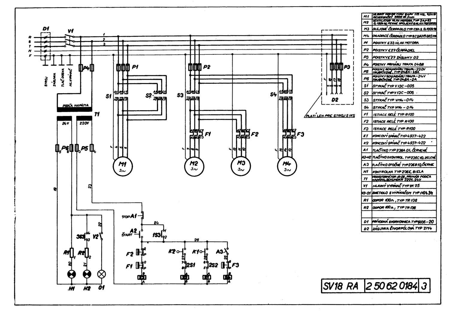
Електрична схема токарно-гвинторізного верстата sv18ra
Схема електрична принципова токарного верстата SV18RA. Дивитись у збільшеному масштабі

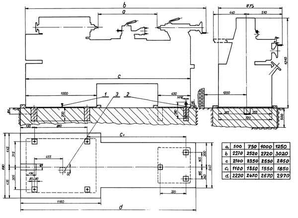
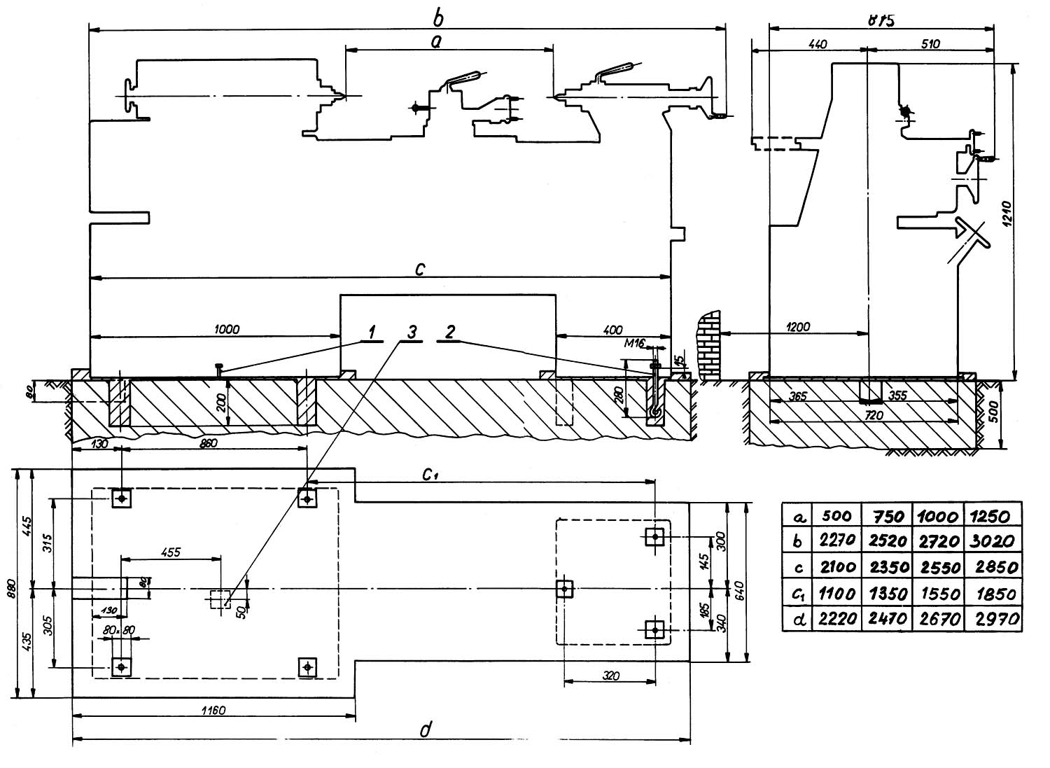
Настановне креслення токарно-гвинторізного верстата sv18ra
Настановне креслення токарного верстата SV18RA. Дивитись у збільшеному масштабі
| Найменування параметру | SV18RA | 1K62 |
|---|---|---|
| Основні параметри | ||
| Клас точності згідно з ГОСТ 8-82 | Н | |
| Найбільший діаметр заготовки, що обробляється над станиною, мм | 380 | 400 |
| Найбільший діаметр заготовки, що обробляється над супортом, мм. | 215 | 220 |
| Найбільший діаметр обробки в нерухомому люнеті, мм | 100 | |
| Найбільший діаметр обробки в рухомому люнеті, мм | 100 | |
| Найбільша довжина заготівлі, що обробляється в центрах (РМЦ), мм | 750, 1000, 1250 | 710, 1000, 1400 |
| Найбільша маса заготовки, що обробляється в патроні, кг | 500 | |
| Найбільша маса заготівлі, що обробляється в центрах, кг | 300 | 1500 |
| Шпиндель | ||
| Діаметр наскрізного отвору в шпинделі, мм | 41 | 47 |
| Найбільший діаметр прутка, що проходить через отвір у шпинделі, мм | 45 | |
| Число ступенів частот прямого обертання шпинделя | 24 | 24 |
| Частота обертання шпинделя у прямому напрямку, об/хв | 14..2800 | 12,5..2000 |
| Число ступенів частот зворотного обертання шпинделя | 24 | 12 |
| Частота обертання шпинделя у зворотному напрямку, об/хв | 14..2800 | 19..2420 |
| Розмір внутрішнього конуса у шпинделі | Метричний 50 | Морзе 6 |
| Передній кінець шпинделя | M68 | 6K |
| Діаметр планшайби, мм | 360 | |
| Діаметр затискного патрона, мм | 160..250 | |
| Діаметр повідкового патрона, мм | 220 | |
| Супорт. Подання | ||
| Найбільше переміщення поздовжньої каретки супорта, мм | 640, 930, 1330 | |
| Найбільше переміщення поперечної каретки супорта, мм | 250 | |
| Число поздовжніх ступенів подач | 49 | |
| Межі робочих подач поздовжніх, мм/про | 0,01..2,8 | 0,07..4,16 |
| Число ступенів поперечних подач | 49 | |
| Межі поперечних робочих подач, мм/про | 0,027..0,522 | 0,035..2,08 |
| Швидкість швидких переміщень супорта, поздовжніх, м/хв. | ні | 3,4 |
| Швидкість швидких переміщень супорта, поперечних, м/хв. | ні | 1,7 |
| Кількість нарізних різьблень метричних | 44 | |
| Межі кроків метричних різьблень, мм | 0,2..140 | 1..192 |
| Кількість нарізних різьблень дюймових | 38 | |
| Межі кроків дюймових різьблень, ниток/дюйм | 1/5..140 | 24..2 |
| Кількість нарізних різьблень модульних | 20 | |
| Межі кроків модульних різьблень, модуль | 0,2..70 | 0,5..48 |
| Кількість нарізних різьблення питних | 37 | |
| Межі кроків різьблення питних | 1..224 | 96..1 |
| Різцеві санки | ||
| Найбільше переміщення різцевих санчат, мм | 140 | |
| Переміщення різцевих санок на один поділ лімба, мм | ||
| Найбільший кут повороту різцевих санок, град | ±90° | ±90° |
| Ціна поділу шкали повороту різцевих санчат, град | 1° | 1° |
| Найбільший переріз державки різця, мм | 22 х 22 | 25 х 25 |
| Висота від опорної поверхні різця до осі центрів (висота різця), мм | 25 | |
| Число різців у різцевій головці | 4 | 4 |
| Задня бабка | ||
| Діаметр пінолі задньої бабки, мм | ||
| Конус отвору в пінолі задньої бабки за ГОСТ 2847-67 | Морзе 5 | |
| Найбільше переміщення пінолі, мм | 120 | 150 |
| Переміщення пінолі на один поділ лімба, мм | 0,1 | 0,1 |
| Розмір поперечного зміщення корпусу бабки, мм | ±15 | |
| Електроустаткування | ||
| Кількість електродвигунів на верстаті | 6 | 4 |
| Електродвигун головного приводу, кВт | 7 | 10 |
| Електродвигун швидких переміщень, кВт | немає | 0,8 |
| Електродвигун гідростанції, кВт | немає | 1,1 |
| Електродвигун насоса охолодження, кВт | 0,185 | 0,125 |
| Насос охолодження (помпа) | ПА-22 | |
| Габарити та маса верстата | ||
| Габарити верстата (довжина ширина висота) (РМЦ = 1000), мм | 950 х 2720 х 1210 | 2812 х 1166 х 1324 |
| Маса верстата (РМЦ = 1000), кг | 1850 рік | 2140 |