metalinstryment.com
Довідник по металорізальних верстатів та пресовому обладнанні

МП8-1540 Верстат деревообрабатывающий комбинированный
Схеми, опис, характеристики

МП8-1540 Верстат комбинированный деревообрабатывающий







Відомості про виробника деревообрабатывающего комбинированного верстата МП8-1540

Разработчиком і изготовителем деревообрабатывающего комбинированного верстата МП8-1540 является Минский станкостроительный завод имени С.М.Кирова, основанный в 1881 году.





Верстати, выпускаемые Минским станкостроительным заводом имени С.М.Кирова


МП8-1540 Верстат деревообрабатывающий комбинированный. Назначение, область применения

Бытовой комбинированный деревообрабатывающий верстат МП8-1540 предназначен для комплексной обробки деталей из различных сортов дерева.

Верстат МП8-1540 имеет простую конструкцию: електродвигатель з двухступенчатым шкивом і строгальный вал (шпиндель) з приемным шкивом соединены клиновым ремнем. Строгальный вал (шпиндель) имеет две скорости обертання - 1745 і 4465 об/мин при перестановке клинового ремня.

В одном торце строгального вала крепится приемный шкив в другом дискова пила (дискова фреза), сверлильный патрон, шлифовальный диск или гребенка токарного приспособления.

Верстат МП8-1540 выполняет наступні операции:

  1. Строгание (фугование) по плоскости до 200 мм по ширине і до 2,5 мм в глубину за один проход при скорости подачі заготовки до 5,4 м/мин. Скорость обертання ножевого вала - 4465 об/мин;
  2. Строгание в размер (ресмусование) по ширине до 200 мм і до 50 мм тощиной за один проход при скорости подачі заготовки до 5,4 м/мин. Скорость обертання ножевого вала - 4465 об/мин;
  3. Строгание по ребрам (кромке) под углом от 0 до 45°;
  4. Распиловка вдоль і поперек волокон доски толщиной до 50 мм при скорости подачі заготовки до 1,0 м/мин. Скорость обертання дисковий пилы 1745 об/мин;
  5. Фрезерование дисковий фрезой глубиной до 16 мм при скорости подачі заготовки до 2 м/мин;
  6. Сверление отверстий диаметром до 16 мм і Фрезерование торцовой фрезой диаметром до 16 мм;
  7. Токарная обработка заготовки диаметром до Ø 60 мм і длиной до 450 мм;
  8. Заточка инструмента шлифовальным кругом.

Принцип роботи і конструктивные особливості комбинированного верстата МП8-1540

Верстат состоит из трех основних частин (см.рис.5.1):

  1. Строгальный механізм, закрепленный стойками на корпусе
  2. Привод
  3. Рейсмусовый стол

Електродвигун закреплен внутри корпуса приводу 3

Электрические аппараты, обеспечивающие работу електродвигуна, размещены в електрошкафу 5. Подвод електроенергии производится, через шнур з вилкой 13.

Ограждение 4 закрывает вращающиеся частини.

На строгальном механізме може быть установлено прижимное пристрій (рис. 6.2). В етом случае обрабатываются пиломатериалы толщиной до 50 мм. При большей толщине обработка ведется без прижимного приспособления.

В строгальном механізме (рис.6.1) на підшипниках установлен ножевой вал 6, получающий вращение от електродвигуна через клиновую передачу.





МП8-1540 Загальний вигляд комбинированного верстата

Фото вигляд комбинированного верстата МП8-1540

Фото комбинированного верстата мп8-1540


Фото вигляд комбинированного верстата МП8-1540

Фото комбинированного верстата мп8-1540


Фото вигляд комбинированного верстата МП8-1540

Фото комбинированного верстата мп8-1540


Фото вигляд комбинированного верстата МП8-1540

Фото комбинированного верстата мп8-1540


Розташування складових частин і органів керування верстатом мп8-1540

Розташування складових частин і органів керування верстатом МП8-1540

Розташування складових частин і органів керування верстатом мп8-1540

  1. Механізм строгальный - МП8-1540.100.002.00
  2. Стол рейсмусовый - МП8-1540.200.002.00
  3. Привід - МП8-1540.410.001.00
  4. Ограждение - МП8-1540.450.000.00
  5. Электрошкаф - МП8-1540.610.003.00
  1. Кнопка пуска верстата
  2. Кнопки отключения електродвигуна
  3. кнопка ввода в рабочее состояние теплового реле
  4. Вилка електрокабеля
  5. Рукоятка переміщення рейсмусового стола

Исполнения комбинированного деревообрабатывающего верстата МП8-1540

Исполнения комбинированного деревообрабатывающего верстата МП8-1540

Исполнения комбинированного верстата мп8-1540


Строгальный механізм комбинированного деревообрабатывающего верстата МП8-1540

Строгальный механізм комбинированного деревообрабатывающего верстата МП8-1540

Строгальный механізм комбинированного верстата мп8-1540

Ножевой вал имеет конусную часть, на которую устанавливается рабочий инструмент (патрон) или переходная втулка для закрепления режущего инструмента (дискова Фреза, пила, шлифовальный круг).

При пилении клиновой ремень з большего шкива електродвигуна перебрасывается на малый шкив для снижения числа оборотів.

При рейсмусовании пиломатериалы подаются под строгальным механізмом по поверхности рейсмусового стола 12 (см. рис.6.1). Загрузка производится со стороны, противоположной електрошкафу. Вертикальное перемещение рейсмусового стола производится цепной передачей при вращении рукояток 15 (см.рис.5.1).

Подачу пиломатериала обеспечивают ведущие валы 5 і 10 (см.рис.6.1), получающие вращение от електродвигуна черев зубчатую і цепную передачи.

Детали 4 "коготь", смонтированные на оси, предотвращают выбрасывание пиломатериала при работе ножевого вала.

Строгальный механізм (рис.6.1.) имеет нерухомий 1 я подвижный 3 столы. Глубина строгания выбирается установкой Подвижного стола, перемещаемого поворотом ручки 14.

Для нормальной роботи строгального механізма необходимо:

1) Правильно установить і надежно закрепить ножи 9 на ножевом валу 6. Установка ножей проверяется з помощью шаблона, прижатого гранью к нерухомомуу столу 1. Шаблон входит в комплект поставки.

При повороте ножевого вала 6 правильно установленные ножи должны слегка касаться режущей кромкой нижней грани шаблона. После установки ножей 9 болты 7 крепежных клиньєв 8 необходимо надежно затянуть.

Установленные заводом-изготовителем в ножевой вал ножи, клинья і болты комплектно подобраны по массе. Во избежание вибрации верстата запрещается переводить детали из одного комплекта в другой.

2) Проверить натяжение ремня і цепной передачи, открыв ограждение 4 (см.рис.5.1). Натяжение контролируется путем приложения к середине ветви зусилля 7Н(0,7кгс), при етом величина прогиба не должна превышать 12мм. Натяжение ремня регулируется поворотом електродвигуна після отпускания стопорной гайки рукояткой 14 (см. рис. 5.1). После натяжения ремня затянуть стопорную гайку поворотом рукоятки 14.

Натяжение ланцюги регулируется поворотом кривошипа, на котором установлен блок шестерня-звездочка. После регулировки затянуть стопорную гайку кривошипа.

3) Установить прижимное пристрій (рис.6.2) і закрепить его гвинтами. Рукояткой 1, расположенной сверху приспособления, установить прижимные ролики 2 на нужную толщину обрабатываемого материала

При строгании без прижимного приспособления оставлять открытой рабочую часть ножевого вала 6 (рис.6.1) на ширину обрабатываемого материала. Неработающая часть ножевого вала должна быть закрыта защитным кожухом 2.

При строгании коротких брусьев (до 500 мм) следует обязательно пользоваться дополнительным брусом для подталкивания, при етом работающий не должен находиться позади обрабатываемого материала. Строгание коротких брусьев производится только з прижимным пристрійм.

Конусный конец ножевого вала при строгании должен быть закрыт кожухом 11.





Комбинированный деревообрабатывающий верстат МП8-1540 з фрезерным і сверлильным пристрійм

Комбинированный деревообрабатывающий верстат МП8-1540 з фрезерным і сверлильным пристрійм

Комбинированный верстат мп8-1540 з фрезерным і сверлильным пристрійм

Стол для сверления і фрезерування (рис. 1.3) устанавливается на плоскость рейсмусового механізма і може перемещаться по высоте.

Предназначен стол для выполнения сверлильных і фрезерных работ инструментом, закрепленным в патроне. Патрон устанавливается на конічний конец ножевого вала і крепится винтом через центральное отверстие.

Плита стола 2 переметается по скалкам 6,7 в двух направления. Стол після переміщення в нужном направлении фиксируется гвинтами 3.

ВНИМАНИЕ! ПРИ РАБОТЕ НА СТОЛЕ ДЛЯ СВЕРЛЕНИЯ И ФРЕЗЕРОВАНИЯ НОЖЕВОЙ ВАЛ ДОЛЖЕН БЫТЬ ЗАКРЫТ КОЖУХОМ.


Комбинированный деревообрабатывающий верстат МП8-1540 з дисковий пилкою

Комбинированный деревообрабатывающий верстат МП8-1540 з фрезерным і сверлильным пристрійм

Комбинированный верстат мп8-1540 з дисковий пилкою

Стол для пиления і фрезерування устанавливается над строгальным механізмом (см. рис. 1.4).

Для пиления і фрезерування дисковий фрезой используется конусный конец ножевого вала, на который одевается переходная втулка 12 і крепится винтом. На втулку устанавливается дискова фреза или пила, закрепляемые гайкой 10. Плита стола 6 крепится на стояках 13 к рейсмусовому механізму і може перемешаться в вертикальном направлении. Коническая втулка (патрон) снимается вращением гайки 11 при помощи ключа S-32. Пила (фреза) проходит через паз стола

Для защиты пильного диска в зоне різання устанавливается защитное пристрій 1, состоящее из расклинивающего ножа і козырька, і кожух 7. Для упора заготовки, при поздовжньої распиловке, на столе . устанавливается направляющий уголок 4. Для распиловки под углом применяется направляющая 2, которая монтируется в паз стола 6 і устанавливается под нужным углом пропила


Комбинированный деревообрабатывающий верстат МП8-1540 з токарним пристрійм

Комбинированный деревообрабатывающий верстат МП8-1540 з токарним пристрійм

Комбинированный верстат мп8-1540 з токарним пристрійм

Приспособление для точения (см. рис. 1.5) крепится к строгальному механізму верстата.

Состоит пристрій из гребенки 1, установленной на ножевом валу, скалки 2, закрепленной через переходную плиту 7 на строгальном механізме. На скалке устанавливается подручник 3 і задний центр 4. Задний центр устанавливается на длину заготовки і закрепляется на скалке.

Для выполнения токарных работ заготовка устанавливается между гребенкой і задним центром. Задний центр вращением маховичка 8 поджимает заготовку і контрится гайкой 5.

Заготовка для точения готовится в виде восьмигранника, имеющего описанную окружность 30 мм для древесины твердых пород, 40 мм для пород средней твердости і 60 мм для мягких пород. Максимальная длина заготовки 450 мм. Перед закреплением заготовки в верстат для центра на одном торце необходимо пробить или высверлить отверстие глубиной 5-7мм. При точении обеспечить расстояние между подручником і заготовкой не более 5 мм.

ВНИМАНИЕ! ПРИ ТОЧЕНИИ ПОЛЬЗОВАТЬСЯ ЗАЩИТИЛИ ОЧКАМИ, НЕ ДОПУСКАТЬ ПРИСУТСТВИЯ ПОСТОРОННИХ ЛЮДЕЙ В ЗОНЕ ОБСЛУЖИВАНИЯ СТАНКА, НОЖЕВОЙ ВАЛ ЗАКРЫТЬ ЗАЩИТНЫМ КОЖУХОМ.

ЗАПРЕЩАЕТСЯ ЗАЧИЩАТЬ. ВРАЩАЮЩУЮСЯ ЗАГОТОВКУ ПРИЖАТИЕМ НАЖДАЧНОЙ ШКУРКИ РУКАМИ.


Комбинированный деревообрабатывающий верстат МП8-1540 з прижимным і заточным пристрійм

Комбинированный деревообрабатывающий верстат МП8-1540 з прижимным і заточным пристрійм

Верстат мп8-1540 з прижимным і заточным пристрійм

Приспособление заточное (рис. 6.3) предназначено для заточки строгальных ножей.

Корпус 1 приспособления крепится к строгальному механізму. Шлифовальный круг через мягкие прокладки 6 крепится гайкой 5 на переходной втулке, установленной на конічний конец ножевого вала. Для установки шлифовального круга необходимо снять направляющую планку 3.

Затачиваемый нож 8 крепится гвинтами 9 в каретке 4 і механізмом подачі 2 плавно подводится к шлифовальному кругу до появления слабой искры. Продольным переміщенням каретки вдоль шлифовального круга производится заточка ножа.





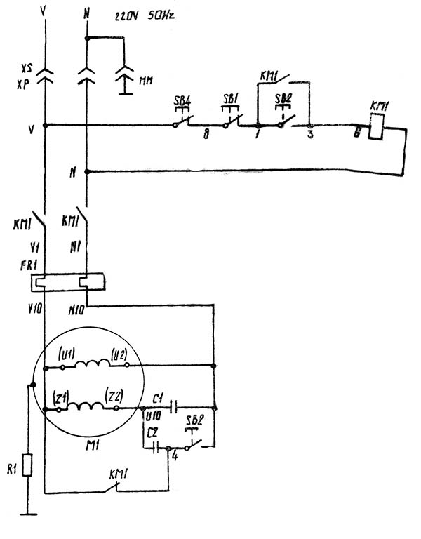
Електроустаткування деревообрабатывающего комбинированного верстата МП8-1540

Схема електрична комбинированного верстата МП8-1540

Електрична схема верстата МП8-1540 на 220 В

Верстат имеет исполнения:


Верстат комбинированный МП8-1540

Верстат обеспечивает работу от однофазной сети напряжением 220 В +10% при частоте 50 Гц.

Подключение у потребителя провода ММ к розетке осуществляется к клемме "Заземление", а второй конец провода ММ подсоединить к винту на щитке счетчика, к которому подсоединен нулевой провод.

Верстат не заземлять.

Потребитель должен установить на електрощитке стандартные плавкие вставки на ток 15-20 А или автоматический двухполюсный (трехполюсный) выключатель на ток 8-10 А.

Работа верстата на холостом ходу более 10 минут недопустима.

Режим роботи верстата - повторно-кратковременный S3, ПВ60%, указанный в разделе 2.2. п.6 означает, что в течении каждого часа должно быть не более б включений, в каждом 10 минутном цикле между увімкненнями обеспечить 6 минут роботи і 4 минуты паузы, при етом во время паузы електродвигатель допускается не отключать.





Верстат комбинированный МП8-1540-600

Верстат обеспечивает работу от трёхфазной четырехпроводной сети з глухозаземленной нейтралью напряжением 380 В +10% при частоте 50 Гц.

Верстат имеет заземление. Защитный зяземляющий провод является частью гибкого кабеля, подключаемого к питающей сети четырехштырковой вилкой.

Потребитель должен установить на електрощитке стандартные плавкие вставки на ток 10 А или автоматический трехполюсный выключатель на ток 4 А.

Получить от местных органів енергонадзора разрешение на подключение верстата в електросеть і инструктаж по технике електробезопасности.


Подготовительные операции для МП8-1540

Углы заточки дереворежущего инструмента

Углы заточки дереворежущего инструмента


Регулювання ножей в строгальном барабане верстата МП8-1540

Регулювання ножей в строгальном барабане верстата МП8-1540


Планка для калибровки ножей в баробане верстата МП8-1540

Планка для калибровки ножей в строгальном барабане верстата МП8-1540


Ножи необходимо устанавливать так, чтобы они выступали на 1 мм за габарити ножевого вала. При установці контролировать равномерную выставку ножей по всей длине вала.

Затяжку болтов, удерживающих ножи, начинать от середины клина, выставку ножей произвести по калиберной планке. Перед началом роботи обязательно проверить надежность крепления ножей. Включив фугувальне пристрій, убедиться в нормальной его работе. Необходимо следить за работой підшибників ножевого вала. В случае повышения температуры необходимо заменить підшипники.




Технічні характеристики комбинированного верстата МП8-1540

Наименование параметра БДС-4 БДС-5 МП8-1540
Пиление дисковий пилкою
Диапазон глубины пропила, мм 50 50 50
Наибольший диаметр пильного диска, мм Ø250 Ø250 Ø200
Посадочный диаметр пилы, мм 32, 50
Частота обертання пилы, об/мин 2400, 4000 3000, 4500 1745, 4465
Розміри рабочей поверхности пильного стола, мм
Наибольший диаметр дисковий фрезы, мм 180 180 125 Наибольшая глубина фрезерування, мм 16 16 Фугование (строгание) Наибольшая ширина фугования (строгания), мм 200 200 200 Наибольшая глубина снимаемого слоя за один проход при строгании, мм 3 3 3 Частота обертання ножевого вала на холостом ходу, об/мин 2400, 4000 3000, 3900 Розміри строгального ножа, мм Количество строгальных ножей в ножевом барабане 2 2 Ширина строгальных столов, мм Общая длина строгальных столов, мм 1300 Рейсмус Максимальная і минимальная толщина заготовки при рейсмусовании (Высота подъема рейсмусового стола), мм нет нет 60 Наименьшая длина обрабатываемой заготовки при рейсмусовании, мм нет нет 400 Скорость подачі заготовки в режиме рейсмуса, м/мин нет нет 5,4 Розміри рабочей поверхности рейсмусового стола, мм нет нет Максимальная ширина рейсмусования, мм нет нет 200 Наибольшая толщина срезаемого слоя при рейсмусовании, мм нет нет 3 Сверление. Фрезерование кінцівой фрезой Наибольший диаметр сверла, фрезы, мм нет нет 16 Розміри посадочных мест сверла, фрезы, мм Морзе В18 Розміри рабочей поверхности стола, мм нет нет Глубина сверления, мм нет нет Продольный ход стола, мм нет нет Пристрій токарное Частота обертання токарного шпинделя, об/мин нет 1300 Наибольшая длина заготовки при токарной обработке, мм нет 630 450 Наибольший диаметр заготовки при токарной обработке в центрах, мм нет 100 60 Наибольший диаметр заготовки при токарной обработке на план-шайбе, мм нет 200 Вес токарного приспособления, кг нет 26 Електроустаткування верстата Род тока питающей сети ~220В ~220В / ~380В ~220В / ~380В Количество електродвигателей на станке, шт 1 1 1 Електродвигун, кВт 2,2 1,5/ 2,2 1,1 Габарит і масса верстата Габарит верстата (длна х ширина х высота), мм 1035 х 560 х 1280 825 х 580 х 1000 720 х 525 500 Масса верстата, кг 140 125 93

    Список литературы:

  1. Амалицкий В.В. Деревообрабатывающие верстати і инструменты, 2002
  2. Афанасьев А.Ф. Резьба по дереву, Техника, Инструменты, Изделия, 2014
  3. Бобиков П.Д. Мебель своими руками, 2004
  4. Борисов И.Б. Обработка дерева, 1999
  5. Джексон А., Дей Д. Библия работ по дереву, 2015
  6. Золотая книга работ по дереву для владельца загородного участка, 2015
  7. Ильяев М.Д. Резьба по дереву, Уроки мастера, 2015
  8. Комаров Г.А. Четырехсторонние продольно-фрезерные верстати для обробки древесины, 1983
  9. Кондратьев Ю.Н., Питухин А.В... Технология изделий из древесины, Конструирование изделий і расчет материалов, 2014
  10. Коротков В. И. Деревообрабатывающие верстати, 2007
  11. Лявданская О.А., Любчич В.А., Бастаева Г.Т. Основы деревообробки, 2011
  12. Любченко В.И. Рейсмусовые верстати для обробки древесины, 1983
  13. Манжос Ф.М. Дереворежущие верстати, 1974
  14. Расев А.И., Косарин А.А. Гідротермическая обработка і консервирование древесины, учебное пособие, 2010
  15. Рыженко В.И. Полная енциклопедия художественных работ по дереву, 2010
  16. Рыкунин С.Н., Кандалина Л.Н. Технология деревообробки, 2005
  17. Симонов М.Н., Торговников Г.И. Окорочные верстати, 1990
  18. Соловьев А.А., Коротков В.И. Наладка деревообрабатывающего оборудования, 1987
  19. Суханов В.Г. Круглопильные верстати для распиловки древесины, 1984
  20. Фокин С.В., Шпортько О.Н. Деревообработка, Технологии і обладнання, 2017
  21. Хилтон Билл Работы по дереву, Полное руководство по изготовлению стильной мебели для дома, 2017