Постачальником настільного свердлувального верстата Корвет-48 є Енкор-Інструмент-Воронеж, ТОВ , засноване в 1992 році. Адреса сайту: http://www.enkor.ru/, сайт інтернет-магазину www.enkor24.ru.
Виробник – компанія Shanghai Joye Import & Export Co., Ltd. , Китай, м. Шанхай, заснована у липні 2003 року.
Вертикальний свердлильний верстат Корвет 48 призначений для обробки різних матеріалів різальним або шліфуючим інструментом, що обертається (з можливістю осьового переміщення).
Свердлильний верстат Корвет 48 призначений для роботи від однофазної мережі змінного струму напругою 220+22В частотою 50 Гц.
Верстат Корвет 48 розрахований для експлуатації у нормальних кліматичних умовах:

Фото свердлильного верстата Корвет-48

Фото свердлильного верстата Корвет-48

Фото свердлильного верстата Корвет-48

Фото свердлильного верстата Корвет-48

Розташування основних вузлів свердлувального верстата Корвет-48
Розташування основних вузлів свердлувального верстата Корвет-48. Дивитись у збільшеному масштабі

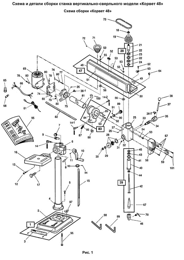
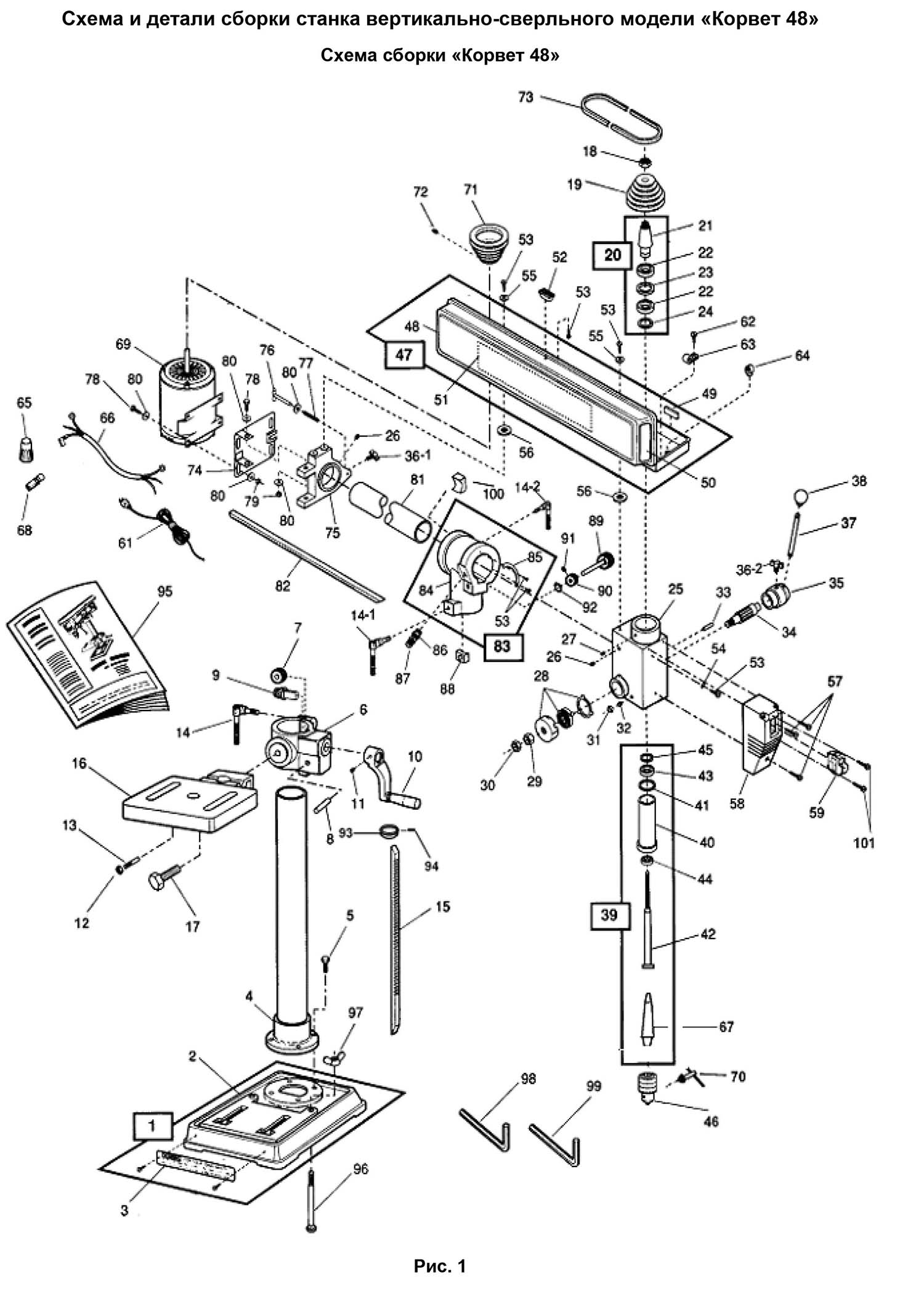
Схема складання свердлильного верстата Корвет-48
Схема складання свердлильного верстата Корвет-48. Дивитись у збільшеному масштабі

Деталі складання свердлильного верстата Корвет-48
Деталі складання свердлувального верстата Корвет-48. Дивитись у збільшеному масштабі
Встановіть верстат на рівній міцній базі (1).
Встановіть на базу (1) колону (3) і закріпіть її болтами (2) (чотири болти), що додаються.
Візьміть робочий стіл (4) із тримачем столу (14), встановіть в отвір корпусу тримача столу (14) зубчасту рейку (16). Зуби рейки (16) поєднайте її із зубчастиним валом, встановленим усередині тримача столу (14).
Все це складання слід встановити на несучу вертикальну колону (3). Нижній кінець зубчастої рейки (16) встановіть у фаску фланця колони (3), а верхній кінець рейки (16) слід закріпити обмежувальним кільцем (5). При встановленні кільця (5) на колону (3) зверніть увагу на те, щоб фаска з одного боку кільця (5) щільно притискала зубчасту рейку (16). Положення кільця (5) надійно зафіксуйте гвинтом.
Встановіть ручку підйому столу (15), положення ручки надійно закріпіть гвинтом. Повертаючи ручку (15), переконайтеся, що робочий стіл (4) переміщається без труднощів вгору та вниз. Робочий стіл (4), крім того, можна обертати і горизонтальній площині поворотом навколо колони (3).
Встановіть на утримувач столу (14) ручку (35) для фіксації робочого столу (4) на колоні (3) та затягніть її, встановивши робочий стіл (4) на бажаній висоті.

Складання горизонтальної колони свердлильного верстата Корвет-48
Складання горизонтальної колони свердлувального верстата Корвет-48. Дивитись у збільшеному масштабі
Вкладіть стопорну колодку (17) на штатне місце у перехідній муфті (11); акуратно (за допомогою помічника) встановіть складання корпусу шпинделя на колону (3).
Примітка: необхідно враховувати, що вага конструкції більше 35 кг.
Встановіть фіксуючі ручки (18 та 19). Ручкою фіксації (18) надійно закріпіть положення перехідної муфти (11) на вертикальній колоні (3).
Поверненням ручки (20) перевірте можливість горизонтальних переміщень корпусу шпинделя щодо колони (3). Ручка (19) має бути відпущена.
Как показано на рис.2, установите на шпиндель сверлильный патрон (6) (предварительно необходимо протереть все сопрягаемые поверхности), закрепите положение сверлильного патрона (6) легким ударом киянки или молотка через деревянный брусок. Губки сверлильного патрона (6) при етом должны находиться внутри корпуса сверлильного патрона (6).
Как показано на рис.2, установите три рукоятки (9). Убедитесь в плавном осевом перемещении сверлильного патрона (6), при возврате сверлильного патрона (6) в верхнее положение не бросайте (придерживайте) ручки (9), при необходимости перехватитесь за одну из трёх ручек (9).
Проверьте наличие поперечного люфта, покачав за патрон (6). Если люфт ощутим, его можно минимизировать, проворачивая по часовий стрелке винт (23) (предварительно отпустите контрящую гайку (24), а по завершению регулировки – вновь затяните ее). Помните, затягивая винт (23), вы прижимаете шпиндель. Зусилля пружинного механізма (22) може оказаться недостаточным для автоматичного подъема шпинделя в исходное положение.
Откройте защитный кожух (10), отпустите фиксирующий болт-барашек (28) і прижмите двигатель (12) правой рукой в сторону шпиндельной головки, установите клиновой ремень (26) на соответствующие ручьи шкивов (25 і 27).
Установите натяжение клинового ремня (26) так, чтобы при стремлении сблизить ветви ремня, смещение их не превышало 1 см. Для регулировки натяжения ремня (26) необходимо отжать двигатель (12) при отпущенном барашке (28), установить требуемое натяжение і вновь затянуть болт-барашек (28).
Проверьте срабатывание пружинного фиксатора (36) на переходной муфте (11).
Установите на рабочий стол (4) тиски как показано на рис. 2а і закрепите их двумя болтами (44) (не входят в комплект поставки).
Подключите собранный верстат к источнику електрического тока. Перед началом експлуатации верстата необходимо проверить функционирование его електрических блоков.
Подключение верстата к источнику електрического тока описано в пункте 8.2.
Примечание: верстат не должен експлуатироваться без жесткой фиксации на верстаке посредством монтажных винтов (см. п. 8)

Налаштування скорости сверлильного верстата Корвет-48

Выбор скорости обертання шпинделя і диаметра сверла сверлильного верстата Корвет-48
Скорость обертання шпинделя регулируется изменением положения клиновых ремней на ступенях шкивов .(см. схему і детали сборки)
При необходимости можно изменить скорость обертання шпинделя. Предварительно необходимо выключить верстат і обесточить его (отключить вилку шнура живлення от питающей розетки). Затем следует ослабить натяжение клиновых ремней. Для етого необходимо отпустить фиксацию гвинта і притянуть двигатель (мотор) в сторону шпинделя. Руководствуясь таблицей установки швидкостей на внутренней стороне крышки защитного кожуха, переместите ремни по ступеням шкивов в требуемую позицию. Натяните клиновые ремни і зафиксируйте винт.
При сверлении вязких материалов і пластмасс следует помнить, что угол заточки сверла должен быть иным, чем при сверлении сталей, чугуна.
При использовании пристосувань, зажимаемых в патрон для шлифовки различных материалов, не рекомендуется заметно увеличивать боковое (или осевое) давление на шлифовальную головку. Чем выше площадь шлифования, тем осторожнее следует увеличивать прижим детали к шлифовальному приспособлению.
При сверлении металлов робота будет значительно ускорена, если Вы будете использовать какую-либо смазку в зоне сверления. Это охлаждает сверло, облегчает режим різання.
При необходимости исполнения значительного объема роботи в однородном материале следует руководствоваться рекомендуемыми скоростями сверления. Приведенная ниже таблица поможе Вам выбрать оптимальную скорость обертання шпинделя при обработке различных материалов. Предложенная таблица выбора швидкостей является базовой. При стандартных углах заточки сверла, руководствуясь ею, Вам следует устанавливать скорость близкую к приведенной.
| Найменування параметру | Корвет-42 | Корвет-44 | Корвет-45 | Корвет-46 | Корвет-47 | Корвет-48 |
|---|---|---|---|---|---|---|
| Основні параметри верстата | ||||||
| Діаметр свердла, мм | 3..16 | 3..16 | 1,5..13 | 3..16 | 3..16 | 3..16 |
| Розмір столу, мм | 198 х 198 | 290 х 290 | 160 х 160 | 170 х 175 | 200 х 200 | 230 х 217 |
| Розмір опорної бази (основи), мм | 340 x 210 | 460 x 275 | 314 х 200 | 320 x 195 | 340 x 210 | 340 x 210 |
| Діаметр колони, мм | 60 | 80 | 46 | 60 | 60 | |
| Найбільша відстань від торця шпинделя до столу, мм | 245 | 400 | ||||
| Найбільша відстань від торця шпинделя до основи, мм | 330 | 515 | ||||
| Відстань від шпинделя до колони (виліт), мм | 115 | 126 | ||||
| Тиски в комплекті | 3" | 2,5" | 2,5" | 2,5" | 3" | 4" |
| Шпиндель | ||||||
| Швидкість обертання шпинделя, об/хв (Число ступенів) | 210..2580 (12) | 120..3000 (16) | 580, 850, 1220, 1650, 2650 (5) | 280, 450, 540, 620, 800, 1000, 1550, 1700, 2350 (9) | 210, 300, 350, 420, 500, 540, 970, 1040, 1170, 1480, 1580, 2220 (12) | 500, 790, 1330, 1870, 2450 (5) |
| Хід шпинделя, мм | 60 | 80 | 50 | 50 | 60 | 80 |
| Посадка патрона | MT 2 | MT 2 | В16 | В16 | В16 | В16 |
| Конус шпинделя | 2 Морзе | В16 Морзе | В16 Морзе | МТ2 Морзе | 2 Морзе | |
| Кут нахилу шпинделя, град | - | - | - | - | - | +90°, -45° |
| Горизонтальне переміщення шпинделя, мм | - | - | - | - | - | 320 |
| Індикатор частоти обертання шпинделя, мм | - | - | - | - | - | - |
| Електроустаткування | ||||||
| Номінальна напруга живлення, | 220 ±22, 50 Гц | 220 ±22, 50 Гц | 220 ±22, 50 Гц | 220 ±22, 50 Гц | 220 ±22, 50 Гц | 220 ±22, 50 Гц |
| Номінальна споживана потужність, Вт | 450 | 650 | 350 | 500 | 550 | 550 |
| Тип двигуна | асинхронний | асинхронний | асинхронний | асинхронний | асинхронний | асинхронний |
| Габарити та маса верстата | ||||||
| Габарити пакування верстата (довжина ширина висота), мм | 810 х 500 х 290 | 440 х 340 х 220 | 465 х 355 х 225 | 665 х 415 х 260 | 890 х 470 х 320 | |
| Маса верстата нетто/брутто, кг | 35 | 67/70 | 14/15 | 19/21 | 29/31 | 37/40 |