Постачальником настільного свердлувального верстата Корвет-46 є Енкор-Інструмент-Воронеж, ТОВ , засноване в 1992 році. Адреса сайту: http://www.enkor.ru/, сайт інтернет-магазину www.enkor24.ru.
Виробник – компанія Shanghai Joye Import & Export Co., Ltd. , Китай, м. Шанхай, заснована у липні 2003 року.
Вертикальний свердлильний верстат Корвет 46 призначений для обробки різних матеріалів різальним або шліфуючим інструментом, що обертається (з можливістю осьового переміщення).
Свердлильний верстат Корвет 46 призначений для роботи від однофазної мережі змінного струму напругою 220+22В частотою 50 Гц.
Верстат Корвет 46 розрахований для експлуатації у нормальних кліматичних умовах:

Фото свердлильного верстата Корвет-46
Фото свердлувального верстата Корвет-46. Дивитись у збільшеному масштабі

Фото свердлильного верстата Корвет-46
Фото свердлувального верстата Корвет-46. Дивитись у збільшеному масштабі

Фото свердлильного верстата Корвет-46
Фото свердлувального верстата Корвет-46. Дивитись у збільшеному масштабі

Фото свердлильного верстата Корвет-46
Фото свердлувального верстата Корвет-46. Дивитись у збільшеному масштабі

Розташування основних вузлів свердлувального верстата Корвет-46

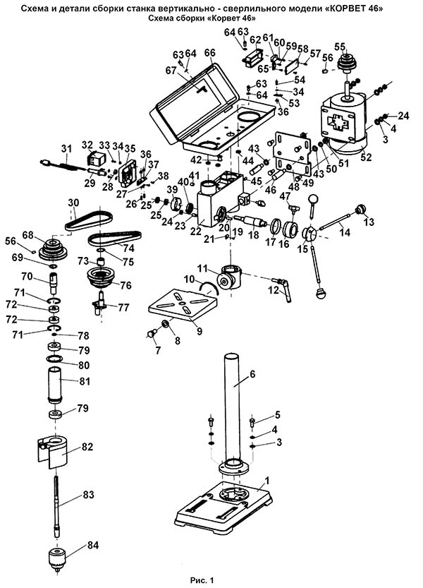
Схема складання свердлильного верстата Корвет-46
Схема складання свердлильного верстата Корвет-46. Дивитись у збільшеному масштабі

Деталі складання свердлильного верстата Корвет-46
Деталі складання свердлувального верстата Корвет-46. Дивитись у збільшеному масштабі

Налаштування швидкості свердлувального верстата Корвет-46
Встановіть верстат на рівній стійкій поверхні верстата (робочого столу). За необхідності або у разі стаціонарного використання верстата закріпіть верстат на поверхні верстата (робочого столу).
Встановіть на рівну міцну поверхню верстата основу (1) верстата, Рис.2.
Встановіть на основу (1) колону (13), Рис.2 і закріпіть колону (13) на підставі (1) трьома болтами (16), що додаються, Рис.2.
Встановіть робочий стіл (2) у зборі з муфтою (14) на колону (13). Положення робочого столу (2) по висоті зафіксуйте болтом (15) муфти розрізу (14), Рис.2.
Акуратно встановіть на колону (13) шпиндельну головку верстата (17), Рис.3, попередньо послабивши гвинти фіксації (18), Рис.3 . Повертаючи шпиндельну головку (17) на колоні (13), Мал.3, переконайтеся, що вона «сіла» до упору. Положення шпиндельної головки зафіксуйте ггвинтами фіксації (18), Рис.3.
Встановіть ручки подавання (12), Рис.2,4. Переконайтеся, що шпиндель подається цією ручкою на всю глибину і легко повертається у вихідне положення. Мал. 3.
Встановіть свердлильний патрон (3), Рис.2, 4, на шпиндель верстата (попередньо необхідно видалити з його поверхні мастило, а також очистити від мастила внутрішню посадкову поверхню свердлильного патрона (3), Рис.2, 4). Закріпіть патрон (3), Рис.2, 4, на шпинделі легкими ударами молотка через дерев'яний брусок, кулачки свердлильного патрона (3) при цьому повинні бути зведені.
Встановіть та закріпіть захисний екран (4) на посадкове місце у кронштейні (21).
Установите на рабочий стол (2) тиски (23) і зафиксируйте их положение специальными болтами (24), Рис.5. При необходимости для закрепления тисков (23) на рабочем столе (2) используйте переходную плиту (пластину). Рис. 4
Перемещая шпиндель за ручку (12), Рис.4, проверьте плавность ходу шпинделя, Рис.4. Настановний винт (25) з контргайкой (26) предназначен для предотобертання проворачивания шпинделя. Если перемещение происходит не плавно или для переміщення нужно приложить усилие – необходимо произвести регулировку положения гвинта (25),
предварительно ослабив контргайку (26). По окончанию регулировки закрепите положение контргайкой (26).
Проверьте усилие возвратной пружины. По мере роботи (со временем) зусилля возвратной пружины може оказаться недостаточным для автоматичного подъема шпинделя в исходное положение.
Для регулировки (увеличения – уменьшения) зусилля возвратной пружины шпинделя:
После полной сборки верстата, перед началом его експлуатации необходимо проверить правильность сборки, предварительных регулировок і роботи его вузлів і механізмов.
Перед тем как включить верстат проверьте надёжность закрепления верхнего кожуха (8) винтом (9), Рис.2.
Ключ к сверлильному патрону не должен оставаться в сверлильном патроне (3), Рис.2. Режущий инструмент (сверло) в сверлильном патроне (3) должен быть хорошо закреплён. Если режущий инструмент (сверло) не установлен, то кулачки сверлильного патрона (3) должны быть сведены.
Верстат оснащен магнитным пускателем, предотвращающим самопроизвольное увімкнення після отключения живлення, Рис.3. Увімкнення верстата производится нажатием на зелёную кнопку (20), відключення верстата производится нажатием на красную кнопку (19), Рис.3.
Контроль глубины сверления «глухих» отверстий производится по шкале (6) і указателю (5), Рис.2.
Регулювання (ограничение) глубины сверления производится винтом (31), Рис.4.
Установка высоты робочого стола (2) задается переміщенням разрезной муфты (14) по колоне (13).
Перед изменением положения разрезной муфты (14) на колоне (13) необходимо ослабить её положение ручкой болта фиксации (15). После установки робочого стола (2) на необходимую высоту ручкой болта фиксации (15) надёжно закрепите положение разрезной муфты (15), Рис.2.
При открытии верхнего кожуха (8) ременной передачи, Рис.2,8, произойдет размыкание конечного выключателя (37), і верстат отключится. Увімкнення верстата возможно только після закрытия верхнего кожуха (8) ременной передачи, Рис.2,8 і нажатия на зеленую кнопку увімкнення (20), Рис.3. (см. п.10.3.). Если верстат не включается, выполните регулировку положения кулачка (38).
ВНИМАНИЕ: Запрещается принудительно блокировать конечный выключатель (37).
Перемещение шпинделя производится ручкой подачі (12), Рис.2. При сверлении отверстий контролируйте величину подачі режущего инструмента во избежание контакта режущего инструмента з тисками (23) или рабочим столом (2), Рис.2,5.
Скорость обертання шпинделя регулируется изменением положения клиновых ремней (35) і (36) на ручьях шкивов (32), (33) і (34), Рис.8. Можно установить 9 режимов частоти обертання шпинделя, Рис.9.
Для изменения режима обертання шпинделя предварительно следует ослабить натяжение клиновых ремней (35) і (36), Рис.8.

Налаштування скорости сверлильного верстата Корвет-46

Таблиця швидкостей сверлильного верстата Корвет-46
Таблиця швидкостей сверлильного верстата Корвет-46. Дивитись у збільшеному масштабі
Для етого необходимо ослабить винт фиксации (22), Рис.8. Переместите плиту електродвигуна (11) со шкивом (32) в направлении шкива (33) так же, как на оси (11). В соответствии з намеченной операцией і согласно таблице 3 і Рис. 9 необходимо установить ремни (35) і (36) на ручьях шкивов (32), (33) і (34), Рис.8, 9.
Натяните клиновые ремни (35) і (36), для чего переместите плиту електродвигуна (11) со шкивом (32) в направлении натяжения клиновых ремней (35) і (36). Положение плиты двигуна (11) надёжно зафиксируйте винтом фиксации (22).
Для установки угла поворота поверхности робочого стола (2) относительно режущего инструмента необходимо:
После предварительных настроек (перпендикулярность, заданный угол, глубина сверления, і т.д.) перед выполнением ответственных работ необходимо выполнить пробную рабочую операцию, произвести инструментальное измерение. При необходимости внести корректировку в налаштування. Для точной налаштування верстата применяйте мерительные инструменты соответствующей точності (угольник, угломер, линейку, штангенциркуль, і т.д.).
Для получения стабильных результатов нескольких одинаковых заготовок используйте универсальные слесарные приспособления (УСП) или кондукторы.
Перед выполнением сверлильных работ з заготовками из разного материала і разной толщины изучите (в справочной і учебной литературе) правила і приёмы выполнения конкретной операции - углы заточки, скорость подачі, частоту обертання шпинделя і т.д.
Внимание: Во избежание поломки или заклинивания сверла, вырывания заготовки или підвищеної нагрузки на двигатель і редуктор ремённой передачи при выполнении сквозного сверления, уменьшайте скорость подачі сверла до минимальной. Будьте крайне внимательны!
При использовании инструментов, зажимаемых в сверлильный патрон для шлифовки различных материалов не увеличивайте боковое давление на шлифовальную головку. Чем выше площадь шлифования, тем осторожнее следует увеличивать прижим детали. Используйте специальные шлифовальные головки (барабаны) і приспособления, предназначенные для установки на сверлильные верстати і не допускающие соскакивания сверлильного патрона при создании бокового зусилля.

Выбор скорости обертання шпинделя і диаметра сверла сверлильного верстата Корвет-46
Скорость обертання шпинделя регулируется изменением положения клиновых ремней на ступенях шкивов .(см. схему і детали сборки)
При необходимости можно изменить скорость обертання шпинделя. Предварительно необходимо выключить верстат і обесточить его (отключить вилку шнура живлення от питающей розетки). Затем следует ослабить натяжение клиновых ремней. Для етого необходимо отпустить фиксацию гвинта і притянуть двигатель (мотор) в сторону шпинделя. Руководствуясь таблицей установки швидкостей на внутренней стороне крышки защитного кожуха, переместите ремни по ступеням шкивов в требуемую позицию. Натяните клиновые ремни і зафиксируйте винт.
При сверлении вязких материалов і пластмасс следует помнить, что угол заточки сверла должен быть иным, чем при сверлении сталей, чугуна.
При использовании пристосувань, зажимаемых в патрон для шлифовки различных материалов, не рекомендуется заметно увеличивать боковое (или осевое) давление на шлифовальную головку. Чем выше площадь шлифования, тем осторожнее следует увеличивать прижим детали к шлифовальному приспособлению.
При сверлении металлов робота будет значительно ускорена, если Вы будете использовать какую-либо смазку в зоне сверления. Это охлаждает сверло, облегчает режим різання.
При необходимости исполнения значительного объема роботи в однородном материале следует руководствоваться рекомендуемыми скоростями сверления. Приведенная ниже таблица поможе Вам выбрать оптимальную скорость обертання шпинделя при обработке различных материалов. Предложенная таблица выбора швидкостей является базовой. При стандартных углах заточки сверла, руководствуясь ею, Вам следует устанавливать скорость близкую к приведенной.
| Наименование параметра | Корвет-42 | Корвет-44 | Корвет-45 | Корвет-46 | Корвет-47 | Корвет-48 |
|---|---|---|---|---|---|---|
| Основні параметри верстата | ||||||
| Диаметр сверла, мм | 3..16 | 3..16 | 1,5..13 | 3..16 | 3..16 | 3..16 |
| Размер стола, мм | 198 х 198 | 290 х 290 | 160 х 160 | 170 х 175 | 200 х 200 | 230 х 217 |
| Размер опорной базы (основания), мм | 340 х 210 | 460 х 275 | 314 х 200 | 320 х 195 | 340 х 210 | 340 х 210 |
| Диаметр колонны, мм | 60 | 80 | 46 | 60 | ||
| Наибольшее расстояние от торца шпинделя до стола, мм | 245 | 400 | ||||
| Наибольшее расстояние от торца шпинделя до основания, мм | 330 | 515 | ||||
| Расстояние от шпинделя до колонны (вылет), мм | 115 | 126 | ||||
| Тиски в комплекте | 3" | 2,5" | 2,5" | 2,5" | 3" | 4" |
| Шпиндель | ||||||
| Скорости обертання шпинделя, об/мин (Число ступеней) | 210..2580 (12) | 120..3000 (16) | 580, 850, 1220, 1650, 2650 (5) | 280, 450, 540, 620, 800, 1000, 1550, 1700, 2350 (9) | 210, 300, 350, 420, 500, 540, 970, 1040, 1170, 1480, 1580, 2220 (12) | 500, 790, 1330, 1870, 2450 (5) |
| Хід шпинделя, мм | 60 | 80 | 50 | 50 | 60 | 80 |
| Посадка патрона | MT 2 | MT 2 | В16 | В16 | В16 | В16 |
| Конус шпинделя | 2 Морзе | В16 Морзе | В16 Морзе | МТ2 Морзе | 2 Морзе | |
| Кут нахилу шпинделя, град | - | - | - | - | - | +90°, -45° |
| Горизонтальне переміщення шпинделя, мм | - | - | - | - | - | 320 |
| Індикатор частоти обертання шпинделя, мм | - | - | - | - | - | - |
| Електроустаткування | ||||||
| Номінальна напруга живлення, | 220 ±22, 50 Гц | 220 ±22, 50 Гц | 220 ±22, 50 Гц | 220 ±22, 50 Гц | 220 ±22, 50 Гц | 220 ±22, 50 Гц |
| Номінальна споживана потужність, Вт | 450 | 650 | 350 | 500 | 550 | 550 |
| Тип двигуна | асинхронний | асинхронний | асинхронний | асинхронний | асинхронний | асинхронний |
| Габарити та маса верстата | ||||||
| Габарити пакування верстата (довжина ширина висота), мм | 810 х 500 х 290 | 440 х 340 х 220 | 465 х 355 х 225 | 665 х 415 х 260 | 890 х 470 х 320 | |
| Маса верстата нетто/брутто, кг | 35 | 67/70 | 14/15 | 19/21 | 29/31 | 37/40 |