Постачальником настільного свердлувального верстата Корвет-42 є Енкор-Інструмент-Воронеж, ТОВ , засноване в 1992 році. Адреса сайту: http://www.enkor.ru/, сайт інтернет-магазину www.enkor24.ru.
Виробник – компанія Shanghai Joye Import & Export Co., Ltd. , Китай, м. Шанхай, заснована у липні 2003 року.
Вертикальний свердлильний верстат Корвет 42 призначений для обробки різних матеріалів різальним або шліфуючим інструментом, що обертається (з можливістю осьового переміщення).
Свердлильний верстат Корвет 42 призначений для роботи від однофазної мережі змінного струму напругою 220+22В частотою 50 Гц.
Верстат Корвет 42 розрахований для експлуатації у нормальних кліматичних умовах:

Фото свердлильного верстата Корвет-42

Фото свердлильного верстата Корвет-42

Фото свердлильного верстата Корвет-42

Фото свердлильного верстата Корвет-42

Фото свердлильного верстата Корвет-42

Розташування основних вузлів свердлувального верстата Корвет-42

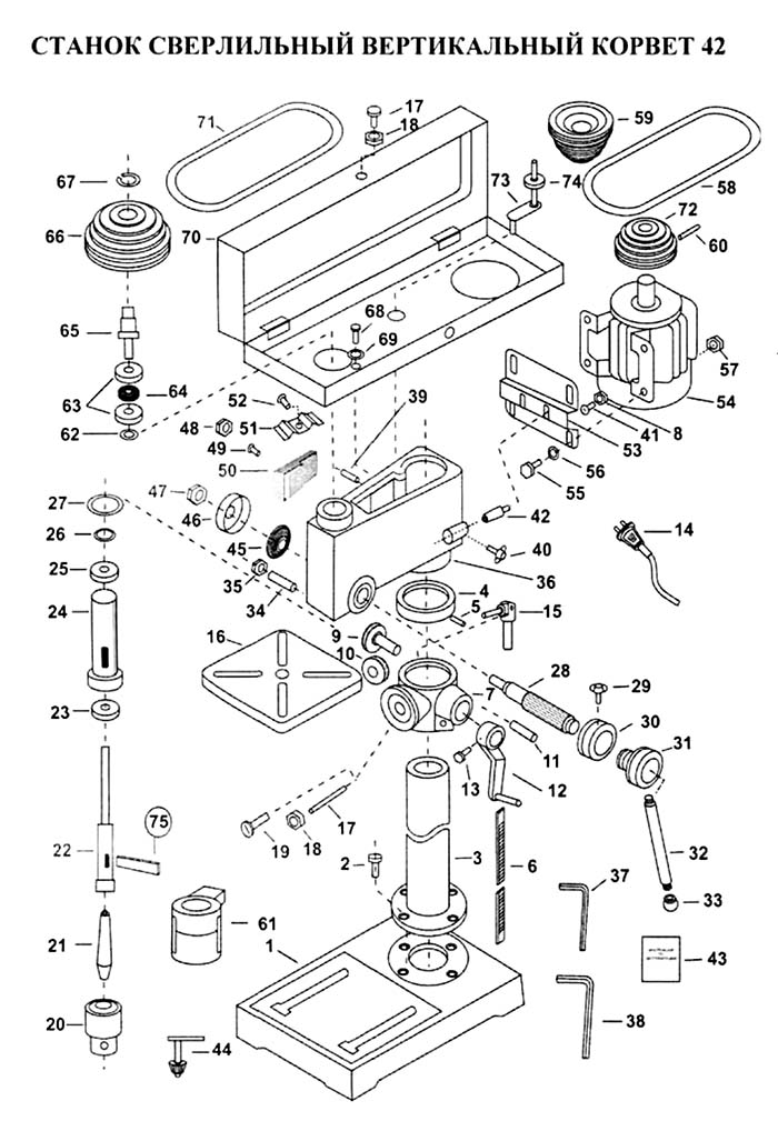
Схема складання свердлильного верстата Корвет-42
Схема складання свердлильного верстата Корвет-42. Дивитись у збільшеному масштабі

Деталі складання свердлильного верстата Корвет-42
Деталі складання свердлувального верстата Корвет-42. Дивитись у збільшеному масштабі
Встановіть основу (1) верстата на рівну міцну поверхню.
Встановіть на платформу колону (3) і закріпіть її ггвинтами (чотири гвинти).
Візьміть вузол «Робочий стіл - опорна муфта» (7), Рис.1, встановіть в муфту зубчастиний вал (9) (якщо він не встановлений), введіть зубчасту рейку (6) і притисніть її до зубчастого валу (9). Зібраний вузол встановіть на колону (3): нижній кінець зубчастої рейки (6) обіпрється на нижнє кільце колони (3), а верхній кінець рейки (6) слід притиснути кільцем штатива (4). При встановленні кільця (4) на колону (3) зверніть увагу на те, щоб вибірка з одного боку кільця (4) щільно притиснула зубчасту рейку (6). Зафіксуйте кільце (4) гвинтом (5).
Встановіть та закріпіть ручку підйому столу (12), обертаючи її, та переконайтеся, що стіл (16) переміщається без труднощів вгору та вниз. При необхідності стіл (16) можна розгорнути у вертикальній площині, контролюючи кут повороту за шкалою.
Для розвороту столу (16) відпустіть гвинт (19).
Обережно встановіть на колону (3) корпус (шпиндельну головку) (36). Повертаючи головку (36) на колоні (3), переконайтеся, що головка (36) сіла до упору; зафіксуйте її на колоні (3), затягнувши два гвинти (39).
Поверніть у вал подачі шпинделя (28) з опорним кільцем (30) та приводом вала (31) три ручки (33). Переконайтеся, що шпиндель (22) подається цими ручками на всю глибину і легко повертається у вихідне положення.
Встановіть у шпиндель (22) конусний проміжний вал (21), насадіть на нього свердлильний патрон (20) (попередньо необхідно протерти всі поверхні, що сполучаються), закріпіть вузол на шпинделі (22) легким ударом через дерев'яний брусок.
Губки патрона (20) при етом должны быть ввернуты. При необходимости разберите сопряжение в прорези шпиндельной втулки (24) і шпинделя (22) ( при опущенном шпинделе (22) і совмещении прорезей вращением шкива (66)). «Выколотка» (75) вводится клиновой стороной; конец її опирается на промежуточный конусный вал (21), і легким ударом молотка вниз по «выколотке» (75) вал (21) выбивается. Примите меры по предотвращению падения вузла на стол (16). Подведите стол (16) перед разборкой к опущенному патрону (20) расстояние 1-2 см.
Установите ручку (17) на защитный кожух (70) ременной передачи.
Проверьте наличие поперечного люфта шпинделя (22), покачав за патрон (20). Если люфт ощутим, его можно минимизировать, проворачивая по часовий стрелке винт (34), предварительно отпустив контрящую гайку (35). По завершению регулировки – вновь затяните контрящую гайку (35)
Помните, затягивая винт (34), Вы прижимаете шпиндель (22). Усилие возвратной пружины (45) може оказаться недостаточным для автоматичного подъема шпинделя (22) в исходное положение.
Проверьте (и при необходимости установите) положение указателей: - наклона робочого стола, используя регулировочные винты (17, 19); - глубины подачі шпинделя (22), ослабив винт (29). Проверните опорное кольцо до совмещения указателя з началом шкалы, затяните винт (29).
Установите натяжение клиновых ремней (71,58) так, чтобы при стремлении сблизить ветви ремня смещение их не превышало 1 см. Для регулировки натяжения ремней (71,58), откройте защитный кожух (70), отпустите винт (40), рукой отожмите двигатель (54), а після установки требуемого натяжения вновь зафиксируйте положение штока (42) винтом (40).
Верстат собран. Перед началом експлуатации верстата проверьте работу его електрических блоков.
Подключение верстата к источнику електрического тока описано в разделе 16.

Выбор скорости обертання шпинделя і диаметра сверла сверлильного верстата Корвет-42
Скорость обертання шпинделя (22) регулируется изменением положения клиновых ремней (71,58) на ступенях шкивов (66,59,72).(см. схему і детали сборки стр.9)
При необходимости можно изменить скорость обертання шпинделя (22). Предварительно необходимо выключить верстат і обесточить его (отключить вилку шнура живлення от питающей розетки). Затем следует ослабить натяжение клиновых ремней (71,58) . Для етого необходимо отпустить фиксацию гвинта (40) і притянуть двигатель (мотор) (54) в сторону шпинделя (22). Руководствуясь таблицей установки швидкостей на внутренней стороне крышки защитного кожуха (70), переместите ремни (71,58) по ступеням шкивов (66,59,77) в требуемую позицию. Натяните клиновые ремни (71,58) і зафиксируйте винт (40).
При сверлении вязких материалов і пластмасс следует помнить, что угол заточки сверла должен быть иным, чем при сверлении сталей, чугуна.
При использовании пристосувань, зажимаемых в патрон (20) для шлифовки различных материалов, не рекомендуется заметно увеличивать боковое (или осевое) давление на шлифовальную головку. Чем выше площадь шлифования, тем осторожнее следует увеличивать прижим детали к шлифовальному приспособлению.
При сверлении металлов робота будет значительно ускорена, если Вы будете использовать какую-либо смазку в зоне сверления. Это охлаждает сверло, облегчает режим різання.
При необходимости исполнения значительного объема роботи в однородном материале следует руководствоваться рекомендуемыми скоростями сверления. Приведенная ниже таблица поможе Вам выбрать оптимальную скорость обертання шпинделя при обработке различных материалов. Предложенная таблица выбора швидкостей является базовой. При стандартных углах заточки сверла, руководствуясь ею, Вам следует устанавливать скорость близкую к приведенной.
| Наименование параметра | Корвет-42 | Корвет-44 | Корвет-45 | Корвет-46 | Корвет-47 | Корвет-48 |
|---|---|---|---|---|---|---|
| Основні параметри верстата | ||||||
| Диаметр сверла, мм | 3..16 | 3..16 | 1,5..13 | 3..16 | 3..16 | 3..16 |
| Размер стола, мм | 198 х 198 | 290 х 290 | 160 х 160 | 170 х 175 | 200 х 200 | 230 х 217 |
| Размер опорной базы (основания), мм | 340 х 210 | 460 х 275 | 314 х 200 | 320 х 195 | 340 х 210 | 340 х 210 |
| Диаметр колонны, мм | 60 | 80 | 46 | |||
| Наибольшее расстояние от торца шпинделя до стола, мм | 245 | |||||
| Наибольшее расстояние от торца шпинделя до основания, мм | 330 | |||||
| Расстояние от шпинделя до колонны (вылет), мм | 115 | |||||
| Тиски в комплекте | 3" | 2,5" | 2,5" | 2,5" | 3" | 4" |
| Шпиндель | ||||||
| Скорости обертання шпинделя, об/мин (Число ступеней) | 210..2580 (12) | 120..3000 (16) | 580, 850, 1220, 1650, 2650 (5) | 280, 450, 540, 620, 800, 1000, 1550, 1700, 2350 (9) | 210, 300, 350, 420, 500, 540, 970, 1040, 1170, 1480, 1580, 2220 (12) | 500, 790, 1330, 1870, 2450 (5) |
| Ход шпинделя, мм | 60 | 80 | 50 | 50 | 60 | 80 |
| Посадка патрона | МТ 2 | МТ 2 | В16 | В16 | В16 | В16 |
| Конус шпинделя | 2 Морзе | В16 Морзе | В16 Морзе | МТ2 Морзе | 2 Морзе | |
| Угол наклона шпинделя, град | - | - | - | - | - | +90°,-45° |
| Горизонтальное перемещение шпинделя, мм | - | - | - | - | - | 320 |
| Индикатор частоти обертання шпинделя, мм | - | - | - | - | - | - |
| Електроустаткування | ||||||
| Номинальное напряжение живлення, В | 220 ±22, 50 Гц | 220 ±22, 50 Гц | 220 ±22, 50 Гц | 220 ±22, 50 Гц | 220 ±22, 50 Гц | 220 ±22, 50 Гц |
| Номінальна споживана потужність, Вт | 450 | 650 | 350 | 500 | 550 | 550 |
| Тип двигуна | асинхронний | асинхронний | асинхронний | асинхронний | асинхронний | асинхронний |
| Габарити та маса верстата | ||||||
| Габарити пакування верстата (довжина ширина висота), мм | 810 х 500 х 290 | 440 х 340 х 220 | 465 х 355 х 225 | 665 х 415 х 260 | 890 х 470 х 320 | |
| Маса верстата нетто/брутто, кг | 35 | 67/70 | 14/15 | 19/21 | 29/31 | 37/40 |