metalinstryment.com
Довідник по металорізальних верстатів та пресовому обладнанні

Корвет-51 Верстат шлифовальный ленточный
Схеми, опис, характеристики

Корвет-51 Верстат шлифовальный ленточный







Відомості про виробника шлифовального верстата Корвет-51

Поставщиком шлифовального верстата Корвет-51 является Энкор-Инструмент-Воронеж, ООО, основанное в 1992 году. Адрес сайта: http://www.enkor.ru/, сайт интернет-магазина www.enkor24.ru.

Производитель - компания Shanghai Joye Import & Export Co., Ltd., Китай, г. Шанхай, основанная в июле 2003 года.





Верстати, выпускаемые предприятием Энкор-Инструмент-Воронеж


Корвет-51 Верстат шлифовальный ленточный переносной електрический. Назначение, область применения

Шлифовальный ленточный верстат моделі Корвет 51 предназначен для строгания поверхностей заготовок из натуральной древесины з помощью вращающегося в горизонтальной плоскости робочого вала, расположенного между двумя столами, используемыми как опора для обрабатываемого вироби. Строганию подвергается нижняя или верхняя (в режиме рейсмуса) поверхности заготовки.

На верстатах не допускается обработка металлов, асбоцементных материалов, камня і подобных материалов, мягких пластмассовых і резиноподобных материалов.

Шлифовальный верстат работает от однофазной сети переменного тока напряжением 220 В частотой 50 Гц.

Верстат може експлуатироваться в нормальных климатических условиях:





Корвет-51 Загальний вигляд шлифовального верстата

Фото шлифовального верстата Корвет-51

Фото шлифовального верстата Корвет-51


Комплект поставки шлифовального верстата Корвет-51

Комплект поставки шлифовального верстата Корвет-51

Список комплекта поставки шлифовального верстата Корвет-51


Cклад шлифовального верстата Корвет-51

Cклад шлифовального верстата Корвет-51

Список вузлів шлифовального верстата Корвет-51

  1. Станина
  2. Скоба со шкалой
  3. Винт фиксирующий
  4. Магнитный пускатель
  5. Диск шлифовальный
  6. Лента шлифовальная
  7. Упор задний
  8. Стол шлифовальной ленты
  9. Винт регулировки шлифовальной ленты
  10. Рукоятка ослабления/натяжения шлифовальной ленты
  11. Стол рабочий
  12. Кожух приводного ремня




Основні операции шлифовального верстата Корвет-51

Cклад шлифовального верстата Корвет-51


Пуск верстата

Для пуска машины нажмите на зеленую кнопку магнитного пускателя (4).

Для остановки машины нажмите на красную кнопку магнитного пускателя (4).

Для екстренной остановки машины нажмите на крышку магнитного пускателя (4).


Прямое шлифование

Когда шлифовальная лента (6) расположена вертикально, деталь опирается на задний упор (7) или рабочий стол, Рис.8.


Параллельное шлифование

Не нажимайте слишком сильно на заготовку. Машина работает лучше без приложения больших усилий нажатия на заготовку, Рис.9. Задний упор (7), Рис.9, фиксирует деревянную заготовку во время роботи. Во время роботи берегите руки.


Дуговое шлифование

Выполняется перед шлифовальной лентой (6) для получения дуги, Рис. 10.


Параллельное шлифование диском

Установите деталь на рабочий стол (11), чтобы она располагалась параллельно шлифовальному диску (5), Рис.2. На рисунке 11 показано параллельное шлифование заготовки шлифовальным диском.


Шлифование под углом

Шлифование можно осуществлять под углом от 0 до 45 градусов. После регулировки робочого стола (11) необходимо затянуть фиксирующий винт (3) для обеспечения високою точності, Рис.12.


Наклонное шлифование слева направо

Вы можее получить любой угол от 0 до 60 градусов з помощью транспортира (В). Установите транспортир (В), Рис.13, в спеціальний паз робочого стола (11), Рис.2. Отрегулируйте положение транспортира (В), Рис.13. Закрепите фиксирующий винт транспортира (В), Рис.13, після его регулировки.





Расходный материал - Наждачная бумага (шлифовальная шкурка): зернистость, характеристики, использование

Обычно шлифование начинается з более крупной зернистости, і постепенно зернистость уменьшается до получения обробки нужного качества і нужных размеров. Выбор начальной зернистости зависит от начального состояния заготовки (шероховатая, гладкая і т.д.), размеров, твердости древесины і желаемого результата. Ниже даны некоторые загальні правила выбора зернистости шлифовального материала (Таблиця 3).


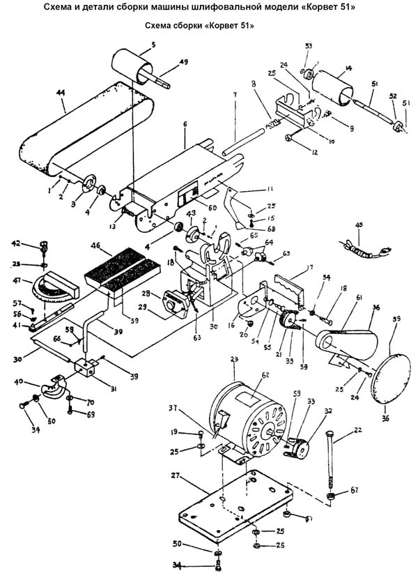
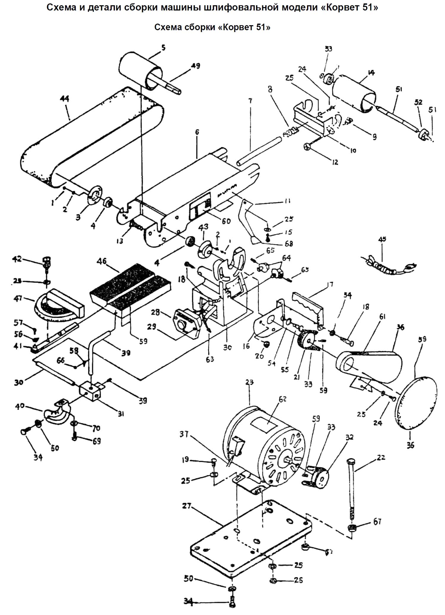
Корвет-51 Верстат шлифовальный. Схема і детали сборки

Корвет-51 Верстат шлифовальный. Схема і детали сборки

Корвет-51 Верстат шлифовальный. Схема і детали сборки. Дивитись у збільшеному масштабі




Корвет-51 Верстат шлифовальный ленточный. Відеоролик

Обзор Корвет-51



Распаковка і обзор Корвет-51



Сравниваем Корвет-51 і JET JSG-64




Технічні характеристики шлифовального верстата Корвет-51

Наименование параметра Корвет-51
Основні параметри
Частота обертання вала двигуна на холостом ходу, об/мин 1420
Частота обертання шлифовального круга, об/мин 1420
Диаметр шлифовального круга, мм 150
Скорость руху ленты, м/мин 282
Розміри ленты: Длина х Ширина, мм 920 х 100
Розміри робочого стола, мм 190 х 125
Угол наклона робочого стола (диск), град 0..45
Угол наклона робочого стола (лента), град 0..45
Угол наклона ленточного вузла, град 0..90
Електроустаткування верстата
Род тока питающей сети 220В 50Гц
Количество електродвигателей на станке, шт 1
Тип електродвигуна асинхронный
Електродвигун - номинальная мощность, кВт 0,375
Габарит і масса верстата
Габарит верстата (длина х ширина х высота), мм
Масса верстата, кг 14

    Список литературы:

  1. Амалицкий В.В. Деревообрабатывающие верстати і инструменты, 2002
  2. Афанасьев А.Ф. Резьба по дереву, Техника, Инструменты, Изделия, 2014
  3. Бобиков П.Д. Мебель своими руками, 2004
  4. Борисов И.Б. Обработка дерева, 1999
  5. Джексон А., Дей Д. Библия работ по дереву, 2015
  6. Золотая книга работ по дереву для владельца загородного участка, 2015
  7. Ильяев М.Д. Резьба по дереву, Уроки мастера, 2015
  8. Комаров Г.А. Четырехсторонние продольно-фрезерные верстати для обробки древесины, 1983
  9. Кондратьев Ю.Н., Питухин А.В... Технология изделий из древесины, Конструирование изделий і расчет материалов, 2014
  10. Коротков В. И. Деревообрабатывающие верстати, 2007
  11. Лявданская О.А., Любчич В.А., Бастаева Г.Т. Основы деревообробки, 2011
  12. Любченко В.И. Рейсмусовые верстати для обробки древесины, 1983
  13. Манжос Ф.М. Дереворежущие верстати, 1974
  14. Расев А.И., Косарин А.А. Гідротермическая обработка і консервирование древесины, учебное пособие, 2010
  15. Рыженко В.И. Полная енциклопедия художественных работ по дереву, 2010
  16. Рыкунин С.Н., Кандалина Л.Н. Технология деревообробки, 2005
  17. Симонов М.Н., Торговников Г.И. Окорочные верстати, 1990
  18. Соловьев А.А., Коротков В.И. Наладка деревообрабатывающего оборудования, 1987
  19. Суханов В.Г. Круглопильные верстати для распиловки древесины, 1984
  20. Фокин С.В., Шпортько О.Н. Деревообработка, Технологии і обладнання, 2017
  21. Хилтон Билл Работы по дереву, Полное руководство по изготовлению стильной мебели для дома, 2017