metalinstryment.com
Довідник по металорізальних верстатів та пресовому обладнанні

6720ВФ2 Верстат фрезерный широкоуніверсальний високою точності з ЧПУ
схеми, опис, характеристики

6720ВФ2 Верстат фрезерный широкоуніверсальний з ЧПУ







Верстат моделі 6720ВФ2 выпускался предприятием Одесский завод фрезерных верстатів им. С.М.Кирова, ОЗФС, основанный в 1944 году, который разрабатывал і производил фрезерные верстати универсальных моделей.





Верстати, выпускаемые Одесским заводом фрезерных верстатів


6720ВФ2 Верстат фрезерный широкоуніверсальний инструментальный високою точності з ЧПУ. Назначение і область применения

Инструментальный широкоуніверсальний верстат моделі 6720ВФ2 і 6720ПФ2 выпускался Одесским заводом фрезерных верстатів c 1987 года прошлого века на базе моделі 6720в.

Фрезерный верстат 6720ВФ2 предназначен для горизонтального і вертикального фрезерування цилиндрическими, дисковыми, фасонными, торцовыми, кінцівыми і другими фрезами. Наличие целого ряда пристосувань делает верстати удобными для роботи в инструментальных і експериментальных цехах крупносерийного і массового производства, а также в основних цехах мелкосерийного і единичного производства.

Верстат предназначен для выполнения разнообразных фрезерных работ в различных плоскостях і под различными углами наклона в широком диапазоне режимов різання. Наличие горизонтального і вертикального шпинделей і большого количества приладдя позволяет производить наступні операции: сверление, долбление, шлифование, растачивание, подрезку торцов, нанесение рисок, фрезерование винтовых поверхностей.

Широкоуніверсальний верстат моделі 6720ВФ2 предназначен для фрезерування деталей цилиндрическими, дисковыми і фасонными фрезами при помощи горизонтального шпинделя, і торцовыми, кінцівыми і шпоночными фрезами при помощи поворотного вертикального шпинделя, который при необходимости може быть повернут под углом.

Верстат 6720ВФ2 применяется в единичном і мелкосерийном производстве в инструментальных і механических цехах машиностроительных предприятий.

Широкие технологические возможности верстата позволяют наиболее еффективно применять его в инструментальном производстве.

Принцип роботи і особливості конструкції верстата

Привід подачі от отдельного електродвигуна постоянного тока з бесступенчатым регулюванням.

Верстати фрезерные широкоуниверсальные инструментальные з ЧПУ моделей 6720ВФ2 і 6720ПФ2 состоят из окремих складових частин, перечень которых приведен в разделе 5 инструкции.

На чугуном основании станины 3 закреплена колонна, на которой монтируются все основні составные частини верстата.

На задньої стенке колонны установлен привід подач. На верхней частини колонны закреплен съёмник 9, на который устанавливается головка вертикальная 8 в нерабочем положении.

По горизонтальным направляющим колонны перемещается бабка шпиндельна 2, к которой крепится вертикальная головка или хобот.

По вертикальным направляющим колонны перемещается супорт 1, а по его горизонтальным направляющим - основной вертикальний стол.

На кронштейне 7, крепящемся к колонне, установлено пристрій ЧПУ.

Бак охлаждения з електронасосом размещен в основании станины 3. Там же размещен насос змазки з приводом.

Шкаф керування 5 расположен справа от верстата і соединен со верстатом при помощи соединительных кабелей.

К вертикальной базовой плоскости основного вертикального стола суппорта 1 крепится угловой горизонтальный стол 10, служащий для установки на нем обрабатываемых деталей.

Инструмент, поставляемый со верстатом, устанавливается і закрепляется на станке непосредственно в конусах шпинделей.

В главном приводе имеется восемнадцатиступенчатая коробка швидкостей, причем на верхних двенадцати ступенях в передаче участвуют лишь две пары зубчатых колес, а на шести нижних ступенях — три пары.

В станке установлен центробежный електронасос для системы охлаждения.

Система змазки — централизованная. Категория качества верстата — высшая.

Шероховатость обрабатываемых поверхностей Ra 2,5 мкм.

Класс точності верстата В по ГОСТ 8—82.

Корректированный уровень звуковой мощности LpA не должен превышать 88 дБА (без головки вертикальной).

Год принятия верстата к серийному производству — 1987.

Проектная организация — Одесский завод фрезерных верстатів им. С. М. Кирова.

Верстат 6720ВФ2 оснащался системами керування і индикации:





Габаритные розміри робочого простору фрезерного верстата 6720ВФ2

Габаритные розміри робочого простору фрезерного верстата 6720ВФ2

Угловой горизонтальный стол фрезерного верстата 6720ВФ2


Габаритные розміри робочого простору фрезерного верстата 6720ВФ2

Круглый стол фрезерного верстата 6720ВФ2


Габаритные розміри робочого простору фрезерного верстата 6720ВФ2

Універсальный стол фрезерного верстата 6720ВФ2


Посадочные і присоединительные базы фрезерного верстата 6720ВФ2

Вертикальный шпиндель фрезерного верстата 6720ВФ2

Вертикальный шпиндель фрезерного верстата 6720ВФ2


Загальний вигляд широкоуніверсального фрезерного верстата 6720ВФ2

Фото широкоуніверсального фрезерного верстата 6720ВФ2

Фото широкоуніверсального фрезерного верстата 6720ВФ2

Фото широкоуніверсального фрезерного верстата 6720ВФ2. Дивитись у збільшеному масштабі



Фото широкоуніверсального фрезерного верстата 6720ВФ2

Фото широкоуніверсального фрезерного верстата 6720ВФ2

Фото широкоуніверсального фрезерного верстата 6720ВФ2. Дивитись у збільшеному масштабі



Фото широкоуніверсального фрезерного верстата 6720ВФ2

Фото широкоуніверсального фрезерного верстата 6720ВФ2

Фото широкоуніверсального фрезерного верстата 6720ВФ2. Дивитись у збільшеному масштабі



Фото широкоуніверсального фрезерного верстата 6720ВФ2

Фото широкоуніверсального фрезерного верстата 6720ВФ2



Фото широкоуніверсального фрезерного верстата 6720ВФ2

Фото широкоуніверсального фрезерного верстата 6720ВФ2



Фото широкоуніверсального фрезерного верстата 6720ВФ2

Фото широкоуніверсального фрезерного верстата 6720ВФ2



Фото широкоуніверсального фрезерного верстата 6720ВФ2

Фото широкоуніверсального фрезерного верстата 6720ВФ2







Список основних вузлів фрезерного верстата 6720вф2

  1. Суппорт 6720ВФ2.30.001
  2. Бабка шпиндельна 6720ВФ2.60.001
  3. Станина 6720ВФ2.70.001
  4. Електроустаткування 6720ВФ2.90.001
  5. Шкаф керування 6720ВФ2.91.001
  6. Пульт 6720ВФ2.98.001
  7. Кронштейн пульта 6720ВФ2.95.001
  8. Головка вертикальная 6720ВФ2.40.001
  9. Съемник ОФ-120Ф2.801.001
  10. Стол горизонтальный 6720ВФ2.81.001
  11. Ограждение горизонтального стола 6720В.100.001
  12. Шкаф инструментальный У.11.ШИ-2.00.000-03
  13. Опора виброизолирующая типа ОВ-31
  14. Хобот ОФ-120Ф2.807.001
  15. Стол угловой універсальний 6А75В.82.001
  16. Стол круглый 6А75В.84.001
  17. Оправка 6720B.80.121
  18. Оправка Ø16 У.06.ОФ.00.000
  19. Оправка Ø22 У.06.ОФ.00.000-01
  20. Оправка Ø27 У.06.0Ф.00.000-02
  21. Центроискатель 0Ф-120Ф2-80.003СБ
  22. Резцедержатель 0Ф-120Ф2-80.004СБ
  23. Оправка 0Ф-120Ф2-80.005СБ
  24. Втулка переходная 0Ф-120Ф2-80.009СБ
  25. Втулка переходная 0Ф-120Ф2-80.0010СБ
  26. Конус притирочный 0Ф-120Ф2-80.0013СБ
  27. Конус притирочный 0Ф-120Ф2-80.0014СБ
  28. Втулка переходная 0Ф-120Ф2-80.0015СБ
  29. Втулка переходная 0Ф-120Ф2-80.0016СБ
  30. Патрон цанговый 0Ф-120Ф2-80.0017СБ
  31. Патрон цанговый 0Ф-120Ф2-80.0018СБ

Список органів керування на пульті фрезерного верстата 6720вф2

  1. S3 - Аварийный стоп
  2. S16 - Разжим оси X
  3. V106 - Сигнализация разжима оси X
  4. S17 - Разжим оси Y
  5. V107 - Сигнализация разжима оси Y
  6. S18 - Разжим оси Z
  7. V108 - Сигнализация разжима оси Z
  8. S15 - Зажим осей
  9. S29 - Ось X подача +
  10. S30 - Ось X подача -
  11. S32 - Ось Y подача -
  12. S31 - Ось Y подача +
  13. S34 - Ось Z подача -
  14. S33 - Ось Z подача +
  15. S22 - Остановка подачі
  16. S20 - Ускоренный ход
  17. S9 - Увімкнення і відключення СОЖ
  18. S7 - Пуск шпинделя
  19. S8 - Вращение шпинделя вправо і влево
  20. S5 - Остановка шпинделя
  21. S13 - Вы6op режима роботи
  22. S4 - Увімкнення верстата і змазки
  23. S3* - Блокировка смены кадра
  24. V109 - Сигнализация перегрева двигателей
  25. V110 - Сигнализация увімкнення верстата
  26. V111 - Сигнализация смены инструмента

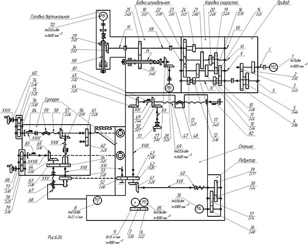
Схема кінематична

Кінематична схема верстата (рис.6.26) состоит из ланцюги головного руху і ланцюги подач.

Кінематична схема широкоуніверсального фрезерного верстата 6720ВФ2

Кінематична схема широкоуніверсального фрезерного верстата 6720ВФ2

Кінематична схема широкоуніверсального фрезерного верстата 6720ВФ2. Дивитись у збільшеному масштабі



Ланцюг головного руху

От електродвигуна 1 приводу головного руху вращение передається валу I привода. От вала I через зубчасті пары 2, 5 или 3, 8 вращение передається валу II коробки швидкостей.

Далее через коробку швидкостей і шестерни 25, 26 вращение получает горизонтальный шпиндель IX.

Вертикальный шпиндель XII получает вращение от вала XI через шестерни 29, 34.

Изменение чисел оборотів горизонтального і вертикального шпинделей производится переключением шестерен 5 і 4 приводу і включением зубчатого перебора коробки швидкостей.

Изменение направления обертання шпинделей IX і ХIII производится реверсированием електродвигуна 1 приводу головного руху.

Насос для змазки 9 получает вращение от електродвигуна 65 через шестерни 6,7.

Ланцюг подач

Ланцюг подач сообщает рух трем рабочим органам:

Все переміщення осуществляются как вручную, так і механически; От електродвигуна 35 ланцюги подач рух передається з через редуктор валу ХVII.

Ходовой винт 47 шпиндельной бабки связан з валом ХVII шестернями 41,42,44,45.

Ходовой вал XXII суппорта связан з валом ХVII шестернями 41,42,43,52,53. От ходового вала ХХII суппорте вращение передається через шестерни 56,57 продольному 58 или через шестерни 54,68 вертикальному 68 ходовым гвинтам.

Выбор величины продольных, поперечных і вертикальних подач осуществляется при помощи тиристорного приводу 35, обеспечивающего осуществление ускоренных перемещений, равных 20 мм/с (1200 мм/мин) і рабочих подач в пределах 0,167..16,67 мм/с (10..1000 мм/мин).

Выбор величины продольных, поперечных і вертикальних подач осуществляется при помощи тиристорного приводу 35, обеспечивающего осуществление ускоренных перемещений, равных 20 мм/с (1200 мм/мин) і рабочих подач в пределах 0,167..16,67 мм/с (10..1000 мм/мин).

Измерение направления етих перемещений осуществляется реверсированием електродвигуна 35.

Ручное продольное перемещение суппорта производится вращением маховика з включением муфты 60, установленной на валу XXIX, через шестерни 4,75,76, винт 58 і гайку 59. Ручное вертикальное перемещение суппорта производится вращением маховика з включением муфты 66 установленной на валу ХХVIII через шестерни 79,78,77,65,64, винт 68 і гайку 67.

Ручное поперечное перемещение шпиндельной бабки производится вращением маховика з включением муфты 51,установленной на валу XX, через конические шестерни 49 і 50, винт 47 і гайку 48.


Опис конструкції основних вузлів верстата 6720ВФ2


Суппорт

Суппорт (рис.6.4)перемещается по вертикальным направляющим колонны і служит для продольного і вертикального переміщення основного вертикального стола механически или вручную.

Механические подачі стола осуществляются передачами винт - гайки качения 1 і 16 от приводного вала 3, получающего вращение от приводу подач.

Керування механическими переміщеннями стола і шпиндельной бабки осуществляется от пульта керування верстата или вручную.

Продольные і вертикальные механические переміщення отключаются кінцівыми упорами.

Величины продольных і вертикальних перемещений контролируются по индикации линейкам і лимбам.

Увімкнення вертикального переміщення суппорта і продольного переміщення основного вертикального стола осуществляется електромагнитными муфтами, установленными на приводном валу 3.

Зажим рабочих органів осуществляется тормозными муфтами 36, 37.


Головка вертикальная

Головка вертикальная (рис.6.4, 6.5) крепится к шпиндельной бабке 2 четырьмя гвинтами 11 і центруется относительно горизонтального шпинделя двумя штифтами 14.

Вертикальный шпиндель 1 смонтирован в корпусе 2.

Шпиндель 1 получает вращение от вала 21 шпиндельной бабки через конические шестерни 9.13.

Благодаря наличию Т-образного паза, обеспечивается поворот головки в вертикальной плоскости на 90° в обе стороны. Фиксация головки при вертикальном положении осуществляется штифтами 12.

Штифты 12 обеспечивают перпендикулярность оси вертикального шпинделя к плоскости горизонтального стола в поздовжньої плоскости з високою степенью точності, достаточной для выполнения большинства операций, производимых з помощью вертикальной головки.

При выполнении особо точных операций рекомендуется производить дополнительную выверку положения оси обертання вертикального шпинделя относительно углового горизонтального стола.

При етом следует добиваться одинаковых показаний индикатора, укрепленного на вертикальном шпинделе в диаметрально противоположных точках его траектории. Расстояние от оси обертання шпинделя до измерительного штифта индикатора должно выбираться, исходя из конкретных условий обробки детали.

Инструмент, установленный в конусе шпинделя 1 затягивается шомполом 10, который перемещается вдоль оси шпинделя і захватывает з помощью шариков 15 хвостовик 16 инструмента.

Осевое перемещение шомпола 10 осуществляется вращением гайки 8, в которую входит резьбовой конец шомпола 10.

Для преобертання вращательного руху гайки 8 в поступательное рух шомпола 10 служит стопор 17, установленный в шпинделе 1.

Гайка 8 получает вращение от маховика 3. В ободе маховика 3 размешены две собачки 30 имеющие возможность под действием центробежной силы поворачиваться на осях 19 і входить в зацепление з зубом втулки 7, которая закреплена на гайке 8 з помощью шпоночного соединения. Вращение маховика 3 производится от електродвигуна 4 через упругую муфту 5.

Отжим инструмента осуществляется при включении обертання вала електродвигуна 4 в противоположном направлении.

ВНИМАНИЕ! ПРИ ЗАЖИМЕ ИНСТРУМЕНТА ПРОИЗВОДИТЬ НЕ БОЛЕЕ 2-х ЩЕЛЧКОВ (СРАБАТЫВАНИЙ МЕХАНИЗМА).


Бабка шпиндельна

Бабка шпиндельна (рис .6 .6… 6.14) перемещаемся по горизонтальным направляющим колонны.

Шпиндельной бабке сообщается поперечная подача. Шпиндель 1 получает вращение от двигуна головного руху 51, установленного па задньої стенке корпуса 2 шпиндельной бабки, через привід і коробку швидкостей, расположенные там же, муфту 19 і шестерни 6 і 20.

Шпиндель 1 смонтирован на радиальных опорах 3 і 7; осевые нагрузки воспринимаются упорными підшипниками 4.

Зажим инструмента осуществляется расположенным в шпинделе 1 шомполом 5, который перемещается вдоль оси шпинделя 1 і захватывает з помощью шариков 17 хвостовик 12 инструмента.

Осевое перемещение шомпола 5 осуществляется вращением гайки 10, в которую входит резьбовой конец шомпола 5.

Для преобертання вращательного руху гайки 10 в поступательное рух шомпола 5 служит шпонка 13, установленная в шпинделе 1.

Гайка 10 получает вращение от маховика 9. В ободе маховика 9 размещены 2 рычага 14, имеющие возможность под действием центробежной силы поворачиваться на осях 15 і входить в зацепление з зубом втулки 8, которая закреплена на гайке 10 з помощью шпоночного соединения. Вращение маховика 9 производится от електродвигуна 23 при помощи конических зубчатых колес 28,29.

Отжим инструмента осуществляется при включении обертання вала електродвигуна 23 в противоположном направлении.

ВНИМАНИЕ! ПРИ ЗАЖИМЕ ИНСТРУМЕНТА ПРОИЗВОДИТЬ НЕ БОЛЕЕ 2-х ЩЕЛЧКОВ ( СРАБАТЫВАНИЕ МЕХАНИЗМА).

Изменение частоти обертання шпинделя 1 в пределах диапазона производится механізмом переключения следующим образом: рукоятку увімкнення частот обертання 18 нужно поднять, при етом диски 30 выходят своими отверстиями из зацепления з пальцами 50, поворотом диска 34 набора частот обертання поворачиваются связанные з ним диски 30. Этим самым произведена подготовка увімкнення набранной частоти обертання.

Увімкнення частоти обертання происходит в результате поворота рукоятки 18 в исходное положение. При етом диски 30 сводятся, поворачивая пальцы 39 і связанные з ними рычаги 45. Поворотом рычагов осуществляется перемещение блоков зубчатых колес 46.

При переключении возможны случаи несовпадения торцов зубьев зацепляемых колес, в результате чего диски 30 не сводятся. В етом случае следует нажать кнопку 31 «Качательное движение» (см. рис. 6.1.), в результате чего вал двигуна получает качательное движение, і шестерня вводится в зацепление.

Переключення диапазонов частот обертання шпинделя производится рукояткой 1 привода, три етом происходит перемещение блока зубчатых колес 42 і 43.

Механическая или ручная подача шпиндельной бабки осуществляется винтом 20 (рис.6.16), расположенным в станине, і гайкой 21 (рис.6.16).

Перемещение шпиндельной бабки ограничивается упорами 16.

Величина переміщення шпиндельной бабки контролируется по линейке 55 і лимбу, распложенными на станине 22.

Особо точные переміщення контролируются з помощью цифровой индикации системы ЧПУ. На корпусе 2 шпиндельной бабки предусмотрено отверстие для установки арматуры, крепящей трубку, подводящую охлаждающую жидкость в зону обробки.


Станина

Станина (рис.6.15,6.16,6.17,6.18,6.19) состоит из двух основних частин: колонны 3 і основания 1.

Колонна 3 монтируется на горизонтальной плоскости основания 1 і служит для установки на ней основних складових частин верстата.

По горизонтальным направляющим колонны перемещаются шпиндельна бабка 8, по вертикальным - супорт 7.

К боковым стенкам колонны 3 крепятся: съёмник для установки вертикальной головки в нерабочем положении і кронштейн пульта.

К вертикальным направляющим колонны 3 крепится кронштейн 11 з шестерней 12 ходового вала суппорта 7 і гайкой ходового гвинта.

В основании 1 расположен бак охлаждения з електронасосом. К задньої стенке колонны 3 крепится привід подач 4 з електродвигуном. Передача руху от выходного вала редуктора к суппорту 7 і шпиндельной бабке 8 осуществляется через предохранительную муфту 14.

Увімкнення поперечного механического переміщення шпиндельной бабки 8 производится електромагнитной муфтой 15, ручное перемещение - от маховика через конические колеса 13 і 17.

Величины вертикальних перемещений суппорта 7 контролируются по линейке, расположенной на колонне 3, а величины поперечных перемещений шпиндельной бабки 8 по линейке, установленной на шпиндельной бабке і лимбу 19.

Точные переміщення контролируются по индикации ЧПУ.

В основании 1 расположен бак для змазки. Справа от станины на основании установлена плита з лопастным насосом 2, получающим вращение от двигуна 5 через шестерни 9,10.


Съёмник

Съёмник (рис.6.21) крепится на боковой стенке колонны і предназначен для переміщення головки вертикальной 4 из робочого положения I от шпинделя бабки в нерабочее положение III і наоборот. Перемещение вертикальной головки 4 осуществляется поворотом рычага 2. Фиксация установленной на съёмник вертикальной головки в нерабочем положении III на кронштейне I производится фиксатором 3.

После установки вертикальной головки на шпиндельной бабке рычаг 2 отводится в положение II.


Хобот

При установці фрез на длине оправки применяется хобот 1 (рис.6.22) з серьгой 2. Для транспортирования на верхней плоскости хобота 1 предусмотрены два отверстия под грузовые винты.

Хобот устанавливается на переднем торце шпиндельной бабки 9, центруется соосно горизонтальному шпинделю двумя штифтами 7 і крепится четырьмя болтами.

Затягивать крепежные болты необходимо в следующем порядке: 3,4,5,6.


Стол горизонтальный

Стол горизонтальный 1 (рис.6.23) устанавливается на вертикальной плоскости основного вертикального стола 3, выставляется по его контрольной кромке А і служит для обычных фрезерных работ.

С целью увеличения расстояния от торца вертикальной головки до плоскости горизонтального стола он може устанавливаться по нижней кромке верхнего паза основного вертикального стола.

Слив охлаждающей жидкости осуществляется через сливное отверстие 2.


Инструмент і принадлежности

Верстати укомплектованы вспомогательным слесарным инструментом, принадлежностями і измерительными приборами.

На рис.6.23, 6.24, 6.25 показаны тиски і переходные конусные втулки, предназначенные для использования инструмента.


Пристрій ЧПУ ОСУ-4.1

Система оперативного керування ОСУ-4.1, предназначена для автоматизации инструментально-фрезерных верстатів.

Пристрій применяется для керування инструментально-фрезерными верстатами з общим приводом подач, оснащенных фотоимпульсными датчиками перемещений по трем координатам. Пристрій обеспечивает оперативный ввод программы обробки детали оператором непосредственно у верстата з помощью пульта программирования і не требует специальных средств подготовки программ.

Пристрій ЧПУ ОСУ-4.1 обеспечивает свободное программирование, хранение в памяти і многократное повторение программ.

Пристрій цифровой индикации К524 (УЦИ)

Пристрій цифровой индикации К524

Пристрій цифровой индикации К524

Пристрій цифровой индикации К524. Дивитись у збільшеному масштабі



Пристрій цифровой индикации типа К524 (УЦИ) предназначено для определения геометрических размеров деталей в процессе их обробки на верстатах фрезерной группы, а также для выдачи программируемых рекомендаций оператору в ручном режиме керування верстатом или формирования команд керування исполнительными механізмами верстата в автоматическом режиме роботи.

УЦИ обеспечивает:

LJUMO-61 (ЛЮМО-61)

Пристрій цифровой индикации Ljumo 61

Пристрій цифровой индикации Ljumo 61



Пристрій цифровой индикации (УЦИ) LJUMO-61 (Производитель: Искра Комерц, Любляна, Югославия, 1983 год) предназначено для обробки електрических сигналов з первичных измерительных преобразователей і используются в качестве специализируемых вспомогательных комплектующих изделий в составе информационно-измерительных систем, металлообрабатывающих верстатів і других машин при измерении і контроле механических перемещений.

Технічні данные і характеристики УЦИ LJUMO (ЛЮМО-61)


Пристрій цифровой индикации і керування «ЛЮМО-61»

На верхней плоскости пульта установлено пристрій цифровой индикации і керування «ЛЮМО-61» - специализированная система индикации і керування.

Рациональное построение пульта керування «ЛЮМО-61» і наличие специальных мнемосхем обеспечивают удобство експлуатации верстатів.

Левая сторона панелі предназначена для индикации, правая - для керування. Для удобства і наглядности керування буквенно-цифровые обозначения дополнены графическими символами і рисунками. Используются псевдосенсорные кнопки со звуковым і световым квитированием.

Основні технические данные «ЛЮМО-61»

  1. Цифровая индикация перемещений по трем осям.
  2. Число разрядов цифрового табло текущих значений координат - 7 і знак. Индикаторы семисегментные на светоизлучающих диодах (СИД) зеленого цвета, высота знака - 18 мм.
  3. Дискретность отсчета - 2 мкм.
  4. Вспомогательное цифровое табло (універсальний дисплей) для контроля набора і отображения кадра программы - семиразрядное і знак, на семисегментных СИД красного цвета, высота знака – 7,6 мм.
  5. Измерение перемещений – линейными фотоелектрическими импульсными датчиками, входящими в комплект системы, і расположенными на станке.
  6. На каждом линейном датчике имеется опорная точка (выдающая референтный импульс), расположенная на середине ходу. Значения координатных опорных точок в принятой системе отсчета легко вводятся в память системы. Наличие опорных точок по всем осям позволяет быстро восстанавливать систему отсчета після временного отключения живлення.
  7. В любой точке переміщення можно ввести необходимые значения координат, в том числе нулевые.
  8. Имеются переключатели для изменения направления отсчета по каждой оси.
  9. В память системы можно ввести розміри (диаметры і относительные длины) восьми инструментов (Т1-Т8). В ручном режиме розміри инструментов учитываются при вызове из памяти номера инструмента, причем коррекция по диаметру (радиус) учитывается в нужном направлении після нажатия соответствующей кнопки на специальной мнемосхеме, изображенной на передньої панелі, или не учитывается при нажатии на кнопку в центе мнемосхеми. В режиме роботи по программе величины і направления коррекции учитываются автоматически.
  10. Система дает возможность роботи в режиме преднабора і отработки одиночных перемещений.
  11. В память системы можно ввести до 100 программных кадров обробки одной иди нескольких деталей.
  12. Программа вводится з помощью клавиатуры непосредственно по чертежу детали, или по заранее подготовленной записи, а также при обработке первой детали з помощью специальной кнопки «Автозапись».
  13. Программирование і отработка перемещений выполняется раздельно по каждой оси.
  14. Программирование і отработка перемещений могут выполняться в абсолютных координатах или в приращениях, причем в одной программе могут сочетаться оба вида отсчета.
  15. В каждом кадре программируются:
  16. Редактирование программы – по частям или покадрово.
  17. Память системы – енергонезависимая, защищенная буферной батареей (срок хранения данных в памяти – более двух лет).
  18. Записанная программа може отрабатываться автоматически - на верстатах з автоматизированным приводом подачі, или – при ручном управлении – осуществлять режим «лоцмана», при котором станочнику з помощью специальной мнемосхеми з СИД выдаются указания о направлении і величинах перемещений в заданной післядовательности, а также предупреждения о приближении точки позиционирования.
  19. Программа може отрабатываться непрерывно (весь цикл) или по отдельным кадрам.
  20. При отработке программы полное содержание кадра отображается на цифровом табло і мнемонической индикации.
  21. Позиционирование в заданной координате осуществляется з четырьмя ступенями упреждения снижения скорости, причем точки снижения скорости регулируются по пути:
  22. В моменты подачі трех первых команд зажигаются сигнальные СИД на специальной мнемосхеме, а в момент подачі команды на остановку – раздается звуковой сигнал. Световая і звуковая индикация особенно полезны в режиме «лоцмана».
  23. Выдержка часу между кадрами программы настраивается в пределах 0..4,5 з через 0,5 с.
  24. В системе имеется два вида диагностики ошибок. При ошибке оператора во время манипулирования кнопками загорается СИД диагностического табло, кнопочная панель блокируется; блокировка снимается після нажатия на кнопку «сброс сигнала ошибки», після чего набор данных повторяется. При появлении неисправности системы загорается другой СИД диагностического табло, а на вспомогательном цифровом табло высвечивается код неисправности, который можно расшифровать по таблице неисправностей.
  25. Система обладает возможностями простейшего калькулятора (сложение і вычитание).

На рис.6.27 показано расположение органів индикации керування і связи со верстатом на передньої і задньої стенках ЛЮМО-61, а их перечень і обозначения приведены в таблице 6.4.


Основні функции «люмо-61 і их использование

Работа з клавиатурой

Пристрій защищено от пыли і влаги, для чего сделана пленочная клавиатура. Для дії кнопок необходим небольшой ход, который при експлуатации слабо ощутим, поетому при нажатии на кнопку раздается краткий звуковой сигнал (звуковое квитирование).

В некоторых кнопках имеется сигнальный светоизлучающий диод (СИД), зажигание которого означает, что кнопка сработала (световое квитирование). Некоторые кнопки имеют особенность, что при повторном нажатии функция снимается (стирается).

Кнопками «X» , «Y» і «Z» выбираются оси, а кнопкой «Δ» (горит СИД в кнопке), относительный отсчет происходит по той оси, в кнопке і возле обозначения которой у АD горит СИД.

По адресам осей «X» , «Y» і «Z» , а также по адресам «КD» і «КL» і «КООРДИНАТА ОПОРНОЙ ТОЧКИ» може находиться любое семиразрядное число типа ±ХХХХ.ХХХ з помощью числовых кнопок (включая « . ») і кнопки «+/-».

Если число имеет меньше семи разрядов , то нет необходимости записывать все 7 разрядов. Число набирается в привычном порядке слева направо.

При вводе в память к числу автоматически добавляются нули, чтобы заполнить разряды після запятой.

В режиме «ВВОД - ВЫВОД» при нажатии кнопок адресов і чисел зажигается СИД на кнопке «ВВОД», который указывает, что данные записываются в буфер і еще не введены в память. При нажатии кнопки «ВВОД» СИД на кнопке погаснет, а содержимое буфера записывается в память.

Подробные алгоритмы (післядовательность действий) з остальными кнопками клавиатуры приведены ниже.

Диагностика і сигналізація (рис.6.28)

В устройстве «ЛЮМО-61» имеется система диагностики, контролирующая функционирование пристроя, і диагностическое табло, на котором выдается сигнал ошибки.

При подаче питающего напряжения в «ЛЮМО-61» проходит тестовая программа, контролирующая работу основних вузлів пристроя.

В случаях неполадки загорается светодиод II, а на контрольном дисплее А появляется код (двузначное число) ошибки. Работа пристроя блокирована.

Чаще всего случаются ошибки в результате неправильных действий оператора. Такого рода ошибки сигнализируются миганием светодиода I. При етом блокируется клавиатура пристроя.

Нажатием кнопки «СБРОС СИГНАЛА ОШИБКИ» клавиатура деблокируется.

Очистка памяти

Память пристроя имеет несколько участков:

Стирание записи в запоминающем устройстве осуществляется по участкам отдельно, в режиме «ВВОД/ВЫВОД», в порядке показанном на рис.6.28.

Примечание: Учет зазоров в кинематических цепях датчиков производится только в пристроях для верстатів, оснащенных круговыми датчиками. На верстатах 6720ВФ2 і 6720ПФ2 установлены линейные датчики.

Учет размеров инструментов

В память устройств можно ввести диаметры і относительные длины восьми инструментов (Т1…Т8), которые автоматически учитываются в отсчитываемых координатах при вызове инструмента по адресу Т.

Коррекция по диаметру КD представляет собой диаметр инструмента, і поетому всегда является положительным числом. Коррекция по длине КL определяется как разница между длиной данного инструмента і какого-либо одного, например Т1, коррекция которого КD принимается равной нулю; КL може быть как положительным, так і отрицательным числом.

Направления, по которым учитывается КD і КL , определяется положением переключателя «Z/Y», расположенного на задньої стенке пристроя, в зависимости от того, в какой шпиндель-вертикальний или горизонтальный вставлен инструмент. При использовании вертикального шпинделя переключатель устанавливается в положение «Z», при етом КD учитывается по осям X і Y, а КL – по оси Z. Для роботи горизонтального шпинделя переключатель устанавливается в положение «Y»; КD учитывается по осям X і Z, а КL – по оси Y.

Запись, контроль і корректировка КD і КL производится в режиме «ВВОД-ВЫВОД»; кнопка «ЗАПРЕТ ВЫЗОВА» должна быть выключена.

Последовательность действий при записи показана на рис. 6.29.

Компенсация диаметра КD выбирается кнопками на мнемонической схеме (см. рис. 6.30). Эта схема изображает фрезу з четырьмя возможными точками різання, в которых имеются красные светодиоды, зажигающиеся при выборе определенной точки різання нажатием соответствующей кнопки. При етом вводится коррекция, равная= ±КD/2.

При нажатии на центральную кнопку, ета коррекция выводится (отключается), красные светодиоды гаснут і табло индикации показывает координаты центра фрезы.

Коррекция инструмента используется как в ручном, так і в программных режимах роботи.

При включении верстата і ЛЮМО-61 на UD высвечивается Т1, а на мнемосхеме (рис.6.30) включена центральная кнопка, т.е. индицируется центр инструмента.

Способ определения фактических размеров инструментов і ввода их в память в случаях выполнения особо точных работ описан в п.6.

Начальная установка координат

Как указывалось выше, після увімкнення верстата і ЛЮМО-61 в сеть на основном цифровом табло (АD) индицируются нули. После закрепления на столе верстата обрабатываемой детали необходимо согласовать систему верстата з системой координат детали. Для етого, прежде всего проверяют совпадение направлений отсчета координат при переміщеннях рабочих органів верстата з указанными на чертеже детали и, при необходимости, согласовать их з помощью переключателей на задньої стенке ЛЮМО-61.

Установив одну из кромок фрезы или центра шпинделя в точку детали, координаты которой известны, выполняют післядовательность действий, приведенную на рис. 6.31, для каждой оси отдельно, выведя на АD координаты положения фрезы в системе координат детали.

Индикация относительных значений текущих координат по осям

С помощью увімкнення кнопки «РАБОТА В ПРИРАЩЕНИЯХ» можно выбрать на цифровых табло АD каждой оси индикацию относительных значений текущей координаты. О том, какая система отсчета – абсолютная или относительная выбрана для данной оси, сигнализирует СИД на АD возле обозначения оси.

С нажатием кнопки «РАБОТА В ПРИРАЩЕНИЯХ» (горит СИД при Δ) і кнопки осей Х, Y или Z числовое значение на табло AD устанавливается на ноль. При перемещении в ту или другую сторону индицируемая относительная величина на табло AD будет нарастать в положительную или отрицательную сторону в зависимости от направления перемещений і от положения переключателя на задньої стенке пристроя.

Нажатие кнопки «РАБОТА В ПРИРАЩЕНИЯХ» не влияет на содержание абсолютного числа, т.е. на величину абсолютной координаты. В любой момент повторным нажатием етой кнопки (СИД при Δ гаснет) можно перейти на индикацию абсолютного значения координаты (рис.6.32).

Относительное значение координаты можно изменить з помощью числовых кнопок і кнопки «ПЕРЕНОС ЧИСЛА», если перед тем задействована кнопка «РАБОТА В ПРИРАЩЕНИЯХ» (горит СИД при Δ). При етом сохраняется значение абсолютной координаты.

При индикации на AD относительной величины координаты продолжают учитываться коррекции инструментов КD і КL.

В режиме «ОПОРНАЯ ТОЧКА» кнопка «РАБОТА В ПРИРАЩЕНИЯХ» заблокирована.

Работа з опорными точками

При выключении живлення теряется информация о текущих координатах по всем осям. для восстановления етой информации після увімкнення живлення на измерительных датчиках имеются фиксированные опорные точки RJ. При проходе мимо опрной точки на выходе датчика проходит електрический сигнал, который може быть использован только в режиме «ОПОРНАЯ ТОЧКА».

ПРИМЕЧАНИЕ: При первом проходе мимо RJ система блокируется от влияния всех повторных сигналов RJ. Деблокирование выполняется при переключении из режима «ОПОРНАЯ ТОЧКА» в режим «РУЧНОЙ».

Имеются наступні возможности использования режима «ОПОРНАЯ ТОЧКА»:

Запись в память координат опорных точок (рис.6.33)

После начальной установки координат, то есть після привязки системы отсчета пристроя к системе координат детали, необходимо ввести в память пристроя значения координат опорных точок RJ по всем осям, особенно в тех случаях, когда до окончания обробки детали или партии деталей возможны перерывы в подаче питающего напряжения: (обеденный перерыв, продолжение обробки на следующий день, случайное відключення живлення).

Для етого:

Восстановление координат опорных точок (рис.6.34)

При включении пристроя після перерыва живлення сразу включается режим «ОПОРНАЯ ТОЧКА», при етом мигают СИД, расположенные возле обозначения осей у AD; ето означает, что не переведена робота з контрольными точками. На UD вызван инструмент Т1, индицируется центр инструмента.

Для вызова из памяти і восстановления координат опорных точок:

Возможность восстановления координат опорных точок в ряде случаев удобно использовать, особенно перед обработкой точных поверхностей, для исключения случайных ошибок в системе отсчета.

Для етого из режима «РУЧНОЙ» следует перейти в режим «ОПОРНАЯ ТОЧКА» і выполнить дії, описанные выше.

Ввод в память і коррекция координат опорных точок (рис.6.35)

В некоторых случаях може возникнуть необходимость присвоить опорным точкам заранее заданные числовые значения или откорректировать хранящиеся в памяти. Для етого выполняют наступні дії:

Сложение і вычитание чисел (рис.6.36)

Эта функция реализуется в режимах «РУЧНОЙ», «ОПОРНАЯ ТОЧКА» і «ВВОД-ВЫВОД». Можно складывать положительные і отрицательные числа, так же просто выполняется вычитание (как прибавление отрицательного числа). Порядок действий отображается на табло UD.

Для суммирования необходимого числа ч числом, изображенном на табло, нажимаем кнопку «СЛОЖЕНИЕ», (зажигается СИД в кнопке), набираем необходимое число, которое появится на табло, снова нажимаем кнопку (гаснет СИД в кнопке), і читаем на табло результат суммирования.

Определение і ввод в память точных размеров инструментов

Одним из примеров технологического использования сложения і вычитания з помощью ЛЮМО може служить определение і ввод в память пристроя точных размеров (коррекций) инструментов. Эту операцию рекомендуется выполнять непосредственно перед чистовой обработкой.

Определение фактического диаметра инструмента производится путем пробной обробки двух параллельных поверхностей з тем же припуском, в котором будет выполняться чистовая обработка. Для етого (см.рис.6.37):

Определение коррекции инструмента по длине выполняется путем пробной обробки двух поверхностей, перпендикулярных осям инструмента, причем первая поверхность обрабатывается «базовым» инструментом, у которого KL=0 (например Т1), а вторая-инструментом, коррекция которого определяется. Для етого (см.рис.6.38):

Вспомогательные технологические команды L (таблица 6.5).

При управлении верстатом от ЛЮМО-61 пристрійм выдаются сигналы, управляющие переміщенням по заданным осям в заданном направлении, команды на снижение скорости подачі, на остановку при позиционировании в заданной координате і другие, в том числе 16 вспомогательных команд «L», которые могут быть использованы для различных технологических целей (увімкнення охлаждения, швидкого ходу, изменение диапазона подач і др.)

В таблице 6.5 приведено использование команд «L» на станке 6720ВФ2.

Автоматическая отработка одиночных перемещений (преднабор).

Пристрій дает возможность автоматичною отработки одиночных перемещений в любой післядовательности і в любом количестве. Эту возможность особенно удобно использовать при обработке сложных деталей в единичных количествах (рис. 6.39).

Преднабор осуществляется в режиме «РУЧНОЙ».

Для етого выполняются наступні дії:

Ввод в память управляющих программ

Управляющие программы вводятся в память в режимах «ВВОД-ВЫВОД» і «РУЧНОЙ» (с функцией «АВТОЗАПИСЬ»). Программа состоит из кадров з двузначным номером, например N01, N15 (от N00 до N99).

В каждый кадр вводятся наступні данные: инструмент (от Т1 до Т8), ось (Х, Y или Z), точка фрезы (по мнемосхеме), значение заданного положение в абсолютных координатах или в приращениях, а также одна или несколько вспомогательных функций (от L01 до L16). В післядний кадр программы вводится команда «КОНЕЦ ПРОГРАММЫ» (М30).

При подготовке вне верстата рекомендуется, например, такая запись содержания кадра: N32 (Т3) Х – 120.315 L07 L12 (М30); (взятое в скобки записывается при необходимости).

Очередность ввода различных данных в каждый кадр – произвольная.

Одновременно можно ввести в память несколько программ общим объемом до 100 кадров, каждая из которых заканчивается командой «КОНЕЦ ПРОГРАММЫ».

Ввод программы, просмотр і коррекция управляющей программы (рис.6.40).

В режиме «ВВОД-ВЫВОД» программа вводится з помощью клавиатуры, введенная программа корректируется з помощью стирания записей і ввода новых значений. В ручном режиме также можно посмотреть введенные программы.

Первый кадр программы выбирается от N00 і далее произвольно. Введенная информация хранится в буфере і не влияет на остальное содержание кадра в памяти. Горит СИД в кнопке «ВВОД», что означает что информация еще не введена в память. Информация, индицируемая на табло, легко корректируется дополнениями. После проверки правильности кадра дополнения вводятся в память кадра нажатием кнопки «ВВОД». При етом СИД в кнопке гаснет. При вводе кадра N счетчик перейдет на кадр N+1 і ето отразится на табло UD.

Если содержание нового кадра мало чем отличается от предыдущего, целесообразно пользоваться кнопкой «ЗАПРЕТ ВЫЗОВА».

При переходе из кадра в кадр загорается СИД в етой кнопке. Содержание предыдущего кадра переходит на табло, корректируется дополнениями или изменениями і після етого нажатием кнопки «ВВОД» заполняется і вводится новый кадр N+1.\

При післядовательном просмотре введенной в память программы не нужно каждый раз набирать номер следующего кадра. Достаточно нажать кнопки «N» і «+/-».

Автозапись программы при обработке первой детали

Автозапись служит для облегчения ввода программы при обработке первой детали. Автозапись може быть применена в режиме «РУЧНОЙ» при обработке от органів керування верстата (кнопки, маховики) і при использовании преднабора (п.6.10).

Прежде всего выбираем начальный кадр N.

Перед началом обробки выбираем ось, инструмент, точку різання і функции L.

Начнем обработку по первому кадру программы. Обработка в нужном направлении контролируется на табло AD. По окончании первого переміщення нажатием кнопки «АВТОЗАПИСЬ» вводим данные о направлении, инструменте, функции L в память по адресу кадра N.

Автоматически ввод переключается на кадр N+1. Последовательно продолжаем обрабатывать деталь і вводить кадры программы.

В післядний кадр вводится команда «КОНЕЦ ПРОГРАММЫ» в режиме «ВВОД-ВЫВОД» (см.рис.6.41).

Отработка управляющих программ

В памяти пристроя може быть записано несколько программ, каждая из которых должна кончаться командой «КОНЕЦ ПРОГРАММЫ» (М30).

Для выбора одной из программ необходимо предварительно выбрать начальный кадр етой программы. После отработки программы до кадра.

Для отработки записанной в память программы необходимо (рис.6.42):

При покадровой работе після отработки одного кадра необходимо снова нажать кнопку «ПУСК».

При непрерывной работе, программа отрабатывается до конца, з паузами между кадрами, величина которых устанавливается переключателями на задньої стенке ЛЮМО-61. После отработки післяднего кадра переміщення рабочих органів верстата прекращаются (если в післяднем кадре программы не записана команда L05 – «челночный» цикл) на UD высвечивается начальный кадр программы.


Мнемосхеми

Мнемосхема, показанная на рис.6.43 служит для информации о направлении совершаемого или рекомендуемого руху.

В автоматическом режиме на мнемонической схеме индицируется направление переміщення і степень приближения к цели.

Но основне назначение мнемонической схеми – выдача указаний оператору при ручной обработке детали в так называемом режиме «лоцмана», і при ручном преднаборе. В етом режиме мнемосхема указывает рекомендуемое направление переміщення робочого органа (влево – вправо, вперед – назад, вверх – вниз) і момента снижения скорости во время подхода к точке позиционирования.

Мнемосхема, показанная на рис.6.44 кроме выбора точки учета радиуса фрезы, служит для определения направления післяднего переміщення, на которое указывает СИД в стрелках мнемосхеми. Эта сигналізація работает во всех режимах.

При переходе на работу по другой координате СИД предыдущего направления остается включенным. ето удобно в ручном режиме обробки, когда оператор должен сам выбирать правильное направление подвода для выборки зазору в кінематичної ланцюги переміщення.


Изменение направления отсчета (рис.6.26)

Если система отсчета на чертеже детали не совпадает з направлениями отсчета верстата по оси Х, Y или Z, то переключателями «±Х», «±Y», «±Z» можно изменить направление отсчета на противоположное. Таким образом, отпадает необходимость пересчитывать все розміри детали по осям.

Переключатели можно также использовать при обработке симметричных деталей. Программа обробки такой детали составляется только до половины или четверти, симметричной относительно оси или центра. Остальные частини программы, как зеркальные отражения, обрабатываются по етой же программе при обратном направлении отсчета, которое осуществляется переключателями «±Х», «±Y», «±Z».


Електроустаткування

На станке установлены три трехфазных короткозамкнутых елек-тродвигуна і три електродвигуна постоянного тока (рис.7.1, 7.2)

На верстатах применяются наступні величины напряжений:

В станке применяется система индикации і керування ЛЮМО-61. Напряжение живлення 220В, 50 Гц.

Выбор робочого напряжения силовой ланцюги, местного освещения і сигнализации производит заказчик.

На станке установлены семь микропереключателей. Шесть из них (S39…S44) предназначены для ограничения ходу рабочих органів, а S6 устанавливается в коробке переключения швидкостей обертання шпинделя і служит для отключения двигуна М1 при переключении частоти обертання шпинделя.






Технічні характеристики фрезерного верстата 6720ВФ2

Наименование параметра 6720ВФ2ф2 6720ВФ2
Основні параметри верстата
Класс точності по ГОСТ 8-82 В В
Розміри горизонтального (углового) стола, мм 250 х 800 200 х 630
Розміри вертикального (основного) стола, мм 200 х 500 200 х 500
Максимальная масса обрабатываемой детали, кг 300 300
Расстояние от оси горизонтального шпинделя до рабочей поверхности горизонтального стола, мм 80..450
Расстояние от торца вертикального шпинделя до рабочей поверхности горизонтального стола, мм 22..392
Наибольший вылет оси вертикального шпинделя, мм
Наибольший продольный ход стола (X), мм 320 320
Наибольший поперечний ход шпиндельной бабки (Y), мм 250 200
Наибольший вертикальний ход стола (Z), мм 320 320
Предельные розміри устанавливаемой заготовки на горизонтальном столе (д.ш.в), мм 700 х 200 х 300 700 х 200 х 300
Цена деления лимбов, мм
Наибольший диаметр режущей частини торцовой фрезы, мм 63
Наибольший диаметр режущей частини сверла, мм 24
Дискретность задания перемещений, мм 0,001
Точность одностороннего позиционирования вертикального стола і шпиндельной бабки по осям X, Y, Z, мм 26/ 32/ 26
Количество управляемых осей координат/ одновременно управляемых, мм 3/ 1
Горизонтальный і вертикальний шпиндели верстата
Частота обертання горизонтального шпинделя, об/мин 40..2240 40..2240
Частота обертання вертикального шпинделя, об/мин 40..2240 40..2240
Количество швидкостей шпинделей 32 32
Наибольший допустимый крутящий момент на горизонтальном шпинделе, кНм 0,2
Наибольший допустимый крутящий момент на вертикальном шпинделе, кНм 0,2
Наибольшее осевое перемещение вертикального шпинделя, мм
Наибольший угол поворота вертикальной головки в вертикальной плоскости, градус ±90° ±90°
Конус горизонтального і вертикального шпинделей 40 АТ4 Морзе 4
Стол
Пределы продольных і вертикальних подач стола (X, Z) і шпиндельной бабки (Y), мм/мин 10..1000 10..1000
Ускоренный ход стола, мм/мин 1200 1200
Количество подач стола б/с
Наибольшее усилие подач стола, Н
Шпиндельная бабка
Пределы подач шпиндельной бабки (Y), мм/мин 10..1000
Количество подач шпиндельной бабки б/с
Наибольшее усилие подач шпиндельной бабки, Н
Електроустаткування і привід верстата
Количество електродвигателей на станке, кВт 6 6
Електродвигун головного привода, кВт 2,2 (М1) 1,5
Електродвигун приводу подач стола, бабки, суппорта, кВт (М4) 0,55
Електродвигун зажиму инструмента в вертикальном шпинделе, кВт (М5) 0,024
Електродвигун зажиму инструмента в горизонтальном шпинделе, кВт (М6) 0,024
Електродвигун системы змазки, кВт (М3) 0,09
Електродвигун приводу насоса охлаждения, кВт (М2) 0,12
Суммарная мощность електродвигателей, кВт 3,31 2,098
Габарит і масса верстата
Габарити верстата (длина х ширина х высота), мм 3700 х 1975 х 1580 1530 х 1450 х 1800
Масса верстата, кг 1470 1550

    Список литературы:

  1. Верстат фрезерный широкоуніверсальний инструментальный 6720ВФ2Ф2. Руководство по експлуатации 6720ВФ2Ф2.00.000 РЭ, 1987

  2. Аврутин С.В. Основы фрезерного дела, 1962
  3. Аврутин С.В. Фрезерне дело, 1963
  4. Ачеркан Н.С. Металлорежущие верстати, Том 1, 1965
  5. Барбашов Ф.А. Фрезерне дело 1973, с.141
  6. Барбашов Ф.А. Фрезерные роботи (Профтехобразование), 1986
  7. Блюмберг В.А. Справочник фрезеровщика, 1984
  8. Григорьев С.П. Практика координатно-расточных і фрезерных работ, 1980
  9. Копылов Р.Б. Работа на фрезерных верстатах,1971
  10. Косовский В.Л. Справочник молодого фрезеровщика, 1992, с.180
  11. Кувшинский В.В. Фрезерование,1977
  12. Ничков А.Г. Фрезерные верстати (Библиотека станочника), 1977
  13. Пикус М.Ю. Справочник слесаря по ремонту металлорежущих верстатів, 1987
  14. Плотицын В.Г. Расчёты настроек і наладок фрезерных верстатів, 1969
  15. Плотицын В.Г. Наладка фрезерных верстатів,1975
  16. Рябов С.А. Современные фрезерные верстати і их оснастка, 2006
  17. Схиртладзе А.Г., Новиков В.Ю. Технологическое обладнання машиностроительных производств, 1980
  18. Тепинкичиев В.К. Металлорежущие верстати, 1973
  19. Чернов Н.Н. Металлорежущие верстати, 1988
  20. Френкель С.Ш. Справочник молодого фрезеровщика (3-е изд.) (Профтехобразование), 1978








Заказать