metalinstryment.com
Довідник по металорізальних верстатів та пресовому обладнанні

6720В Верстат фрезерный широкоуніверсальний високою точності
схеми, опис, характеристики

Загальний вигляд  фрезерного верстата 6720В широкоуніверсального







Верстат моделі 6720В выпускался предприятием Одесский завод фрезерных верстатів им. С.М.Кирова, ОЗФС, основанный в 1944 году, который разрабатывал і производил фрезерные верстати универсальных моделей.





Верстати, выпускаемые Одесским заводом фрезерных верстатів (ОЗФС)


6720В Верстат фрезерный широкоуніверсальний високою точності. Назначение і область применения

Инструментальный широкоуніверсальний верстат моделі 6720В выпускался Одесским заводом фрезерных верстатів c 1982 года прошлого века і заменил устаревшую модель 6Б75в.

Верстат предназначен для выполнения разнообразных фрезерных работ в различных плоскостях і под различными углами наклона в широком диапазоне режимов різання. Наличие горизонтального і вертикального шпинделей і большого количества приладдя позволяет производить наступні операции: сверление, долбление, шлифование, растачивание, подрезку торцов, нанесение рисок, фрезерование винтовых поверхностей.

Фрезерный верстат моделі 6720В предназначен для фрезерування деталей цилиндрическими, дисковыми і фасонными фрезами при помощи горизонтального шпинделя, і торцовыми, кінцівыми і шпоночными фрезами при помощи поворотного вертикального шпинделя, который при необходимости може быть повернут под углом.

Верстат 6720В применяется в единичном і мелкосерийном производстве в инструментальных і механических цехах машиностроительных предприятий.

Широкие технологические возможности верстата позволяют наиболее еффективно применять его в инструментальном производстве.

Принцип роботи і особливості конструкції верстата

Обрабатываемая деталь може быть установлена на основном столе з вертикальной рабочей плоскостью или на угловом столе з горизонтальной рабочей плоскостью. Для обробки наклонных поверхностей деталь може устанавливаться на универсальном столе.

Для обробки деталей, требующих деления, могут быть использованы круглый стол либо делительная головка.

Используя резцовую, быстроходную, долбежную головки і комплект вспомогательного инструмента, можно выполнять на станке расточные, сверлильные і долбежные роботи. Подробное опис етих устройств приводится ниже.

К верстату 6720В прилагается удобный для пользования инструментальный шкаф, а также комплект пристосувань і инструмента.

Технологические возможности верстата могут быть значительно расширены применением приладдя і пристосувань, поставляемых за особую плату.

На станке можно выполнять ряд фрезерных і расточных работ з високою точностью, которая може быть достигнута, если верстат установлен в помещении з постоянной температурой 20±2°С і влажностью 65±5%, если вблизи верстата нет источников тепла і вибрации. На станке можно выполнять, также, сверление і рассверливание, долбление, центрование, цекование, зенкерование, развертывание, растачивание.

Наличие двух шпинделей горизонтального і поворотного вертикального, а также большого количества приладдя к верстату, делает его широкоуниверсальным і удобным для роботи в инструментальных цехах машиностроительных заводов при изготовлении пристосувань, инструмента, рельефных штампов і прочих изделий.

Широкий диапазон оборотів шпинделя і подач, наличие механических подач і быстрых перемещений обеспечивают економичную обработку различных деталей в оптимальных режимах.

На станке механизированы зажимы инструмента і рабочих органів, что позволяет увеличить производительность роботи.

Система змазки — централизованная. Категория качества верстата — высшая.

Шероховатость обрабатываемых поверхностей Ra 2,5 мкм.

Класс точності верстата В по ГОСТ 8—77.

Корректированный уровень звуковой мощности LpA не должен превышать 88 дБА (без головки вертикальной).

Год принятия верстата к серийному производству — 1982.

Проектная организация — Одесский завод фрезерных верстатів им. С. М. Кирова.


Основні характеристики фрезерного широкоуніверсального верстата 6720В

Производитель: Одесский завод фрезерных верстатів им. С.М.Кирова.



Габаритные розміри робочого простору фрезерного верстата 6720В

Габаритные розміри робочого простору фрезерного верстата 6720В

Габаритные розміри робочого простору фрезерного верстата 6720в


Посадочные і присоединительные базы фрезерного верстата 6720В

Посадочные і присоединительные базы фрезерного верстата 6720В

Габаритные розміри робочого простору фрезерного верстата 6720в


Загальний вигляд широкоуніверсального фрезерного верстата 6720В

Загальний вигляд  широкоуніверсального фрезерного верстата 6720В

Фото фрезерного універсального верстата 6720в


Загальний вигляд  широкоуніверсального фрезерного верстата 6720В

Фото фрезерного універсального верстата 6720в






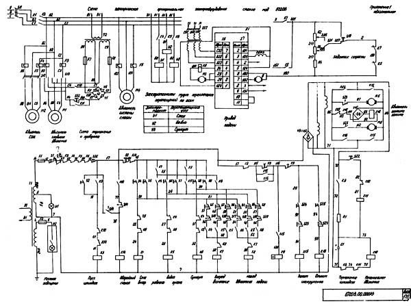
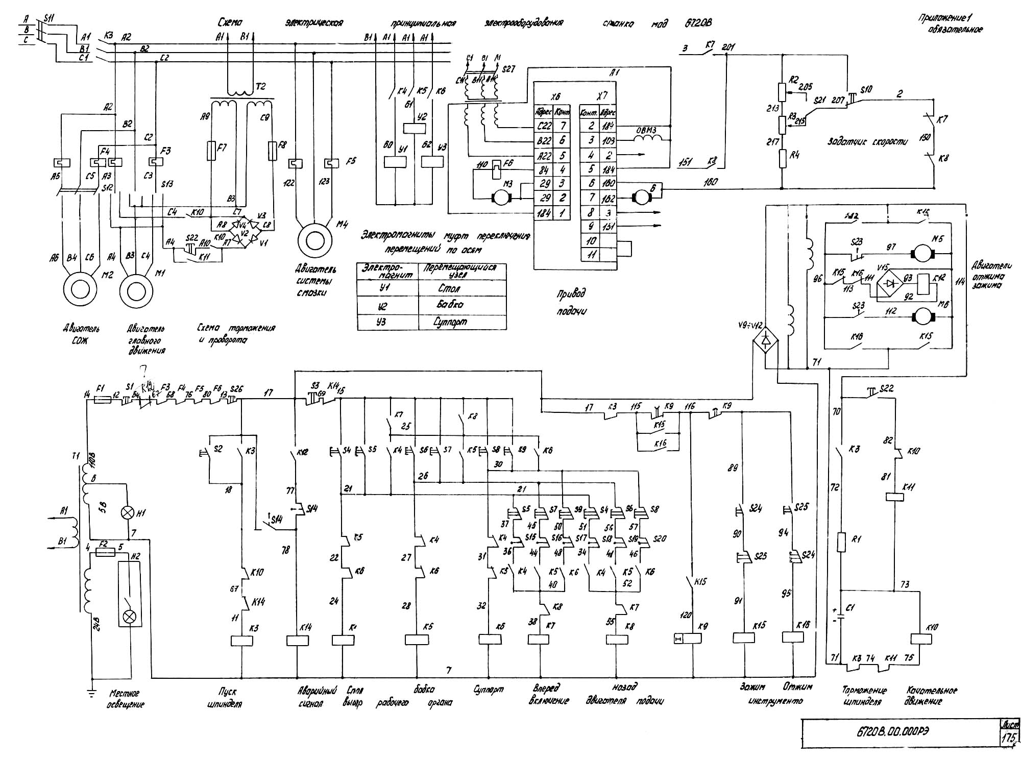
Схема електрична фрезерного верстата 6720В

Схема електрична фрезерного верстата 6720В

Електрична схема фрезерного універсального верстата 6720в

Схема електрична фрезерного верстата 6720В. Дивитись у збільшеному масштабі



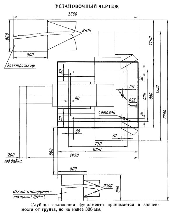
Настановне креслення фрезерного верстата 6720В

Настановне креслення фрезерного верстата 6720В

Настановне креслення фрезерного верстата 6720в





фрезерный верстат 6720В. Відеоролик




Технічні характеристики фрезерного верстата 6720В

Наименование параметра СФ676 675П 6В75 6720В
Основні параметри верстата
Класс точності по ГОСТ 8-82 Н П Н В
Розміри горизонтального (углового) стола, мм 250 х 800 200 х 630 200 х 630 200 х 630
Розміри вертикального стола, мм 250 х 630 200 х 500 195 х 550 200 х 500
Максимальная масса обрабатываемой детали, кг 100 300
Расстояние от оси горизонтального шпинделя до рабочей поверхности горизонтального стола, мм 80..460 80..380 70..360 80..450
Расстояние от торца вертикального шпинделя до рабочей поверхности горизонтального стола, мм 0..380 0..300 22..312 22..392
Наибольший вылет оси вертикального шпинделя, мм 125..375 130..330
Наибольший продольный ход стола (X), мм 450 320 250 320
Наибольший ход шпиндельной бабки (Y), мм 300 200 150 200
Наибольший вертикальний ход стола (Z), мм 380 300 290 320
Предельные розміри устанавливаемой заготовки на горизонтальном столе (д.ш.в), мм 700 х 200 х 300
Цена деления лимбов, мм 0,05 0,05 0,025
Горизонтальный і вертикальний шпиндели верстата
Частота обертання горизонтального шпинделя, об/мин 50..1630 50..1600
95..1650 40..2240
Частота обертання вертикального шпинделя, об/мин 63..2040 63..2000
110..1860 40..2240
Количество швидкостей шпинделей 16 16 6 32
Наибольший допустимый крутящий момент на горизонтальном шпинделе, Нм 148 214
Наибольший допустимый крутящий момент на вертикальном шпинделе, Нм 120 155
Наибольшее осевое перемещение вертикального шпинделя, мм 80 60 60
Наибольший угол поворота вертикальной головки в вертикальной плоскости, градус ±90 ±90 ±45 ±90
Конус горизонтального і вертикального шпинделей 40АТ5 Морзе 4 Морзе 4 Морзе 4
Стол
Пределы продольных і вертикальних подач стола (X, Z), мм/мин 13..395 12,5..400 17,5..178 10..1000
Ускоренный ход стола, мм/мин 935 935 нет 1200
Количество подач стола 16 16 6 б/с
Наибольшее усилие подач стола, Н 5000 5000
Шпиндельная бабка
Пределы подач шпиндельной бабки (Y), мм/мин 13..395 12,5..400 нет 10..1000
Количество подач шпиндельной бабки 16 16 - б/с
Наибольшее усилие подач шпиндельной бабки, Н 5000 5000
Електроустаткування і привід верстата
Количество електродвигателей на станке, кВт 2 2 2 6
Електродвигун головного привода, кВт 3 1,5 1,7 1,5
Електродвигун приводу стола, бабки, суппорта, кВт - - - 0,55
Електродвигун зажиму инструмента горизонтального і вертикального шпинделей, кВт - - - 0,024
Електродвигун системы змазки, кВт - - - 0,09
Електродвигун приводу насоса охлаждения, кВт 0,12 0,12 0,12 0,12
Суммарная мощность електродвигателей, кВт 3,12 1,62 1,82 2,098
Габарит і масса верстата
Габарити верстата (длина х ширина х высота), мм 1200 х 1240 х 1780 1110 х 1170 х 1650 1150 х 1100 х 1600 1530 х 1450 х 1800
Масса верстата, кг 1050 1100 855 1550

    Список литературы:

  1. Фрезерные широкоуниверсальные (инструментальные) верстати високою точності 6720В і 6720ВФ1. Руководство по експлуатации 6720В.00.000 РЭ, 1982

  2. Аврутин С.В. Основы фрезерного дела, 1962
  3. Аврутин С.В. Фрезерне дело, 1963
  4. Ачеркан Н.С. Металлорежущие верстати, Том 1, 1965
  5. Барбашов Ф.А. Фрезерне дело 1973, с.141
  6. Барбашов Ф.А. Фрезерные роботи (Профтехобразование), 1986
  7. Блюмберг В.А. Справочник фрезеровщика, 1984
  8. Григорьев С.П. Практика координатно-расточных і фрезерных работ, 1980
  9. Копылов Р.Б. Работа на фрезерных верстатах,1971
  10. Косовский В.Л. Справочник молодого фрезеровщика, 1992, с.180
  11. Кувшинский В.В. Фрезерование,1977
  12. Ничков А.Г. Фрезерные верстати (Библиотека станочника), 1977
  13. Пикус М.Ю. Справочник слесаря по ремонту металлорежущих верстатів, 1987
  14. Плотицын В.Г. Расчёты настроек і наладок фрезерных верстатів, 1969
  15. Плотицын В.Г. Наладка фрезерных верстатів,1975
  16. Рябов С.А. Современные фрезерные верстати і их оснастка, 2006
  17. Схиртладзе А.Г., Новиков В.Ю. Технологическое обладнання машиностроительных производств, 1980
  18. Тепинкичиев В.К. Металлорежущие верстати, 1973
  19. Чернов Н.Н. Металлорежущие верстати, 1988
  20. Френкель С.Ш. Справочник молодого фрезеровщика (3-е изд.) (Профтехобразование), 1978








Заказать