metalinstryment.com
Довідник по металорізальних верстатів та пресовому обладнанні

6652 Верстат продольно-фрезерный двостоєчний
руководство, схеми, опис, характеристики

6652 Загальний вигляд  продольно-фрезерного верстата







Відомості про виробника продольно-фрезерного верстата 6652

Производитель продольно-фрезерного верстата 6652 - Ленинградский станкостроительный завод им. Свердлова, основанный в 1868 году.

С 1949 предприятие тяжёлого станкостроения. Завод начал выпуск металлорежущих верстатів собственной конструкції (горизонтально-расточных, координатно-расточных, копировально-фрезерных, типа «обрабатывающий центр» і др.

Объединение обладает замкнутым технологическим циклом, имеет литейное, заготовительное, гальваническое производства, все виды механической обробки, стендовую сборку верстатів, малярные і упаковочные участки.





Верстати производства Ленинградского станкостроительного завода им. Свердлова


6652 Верстат продольно-фрезерный двостоєчний четырехшпиндельный. Назначение, область применения

Продольно-фрезерный двостоєчний четырехшпиндельный верстат 6652 выпускался заводом в 50-х годах прошлого века.

Фрезерный верстат 6652 предназначен для фрезерування крупногабаритных деталей или для одновременной обробки нескольких деталей средних размеров і веса. Фрезеровать можно как з одной, так сразу з двух или трех сторон. В работе могут принимать участиние от одной до четырех шпиндельных бабок. Верстат применяется в индивидуальном і серийном производстве для обробки стали і чугуна твердосплавными, а также быстрорежущими фрезами.

Принцип роботи і особливості конструкції верстата

Верстат 6652 имеет высокую мощность приводу різання і достаточную быстроходность. Для бесступінчастого изменения скорости подач (применен електропривід по системе генератор — двигатель з диапазоном изменения скорости при електрическом регулировании, равным 18.

Керування верстатом 6652 производится з центрального пульта по електрогідравлической системе. Все самостоятельные кинематические ланцюги приводу подач і установочных перемещений отдельными предохранительными шариковыми муфтами.





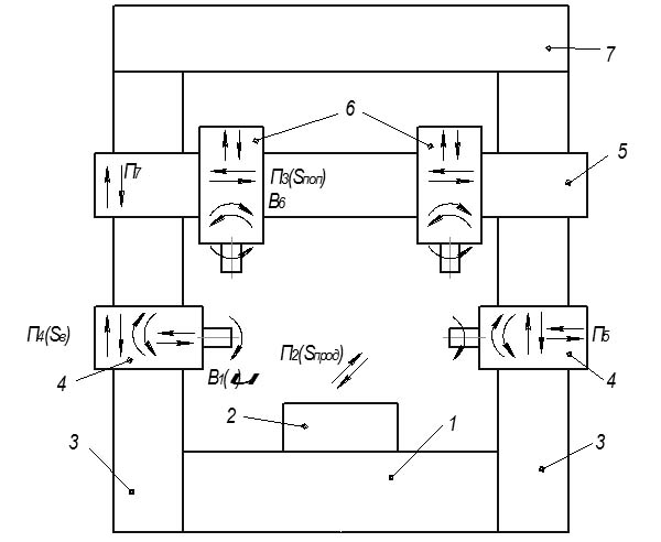
Розташування складових частин продольно-фрезерного верстата 6652

6652 Розташування складових частин продольно-фрезерного верстата 6652

Розташування основних вузлів продольно-фрезерного верстата 6652

Розташування складових частин продольно-фрезерного верстата 6652. Дивитись у збільшеному масштабі



Список основних вузлів продольно-фрезерного верстата 6652

Органы керування продольно-фрезерного верстата 6652

Остальные елементы керування верстатом гідрофицированы.

На каждой бабке имеются зажимы для її закрепления, зажим для закрепления гильзы і фиксатор нулевого положения шпинделя.

br>


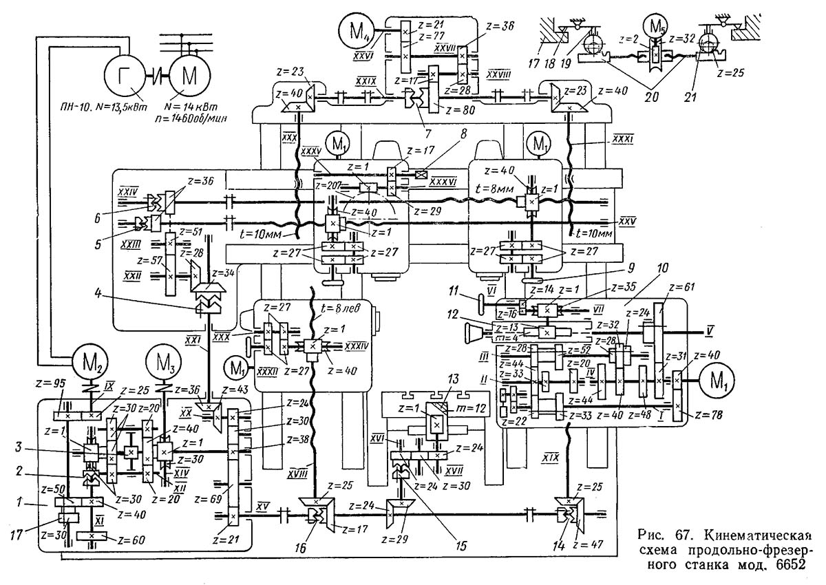
Кінематична схема продольно-фрезерного верстата 6652

6652 Кінематична схема фрезерного верстата 6652

Кінематична схема продольно-фрезерного верстата 6652

1. Кінематична схема фрезерного верстата 6652. Дивитись у збільшеному масштабі

2. Кінематична схема фрезерного верстата 6652. Дивитись у збільшеному масштабі



6652 Кінематична схема фрезерного верстата 6652

Кінематична схема продольно-фрезерного верстата 6652

Движения в станке


Принцип роботи продольно-фрезерного верстата 6652

На шпиндели обычно устанавливают торцовые фрезы, но могут быть использованы также хвостовые і некоторые другие типы фрез. Верстат моделі 6652 може работать при следующих наладках:

Кинематика верстата моделі 6652

Движения різання

Приводы всех четырех шпиндельных бабок почти одинаковы, поетому достаточно рассмотреть кинематику одной из шпиндельных бабок. Как видно из рис. 100, б, привід руху різання состоит из первой і післядней понижающих передач і 12 ступенчатой коробки швидкостей з подвижными блоками шестерен.

Вращение от електродвигуна мощностью 20 кВт через колеса 40—78 передається валу I коробки швидкостей. Двойной подвижной блок шестерен Б1 сообщает вращение валу II либо шестернями 22—44 (как показано на схеме), либо шестернями 33—33. Вал III получает вращение от вала II посредством двойного подвижного блока Б2 через шестерни 20—52 или 44—28. Далее вращение передається выходному валу IV коробки швидкостей тройным подвижным блоком шестерен Б3. Шпиндель V, как видно из графика швидкостей (рис. 100, в), получает 12 различных швидкостей обертання от 37,5 до 475 об/мин через цилиндрическую зубчатую передачу 31—61. Шпиндель смонтирован в подвижной гильзе і связан з приводной шестерней 61 шлицевым соединением.

От вала I посредством колес 24—54 получает вращение ексцентрик Э. который приводит в действие масляный насос Нn. Последний обеспечивает смазкой привід руху різання.

Максимальное число оборотів шпинделя nmах определяется из выражения:


nmах = 1460·(40/78)(33/33)(44/28)(32/40)(31/61) = 475 об/мин





Движения подач

Привід подачі (рис. 100, а) шпиндельных бабок і стола осуществляется електродвигуном постоянного тока мощностью 10 кВт, питаемым от преобразователя, который состоит из асинхронного електродвигуна мощностью 14 кВт і генератора постоянного тока мощностью 13,5 кВт. Електричнасистема позволяет изменять число оборотів приводного електродвигуна от 97 до 1800 об/мин.

Механическая часть приводу подач состоит из понижающей передачи, двухступінчастого редуктора, планетарного механізма і из промежуточных і винтовых передач.

Вращение от електродвигуна постоянного тока через вал IX, шестерни 25—95, вал X, двойной подвижной блок шестерен Б1, вал XI, шариковую предохранительную муфту Мпх і червячную передачу 1—30 сообщается центральной шестерне 30 планетарного механізма. Последняя находится в постоянном зацеплении з сателлитами 30. установленными на валах XII. На противоположных концах етих валов закреплены сателлиты 20, сцепляющиеся з другим центральным колесом 40.

При подаче центральное колесо 40 остается неподвижным. В етом случае сателлиты 20, обкатывая колесо 40, сообщают вращение водилу Во і связанному з ним валу XIII.

Подача стола заимствуется от распределительного вала XII через шестерни 38—69—21, вал XV, коническую передачу 24—29, вал XVI, кулачковую муфту М4, шестерни 24—30—24, вал XVII і червячно-реечную передачу з рейкой m=12 мм.

Вертикальная подача горизонтальных шпиндельных бабок осуществляется ходовыми гвинтами XVIII і XIX, которые получают вращение от вала XV посредством комбинированных кулачковых муфт М1 і М2 з шариковым предохранительным пристрійм і конических передач 47—25.

Горизонтальная подача вертикальних шпиндельных бабок производится ходовыми гвинтами XXIV і XXV. Последние приводятся в рух от распределительного вала XIII шестернями 38—30—24, валом XX, конической передачей 43—36; валом XXI, муфтой М3, коническими шестернями 34—28, валом XXII і шестернями 57—51—36. Для увімкнення подачі правой или левой бабки вводится в зацепление з шестерней 51 соответственно верхнее или нижнее колесо 36. Для «предотобертання поломок каждое из подвижных колес 36 снабжено шариковым предохранительным пристрійм.

Вспомогательные руху

Быстрые переміщення стола і шпиндельных бабок осуществляются по тем же кинематическим цепям, что і подачі, но от асинхронного електродвигуна мощностью 10 кВт посредством вала XIV, червячной передачи 1—30 і планетарного механізма. В етом случае у планетарного механізма нерухомою является центральная шестерня 30 і его передаточное отношение возрастает вдвое.

Перемещение траверсы осуществляется от електродвигуна мощностью 14 кВт через трехступенчатый редуктор з шестернями 21—77, 36—28 і 17—80, вал XXIX, конические передачи 23—40 і ходовые винты XXX і XXXI.

Ручное установочное перемещение гильзы со шпинделем осуществляется маховичком Мх1 (рис. 100.б) через валик VI, шестерни 14—16,. вал VII, червячную передачу 1—35, вал VIII і реечную шестерню 13 з рейкой m = 4 мм.

Ручні установочные переміщення шпиндельных бабок производятся маховичками. Например, правая горизонтальная бабка перемещается маховичком Мх2, который через вал XXXII, шестерни 27—27, вал XXXIII, шестерни 27—27, вал XXIV і однозаходный червяк приводит во вращение червячное колесо-гайку.

Ручной поворот на угол ±30° имеют все шпиндельные бабки. Для примера механізм поворота показан на левой вертикальной шпиндельной бабке. Вращением вала XXXV при помощи квадрата К приводится в рух через колеса 17—29 червяк, который находится в зацеплении з червячным сектором С3.


Вузли продольно-фрезерного верстата 6652

Механізм зажиму траверсы

На станке моделі 6652 зажим траверсы може производиться как вручную, так і механически, посредством двух рычажно-ексцентриковых механізмов А і Б (рис. 101, а).

Вручную зажим траверсы 1 на каждой из стоек 2 осуществляется отдельно поворотом вала 17 з ексцентриком 18 посредством квадрата К. При повороте ексцентрик 18 через толкатель 9 нажимает на упорный винт 8 двуплечего рычага 3 и, поворачивая его относительно сферических шайб 6 і 7, прижимает через гайку 4 і шпильку 5 траверсу к стойке

Упорный винт 8 служит для регулювання зусилля прижима. Эксцентрик 18 имеет ексцентриситет е, равный 7 мм. Соотношение плеч рычага 3 составляет б: а=5.

В результате даже ручным зажимом можно надежно закрепить траверсу на стойках.

Механическое закрепление траверсы осуществляется от електродвигуна 10 мощностью 1 кВт, связанного еластичной соединительной муфтой 11 з валом 12 червячного редуктора. Последний состоит из двухзаходного червяка 15 і червячного колеса 14, имеющего 32 зуба. Червячный редуктор обеспечивает уменьшение числа оборотів колеса 14 по сравнению з числом оборотів електродвигуна в 16 раз.

Червячное колесо 14 является одновременно гайкой, через которую проходит тяга 13. В средней частини тяга 13 имеет двухзаходную резьбу з шагом 10 мм, а по концам — зубья з модулем 4 мм. Реечные частини тяги 13 находятся в постоянном зацеплении з шестернями 16 зажимов А і Б При механическом закреплении траверсы шестерни 16, имеющие «по 25 зубьев, з помощью муфт Мк связаны з валами 17 і соответственно з ексцентриками 18

При зажиме траверсы вращение електродвигуна происходит так, что тяга 13 перемещается в направлении стрелки в.

Для освобождения зажимов траверсы направление обертання електродвигуна изменяется, і тогда тяга 13 перемещается в направлении стрелки г.




Схема електрогідрокерування верстатом

6652 Гідравлічна схема фрезерного верстата 6652

Гідравлічна схема фрезерного верстата 6652

1. Гідравлічна схема фрезерного верстата 6652. Дивитись у збільшеному масштабі

2. Гідравлічна схема фрезерного верстата 6652. Дивитись у збільшеному масштабі



В станке моделі 6652 все керування, за исключением переключения швидкостей обертання шпинделей фрезерных бабок, производится з центрального пульта. Дистанционное керування верстатом основано «а применении гідравлической системы з електромагнитными пилотами.

Как видно из гідравлической схеми керування (рис. 101,б), гідронасос Н (приводится во вращение от електродвигуна мощностью 1 кВт при 1460 об мин. Насос Н засасывает масло из бака Бк через приемник Пк і подает его под высоким давлением в систему керування рабочими органами верстата а под низким давлением — в систему змазки верстата.

Высокое давление поддерживается в системе керування напорным золотником Зн з дросселем Д1. Величина давления регулируется силой предварительного сжатия пружины винтом В1 і открытием дросселя Д1. Масло от насоса Н поступает через центральную выточку поршня і через дроссель Д1 в верхнюю полость напорного золотника Зм , стремясь переместить поршень золотника вниз. Когда давление масла превысит расчетное, поршень, преодолевая сопротивление пружины, сместится вниз своей центральной выточкой соединит напорную магистраль со сливом.

Визуальный контроль за давлением масла в системе керування осуществляется по манометру М. Автоматический контроль обеспечивается наличием в системе реле давления Рд1 , которое може быть з помощью гвинта В2 отрегулировано на давление от 5 до 50 кГ/см2.

Керування всеми рабочими органами производится двухпозиционными цилиндрами. Всего на станке установлено шесть таких цилиндров. Каждый цилиндр для переключения снабжен осевым пилотом Я моделі Г-74-27 з електромагнитом толкающего типа.

Переключення того или иного робочого органа достигается нажимом соответствующей кнопки на центральном щите керування, что приводит в действие електромагнит, который устанавливает золотник пилота в нужное положение, і тогда масло из напорной магистрали поступает в рабочую полость цилиндра, заставляя сместиться поршень з переключающей вилкой. Масло из другой полости через золотник пилота поступает на слив.

Цилиндр Ц1 з пилотом П1 служит для переключения кулачковой муфты М1 (здесь і ниже даны обозначения муфт і блоков шестерен по кінематичної схеме рис. 100, а), управляющей включением подачі і быстрых перемещений левой горизонтальной шпиндельной бабки.

Цилиндр Ц2 з пилотом П2 управляет кулачковой муфтой М2 увімкнення подачі і быстрых перемещений правой горизонтальной шпиндельной бабки.

Цилиндр Ц3 з пилотом П3 производит переключение кулачковой муфты М3 керування переміщеннями стола.

Цилиндр Ц4 з пилотом П4 переключает двойной подвижной блок шестерен Б4 в приводе подач стола і шпиндельных бабок.

Цилиндры Ц5 і Ц6 з соответствующими пилотами П5 і П6 осуществляют увімкнення подач і быстрых перемещений вертикальних шпиндельных бабок путем переміщення подвижных шестерен 36 на валах XXIV і XXV.

Цилиндры Ц5 і Ц6 установлены на траверсе і перемещаются вместе з ней. Для подачі масла к етим подвижным цилиндрам применено телескопическое пристрій Т.

В систему змазки масло поступает от насоса Н через золотник 3 з редукционным клапаном Кр типа Г-57-13 і фильтр Ф.





Технічна характеристика верстата


    Список литературы:

  1. Аврутин С.В. Основы фрезерного дела, 1962
  2. Аврутин С.В. Фрезерне дело, 1963
  3. Ачеркан Н.С. Металлорежущие верстати, Том 1, 1965
  4. Барбашов Ф.А. Фрезерне дело 1973
  5. Барбашов Ф.А. Фрезерные роботи (Профтехобразование), 1986
  6. Блюмберг В.А. Справочник фрезеровщика, 1984
  7. Григорьев С.П. Практика координатно-расточных і фрезерных работ, 1980
  8. Копылов Р.Б. Работа на фрезерных верстатах, 1971
  9. Косовский В.Л. Справочник молодого фрезеровщика, 1992
  10. Кувшинский В.В. Фрезерование,1977
  11. Ничков А.Г. Фрезерные верстати (Библиотека станочника), 1977
  12. Пикус М.Ю. Справочник слесаря по ремонту металлорежущих верстатів, 1987
  13. Плотицын В.Г. Расчёты настроек і наладок фрезерных верстатів, 1969
  14. Плотицын В.Г. Наладка фрезерных верстатів,1975
  15. Рябов С.А. Современные фрезерные верстати і их оснастка, 2006
  16. Схиртладзе А.Г., Новиков В.Ю. Технологическое обладнання машиностроительных производств, 1980
  17. Тепинкичиев В.К. Металлорежущие верстати, 1973
  18. Чернов Н.Н. Металлорежущие верстати, 1988
  19. Френкель С.Ш. Справочник молодого фрезеровщика (3-е изд.) (Профтехобразование), 1978









Продавцы, предложения, цены База данных

Заказать

Кто владеет информацией - тот владеет миром.

Натан Ротшильд