Виробник горизонтально-розточувальних верстатів 2А656Ф11 Ленінградський верстатобудівний завод ім. Свердлова , заснований у 1868 році.
З 1949 року підприємство важкого верстатобудування. Почав випуск металорізальних верстатів власної конструкції (горизонтально-розточувальних, координатно-розточувальних, копіювально-фрезерних, типу «обробний центр» та ін.)
У 1962 на базі заводу створено Ленінградське верстатобудівне виробниче об'єднання.
Об'єднання має замкнутий технологічний цикл, має ливарне, заготівельне, гальванічне виробництва, всі види механічної обробки, стендове складання верстатів, малярські та пакувальні ділянки.
У 2004 р – банкрутство заводу. Торгова марка продана підприємству Кіров-Станкомаш, ТОВ
Горизонтально-розточувальний верстат 2А656Ф11 і 2А656РФ11 замінив застарілий верстат моделі 2Е656 .
Верстат 2А656Ф11 призначений для індивідуальної або серійної обробки важких корпусних деталей великих габаритів, що мають точні отвори, пов'язані між собою точними відстанями.
Для розточування отворів великої довжини за допомогою борштангу верстат може оснащуватися задньою стойкою.
Верстат 2А656 випускався у двох модифікаціях:
Призначені для індивідуальної та серійної обробки важких корпусних деталей великих розмірів, які мають точні отвори, пов'язані між собою точними відстанями.
На верстатах виконуються різноманітні розточувальні, фрезерні та свердлильні роботи, включаючи нарізування різьблення шпинделем.
Верстати 2А656Ф11 та 2А656РФ11 оснащені пристроєм цифрової індикації та попереднього набору координат.
Для розточування отворів великої довжини за допомогою борштангів верстати можуть бути забезпечені задньою стойкою (постачається за особливим замовленням за додатковим планом).
Верстат моделі 2А656Ф11 оснащений поперечно-рухливою передньою стойкою, нерухомою плитою та висувним шпинделем діаметром 160 мм.
Верстат моделі 2А656РФ11 має поперечно-рухливу стійку, нерухому плиту, знімний поздовжньо-рухомий поворотний стіл, висувний шпиндель діаметром Ø 160 мм, знімну планшайбу з радіальним супортом, кутову фрезерну головку. За допомогою знімної планшайби можна обробляти торцеві поверхні, а також розточувати отвори великих діаметрів. Фрезерна головка дозволяє виконувати свердлильні та фрезерні роботи як на вертикальних, так і на горизонтальних поверхнях.
Шпиндельний вузол з фрезерними та висувними шпинделями змонтований на прецизійних підшипниках кочення.
Азотований шпиндель має високу поверхневу твердість і довго зберігає точність.
На замовлення шпиндель може бути виконаний з конусом № 50 по ISO та з ненаголошеним ручним кріпленням інструменту.
Напрямні станини передньої стійки та станини знімного столу мають телескопічний захист, що забезпечує тривале збереження початкової точності.
Напрямні саней стійки та столу мають спеціальні накладки з фторопласту, що підвищують плавність переміщення вузла та сприяють тривалому збереженню початкової точності верстата.
Шпиндельна бабка та сани передньої стійки після зупинки закріплюються автоматично електромеханічними затискачами.
Привід подач - роздільний від електродвигунів постійного струму з тиристорним керуванням.
Діапазон швидкості виконавчих двигунів 1.2500 значно розширює експлуатаційні можливості верстата.
Перемикання швидкостей обертання шпинделя здійснюється спеціальним механізмом із серводвигуном та автоматичним імпульсним пристроєм із селективною установкою на вибрану швидкість.
Мастило направляючих автоматизоване.
Знімний поворотний стіл верстата 2А656РФ11 обертається спеціальною прецизійною опорою. Установка через 90° проводиться у разі оптичного микроскопу. Відлік на будь-який кут здійснюється за круговою шкалою з ціною поділу 30'.
Знімна планшайба при закріпленні на фрезерному шпинделі може працювати висувним шпинделем.
Керування верстатами - дистанційне, з центрального пульта на шпиндельній бабці, з дублюючого переносного пульта та зі спеціального підвісного пульта, що дозволяє керувати верстатом із плити.
Рівень вібрації відповідно до ГОСТ 12.2.009-80.
Умови транспортування та зберігання за ОСТ2 Н89-30-79, ГОСТ 7599-82.
Клас точності - Н за ГОСТ 8-82Е.
Шорсткість оброблених поверхонь Ra 1,6 мкм.
Розробник - Ленінградське ОКБС.

Габарити робочого простору горизонтально-розточувального верстата 2а656ф11
Габарити робочого простору верстата 2А656Ф11. Дивитись у збільшеному масштабі

Габарити робочого простору горизонтально-розточувального верстата 2а656рф11
Габарити робочого простору верстата 2А656рФ11. Дивитись у збільшеному масштабі

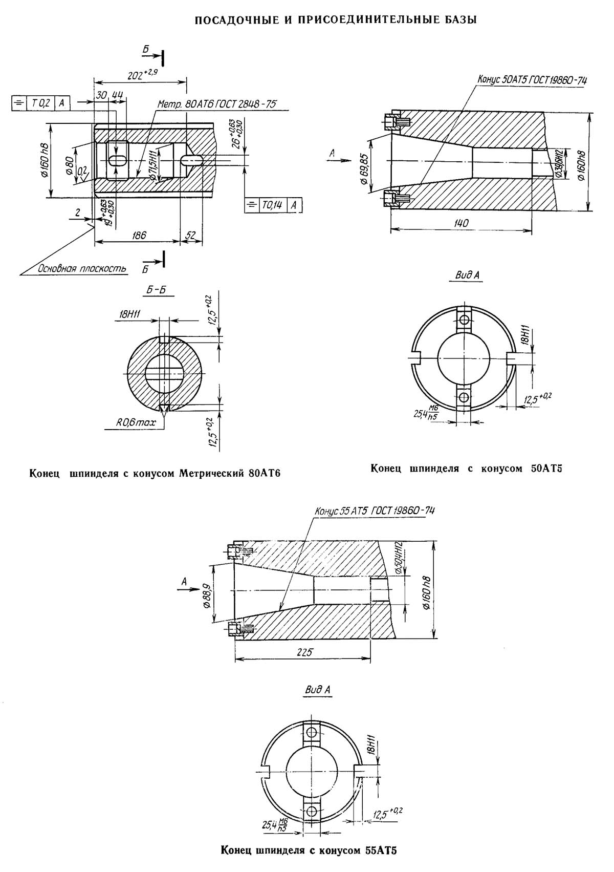
Кінець шпинделя горизонтально-розточувального верстата 2а656ф11
Кінець шпинделя верстата 2а656ф11. Дивитись у збільшеному масштабі

Знімний стіл та планшайба горизонтально-розточувального верстата 2а656рф11
Знімний стіл та планшайба верстата 2а656рф11. Дивитись у збільшеному масштабі

Фрезерний шпиндель горизонтально-розточувального верстата 2а656рф11
Фрезерний шпиндель верстата 2а656рф11. Дивитись у збільшеному масштабі

Фото горизонтально-розточувального верстата 2А656Ф11

Фото горизонтально-розточувального верстата 2А656Ф11
Фото горизонтально-розточувального верстата 2А656Ф11. Дивитись у збільшеному масштабі

Фото горизонтально-розточувального верстата 2А656Ф11
Фото горизонтально-розточувального верстата 2А656Ф11. Дивитись у збільшеному масштабі

Фото горизонтально-розточувального верстата 2А656Ф11
Фото горизонтально-розточувального верстата 2А656Ф11. Дивитись у збільшеному масштабі

Фото горизонтально-розточувального верстата 2А656Ф11
Фото горизонтально-розточувального верстата 2А656Ф11. Дивитись у збільшеному масштабі

Фото горизонтально-розточувального верстата 2А656Ф11

Фото горизонтально-розточувального верстата 2А656Ф11

Установче креслення горизонтально-розточувального верстата 2А656Ф11
Установче креслення горизонтально-розточувального верстата 2А656Ф11. Дивитись у збільшеному масштабі

Технічні характеристики горизонтально-розточувальних верстатів 2А656Ф11

Технічні характеристики горизонтально-розточувальних верстатів 2А656Ф11

Технічні характеристики горизонтально-розточувальних верстатів 2А656Ф11
У світі все менше того, що неможливо купити, і все більше, що неможливо продати.
Закон Мерфі