metalinstryment.com
Довідник по металорізальних верстатів та пресовому обладнанні

5А913 Верстат зубохонинговальный напівавтомат
схеми, опис, характеристики

5А913 Верстат зубохонинговальный напівавтомат







Відомості про виробника зубохонинговального верстата 5А913

Производитель вертикального зубохонинговального верстата 5А913 - Витебский станкостроительный завод имени Коминтерна, основанный в 1877 году.

Более 40 лет из более чем вековой истории завод специализировался на выпуске зубообрабатывающего оборудования для обробки зубьев цилиндрических зубчатых колес.





Продукция Витебского станкостроительного завода имени Коминтерна


5А913 Верстат зубохонинговальный напівавтомат. Назначение і область применения

Зубохонинговальный напівавтомат 5А913 предназначен для чистовой отделки термически обработанных поверхностей зубьев цилиндрических прямозубых і косозубых колес наружного (зовнішнього) зацепления, а также для обробки колес з бочкообразной формой зубьев; используется в массовом, серийном і мелкосерийном производстве.

Хонингование зубьев производится з окружным или радиальным нагружением, з поздовжньої подачей вдоль оси колеса или з подачей под углом к ней.

Особливості конструкції і принцип роботи верстата

В напівавтоматі оси инструмента і вироби расположены вертикально. Все руху подачі сообщаются инструменту.

Ведущим является изделие.

Зубчасті колеса обрабатываются дисковым зубчатым хоном методом окружного или радиального погружения.

Поворотные направляющие поздовжньої подачі настраивают напівавтомат для роботи как з параллельной, так і угловой подачами хона относительно оси вироби.

При работе з угловой подачей равномернее износ хона, возможна обработка закрытых венцов, выше производительность.

Для очистки СОЖ напівавтомат снабжен центрифугой.

Полуавтомат принят к серийному производству в 1978 г.

Класс точності напівавтомату — П по ГОСТ 8—77.

Проектная организация — Специальное конструкторское бюро зубообрабатывающих, шлифовальных і заточных верстатів (СКБ ЗШиЗС), г. Витебск.





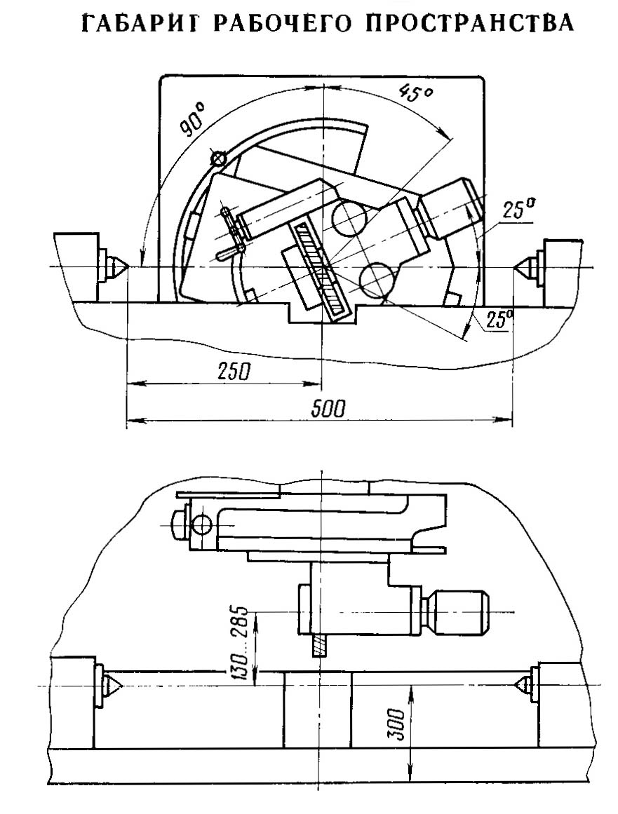
Габарит робочого простору зубохонинговального верстата 5А913

5А913 Габарит робочого простору зубохонинговального верстата

Габарит робочого простору зубохонинговального верстата 5А913


Посадочные і присоединительные базы зубохонинговального верстата 5А913

Профиль стола і шлифовальный шпиндель зубохонинговального верстата 5А913

Передний конец шлифовального шпинделя верстата 5А913

Посадочные і присоединительные базы зубохонинговального верстата 5А913. Дивитись у збільшеному масштабі



Загальний вигляд і общее пристрій верстата 5А913

Фото зубохонинговального верстата 5А913

Фото зубохонинговального верстата 5А913



Фото зубохонинговального верстата 5А913

Фото зубохонинговального верстата 5А913



Фото зубохонинговального верстата 5А913

Фото зубохонинговального верстата 5А913

Фото зубохонинговального верстата 5А913. Дивитись у збільшеному масштабі



Фото зубохонинговального верстата 5А913

Фото зубохонинговального верстата 5А913

Фото зубохонинговального верстата 5А913. Дивитись у збільшеному масштабі







Настановне креслення зубохонинговального верстата 5А913

Настановне креслення зубохонинговального верстата 5А913

Настановне креслення зубохонинговального верстата 5А913

Настановне креслення зубохонинговального верстата 5А913. Дивитись у збільшеному масштабі








Технічні характеристики зубохонинговального верстата 5А913

Технічні характеристики зубохонинговального верстата 5А913

Технічні характеристики зубохонинговального верстата 5А913

Технічні характеристики зубохонинговального верстата 5А913. Дивитись у збільшеному масштабі



    Список литературы:

  1. Колев Н.С. Металлорежущие верстати, 1980, стр.159.
  2. Гальперин Е.И. Наладка зуборезных верстатів, 1960.
  3. Козлов Д.Н. Зуборезные роботи, 1971.
  4. Лоскутов В.В., Ничков А.Г. Зубообрабатывающие верстати, 1978.
  5. Малахов Я.А. Зубообрабатывающие і резьбофрезерные верстати і их наладка, 1972.
  6. Мильштейн М.З. Нарезание зубчатых колес, 1972.
  7. Овумян Г.Г., Адам А.И. Справочник зубореза, 1983.
  8. Птицин Г.А., Кокичев В.Н. Зуборезные верстати, 1957.
  9. Сильвестров Б.Н., Захаров И.Д. Конструкція і наладка зуборезных і резьбофрезерных верстатів, 1979.
  10. Шавлюга Н.И. Расчет і примеры наладок зубофрезерных і зубодолбежных верстатів, 1978.
  11. Руководящий материал для конструкторов, проектирующих технологическую оснастку. Основні данные і посадочные места металлорежущих верстатів. НИИМАШ, 1968.









Заказать

Кто владеет информацией - тот владеет миром.

Натан Ротшильд