metalinstryment.com
Довідник по металорізальних верстатів та пресовому обладнанні

53В30П Верстат зубофрезерный вертикальний напівавтомат
схеми, опис, характеристики

53В30П Загальний вигляд  зубофрезерного верстата







Відомості про виробника вертикального зубофрезерного напівавтомату 53В30П

Производитель вертикального зубофрезерного напівавтомату 53В30П - Витебский станкостроительный завод имени Коминтерна, основанный в 1877 году.

Более 40 лет из более чем вековой истории завод специализировался на выпуске зубообрабатывающего оборудования для обробки зубьев цилиндрических зубчатых колес.





Продукция Витебского станкостроительного завода имени Коминтерна


53В30П Верстат вертикальний зубофрезерный напівавтомат. Назначение і область применения

Верстат зубофрезерный 53В30П заменил в производстве устаревшую модель 53А30П. Новое наименование верстата - ВСН-332

Універсальный зубофрезерный верстат напівавтомат 53В30П предназначен для нарізання (фрезерування) цилиндрических прямозубых, косозубых і червячных колес в условиях единичного і серийного производства. Нарезание зубчатых колес производится по способу обкатки червячной фрезы і обрабатываемой заготовки попутным или встречным методами фрезерування. Верстат работает по замкнутому напівавтоматическому циклу і по циклу налагодження. Наличие циклов радиальной, тангенциальной і диагональной подачі значительно расширяет технологические возможности напівавтоматов.

Особливості конструкції зубофрезерного верстата 53В30П:

Полуавтомат 53В30П имеет широкие технологические возможности, обеспечивая обработку ею встречной, попутной, радиальной і тангенциальной подачами, выхаживанием після радиального врізання, автоматическим осевым переміщенням фрезы після каждого цикла.

При обработке колес со спиральными зубьями шпиндель стола получает дополнительный поворот от ланцюги диференціала.

В стандартном виконанні (53В30П.00.000-01) напівавтомат изготовляется з механізмом радиальных подач і суппортом «шифтинг» (с шаговой передвижкой), в специальном виконанні (53В30П. 00.000-11) з механізмом тангенциальных подач і тангенциальным суппортом.

Оснащенный автоматическим загрузочно-разгрузочным пристрійм напівавтомат може быть использован индивидуально или встраиваться в автоматическую линию з различными транспортными системами.

Полуавтомат 53В30П выполнен з вертикальной осью вироби на подвижном столе, движущемся по горизонтальным направляющим станины. Осевая подача осуществляется переміщенням салазок суппорта з закрепленным на них суппортом по вертикальным направляющим передньої стойки. В целях повышения крутильной жесткости і точності кинематических ланцюгів главный електродвигатель установлен на передньої стойке, диференціал выполнен из цилиндрических колос, делительная пара имеет увеличенное число зубьев; шпиндели вироби і инструмента установлены на прецизионных підшипниках качения. В качестве подпятника шпинделя вироби служит высокоточный упорный шарикоподшипник.

Полуавтомат имеет централизованную систему змазки, систему охлаждения для подачі СОЖ в зону різання, магнитный транспортер стружки з редуктором для очистки смазочно-охлаждающей жидкости і удаления стружки из ниши станины в ящик бака охлаждения, приставляемого к напівавтомату.

При зубофрезеровании з диагональной подачей фреза перемещается вдоль нарезаемого зуба і одновременно вдоль собственной оси, что значительно повышает її стойкость.

Конструкція верстата передбачає возможность радиального врізання фрезы в заготовку, что сокращает машинное время обробки.

Большая универсальность верстатів і высокая степень автоматизации обеспечивает работу верстатів как в однопроходном, так і в двухпроходном автоматических циклах. При двухпроходном автоматическом цикле происходит автоматическая смена режимов обробки. Полуавтомат имеет бесступенчатый привід вертикальной і радиальной подачі.

Значительная мощность електродвигуна приводу фрезы, высокие скорости і достаточная загальна жесткость верстатів позволяет производить обработку на повышенных режимах со скоростями до 60…70 м/мин.

Верстат 53В30П работает по напівавтоматическому циклу.

К напівавтомату при помощи штепсельных разъемов подключаются електродвигатель магнитного транспортера стружки і електронасос, смонтированные на баке охлаждения.

Класс точності напівавтомату П по ГОСТ 8—77.


Модифікації верстатів ВСН-332

Современные верстати ВСН-332 спроектированы на базе моделі 53В30П.

Полуавтоматы ВСН-332 имеют ограждение зоны обробки кабинетного типа.


Основні технические данные зубофрезерного верстата 53В30П:

Разработчик - Витебское СКБ зубообрабатывающих, шлифовальных і заточных верстатів.

Изготовитель - Витебский станкостроительный завод.

Основні технические данные по ГОСТ 659-89 Верстати зубофрезерные вертикальные для цилиндрических колес. Основні параметри і розміри. Нормы точності.





53В30П Габарити робочого простору зубофрезерного напівавтомату

53В30П Верстат зубофрезерный. Габарити робочого простору

Габарити робочого простору напівавтомату 53в30п


Посадочные і присоединительные базы инструмента верстата 53В30П

53В30П Посадочные і присоединительные базы зубофрезерного напівавтомату 53В30П

Посадочные і присоединительные базы верстата 53в30п


53В30П Посадочные і присоединительные базы зубофрезерного напівавтомату 53В30П

Посадочные і присоединительные базы верстата 53в30п


53В30П Загальний вигляд і общее пристрій верстата

53В30П напівавтомат зубофрезерный. Загальний вигляд

Фото зубофрезерного верстата 53в30п

53В30П напівавтомат зубофрезерный. Загальний вигляд

Фото зубофрезерного верстата 53в30п

53В30П напівавтомат зубофрезерный. Загальний вигляд

Фото зубофрезерного верстата 53в30п


53В30П Розташування складових частин зубофрезерного напівавтомату

53В30П Розташування складових частин зубофрезерного напівавтомату 53В30П

Розташування складових частин верстата 53в30п


53В30П Розташування складових частин зубофрезерного напівавтомату 53В30П

Розташування складових частин верстата 53в30п


Специфікація складових частин зубофрезерного напівавтомату 53в30п

  1. Станина - 53В30П.10.000
  2. Стойка передняя - 53А30.11.000
  3. Короб - 53В30П.13.000
  4. Коробка передач - 53В30П.17.000
  5. Електроустаткування. Пульт керування - 53В30П.89А.000
  6. Коробка швидкостей - 53А30.16.000
  7. Механізм тангенциальных подач (за отдельную плату) - 53А30.18.000
  8. Салазки суппорта - 53А30.33.000 1
  9. Суппорт - 5Д312.30.000-01
  10. Стойка задня - 53В30П.23.000
  11. Стол - 53А30.20.000-01
  12. Механізм радиального врізання - 53А30.21.000
  13. Цилиндр зажиму вироби - 53А30.75.000
  14. Смазка стойки - 53А30.62.000
  15. Диференціал - 53А30.14.000
  16. Гідрокоммуникация - 53В30П.70.000
  17. Електроустаткування. Размещение в електронише - 53В30П.81.000
  18. Магнитный транспортер стружки - У53-604.000-01
  19. Редуктор - У53-605.000-01
  20. Охлаждение - 53В30П.61А.000
  21. Бак охлаждения - У53-663.000

Специфікація органів керування зубофрезерным напівавтоматом 53в30п

  1. Рукоятки переключения подач
  2. Таблиця выбора частоти обертання шпинделя і подач
  3. Пульт керування
  4. Рукоятка переміщення швидкостей
  5. Сменные шкивы
  6. Квадрат осьового переміщення салазок суппорта
  7. Нониус і шкала установки угла поворота суппорта
  8. Винты закрепления суппорта
  9. Винты закрепления контрподдержки
  10. Рукоятка предварительного натяга в паре винт-гайка налаштування межцентрового расстояния
  11. Квадрат рукоятки налаштування межцентрового расстояния
  12. Дроссель регулювання швидкостей радиальной подачі
  13. Квадрат налаштування величины радиальной подачі
  14. Квадрат поворота суппорта
  15. Промежуточный палец гітари диференціала
  16. Гітара диференціала
  17. Гітара деления
  18. Маслоуказатель контроля уровня масла гідравлики
  19. Маслоуказатель контроля уровня охлаждающей жидкости
  20. Квадрат затяжки оправки фрез
  21. Квадрат осьового переміщення фрезы
  22. Винт фиксации подмоторной плиты
  23. Квадрат натяжения ремней
  24. Квадрат установки разового переміщення фрезы
  25. Пульт увімкнення реверса головного електродвигуна
  26. Квадрат выбора направления подачі




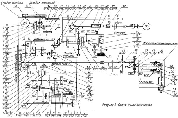
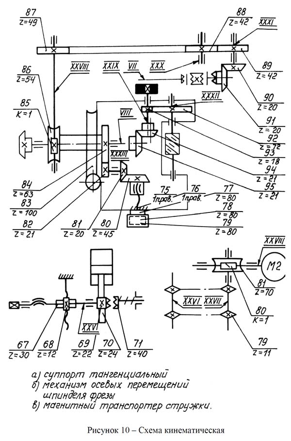
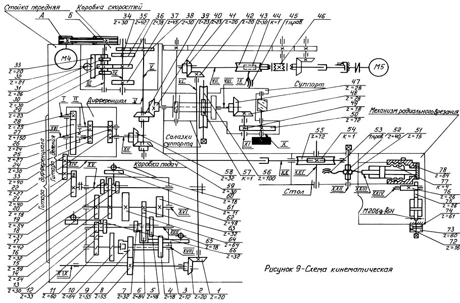
Схема кінематична зубофрезерного верстата 53В30П

Схема кінематична зубофрезерного верстата 53В30П

Кінематична схема зубофрезерного верстата 53в30п

Схема кінематична зубофрезерного верстата 53В30П. Дивитись у збільшеному масштабі


Схема кінематична зубофрезерного верстата 53В30П

Кінематична схема зубофрезерного верстата 53в30п

Схема кінематична приведена на рисунке 9 і 10. Список к кінематичної схеме указан в таблице 8.

Особенностью кінематичної схеми напівавтомату является наличие коробки швидкостей, коробки подач і механізма подвода стола. В ланцюги головного приводу установлен двухскоростной електродвигатель.

Главный привод получает вращение от електродвигуна М4. Вращение передається на шпиндель фрезы через сменные шкивы А і Б, трехступенчатую коробку швидкостей, цилиндрическую пару 34 і 38, конические пары 39 і 40, 47 і 48, цилиндрическую суппортную пару 49 і 50.

Ланцюг деления получает вращение от ланцюги головного приводу з вала V через коническую пару 59 і 58, цилиндрический диференціал, гітару деления, далее на делительную пару 54 і 55 при условии роботи правыми фрезами, или через шестерни 21 і 23 на делительную пару 54 і 55 при условии роботи левыми фрезами, рух передається на шпиндель вироби.

Ланцюг осевых подач получает вращение от вала XIV через шестерни 23 і 21, 20 і 19 (перебора), девятиступенчатую коробку подач, шестерни 9 і 8, конические пары 2 і 1, 41 і 42, кулачковую муфту 46, которая замкнута з кулачками червяка осевой подачі 44, червячное колесо 43 вращение передається на винт IX, по которому перемещается гайка 45 вместе з салазками суппорта в направлении осевой подачі. Ускоренное перемещение салазок суппорта осуществляется от електродвигуна М5.

Тангенциальная подача возможна в случае поставки напівавтомату з механізмом тангенциальных подач і тангенциальным суппортом. В етом случае вращение передається до кулачковой муфты 46, как і при осевой подаче. Через кулачковую муфту 46 (см. рисунок 10), замкнутую з кулачками конической шестерни 91, шестерни 90, 89, 88 і 87, червячную пару 85 і 86, шестерни 84 і 82, коническую пару 81 і 80 вращение передається на гайку 75, которая вращаясь, перемещает за винт 76 каретку з фрезой в направлении тангенциальной подачі.

При етом зубчатая муфта 78 замкнута з шестернями-полумуфтами 77 і 79 гайкой 9 (см. рисунок 27).

Возврат каретки суппорта осуществляется от електродвигуна М5 ускоренных перемещений.

Радиальное врезание возможно в случае поставки напівавтомату з механізмом радиального врізання. Подача осуществляется от гідроцилиндра, штокрейку 99 (см. рисунок 19), реечную шестерню 98, шестерню 96. шестерня 96 одновременно является і гайкой. Гайка, вращаясь, перемещается по винту со скоростью радиальной подачі. Величина радиального врізання регулируется дросселем 6 (см. рисунок 19).

Ускоренный подвод і отвод стола возможен в случае поставки напівавтомату з механізмом подвода стола. В етом случае рух осуществляется от гідроцилиндра (см. рисунок 9), шток которого является винтом, который перемещает гайки 53 со столом.

Налаштування межцентрового расстояния (МЦР) производится вращением квадрата 11 (см. рисунок 7) через шестерни 51 і 52 (см. рисунок 9). При етом вращается гайка 53, которая перемещает стол по винту на величину МЦР. Величина МЦР устанавливается по лимбу. После налаштування МЦР рукоятку 10 (см. рисунок 7) зажать.





Пристрій, робота напівавтомату 53в30п і его складових частин


Станина в соответствии з рисунком 11

Станина напівавтомату коробчатой формы з поперечными і продольными ребрами имеет две призматические направляющие для переміщення стола з изделием на установку требуемого межцентрового расстояния і плоскость установки передньої стойки.

С правой стороны станины установлен механізм подвода стола. Слева, в нише боковой стенки станины, размещены гідропанель і резервуар системы гідравлики.

В нише задньої стенке станины установлена плита з електромагнитными золотниками.

В верхней частини станины установлен цилиндр подпора салазок суппорта для выборки осьового зазору в системе винт-гайка осевой подачі.


Стойка передняя в соответствии з рисунками 12 і 13

Стойка передняя устанавливается на платик станины і несет вертикальные направляющие для переміщення салазок суппорта з самим суппортом в направлении осевой подачі. В ней расположены основні вузли напівавтомату.

На передньої стенке расположены: пульт керування, квадрат переключения осевой і тангенциальной подачі, квадрат переміщення салазок суппорта і рукоятка переключения числа оборотів шпинделя фрезы 2 (см. рисунок 12).

В нише передньої стенки расположен узел коробки подач. С левой стороны стойки в нише под крышкой расположены гітара деления, гітара диференціала і в расточке – диференціал.

В нише верхней частини стойки расположены електродвигатель приводу і узел коробки швидкостей.

На задньої стенке расположены електрониша і електродвигатель ускоренных перемещений. В електронише стойки расположены клеммники вузла електроустаткування.

Работа ланцюгів подачі і головного приводу приведена в описании к кінематичної схеме напівавтомату, конструктивное виконання елементів кінематичної схеми приведено на рисунках 12 і 13.

Кулачковая муфта 2 (см. рисунок 13) предназначена для увімкнення осевой і тангенциальной подачі, в зависимости от метода обробки. В напівавтоматі обычного исполнения (без механізма тангенциальных подач і тангенциального суппорта), зубья кулачковой муфты введены в зацепление з зубьями червяка 1, расположенными на его торце. Кулачковая муфта жестко крепится на валу бронзовым штифтом 3, который является предохранительным елементом от поломки при перегрузках в цепях подач. Его замена производится через окно при снятой крышке 1 (см. рисунок 12), при етом салазки суппорта должны быть опущены в нижнее положение і снят верхний щиток ограждения, закрывающий направляющие стойки.

Для уменьшения перебегов салазок суппорта при ускоренных переміщеннях в ланцюги ускоренных подач установлена електромагнитная тормозная муфта 4 (см. рисунок 13).


Диференціал в соответствии з рисунком 14.

Диференціал выполнен из цилиндрических колес і обеспечивает кинематическую связь доворота вироби з осевой подачей при нарезании косозубых колес. Диференціал монтируется в расточке передньої стойки.


Коробка швидкостей в соответствии з рисунком 15.

Коробка швидкостей представляет собой отдельный узел з двухскоростным електродвигуном і устанавливается в нише верхней частини передньої стойки.

Различные скорости обеспечиваются переключаемым блоком 1 из 3-х шестерен і двумя парами сменных шкивов.


Коробка подач в соответствии з рисунком 16.

Коробка подач крепится к стойке з передньої стороны. Два блока 1 і 2 обеспечивают 9 подач. Электромагнитная муфта 3 служит для увімкнення подачі.

Реверс подачі осуществляется вручную при помощи блока 4. При з'єднанні колес 5, 6 і 7 создается жесткая ланцюг для нарізання колес з простым числом зубьев. Блокировка такого положения осуществляется конечным выключателем.





Механізм тангенциальных подач в соответствии з рисунком 17.

Механізм тангенциальных подач представляет собой коробку, которая крепится в верхней частини передньої стойки. Квадрат 1 предназначен для переключения вида подачі (осевой или тангенциальной). Для получения тангенциальной подачі необходимо произвести вращение квадрата 1. При етом гайка 2, на которой закреплен рычаг 3, перемещает вал, на котором закреплена муфта 2 (см. рисунок 13), которая входит в зацепление з зубьями конической шестерни 4 (см. рисунок 17).


Стол в соответствии з рисунком 18.

Стол предназначен для установки і закрепления приспособления з заготовкой на торце шпинделя вироби 2. Шпиндель установлен в підшипниках качения і приводится во вращение от делительного червяка 5 і делительного колеса

1. Червяк 5 выполнен двухшаговым з возможностью выборки люфта в зацеплении при осевом смещении червяка за счет подшлифовки компенсационного кольца.

Налаштування на межцентровое расстояние производится вращением квадрата 3, который выведен на сторону обслуживания верстата. После налаштування на межцентровое расстояние поворотом рукоятки 4, выведенной на торце стола, обеспечивается предварительный натяг в паре винт-гайка.


Механізм радиального врізання в соответствии з рисунком 19.

Механізм радиального врізання предназначен для осуществления переміщення стола з заготовкой со скоростью радиальной подачі. Механізм выполнен в виде отдельного вузла і закрепляется на правой торцевой стенке станины.

Радиальная подача осуществляется от гідроцилиндра 1 шток-рейкой 2, через шестерни 9 і 7 на винт.

Величина радиального врізання настраивается за квадрат 5 винтом 3 по лимбу 4. Скорость радиального врізання регулируется дросселем 6. В механізме имеется цилиндр 8, предназначенный для ускоренного подвода і відведення стола.


Стойка задня в соответствии з рисунком 21.

Стойка задня устанавливается на платике стола. По вертикальным направляющим задньої стойки перемещается корпус з верхним центром 2. Верхним центром поджимается оправка вироби во время обробки для увеличения жесткости установочного приспособления. Корпус з верхним центром перемещается от гідроцилиндра 4 штоком 3 через планку 1.





Суппорт в соответствии з рисунками 22, 23 і 24

Суппорт крепится на торце салазок суппорта і може поворачиваться на 180° з помощью червячного колеса.

Шпиндель смонтирован на підшипниках качения. Для поддержания кінця оправки инструмента служит контрподдержка, втулка которой установлена на радиально-упорных підшипниках.

Шпиндель фрезы може перемещаться вдоль оси вместе з пинолью. Автоматическое перемещение производится от гідроцилиндра через шток-рейку, обгонную муфту, винтовую пару і ходовой винт, связанный з пинолью, только слева направо. Возврат в исходное положение производится вручную за квадрат 4 (см. рисунок 24). При етом необходимо расланцюгить обгонную муфту рукояткой 1 (см. рисунок 22).

Величина передвижки за каждый цикл настраивается винтом 2 (см. рисунок 23). Общая величина передвижки ограничивается конечным выключателем 3 (см. рисунок 23).

Зажим пиноли осуществляется двумя гідрозажимами 1 через рычаги 3 і сухари 2 (см. рисунок 24).

Разжим і перемещение пиноли происходит одновременно з зажимом заготовки.


Салазки суппорта в соответствии з рисунками 25 і 26.

Салазки суппорта предназначены для крепления суппорта болтами в Т-образных пазах і переміщення суппорта з фрезой для осуществления осевой подачі. Осевая подача осуществляется от гвинта осевых подач. Для выборки люфта в винтовой паре предназначен гідроцилиндр 1 (см. рисунок 11).

Величина переміщення салазок в осевом направлении устанавливается двумя упорами 1 і 2 (см. рисунок 25).


Суппорт тангенциальный в соответствии з рисунком 27

Суппорт тангенциальный предназначен для установки і крепления оправки фрезы в конусе инструментального шпинделя 20 і съемной контрподдержки 6. Фреза приводится во вращение от вала через конические шестерни 18 і 19 і цилиндрическую косозубую пару 21 і 22 суппорта.

Для возможности осуществления тангенциальной подачі і осевых передвижек супорт выполнен из двух основних деталей корпуса 2 і каретки 1.

Тангенциальная подача осуществляется через червячную пару 23 і 16, цилиндрические шестерни 17 і 15, конические шестерни 14 і 13 на гайку 12, на которой закреплена коническая шестерня. Гайка 12, вращаясь за винт 11, перемещает каретку суппорта в направлении тангенциальной подачі. Для осуществления тангенциальной подачі зубчатая муфта 10 в своем правом положении должна быть замкнута з зубьями шестерни 8, закрепленной нерухомо на кронштейне 7.

Осевая передвижка осуществляется вручную за квадрат гвинта 11. При етом зубчатая муфта 10 должна быть разомкнута з зубьями шестерни 8. Величина передвижки устанавливается по лимбу. После передвижки каретка суппорта 1 через планки прижимается к корпусу гайками 4.


Охлаждение і отвод стружки в соответствии з рисунком 28.

Бак з охлаждающей жидкостью установлен вдоль задньої стенки напівавтомату. Насос обеспечивает подачу охлаждения на фрезу. Слив жидкости производится в нишу станины под суппортом, далее через окно в боковой стенке ниши на магнитный транспортер 3. Магнитный транспортер отделяет стружку от охлаждающей жидкости і сбрасывает її в ящик 4 для стружки.


Цилиндр зажиму изделий в соответствии з рисунком 29

Цилиндр зажиму вироби 2 устанавливается на нижнем торце шпинделя стола на три фиксирующих пальца 3, прижимается к торцу шпинделя пружиной 4. Масло в полость цилиндра подается через вращающийся коллектор 1.





53В30П Верстат зубофрезерный вертикальний напівавтомат. Відеоролик.




Технічні характеристики зубофрезерного верстата 53В30П

Наименование параметра 53В30П 53А30П 53А50 53А80
Основні параметри верстата
Класс точності верстата по ГОСТ 8-82 і ГОСТ 659-78 П П П П
Наибольший модуль нарезаемого колеса, мм 6 6 8 10
Наибольший диаметр нарезаемых цилиндрических прямозубых колес (0°) з задньої стойкой (с контрподдержкой), мм 320 320 500 800
Наибольший диаметр нарезаемых цилиндрических косозубых колес (30°), мм 400 500
Наибольший диаметр нарезаемых цилиндрических косозубых колес (45°), мм 300 350
Наибольшая длина зуба нарезаемых цилиндрических прямозубых колес (0°), мм 220 220 350 350
Наибольшая длина зуба нарезаемых цилиндрических прямозубых колес (30°), мм 230 230
Наибольшая длина зуба нарезаемых цилиндрических косозубых колес (45°), мм 180 180
Наибольшая длина зуба нарезаемых цилиндрических косозубых колес (60°), мм 130 130
Наибольший угол наклона нарезаемых зубьев, град 60° 60° 60° 60°
Наименьшее число нарезаемых зубьев 12 12
Стол
Диаметр стола, мм 250 250 560 630
Расстояние между осями стола і фрезы, мм 30..250 30..250 60..350 80..500
Расстояние от плоскости стола і оси фрезы, мм 160..410 160..410 195..595 195..595
Ускоренное перемещение стола, мм/мин есть есть 200 200
Ручное перемещение стола за один оборот лимба, мм 0,5 0,5
Наибольшая длина горизонтального переміщення стола (шпинделя вироби), мм 220 220
Суппорт фрезерный
Наибольшее вертикальное перемещение фрезерного суппорта, мм 250 250 400 400
Ускоренное перемещение каретки суппорта, мм/мин 660 660
Наибольший диаметр режущего инструмента (червячной фрезы), мм 160 160 180 200
Наибольшая длина режущего инструмента (червячной фрезы), мм 160 160 200 200
Диаметры фрезерных оправок, мм 32, 40 32, 40
Ускоренное перемещение шпинделя вдоль оси, мм/мин 43 43
Расстояние от оси шпинделя до торца стола, мм 160..410 160..410
Поворот суппорта на одно деление шкалы линейки, град
Поворот суппорта на одно деление шкалы нониуса, мин 5` 5`
Конусное отверстие шпинделя (по ГОСТ 25557-82) Морзе 5 АТ7 Морзе 5 АТ7 Морзе 5 Морзе 5
Наибольшее осевое перемещение фрезы (каретки тангенциального суппорта вдоль оси фрезы), мм 100 100 200 200
Наибольшая величина вертикального переміщення суппорта при угле наклона 0°, мм 250 250 410 410
Наибольший угол поворота суппорта (наклона зубьев, обрабатываемых колес), град ±60 ±60 ±60 ±60
Скорость переміщення ползушки (салазок суппорта), мм/мин 300 230 230
Автоматический возврат инструмента есть есть есть есть
Предохранитель от перегрузки есть есть есть есть
Механіка верстата
Пределы оборотів фрезы, об/мин 50..500 52..400 40..405 40..405
Число ступеней оборотів фрезы 10 11 11
Пределы продольных (вертикальних) подач, мм/об 0,63..7,3 0,67..7,3 0,75..7,5 0,75..7,5
Пределы радиальных подач, мм/об 1,0..16,0 б/с 1,0..16,0 б/с 0,2..2,25 0,2..2,25
Пределы тангенциальных (осевых) подач, мм/об 0,26..2,3 0,2..2,3 0,13..2,6 0,13..2,6
Число ступеней подач 12 16 16
Привід і електрообладнання верстата
Количество електродвигателей, установленных на станке 5 6 6
Електродвигун головного привода, кВт 3,2/ 4,2/ 7,5 3,2/ 4,2/ 7,5 8/ 10/ 12,5 8/ 10/ 12,5
Електродвигун быстрых перемещений, кВт 2,2 3 3
Електродвигун приводу гідронасоса, кВт 1,5 1,1 1,1
Електродвигун насоса охлаждения, кВт 0,15 0,75 0,75
Електродвигун насоса змазки, кВт - 0,25 0,25
Електродвигун транспортера стружки, кВт 0,37 0,4 0,4
Суммарная мощность електродвигателей, кВт 8,42/ 11,72 17,85 17,85
Габаритные розміри і масса верстата
Габаритные розміри верстата (длина х ширина х высота), мм 2300 х 1300 х 1950 2300 х 1100 х 1950 2670 х 1810 х 2250 2897 х 1810 х 2250
Масса верстата з електрообладнанням і охолодженням, кг 5100 6200 10000 10800

    Список литературы

  1. Гальперин Е.И. Наладка зуборезных верстатів, 1960.
  2. Козлов Д.Н. Зуборезные роботи, 1971.
  3. Лоскутов В.В., Ничков А.Г. Зубообрабатывающие верстати, 1978.
  4. Малахов Я.А. Зубообрабатывающие і резьбофрезерные верстати і их наладка, 1972.
  5. Мильштейн М.З. Нарезание зубчатых колес, 1972.
  6. Овумян Г.Г., Адам А.И. Справочник зубореза, 1983.
  7. Птицин Г.А., Кокичев В.Н. Зуборезные верстати, 1957.
  8. Сильвестров Б.Н., Захаров И.Д. Конструкція і наладка зуборезных і резьбофрезерных верстатів, 1979.
  9. Шавлюга Н.И. Расчет і примеры наладок зубофрезерных і зубодолбежных верстатів, 1978.
  10. Руководящий материал для конструкторов, проектирующих технологическую оснастку. Основні данные і посадочные места металлорежущих верстатів. НИИМАШ, 1968.









Заказать

Кто владеет информацией - тот владеет миром.

Натан Ротшильд