Виробник токарно-револьверного верстата моделі 1П365 - Алапаєвський верстатобудівний завод, АСЗ , заснований у 1942 році.
Верстат токарно-револьверний 1П365 замінив у серійному виробництві застарілу модель 1365 та був замінений на більш досконалу модель 1М365 .
Патронний токарно-револьверний верстат 1П365 призначений для високопродуктивної обробки різноманітних деталей з чавуну, сталі та кольорових металів інструментом із твердих сплавів та швидкорізальної сталі деталей із штучних заготовок (поковок, штампувань, виливків тощо) діаметром до 500 мм та з прутка до 80 мм.
Верстат 1П365 призначений для обробки в патроні штучних заготовок з найбільшим діаметром обробки над станиною 500 мм, виготовлення яких вимагає виконання ряду послідовних переходів: обточування, свердління, розточування, розгортання, нарізування різьблення та ін в умовах серійного виробництва.
На верстаті можна виконувати чорнове та чистове точення, розточування, свердління, зенкерування, розгортання та нарізування різьблення спеціальними пристроями.
Особливість токарно-револьверного верстата 1П365 полягає в тому, що він має гідрофіковане керування з переселективною зміною частоти обертання шпинделя та подач супортів. При цьому подачі поперечного та револьверного супортів одночасно можуть бути різними. Зубчасті колеса і зубчасті муфти перемикають на зниженій частоті обертання валів коробки швидкостей гідравлічними механізмами. Верстат оснащений механізмом швидкого поздовжнього переміщення обох супортів.
Токарно-револьверний верстат 1П365 має револьверний супорт із шестигранною револьверною головкою з вертикальною віссю обертання. Поперечний супорт мостового типу з передньою чотиригранною головкою і заднім тримачом на один різець. У спеціальному різцетримачі можна встановлювати кілька різців.
Оброблювана деталь закріплюється у звичайному самоцентруючому або пневматичному патроні. Весь необхідний для даної операції комплект різальних інструментів встановлюється в шестипозиційній револьверній головці та чотиристоронньому різцетримачі супорта.
На верстаті 1П365 деталь може бути оброблена у шести позиціях. Можлива паралельна робота інструментів, встановлених у револьверній головці, та інструментів, встановлених у різцетримачі супорта.
Інструмент та обмежувачі ходу супортів (упори) встановлюються з таким розрахунком, щоб оброблена деталь отримала після обробки задані розміри.
Компонування вузлів загальноприйняте для цього типорозміру універсальних револьверних верстатів. Все керування коробки швидкостей та коробки подач гідравлічне. Вибір чисел оборотів шпинделя та величин подач на всіх моделях преселективний.
Перемикання чисел оборотів шпинделя та величин подач відбувається при повільному повороті шестерень.
Станина верстата жорсткої конструкції з плоскими напрямними. Монтується на двох тумбах, на які встановлюється корито для збору стружки та рідини, що охолоджує. У корита є два баки: один для олії гідроприводу та мастила, інший для охолодної рідини. У лівій тумбі станини монтується електродвигун головного приводу верстата. Задня стінка станини має два вікна для вільного виходу стружки.

Габарит робочого простору верстата 1п365

Шпиндель токарно-револьверного верстата 1п365

Револьверна головка токарно-револьверного верстата 1М365
Револьверна головка токарно-револьверного верстата 1М365 Дивитись у збільшеному масштабі

Загальний вигляд токарного токарно револьверного верстата 1п365
Загальний вигляд токарного токарно-револьверного верстата 1П365. Дивитись у збільшеному масштабі

Фото токарно-револьверного верстата 1п365
Фото токарного револьверного верстата 1П365. Дивитись у збільшеному масштабі

Фото токарно-револьверного верстата 1п365
Фото токарного револьверного верстата 1П365. Дивитись у збільшеному масштабі

Розташування складових частин токарного верстата 1п365
Основні вузли верстата:

Розташування органів керування токарним верстатом 1п365
Розташування органів керування токарно-револьверним верстатом 1П365. Дивитись у збільшеному масштабі

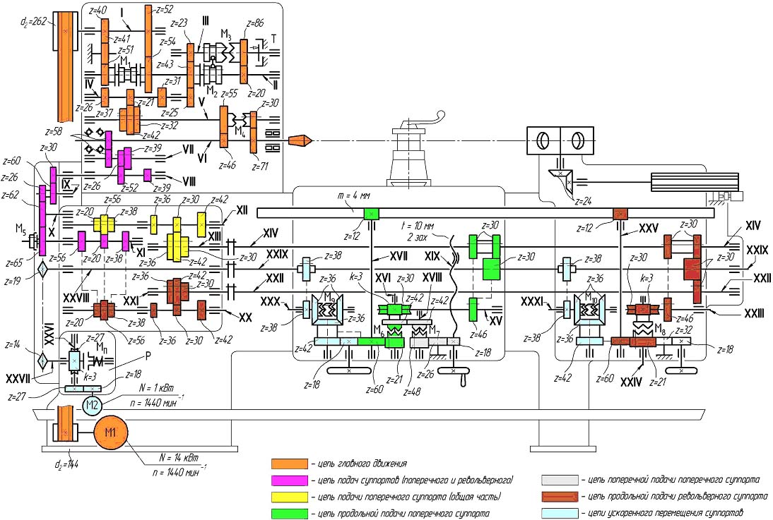
Структурна схема токарного верстата 1п365

Кінематична схема револьверного верстата 1п365
1. Кінематична схема токарно-револьверного верстата 1П365. Дивитись у збільшеному масштабі
2. Кінематична схема токарно-револьверного верстата 1П365. Дивитись у збільшеному масштабі
3. Кінематична схема токарно-револьверного верстата 1П365. Дивитись у збільшеному масштабі

Розташування підшибників токарно-револьверного верстата 1п365
Розташування підшибників токарно-револьверного верстата 1п365. Дивитись у збільшеному масштабі
Рухи у верстаті:
Кінематика верстата 1П365 складається з ряду кінематичних ланцюгів (рис. 4), службовців для здійснення обертального руху шпинделя, поздовжніх подач револьверного та поперечного супорта, поперечних подач поперечного супорта, швидких поздовжніх переміщень револьверного та поперечного супортів, вручну та повороту револьверної головки вручну. Дані про зубчасті та черв'якові колеса коробки швидкостей, коробки передач, фартуха поперечного і поздовжнього супортів і механізму прискореного ходу наведені в табл. 6.
Обертальний рух шпинделя здійснюється наступним чином: від валу I на вал IV передаються дві швидкості, від валу IV за допомогою потрійного рухомого блоку зубчастих коліс на вал V передається шість швидкостей.
Від валу V за допомогою подвійного блоку зубчастих коліс шпиндель VII отримує 12 швидкостей правого та 12 швидкостей лівого обертання (табл. 7).
Від електродвигуна потужністю 14 кВт за допомогою шківів діаметром 152 і 253 мм і клинопасової передачі з шістьма клиновими ременями обертання передається валу I. Від валу I при включенні муфти М1 вправо шпиндель отримує через зубчасті колеса 3 і 7 праве обертання. При включенні муфти М1 вліво шпиндель А отримує через зубчасті колеса 2, 1 і 6 ліве обертання.
Перебір перемикається двома муфтами від гідроциліндра МОЗ, які переміщуються одночасно. При переміщенні блоку муфта права муфта своїми кулачками зчіпляється з кулачками зубчастого колеса 5, а ліва муфта знаходиться у вільному положенні. У цей час обертання від валу I передається валу V через зубчасті колеса 3, 7, 9, 5, 4, 8 та 13.
При переміщенні блоку муфт вліво ліва муфта гідроциліндра своїми кулачками зчіпляється з кулачками зубчастого колеса 8. Обертання валу V передається через зубчасті колеса 3, 7, 8 і 13, минаючи вал IV, при цьому права муфта гідроциліндра знаходиться у вільному.
Від валу V при зачепленні одного із зубчастих коліс 12, 11 або 10, що сидять нерухомо на цьому валу, з одним із зубчастих коліс 14, 15 або 16 потрійного рухомого блоку обертання передається валу VI. Від вала VI зубчастими колесами 17 і 20 або 18 і 21 залежно від того, яка пара зубчастих коліс включена, за допомогою кулачкової муфти М3 обертання передається шпинделю VII. З вищевикладеного видно, що від коробки швидкостей на шпиндель VII передається 12 швидкостей правого обертання і 12 швидкостей лівого обертання.
Переміщення супортів здійснюється передачею обертання від зубчастого колеса 19, закріпленого нерухомо на шпинделі VII, зубчастого колеса 22, закріпленого на валу VIII. Далі через рухомий блок, що складається з зубчастих коліс 23 і 24, які зчіплюються з зубчастими колесами 25 і 26, закріпленими нерухомо на валу IX, обертання передається зубчастими колесами 27, 28, 29 і 30 зубчастому колесу 31, вільно сидить . Зубчасте колесо 31 зубчастої муфти М5 передає обертання валу, що знаходиться всередині вала XII.
На правому кінці внутрішнього валу укріплена зубчаста муфта, що передає за допомогою шліців обертання порожнистого валу. Від валу XII обертання передається на поперечний суппорт та револьверну головку, що мають по дев'ять подач.
На поперечний суппорт рух передається закріпленими нерухомо на підлогу валу XII зубчастими колесами 32, 33 і 34, від яких отримує обертання рухомий блок, що складається з зубчастих коліс 35, 36 і 37, що сидить на валу XIII. Від валу XIII зубчастими колесами 38, 39 і 40, нерухомо закріпленими на ньому, обертання передається рухомому блоку, що складається з зубчастих коліс 41, 42 і 43, що сидить на валу XIV. Вал XIV з'єднаний запобіжною муфтою з ходовим валом та механізмом подач фартуха поперечного супорта.
На револьверну головку рух передається від валу XVII блоком, що складається із зубчастих коліс 47, 48 і 49, що сидить на валу рухомо. Від валу XVII закріпленими на ньому зубчастими колесами 50, 51 і 52 обертання передається рухомому блоку, що складається із зубчастих коліс 44, 45 і 46, що рухомо сидить на валу XVI, який з'єднаний запобіжною муфтою з ходовим валом фартуха револьверної головки.
Рухомий блок зубчастих коліс 23 і 24, що знаходиться на валу XIII, збільшує число подач пеперкового супорта і супорта револьверної головки до 18. Однак частина швидкостей збігається, і фактично може бути отримано для поперечного супорта 13 поздовжніх і 11 поперечних подач, для револьверного подач (табл. 8).
Механізм подач фартухів поперечного супорта та револьверної головки складається з реверсу, призначеного для зміни напрямку подач, кулачкових муфт, службовців для увімкнення подач, механізмів перетворення обертального руху в поступальне.
Рух фартуха поперечного супорта здійснюється від ходового валу XIV за допомогою блока зубчастих коліс 55 і 56, ковзає його по ходовому валу на рухомій напрямній шпонці, і далі за допомогою зубчастого колеса 62 передається валу XIX. Залежно від положення пересувного зубчастого колеса 62 вал XIX отримує пряме обертання безпосередньо від зубчастих коліс 55 і 62 або зворотне обертання через паразитне зубчасте колесо 61. Вал XIX передає обертання через черв'ячну передачу 60-59 зубчастим колесам 67-63, вільно сидить на та ЛХК.
Для сполучення супорту поздовжньої подачі рукояткою 12 (див. рис. 36) включають муфту М2. У цей час обертання від черв'ячного колеса 59 передається зубчастим колесам 72, 66 і через вал XX рейкового зубчастого колеса 54, яке знаходиться в зачепленні з закріпленою нерухомою на станині станка рейкою.
Для повідомлення супорту поперечної подачі рукояткою 17 (див. рис. 36) включають муфту M3, яка передає обертання від черв'ячного колеса 59 зубчастим колесам 67, 63, 73, 68 і 69, від яких валом XXI обертання передається поперечному двозахідному гвинту.
Рух фартуха револьверної головки здійснюється від ходового валу XVI за допомогою зубчастого колеса 86, ковзає його по валу XVI на рухомій напрямній шпонці, і далі через зубчасті колеса 80, 79 і 78, 93 (при зворотному напрямку подачі через зубчасті колеса 78—93) XXVI. Вал XXVI через черв'ячну передачу 85—84, кулачкову муфту М4, зубчасті колеса 90, 89 і вал XXIII передає обертання зубчастому колесу 76, яке знаходиться у зачепленні із зубчастою рейкою.
Допоміжні рухи — прискорене переміщення супорта та револьверної головки — виробляються від електродвигуна потужністю N = 17 кВт із частотою обертання валу 1400 об/хв. Обертання від електродвигуна передається зубчастими колесами 96—95 валу XVII і черв'ячній парі 94—97. Від черв'ячного колеса 97 обертання передається валу XVIII, ланцюговій передачі 98—99 і валу XV, що має запобіжну муфту.
Далі ланцюг швидких рухів розходиться на дві однакові ланцюги, одна з яких, поміщена у фартуху поперечного супорта, складається із зубчастих коліс 53-64, реверсу, що складається з конічних зубчастих коліс 57, 65 і 58, і зубчастої муфти. При включенні реверсу обертання передається зубчастими колесами 64-70 або 70, 71, 66 і за допомогою валу XX і зубчастого колеса 54 швидко переміщують поздовжній супорт. Інша ланка швидкого переміщення знаходиться у фартуху револьверної головки.
Цегла складається із зубчастих коліс 77—81, реверсу (конічні зубчасті колеса 82—88—83) та зубчастого колеса 87.
Ручне поздовжнє переміщення поперечного супорта здійснюється штурвалом 10 (див. рис. 36), який за допомогою вала XXVII, зубчастих коліс 71, 66 і вала XX переміщує зубчасте колесо 54, яке зчіплюється із зубчастою рейкою і переміщує супорт. Ручне переміщення револьверного супорта здійснюється штурвалом 22 (див. рис. 36), який за допомогою зубчастих коліс 92-91-90-89, вала XXIII і зубчастого колеса 76, що зчіпається із зубчастою рейкою, переміщує револьверний супорт.
Поперечне переміщення поперечного супорта вручну здійснюється маховиком 14 (рис. 36), який безпосередньо обертає гвинт на валу XXI з кроком t = 10 мм, що переміщає гайку з супортом у поперечному напрямку.
Поворот револьверної головки виробляють лише вручну. Одночасно з поворотом револьверної головки через зубчасті конічні колеса 74 та 75 повертається закріплений на валу XXI барабан поздовжніх упорів.
Токарно-револьверні станки мають револьверний суппорт із вертикальною віссю револьверної головки. Поперечний суппорт мостового типу з передньою чотиригранною головкою та заднім різцетримачем на один різець. У спеціальному різцетримачі можна встановлювати кілька різців.
Компонування вузлів загальноприйняте для цього типорозміру універсальних револьверних станків.
Все керування коробки швидкостей і коробки подач гідравлическое. Выбор чисел оборотів шпинделя і величин подач на всех моделях преселективный. Переключення чисел оборотів шпинделя і величин подач происходит при медленном провороте шестерен.
Станина 6 має жорстку конструкцію та широкі плоскі напрямні для руху супортів. Монтується вона двома тумбами. У лівій тумбі розміщено електродвигун приводу головного руху. Задня стінка станини має два вікна для вільного виходу стружки. До станини прикріплено корито 22 і два бачки: один для емульсії, другий для олії гідроприводу.
В передньої бабке 5 расположены шпиндель і коробка швидкостей.
Коробка швидкостей кріпиться на лівій частині станини. Пряме і зворотне обертання шпинделя здійснюється включенням багатодискової фрикційної муфти, гальмування шпинделя - багатодисковим гальмом за допомогою гідроциліндрів.
Шпиндель має високу жорсткість та великий діаметр отвору 85 мм.
Число оборотів шпинделя змінюється натисканням на важіль перемикання при шпинделі, що не обертається.
Револьверний суппорт 15 служить для переміщення у поздовжньому напрямку шестигранної револьверної головки 13.
Нижні санки мають велику опорну поверхню і охоплюють передню напрямну станини. Наявність регульованих притискних планок та кліньїв гарантує від перекосів та заклинювання санок на верстаті. Нижні санки спеціальним затиском можуть бути закріплені на станині.
Фартух револьверного супорта відрізняється від фартуха поперечного супорта відсутністю передачі і падаючої рукоятки для поперечного руху.
Револьверний суппорт має шестигранну револьверну головку з вертикальною віссю, встановлену на конічному роликовому підшипнику. Фіксація звичайна за допомогою пальця. Головка кріпиться хомутом із ексцентриковим затискачем. Повертають револьверну головку вручну. Виведення фіксатора і віджимання хомута здійснюється однією рукояткою. Поздовжні санки револьверного супорта жорсткої конструкції охоплюють направляючі станини так само, як санки поперечного супорта, і мають затискач, що закріплює санки на станині.
Для автоматичного виключення поздовжньої подачі имеется барабан з шестью переставными упорами. Барабан поворачивается одновременно з поворотом револьверної головки.
Поперечний суппорт 11 має передній чотиримісний швидкоповоротний і знімний задній різцетримач. У різцетримач можна встановлювати різці або спеціальні багаторізцеві державки для різців. Автоматичне вимкнення поперечного руху санок супорта проводиться упором.
Поперечний суппорт мостового типу твердої конструкції. Поперечні санки мають передню і задню площини з Т-подібними пазами. На обох площинах можна встановлювати як нормальний чотиригранний поворотний різцетримач, так і спеціальні різцетримачі для багаторізцевих налагодок. Ходовий гвинт забезпечений надійним кріпленням, що оберігає від повороту.
Фартух поперечного супорта служить передачі руху супорту від ходового валу, і навіть передачі йому поздовжнього прискореного ходу в обидві сторони від валу прискореного ходу. Поздовжня, поперечна подачі можуть бути як ручні — від механізмів, так і автоматичні, що включаються рукоятками, що падають. Фартух має реверс подач. Є блокувальне пристрій, що запобігає одночасному увімкненню поздовжньої подачі та поздовжнього прискореного ходу.
Коробка передач служить для передачі обертання від коробки швидкостей до коробки подач, а для станка 1П371 — також для отримання прискореного ходу супортів та повільного провороту шестерень коробки швидкостей, де прискорений хід та повільний проворот шестерень забезпечуються передачею обертання від приймального валу коробки швидкостей через клин. Механізм повільного провороту шестерень у коробці швидкостей для 1П365 підключений до гідравлічної схеми станка.
Коробка подач 3 має механізми, що дозволяють включати будь-яку з 18 подач револьверного та поперечного супортів.
Коробка подач служить для сполучення супортів різних величі подач. Керування коробкою подач гідравлічне з преселективною установкою подач.
Для можливості роботи супортів з оптимальними режимами подачі кожного з них встановлюються незалежно один від одного.
Гідропривід призначений для перемикання частот обертання шпинделя та подач супортів, а також для примусового, централізованого змащення верстата.
Гідравлічна система верстата обеспечивает керування коробками швидкостей і подач, а также централизованную смазку (см. раздел «Смазка верстата»).
Управляют гідромеханізмами верстатів 1П365 рычагами і маховиками.
Бак для охолоджуючої рідини приварений до корита з правого боку верстата. Охолодна рідина подається електронасосом до шпинделя коробки швидкостей. Включають насос із електропульта, розташованого на коробці швидкостей.
Охолоджуюча рідина подається на ріжучі інструменти електронасосом 20 шлангу 10.
За спеціальним замовленням завод виготовляє додатковий вузол охолодження револьверну головку. В цьому випадку охолодна рідина подається до револьверного супорту через гумовий шланг і надходить до тієї грані, яка розташовується навпроти шпинделя. На кожній грані є краник, що перекриває подачу рідини, що охолоджує. Передбачена можливість підведення охолоджувальної рідини через отвір у тілі інструменту.
У шафі 17 розташоване електрообладнання верстата. Перемикачем 18 Верстат вмикається в електричну мережу.
Головний електродвигун включається та вимикається кнопками «пуск» та «стоп» станції 4.
Для разборки коробки швидкостей снимите крышку коробки, в которой расположено гідравлическое керування.
Для демонтажу валу з фрикційними муфтами і валу з гальмом зніміть праву кришку, шків, розберіть вісь, на якій насаджена вилка, розберіть вилку, що управляє муфтами прямого та зворотного обертання шпинделя, від'єднайте великі шестерні. Демонтувати вали (як і монтувати) можна у зібраному вигляді.
При розбиранні шпинделя та його підшибників (після того як будуть зняті гайки у підшибників і вивернути стопорний гвинт) для витягування шпинделя використовуйте поздовжній хід револьверного супорта; при цьому шпиндель з'єднайте з револьверною головкою.
Для демонтажу коробки подач у зібраному вигляді, зняття гідравлічного керування коробкою подач є спеціальні різьбові отвори під рим-болти. Для зняття корпусу коробки з гідравлічним керуванням зміщуйте коробку лише у горизонтальному напрямку (на себе), щоб не допустити поломки виделок. Усі вали та шестерні коробки подач можна розбирати без зняття корпусу коробки зі станини.
Розбирайте кришки фартухів після зняття падаючих рукояток. Рукоятки зрушайте з осей у горизонтальному напрямку (на себе). Розбирати більшість деталей фартухів можна не відокремлюючи корпус фартуха від супорта.
Для зняття супорта поперечного зі станини поперечні санки посуньте до відмови вперед, виверніть гвинти кріплення передніх і задніх планок направляючих, від'єднайте суппорт від фартуха. Щоб не погнути ходові валики, підведіть під фартух підставку. Піднімайте суппорт лише вгору.
Пристрій для захисту направляючих складається з протектора, в якому розташовується пружний скребок і повстяний очисник. Для збільшення терміну служби направляючих через кожні 3...4 місяців заміняйте та промивайте повстяний очисник.
Необхідність у капітальному ремонтi визначається появою зносу направляючих станини, що супроводжується неприпустимими похибками при обробці деталей (конусність, бочкоподібність, сідлоподібність, овальність). Розмір зносу направляючих станини залежить від характеру виконуваної роботи: для чистових робіт її вважатимуться орієнтовно рівної 0,2... 0,3 мм, для чорнових робіт 0,4...0,7 мм. При капітальному ремонті станок розбирайте відповідно до вказівок розділу «Розбірка».
Зношування направляючих станини усувайте шліфуванням робочих площин на поздовжньо-шліфувальному верстаті відповідно до норм точності за ГОСТ 17—70 (перевірки 1, 2). Каретки обох супортів пришабріть до прошліфованих напрямних станини. Площину прилягання кареток до напрямних станини перевірте щупом 0,04 мм по всьому доступному для контролю контуру; при цьому щуп не повинен заходити повністю між сполученими поверхнями. «Закушування» щупа з торців на глибину до 20 мм допускається лише на окремих ділянках. При перевірці на фарбу несучі плями повинні бути рівномірно розподілені по площині.
Під час складання перешабруйте місця сполучення фартухів з каретками. При значному зносі направляючих станини перешліфуйте всю нижню площину кареток і пришабріть фартухи до кареток; при цьому для фартуха поперечного супорта виготовте нову шестерню 82 (див. рис. 13, 14), зменшену на потрібну величину.
Притискні планки, що служать для усунення зазорів у горизонтальній площині направляючих, повинні щільно прилягати до площин ковзання (перевірте так само, як і сполучення станини з кареткою).
Верхню каретку поперечного супорта після ремонту відрегулюйте так, щоб переміщення її було плавним, без заїдань та ривків із додатком до рукоятки маховичка постійного зусилля не більше 58,8 N.
Складанням і регулюванням механізму затискання та розтискання хомута револьверної головки супорта забезпечте вільний поворот її на наступну позицію. У розтисненому положенні хомут повинен підпиратися кулькою діаметром 8 мм, не торкаючись конічної поверхні револьверної головки. Механізм виведення фіксатора та розтискання хомута має працювати без заїдань. Під час перевірки затискача хомутом прикладіть зусилля до штанги для станка 1П365 980 N, для станка 1П371 1176 N з плечем 1300 і 1000 мм відповідно. Штангу вставляйте у револьверну головку при виведеному фіксаторі; при цьому револьверна головка не повинна повертатися.
Встановлення коробки швидкостей перевірте за геометричною формою зразка при обробці за ГОСТ 17-70. У разі відхилення від норм перешабрить горизонтальні та вертикальні платики на станині під коробку швидкостей.
Майте на увазі, що при установці коробки передач бічний зазор між її шестернями 33, 43 та шестернями 34 (див. рис. 13), 47 (див. рис. 14) коробки подач повинен бути 0,2...0,3 mm .
Щоб осі отворів для інструментів у револьверній головці в робочому положенні збігалися з віссю шпинделя, розточіть заново кожне з шести отворів головки до діаметру 107 mm (140 mm), запресуйте в нього втулку з отвором 85 mm (115 mm), потім 95А (125А) співвісно зі шпинделем. Для розточування використовуйте пристрій, встановлений на шпинделі.

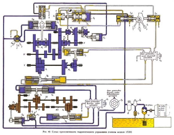
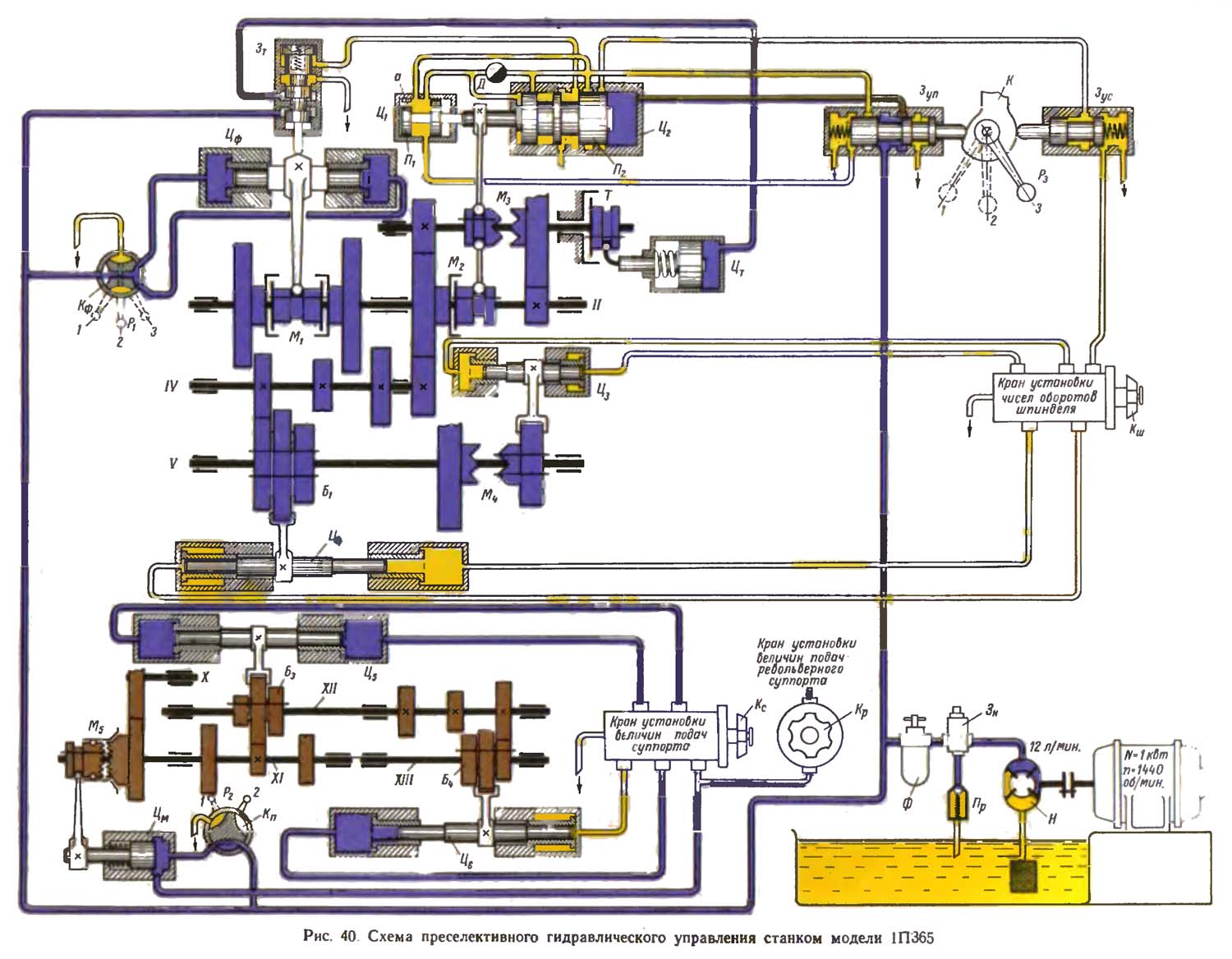
Гідравлічна схема токарного верстата 1п365
Масло в систему подается насосом Н, проходит через напорный золотник 3н фильтр Ф і поступает в кран Кп керування подачами, в кран Кф керування фрікционуми, к золотнику 3т тормоза і золотнику Зуп керування перебором.
У середньому положенні 2 крана Кф масло надходить в обидві порожнини циліндра Цф перемикання фрикціонів і змушує муфту М1 стати в нейтральне положення.
Якщо рукоятку Р1 крана Кф поставити в положення 1. то масло під тиском надходитиме лише у праву порожнину циліндра Цф, що змусить шток зі вилкою переміститися вліво і забезпечить увімкнення фрикціону зворотного ходу. Для увімкнення прямого обертання шпинделя рукоятку P1 крана Кф ставлять у положення 3. У цьому випадку масло надходить у ліву порожнину циліндра Цф, а з правої порожнини йде на злив.
У нейтральному положенні фрикціонів вилка перемикання своїм виступом піднімає золотник Зт гальма, і масло з магістралі через канавки золотника надходить у праву порожнину гальмівного циліндра Цт, змушуючи поршень зі штоком переміститися вліво і включити дискове гальмо Т.
При включенні фрикціонів вилка звільняє золотник Зт і останній під дією пружини переміщається до нижнього крайнього положення. У цьому випадку порожнина гальмівного циліндра відключається від напірної магістралі і з'єднується зі зливом. Гальмо Т під дією пружини вимикається.
Переключення швидкостей провадиться робочими циліндрами. У коробці швидкостей потрійний блок шестерень Б1 перекладається циліндром Ц4, а кулачкова муфта М керується циліндром Цз. Переключення швидкостей здійснюється рукояткою Р3. пов'язаної з кулачком К. Останній впливає на золотник Зус керування швидкостями і золотник Зуп керування перебором.
У наведеному на схемі положенні перебір включений на високий ряд чисел оборотів шпинделя. Робочі циліндри Ц3 і Ц4 закінчили перемикання швидкостей і всі порожнини з'єднані зі зливом.
Для переходу на низький ряд чисел оборотів шпинделя рукоятка Р3 встановлюється в середнє положення 2. У цьому випадку, як видно з профілю кулачка К, положення штока золотника 3уг залишається незмінним, а шток золотника Зул зміщується вліво. Права порожнина циліндра Ц2 через праву виточку штока золотника Зуп з'єднується зі зливом, а масло з напірної магістралі через ліву виточку золотника Зуп піде в ліві порожнини циліндрів Ц1 і Ц2, причому в ліву порожнину циліндра Ц1 масло надійде через центральну виточку поршня П1 і а в ліву порожнину циліндра Ц2- вже через циліндр Ц1. Спочатку переміщення поршнів П1 і П2 на шляху в 5 мм у період виключення муфти М2 відбувається швидко. Потім поршень П1 перекриє канал вільної подачі масла і воно надходитиме в ліві порожнини циліндрів тільки через дросель Д. Переміщення поршня П2 стане повільним. Одночасно поршень П2 відкриє напірний канал, звідки олія через виточення циліндра надійде в задню порожнину золотника Зт гальма і включить гальмо. Гальмування приводу відбуватиметься протягом проходження поршнем П2 шляху, що дорівнює 14 мм. Цей час може бути відрегульований дроселем Д. При подальшому переміщенні поршня П2 відкриється канал, що зв'язує ліву порожнину циліндра Ц2 із напірною магістраллю і переміщення поршня знову стане швидким. Одночасно канал від золотника Зт гальма з'єднається через ліву виточку поршня П2 зі зливом і привід розгальмується. Після цього відбудеться увімкнення муфти М3 перебору.
При переході з низького ряду чисел оборотів шпинделя на високий гальмування приводу не відбувається, тому що в цьому випадку, як показано на схемі, права порожнина циліндра Ц2 через ліву виточку штока золотника 3уп безпосередньо з'єднується з напірною магістраллю і на всьому шляху переміщення поршня П2 задню порожнину золотника Зт гальма не надходить.
Для увімкнення необхідної швидкості обертання шпинделя після встановлення крана Кш у відповідне положення рукоятку Рз переводять у положення 1. При цьому кулачок К перемістить шток золотника Зуг у праве положення, а шток золотника 3уп у ліве положення, що призведе до перемикання перебору на низький ряд чи , і поршень П2 займе крайнє праве становище. Тоді олія через ліву виточку штока золотника Зуп і праву виточку поршня П2 надійде в золотник Зуг і далі через виточення його штока — у кран установки чисел оборотів шпинделя. З крана олія попрямує у відповідні порожнини робочих циліндрів Ц3 і Ц4, виробляючи необхідний перемикання шестерень.
Для увімкнення необхідної величини подачі спочатку встановлюють у потрібне положення крани Кс і Кр, а потім ручку Р2 переводять у позицію 2. Олія з магістралі через кран Кп надійде в порожнину циліндра Цм і вимкне в ланцюзі подач синхронну дрібнозубчасту муфту M5. Через канал, що відкрився, масло з циліндра Цм піде в крани Кс і Кр і далі у відповідні порожнини робочих циліндрів, завдяки чому здійсняться необхідні перемикання блоків шестерень коробки подач. Після закінчення перемикання рукоятка Р2 повертається в положення 1. Порожнина циліндра Цм з'єднується краном Кп зі зливом, а пружина циліндра включає синхронну муфту М5.
| Найменування параметру | 1E365BP | 1P365 | 1P371 |
|---|---|---|---|
| Основні параметри верстата | |||
| Класс точності по ГОСТ 8-82 | Н, П (1Е365БП) | Н | Н |
| Найбільший діаметр виробу, що обробляється, над станиною, мм. | 500 | 500 | 630 |
| Найбільший діаметр виробу, що обробляється, над поперечним супортом, мм. | 330 | 320 | 420 |
| Висота центрів, мм | 250 | 250 | 315 |
| Відстань від торця шпинделя до револьверної головки, мм | 270..1000 | 275..1000 | 320..1400 |
| Шпиндель | |||
| Діаметр отвору в шпинделі, мм | 80 | 80 | 125 |
| Діаметр прутка, що обробляється, затискається в трубі, що подає (пруткове виконання), мм | 65 | ||
| Діаметр прутка, що обробляється при передньому затиску (пруткове виконання), мм | 80 | ||
| Діаметр затискного патрона, мм | 250 | ||
| Кількість робочих швидкостей шпинделя | 13 | 12 | 12 |
| Пределы чисел оборотів шпинделя, об/мин | 24..1500 2 діапазони |
34..1500 | 20..893 |
| Межі чисел оборотів шпинделя (зворотне обертання), об/хв | 67 | 34..1500 | 19..818 |
| Кінець шпинделя фланцевий згідно з ГОСТ 12595-72 | 1-8C | 1-8C | 1-8C |
| Найбільший момент, що крутить, на шпинделі не менше, Нм (кг*м) | 123 | 260 | |
| Револьверний суппорт | |||
| Количество инструментов в револьверній головці | 6 | 6 | 6 |
| Диаметр отверстия под инструмент в револьверній головці, мм | 95H7 | 95H7 | 125Н7 |
| Найбільше поздовжнє переміщення револьверного супорта, мм | 730 | 725 | 1080 |
| Кількість ступенів подач | 13 | 13 | 13 |
| Діапазон швидкостей поздовжніх подач револьверного супорта, I ряд, мм/об (число подач) | 0,05..0,80 (9) | 0,09..1,35 (9) | 0,09..1,35 (9) |
| Діапазон швидкостей поздовжніх подач револьверного супорта, II ряд, мм/об (число подач) | 0,10..1,60 (9) | 0,18..2,70 (9) | 0,18..2,70 (9) |
| Діапазон швидкостей поздовжніх подач револьверного супорта, III ряд, мм/об (число подач) | 0,20..3,20 | - | - |
| Скорость швидкого продольного переміщення револьверного суппорта, м/мин | 7,5 | 6 | 6 |
| Число упорів револьверного супорта | 6 | 6 | 6 |
| Переміщення на один поділ лімба, мм | 0,2 | 0,2 | 0,2 |
| Переміщення на один оберт лімба, мм | 45 | 45 | 45 |
| Поперечний супорт | |||
| Кількість різців у різцетримачі | 4 | 4 | 4 |
| Кількість різців у задньому різцетримачі | 1 | 1 | ні |
| Найбільше переміщення поперечного супорта поздовжнє/поперечне, мм | 730/310 | 725/310 | 1080/410 |
| Кількість щаблів поздовжніх подач поперечного супорта | 13 | 12 | 12 |
| Діапазон швидкостей поздовжніх подач револьверного супорта, I ряд, мм/об (число подач) | 0,05..0,80 (9) | 0,09..1,35 (9) | 0,09..1,35 (9) |
| Діапазон швидкостей поздовжніх подач револьверного супорта, II ряд, мм/об (число подач) | 0,10..1,60 (9) | 0,18..2,70 (9) | 0,18..2,70 (9) |
| Діапазон швидкостей поздовжніх подач револьверного супорта, III ряд, мм/об (число подач) | 0,20..3,20 | - | - |
| Кількість щаблів поперечних подач поперечного супорта | 13 | 12 | 12 |
| Діапазон швидкостей поперечних подач поперечного супорта, I ряд, мм/про | 0,025..0,40 | 0,045..0,7 | 0,045..0,7 |
| Діапазон швидкостей поперечних подач поперечного супорта, II ряд, мм/про | 0,05..0,80 | 0,09..1,35 | 0,09..1,35 |
| Діапазон швидкостей поперечних подач поперечного супорта, III ряд, мм/про | 0,10..1,60 | - | - |
| Швидкість швидкого поздовжнього переміщення супорту, м/хв. | 7,5 | 6 | 6 |
| Швидкість швидкого поперечного переміщення супорту, м/хв. | 3,5 | - | - |
| Число упорів поздовжнього переміщення | 5 | 5 | 5 |
| Число упорів поперечного переміщення | 2 | 2 | 2 |
| Переміщення на один поділ лімба поздовжнє/поперечне, мм | 0,2/ 0,05 | 0,2/ 0,05 | 0,2/ 0,05 |
| Переміщення на один оберт лімба поздовжнє/поперечне, мм | 45/ 4 | 45/10 | 45/10 |
| Електроустаткування верстата | |||
| Кількість електродвигунів на верстаті, кВт (об/хв) | 3 | 2 | 3 |
| Електродвигун головного приводу, кВт (об/хв) | 15 (1465) | 13 (1450) | 22 (1460) |
| Електродвигун гідроприводу, кВт (об/хв) | 2,2 (1430) | - | 1,5 (930) |
| Електродвигун насоса охолодження, кВт (об/хв) | 0,125 (2800) | 0,125 (2800) | 0,125 (2800) |
| Габарити та маса верстата | |||
| Габаритні розміри верстата (довжина, ширина, висота), мм | 4400 х 1525 х 1800 | 3430 х 1500 х 1655 | 4230 х 1850 х 1680 |
| Маса верстата, кг | 5200 | 3900 | 6300 |