Розробник та виробник токарно-гвинторізного верстата 16Е20 - Алма-Атинський верстатобудівний завод , заснований у 1932 році як чавуноливарний завод №1 обласного відділу легкої промисловості.
З квітня 1942 після об'єднання з ливарно-механічним заводом "20 років Жовтня", евакуйованим з Луганська, став називатися Алма-Атинським механічним заводом N21 ім. 20-річчя Жовтня Наркомату середнього машинобудування СРСР.
1945 року перейменований на Алма-Атинський верстатобудівний завод ім. 20-річчя Жовтня.
Завод выпускал верстати токарно-винторезные: 16Д20, 16Д20П, 16Д20ПФ1, ТВ16, 16Д25, 1Д95, 1Е95, 1М95, 16Е20.
Токарний верстат 16Е20 сконструйований на основі базової моделі 1Е95 з високим ступенем уніфікації функціональних вузлів та деталей.
Токарно-гвинторізний верстат 16Е20 призначений для виконання різних токарних робіт і нарізування метричної, модульної, дюймової та різьб. Оброблювані деталі встановлюються у центрах чи патроні.
Багато вузлів верстата 16е20 запозичені у верстата моделі 1Е95. За всіма якісними показниками (продуктивності, точності, довговічності, надійності, зручності обслуговування, безпеки роботи тощо) перевершує верстат моделі 1Е95. Жорстка коробчата форми станина з гартованими шліфованими напрямними встановлена на монолітній основі.
Жорстка коробчатої форми станина з гартованими шліфованими напрямними встановлена на монолітній основі, одночасно службовим стружкозбірником і резервуаром для охолоджувальної рідини.
Механізм шпиндельної бабки верстата дозволяє отримати 4 ряди чисел оборотів шпинделя: два ряди з межами 12 40 і 50 160 об/хв, при включених переборах 1:32 і 1:8 і два ряди з межами 200 630 і 500 1600, :2 та 1,25:1. У цьому випадку перебори 1:32 та 1:8 вимикаються.
Шпиндель із фланцевим переднім кінцем змонтований у прецизійних підшипниках кочення, що не потребують регулювання в процесі експлуатації.
Вихідний вал шпиндельної бабки через змінні зубчасті колеса з'єднаний із коробкою подач.
Коробка подач ( 16Б20п.070 покупна) забезпечує переміщення супорта в широкому діапазоні подач від ходового валу при точенні і від ходового втиску при нарізанні різьблення. Для нарізування різьблення передбачено безпосереднє з'єднання ходового ггвинта з вхідним валом коробки подач.
Фартух верстата ( 16Б20п.061 покупний) забезпечений оригінальним механізмом вимикання подачі супорта, що забезпечує високу точність зупинки на жорсткому упорі. Комплекс огороджувальних та блокувальних пристроїв гарантує безпеку роботи на верстаті.
На супорті є масштабні лінійки з візирами для зручності визначення величини переміщення різцевих та поперечних санок у процесі роботи. Нова конструкція різцетримача покращує стабільність фіксації.
Найбільш доцільно використовувати верстат в інструментальних та ремонтних службах в умовах дрібносерійного та одиничного виробництва на чистових та напівчистових роботах.
Клас точності верстата Н. При чистовій обробці деталей із конструкційних сталей шорсткість обробленої поверхні V6б.
Відхилення від циліндричності 7 мкм, конусності 20 мкм на довжині 300 мм, відхилення від прямолінійності торцевої поверхні діаметром 300 мм — 16 мкм.
1 - токарний верстат (номер групи за класифікацією ЕНІМС)
6 – токарно-гвинторізний верстат (номер підгрупи за класифікацією ЕНІМС)
E – покоління машини або позначення заводу-виробника:
20 – висота центрів над станиною (220 мм)
Літери наприкінці позначення моделі:
Г – виконання верстата з виїмкою у станині
К – виконання верстата з гідрокопіювальним пристроєм
М – виконання верстата для серійного виробництва з гідрокопіювальним пристроєм
П – виконання верстата з підвищеною точністю за ГОСТ 8-82
В - виконання верстата з високою точністю за ГОСТ 8-82
Ф1 – виконання верстата із пристроєм цифрової індикації УЦІ
Ф3 – виконання верстата із системою ЧПУ

Габарити робочого простору токарного верстата 16е20

Шпиндель токарно-гвинторізного верстата 16е20

Фото токарно-гвинторізного верстата 16е20

Фото токарно-гвинторізного верстата 16е20

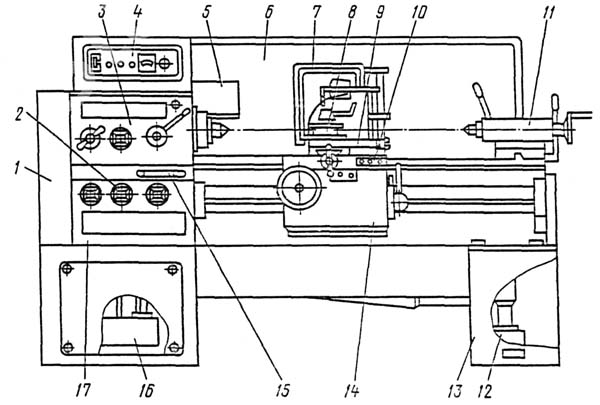
Розташування основних вузлів токарно-гвинторізного верстата 16е20

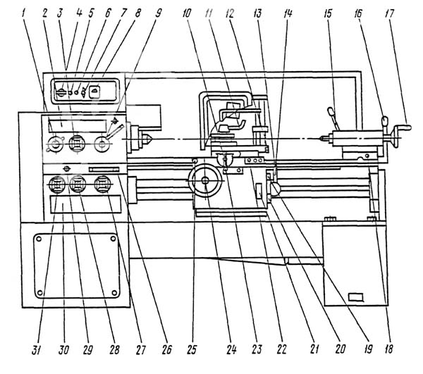
Розташування органів керування токарно-гвинторізним верстатом 16е20
| Найменування параметру | 16K20 | 16E20 |
|---|---|---|
| Основні параметри верстата | ||
| Клас точності згідно з ГОСТ 8-82 | Н | Н |
| Найбільший діаметр заготовки, що встановлюється над станиною, мм. | 400 | 400 |
| Высота оси центров над плоскими направляющими станины, мм | 215 | 215 |
| Наибольший диаметр заготовки обрабатываемой над суппортом, мм | 220 | 210 |
| Наибольшая длина детали, устанавливаемой в центрах (РМЦ), мм | 710, 1000, 1400, 2000 |
1000 |
| Наибольшее расстояние от оси центров до кромки резцедержателя, мм | 225 | 225 |
| Наибольший диаметр сверла при сверлении стальных деталей, мм | 25 | 25 |
| Наибольшая масса детали, обрабатываемой в центрах, кг | 460..1300 | 460..1300 |
| Наибольшая масса детали, обрабатываемой в патроне, кг | 200 | 200 |
| Шпиндель | ||
| Диаметр отверстия в шпинделе, мм | 52 | 52 |
| Наибольший диаметр прутка, проходящий через отверстие в шпинделе, мм | 50 | 50 |
| Частота обертання шпинделя, об/мин | 12,5..1600 | 20..1600 |
| Количество прямых швидкостей шпинделя | 22 | 16 |
| Количество обратных швидкостей шпинделя | 12 | 16 |
| Кінець шпинделя по ГОСТ 12593-72 | 6К | 6К |
| Коническое отверстие шпинделя по ГОСТ 2847-67 | Морзе 6 | Морзе 6 |
| Диаметр фланца шпинделя, мм | 170 | 170 |
| Наибольший крутящий момент на шпинделе, Нм | 960 | |
| Суппорт. Подачи | ||
| Наибольшая длина продольного переміщення суппорта (каретки), мм | 645, 935, 1335, 1935 | 950 |
| Наибольшая длина поперечного переміщення суппорта, мм | 300 | 275 |
| Скорость быстрых продольных перемещений, мм/мин | 3800 | 3800 |
| Скорость быстрых поперечных перемещений, мм/мин | 1900 | 1900 |
| Максимально допустимая скорость перемещений при работе по упорам, мм/мин | 250 | |
| Минимально допустимая скорость переміщення каретки (суппорта), мм/мин | 10 | |
| Цена деления лимба продольного переміщення, мм | 1 | 1 |
| Цена деления лимба поперечного переміщення, мм | 0,05 | 0,05 |
| Диапазон продольных подач, мм/об | 0,05..2,8 | 0,03..4,21 |
| Диапазон поперечных подач, мм/об | 0,025..1,4 | 0,015..2,1 |
| Количество подач продольных | 42 | 48 |
| Количество подач поперечных | 42 | 48 |
| Количество нарезаемых різьб - метрических | 26 | |
| Количество нарезаемых різьб - модульных | 22 | |
| Количество нарезаемых різьб - дюймовых | 39 | |
| Количество нарезаемых різьб - питчевых | 32 | |
| Пределы шагов метрических резьб, мм | 0,5..112 | 0,5..56 |
| Пределы шагов дюймовых резьб, ниток/дюйм | 56..0,5 | 56..0,5 |
| Пределы шагов модульных резьб, модуль | 0,5..112 | 0,5..28 |
| Пределы шагов питчевых резьб, питч диаметральный | 56..0,5 | 56..2,0 |
| Наибольшее усилие, допускаемое механізмом подач на резце - продольное, Н | 5884 | |
| Наибольшее усилие, допускаемое механізмом подач на резце - поперечное, Н | 3530 | |
| Резцовые салазки | ||
| Наибольшая длина переміщення резцовых салазок, мм | 150 | 130 |
| Перемещение резцовых салазок на одно деление лимба, мм | 0,05 | 0,05 |
| Шкала угла поворота резцовых салазок, град | ±90° | ±90° |
| Цена деления шкалы поворота резцовых салазок, град | 1° | 1° |
| Наибольшее сечение державки резца, мм | 25 х 25 | 25 х 25 |
| Высота от опорной поверхности резца до оси центров (высота резца), мм | 25 | 25 |
| Число резцов в резцовой головке | 4 | 4 |
| Задня бабка | ||
| Диаметр пиноли, мм | ||
| Конус отверстия пиноли задньої бабки по ГОСТ 2847-67 | Морзе 5 | Морзе 5 |
| Наибольшее перемещение пиноли, мм | 150 | 120 |
| Перемещение пиноли на одно деление лимба, мм | 0,1 | 0,1 |
| Величина поперечного смещения корпуса бабки, мм | ±15 | ±15 |
| Електроустаткування | ||
| Електродвигун головного привода, кВт | 11 | 5,5 |
| Електродвигун приводу быстрых перемещений, кВт | 0,12 | 0,55 |
| Електродвигун насоса СОЖ, кВт | 0,125 | 0,125 |
| Електродвигун шлифовального приспособления, кВт | нет | 0,27 |
| Електродвигун заточного приспособления, кВт | нет | 0,75 |
| Габарити і масса верстата | ||
| Габарити верстата (длина ширина высота) РМЦ=1000, мм | 2795 х 1190 х 1500 | 2400 х 1220 х 1640 |
| Маса верстата, кг | 3010 | 2000 рік |
Замовити
Хто володіє інформацією – той володіє світом.
Натан Ротшильд